ЭЛЕКТРОСХЕМЫ
СХЕМА » АВТОМОБИЛЯ » АУДИ

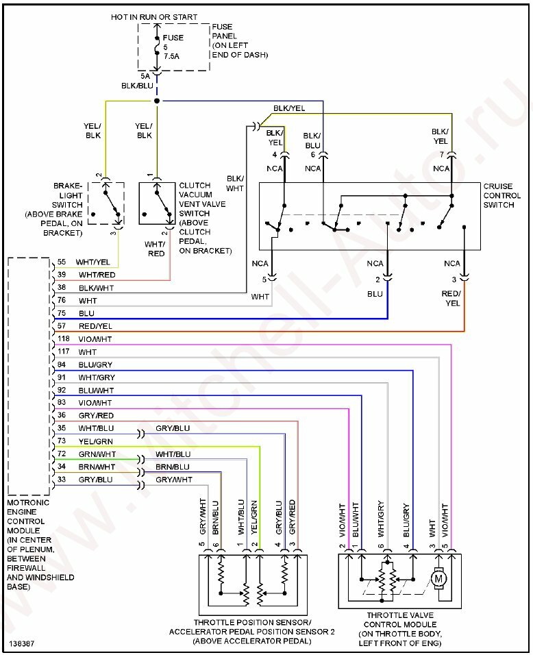
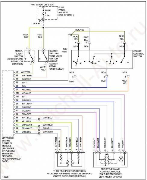
Электрическая схема автомобиля АУДИ ТТ

      

   Электрические схемы автомобиля Audi TT 2001 года - Электрооборудование автомобиля. Полная подборка принципиальных электрических схем по данному автомобилю - взято из руководства для автосервисов.

   Вы также можете скачать архив с электросхемами автомобиля Audi TT в виде альбома.

    РЕМОНТ АВТОЭЛЕКТРОНИКИ           ЗАРЯДНЫЕ УСТРОЙСТВА ДЛЯ АКБ

 

ПОИСК СХЕМ ПО САЙТУ

Контакты - Рейтинг казино - Электросхемы отечественных автомобилей газ, ваз, уаз и иномарок - электрооборудование и проводка. Copyright © 2022