Продолжение каталога электросхем автомобилей BMW 7-й серии. В разделе представлены для бесплатного просмотра и скачивания схемы таких узлов, как звуковой сигнал, система SRS, комбинация приборов, противоугонная система, обогрев переднего стекла, подогрев передних сидений, стеклоподъемники, стеклоочистители и стеклоомыватели и другие модули электросхемы авто серии BMW 7.
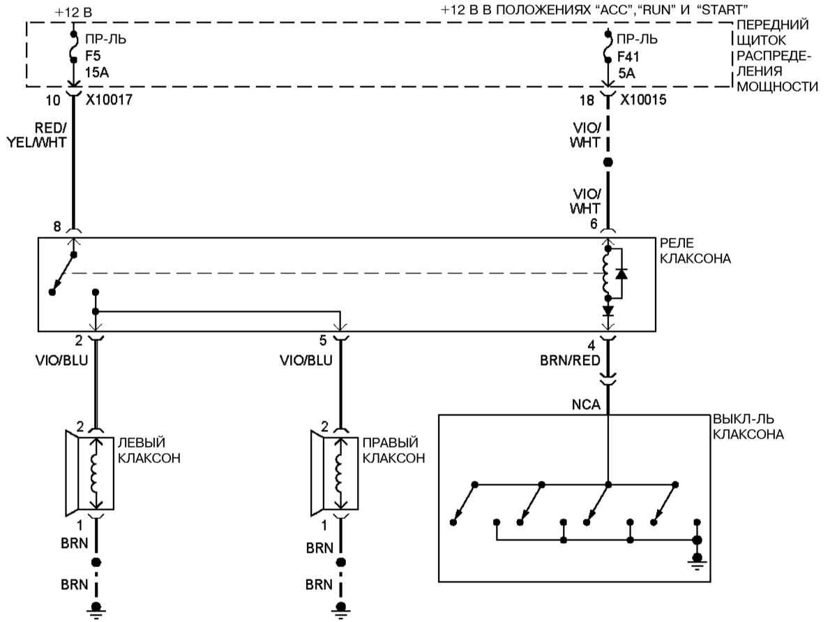
Схема звукового сигнала BMW

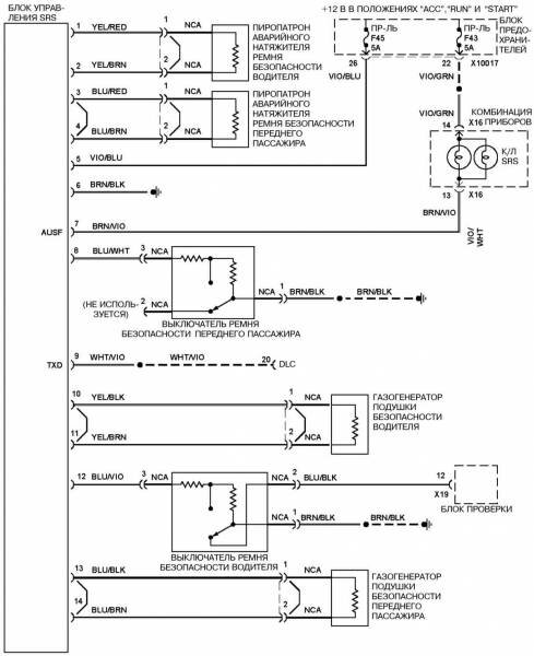
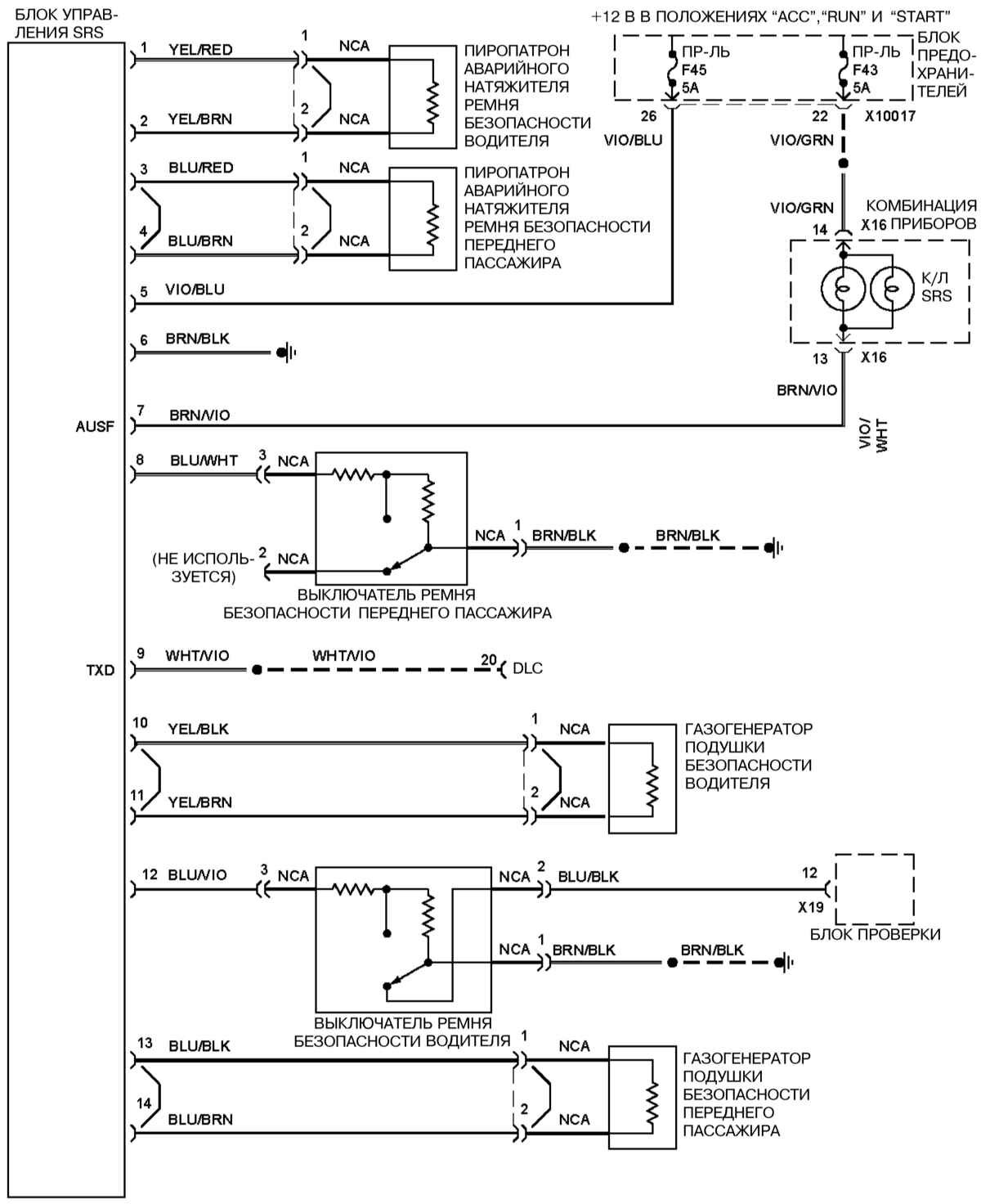
Электросхема системы SRS

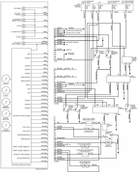
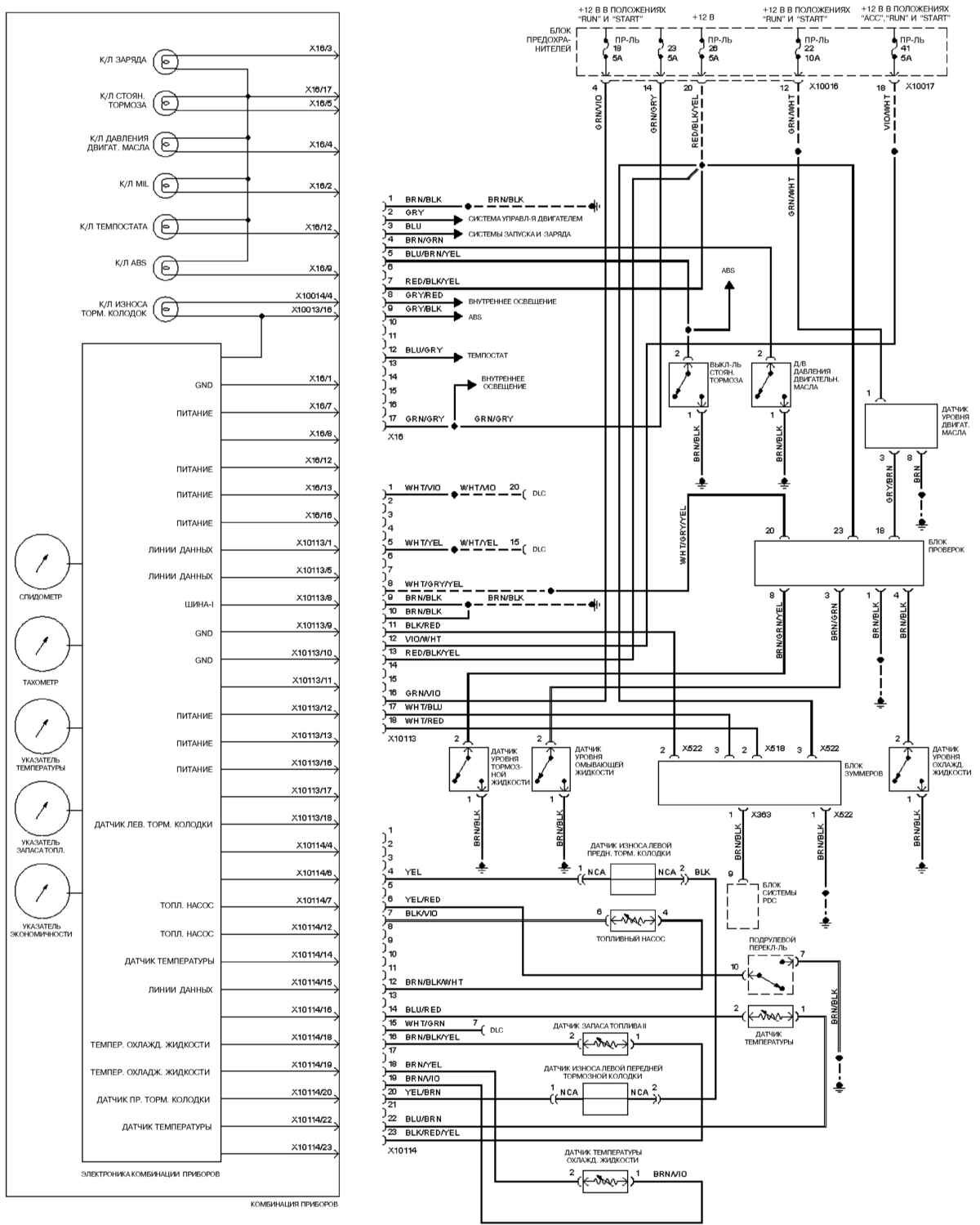
Комбинация приборов BMW 7

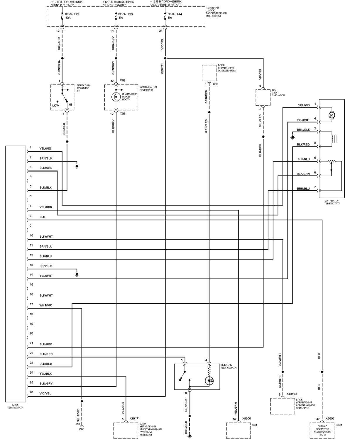
Темпостат - схема

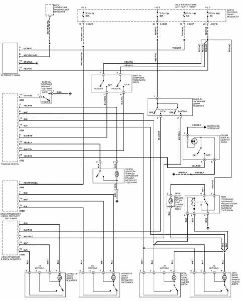
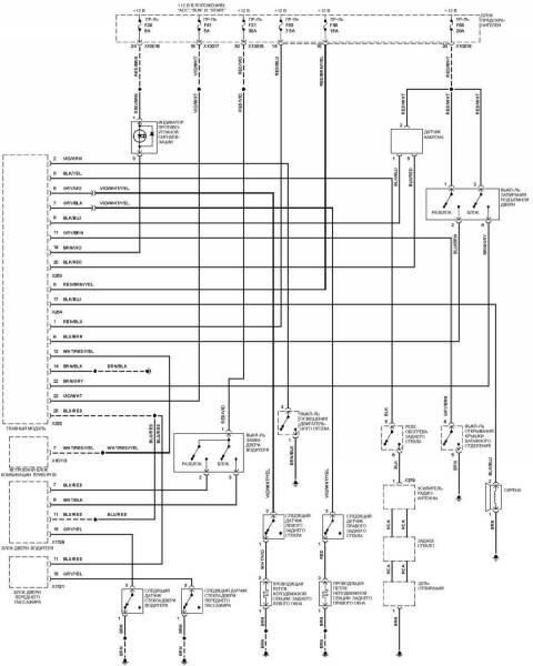
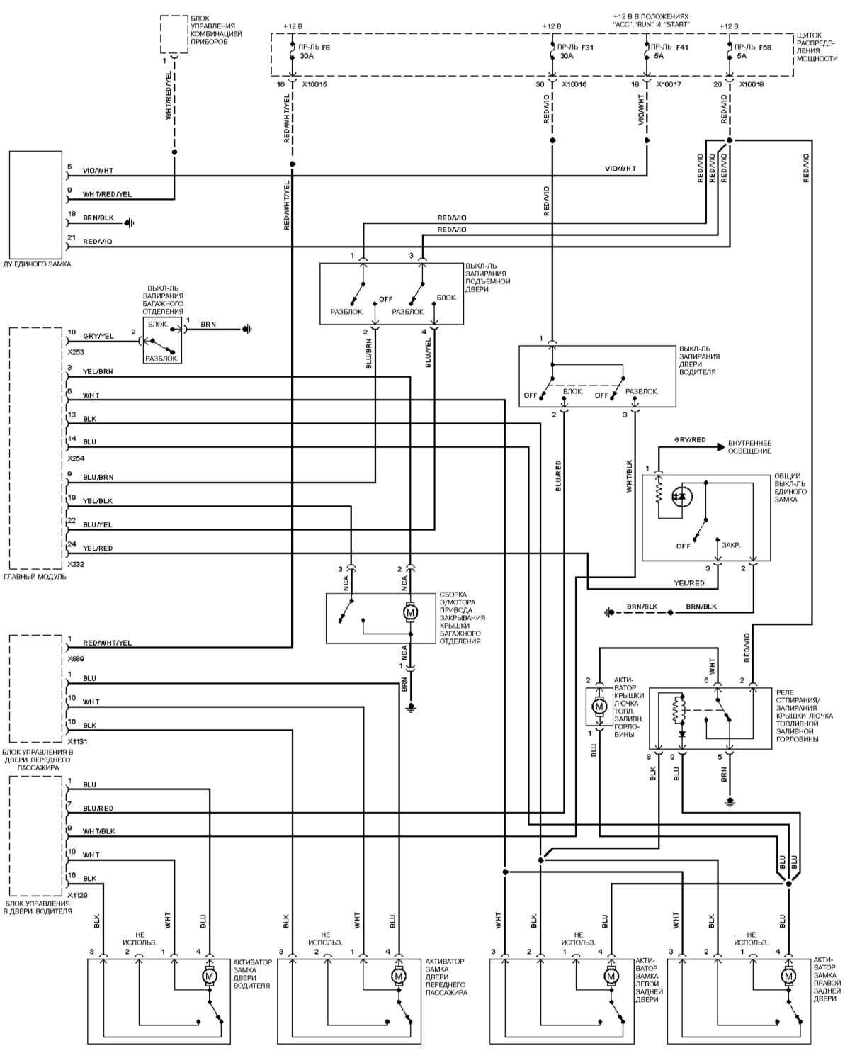
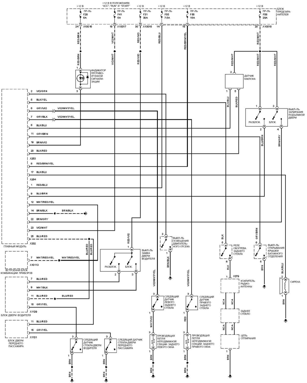
Схема центрального замка авто

Электросхема противоугоннки

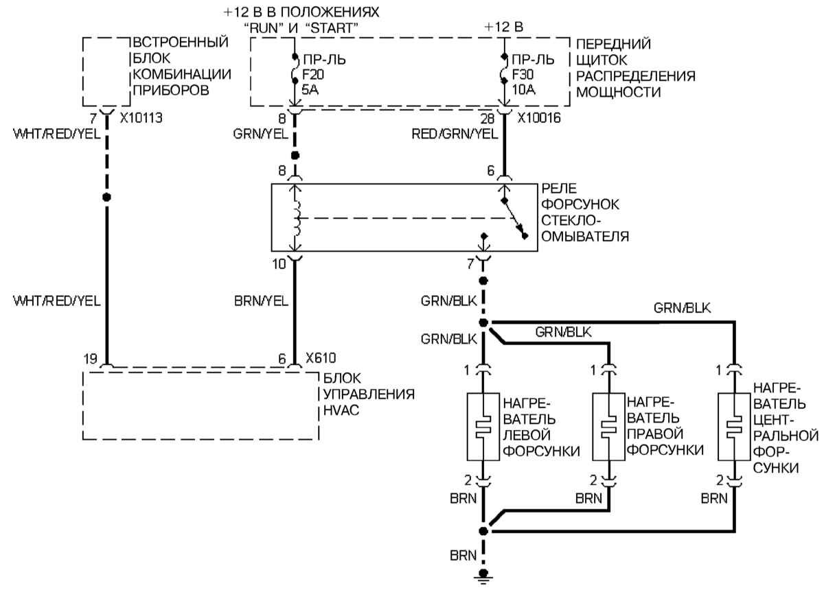
Схема подогрева форсунок стеклоомывателей

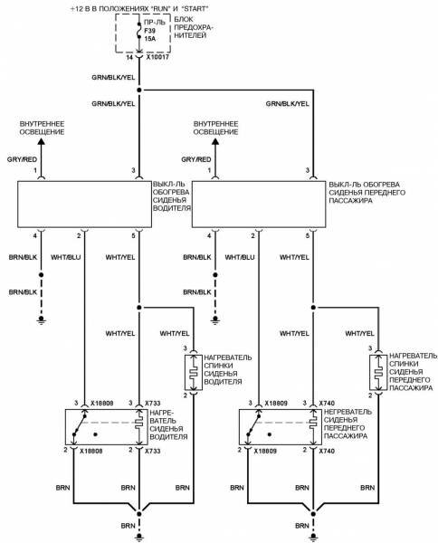
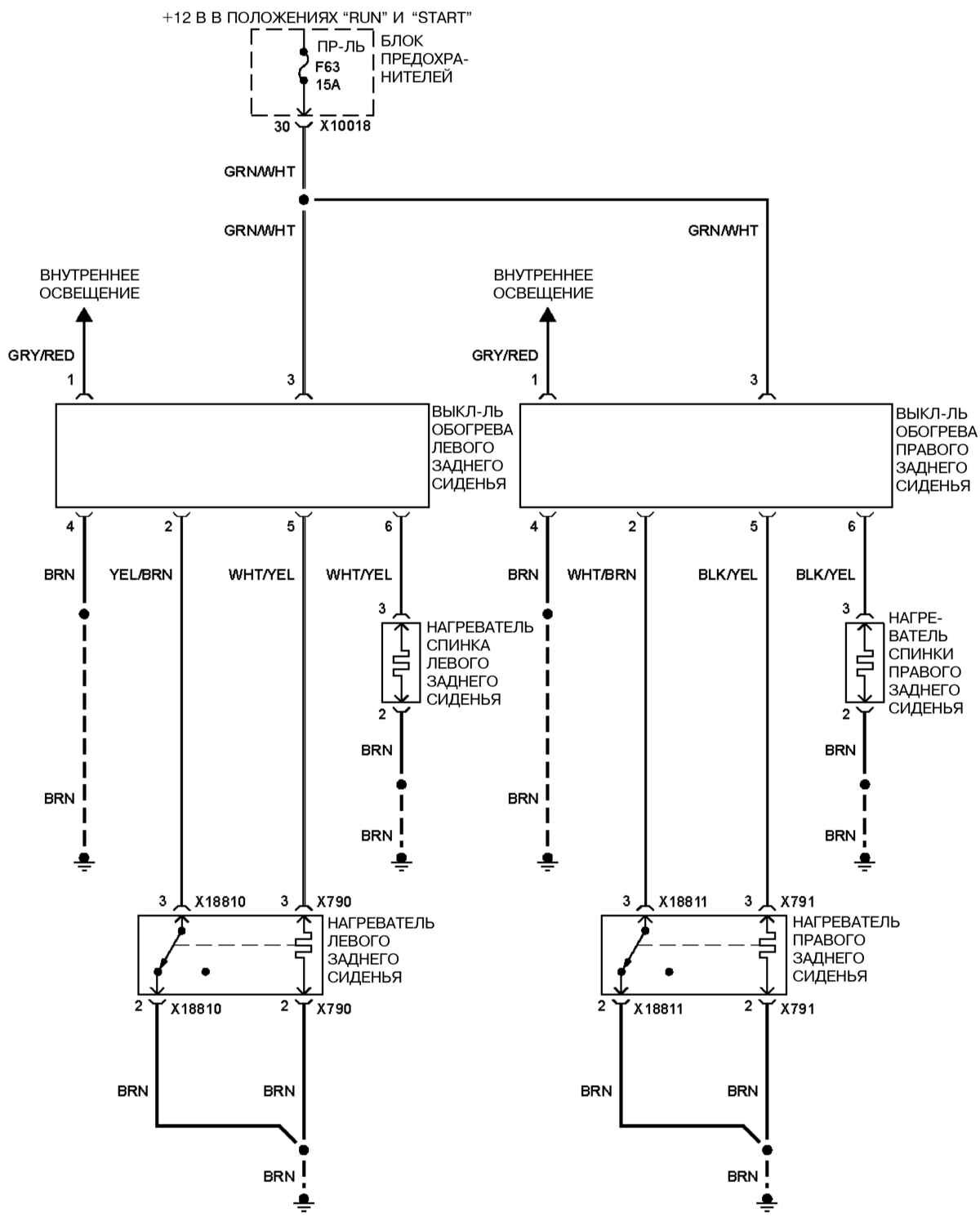
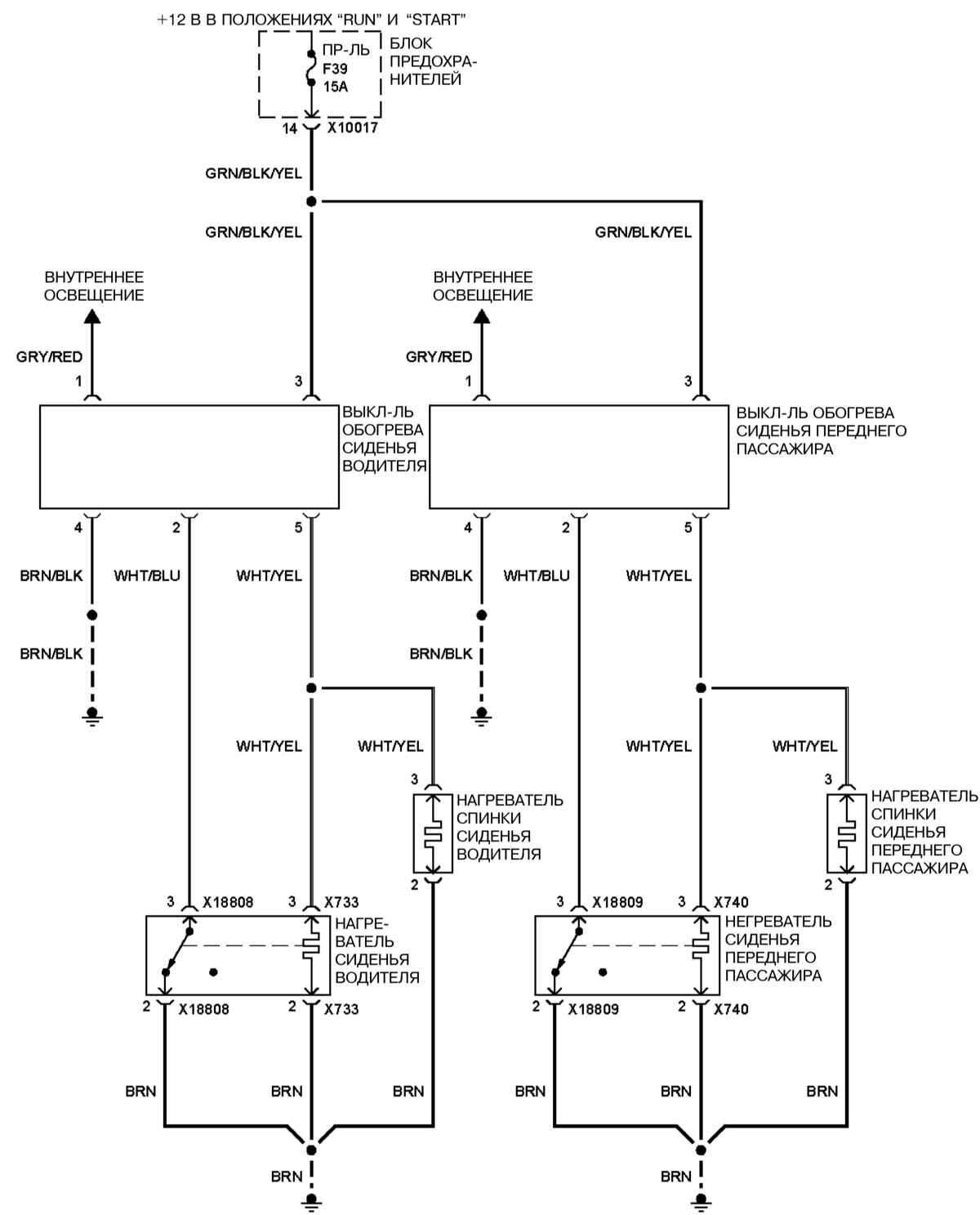
Подогрев сидений BMW 7


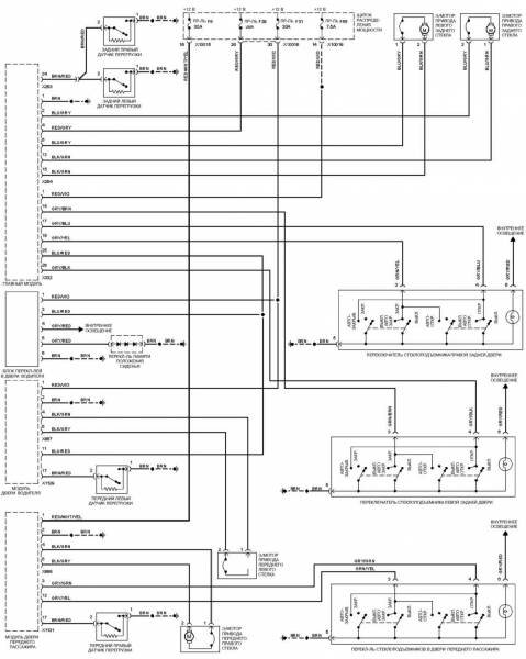
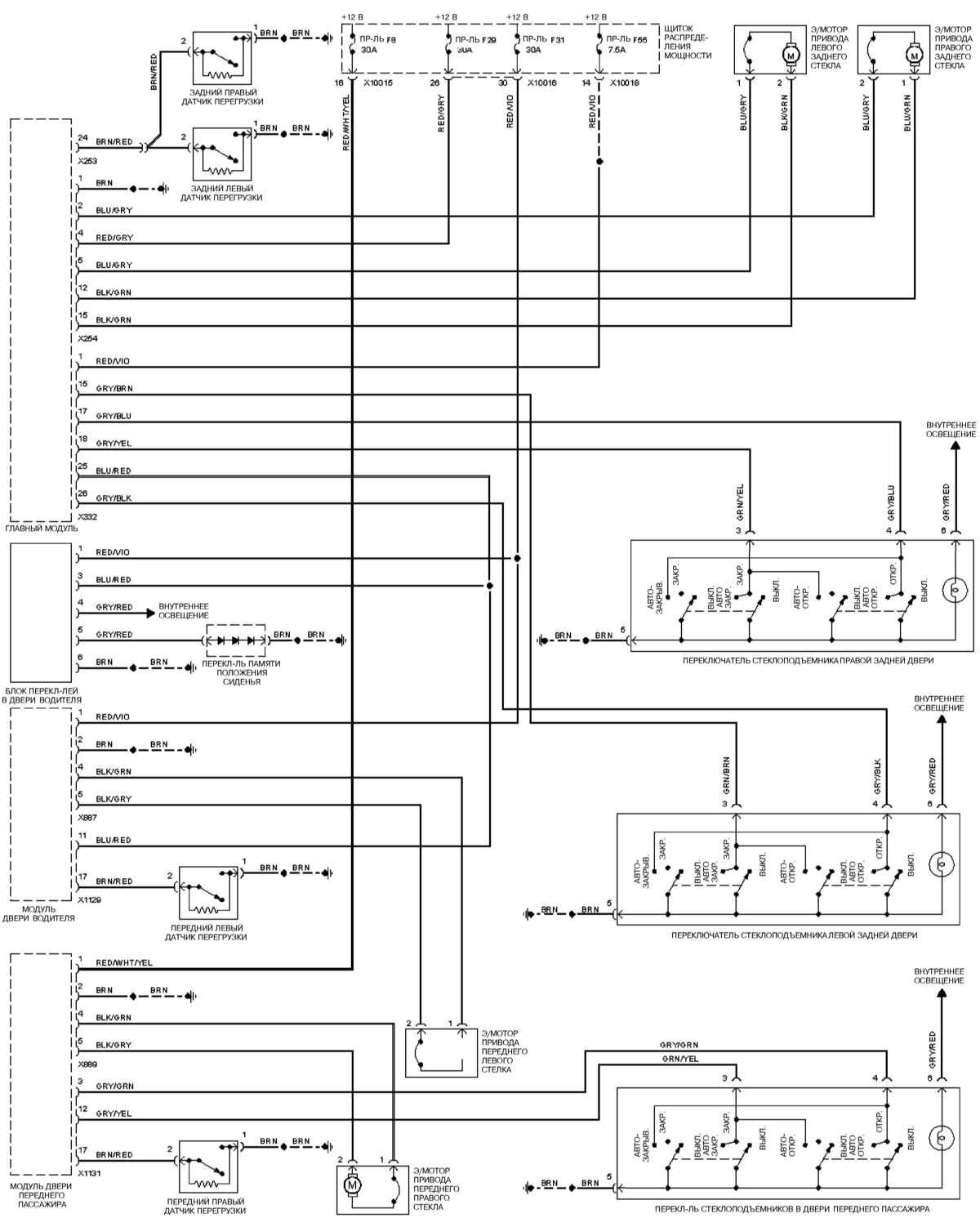
Электросхема стеклоподъемников

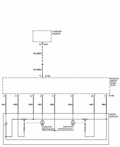
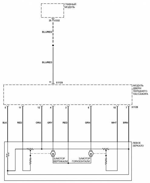
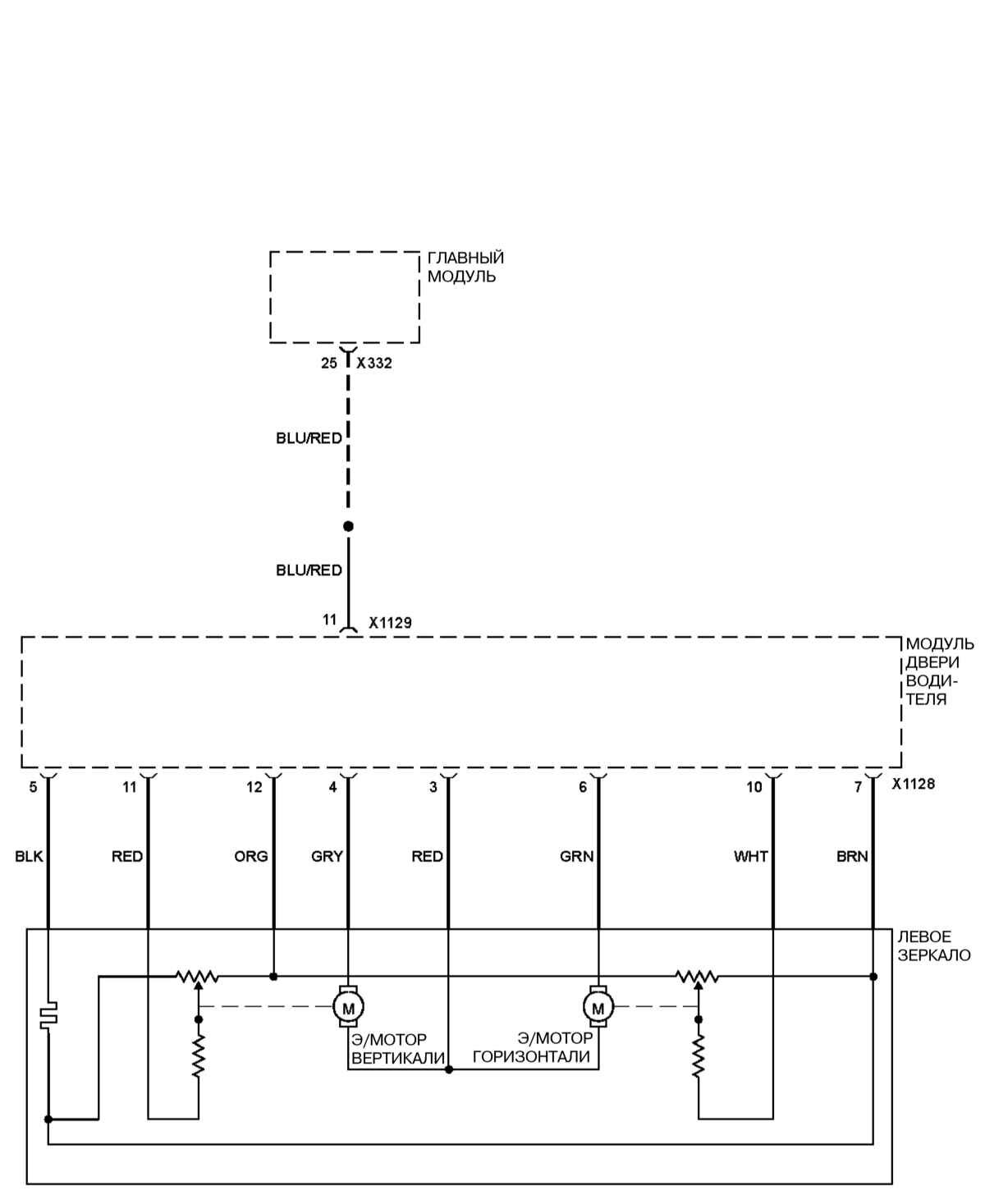
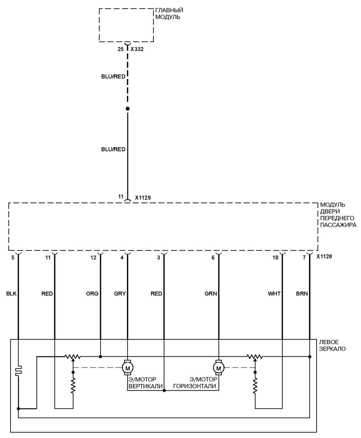
Схемы наружных зеркал


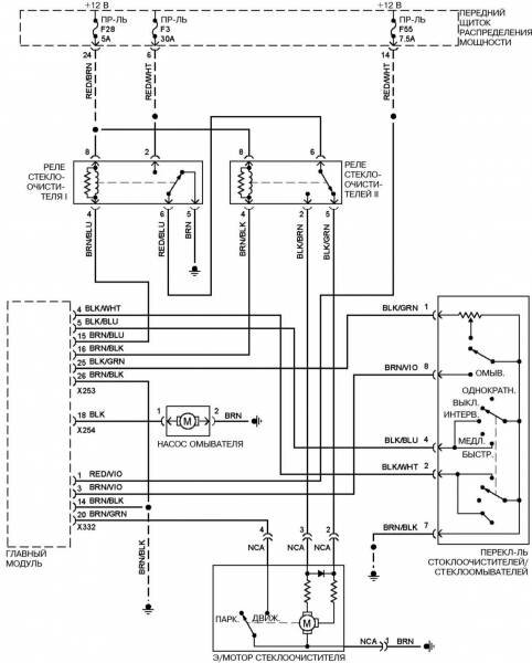
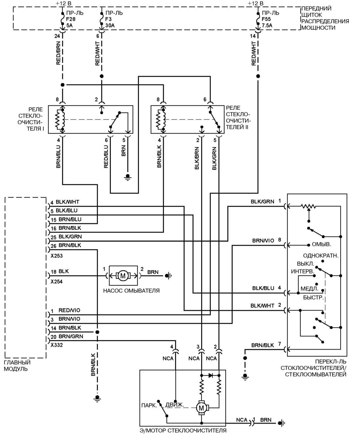
Стеклоочистители и стеклоомыватели BMW

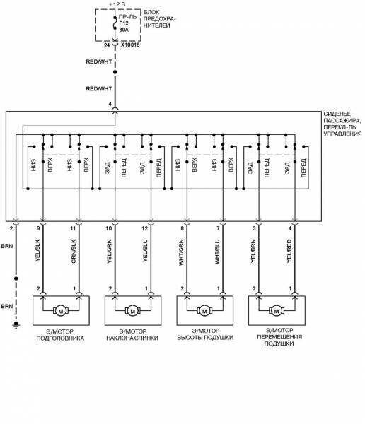
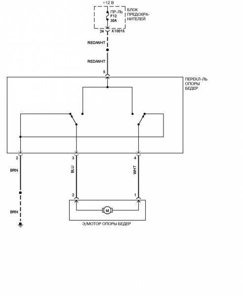
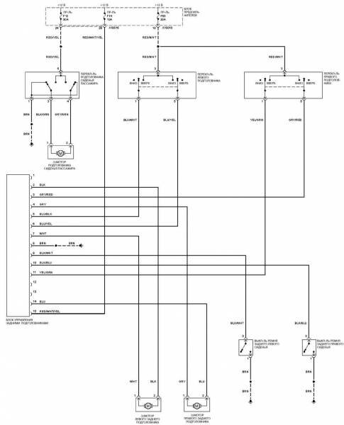
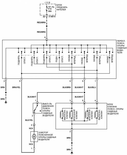
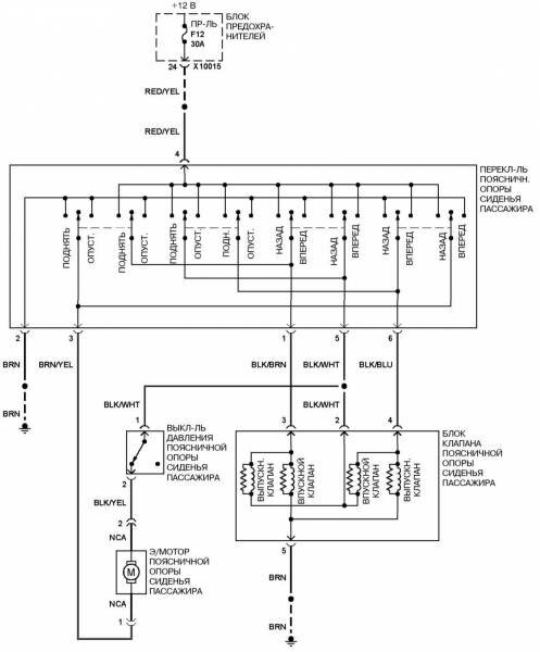
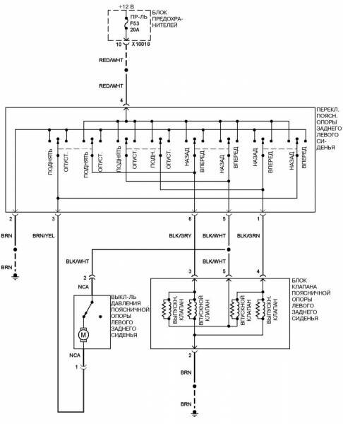
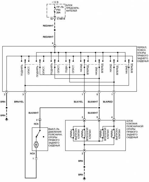
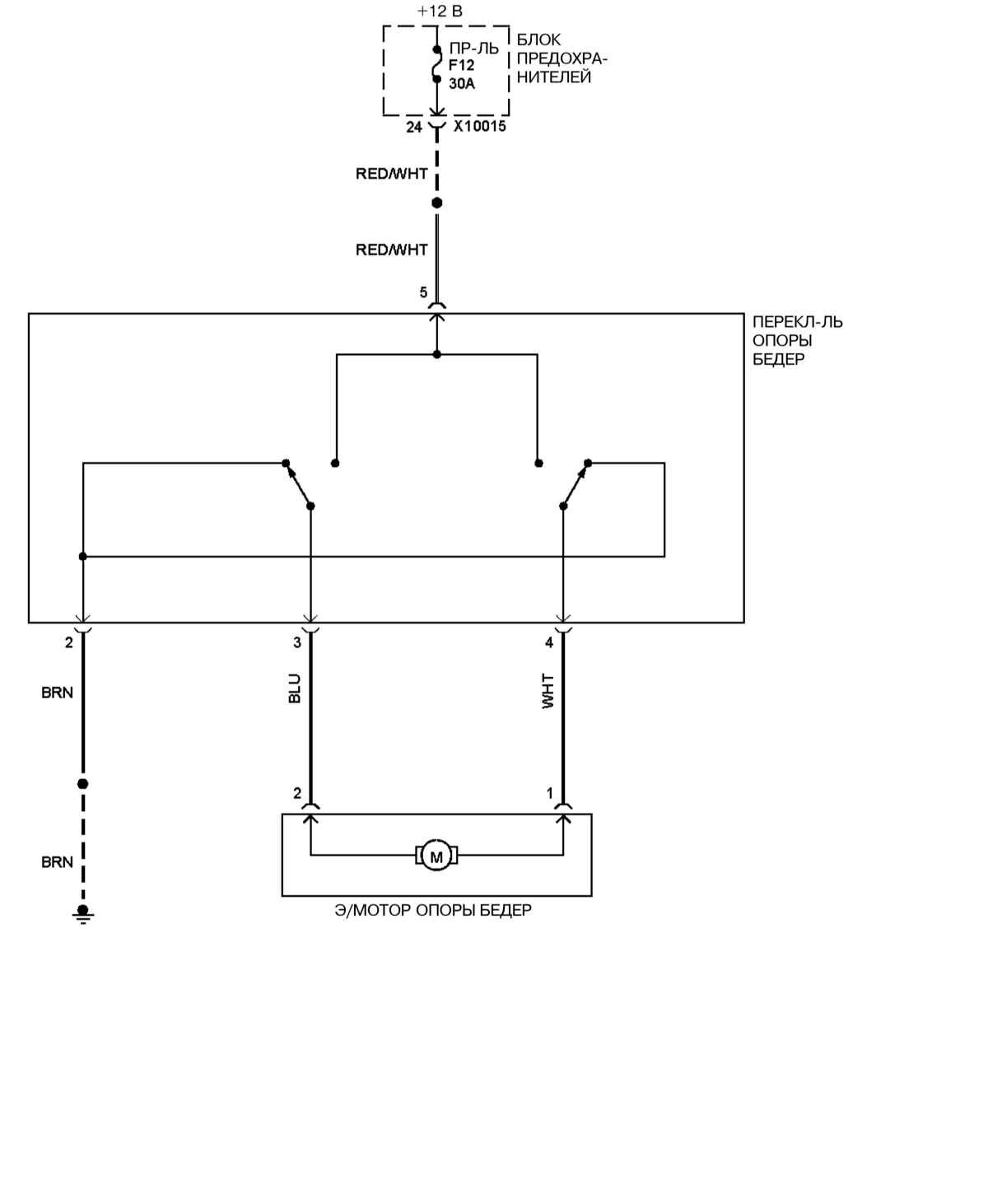
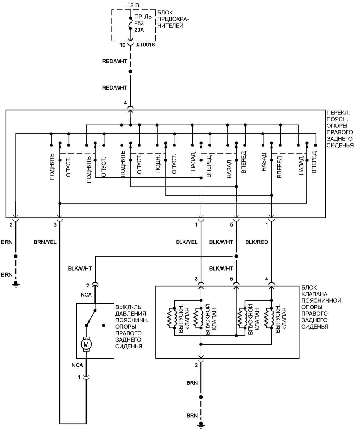
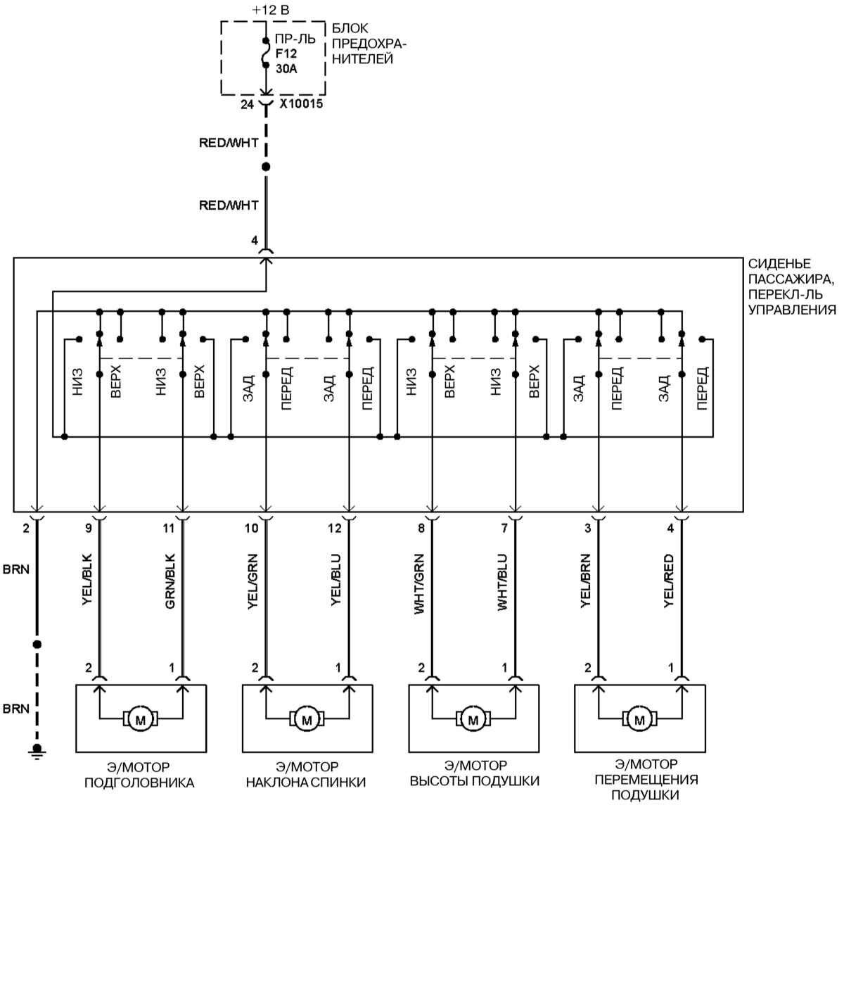
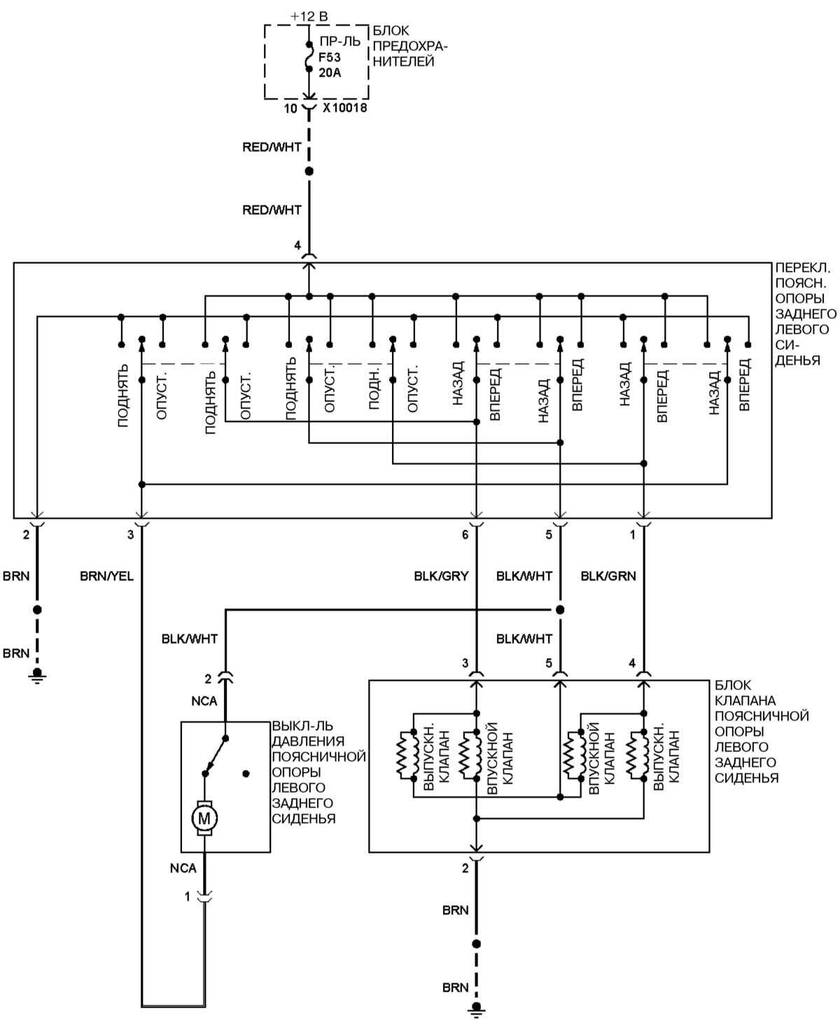
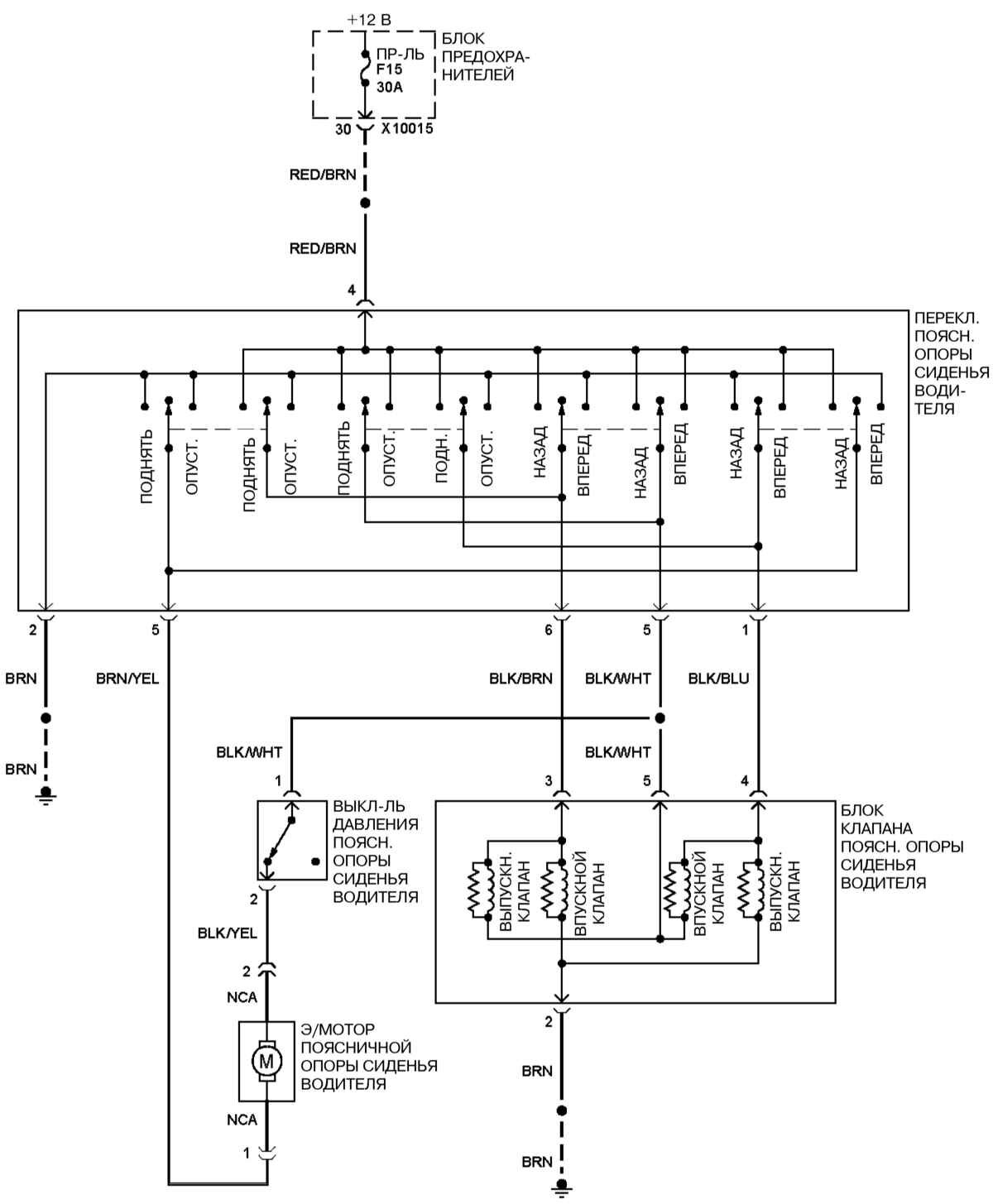
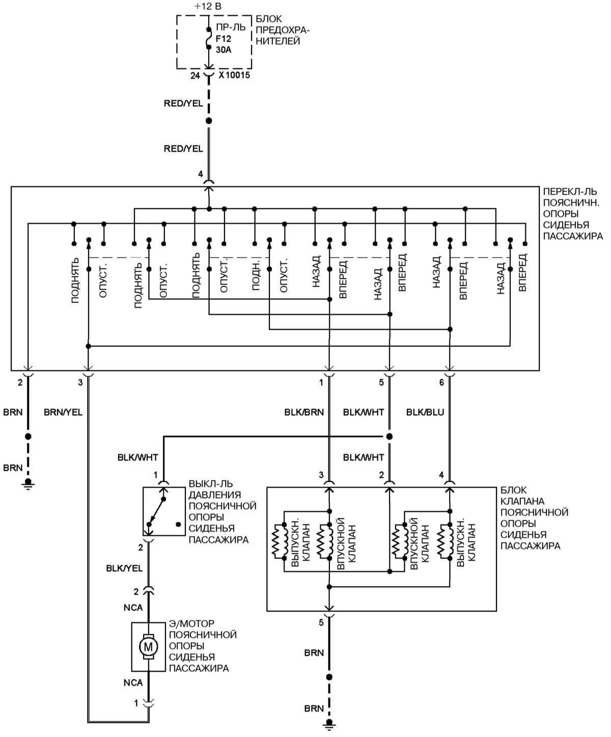
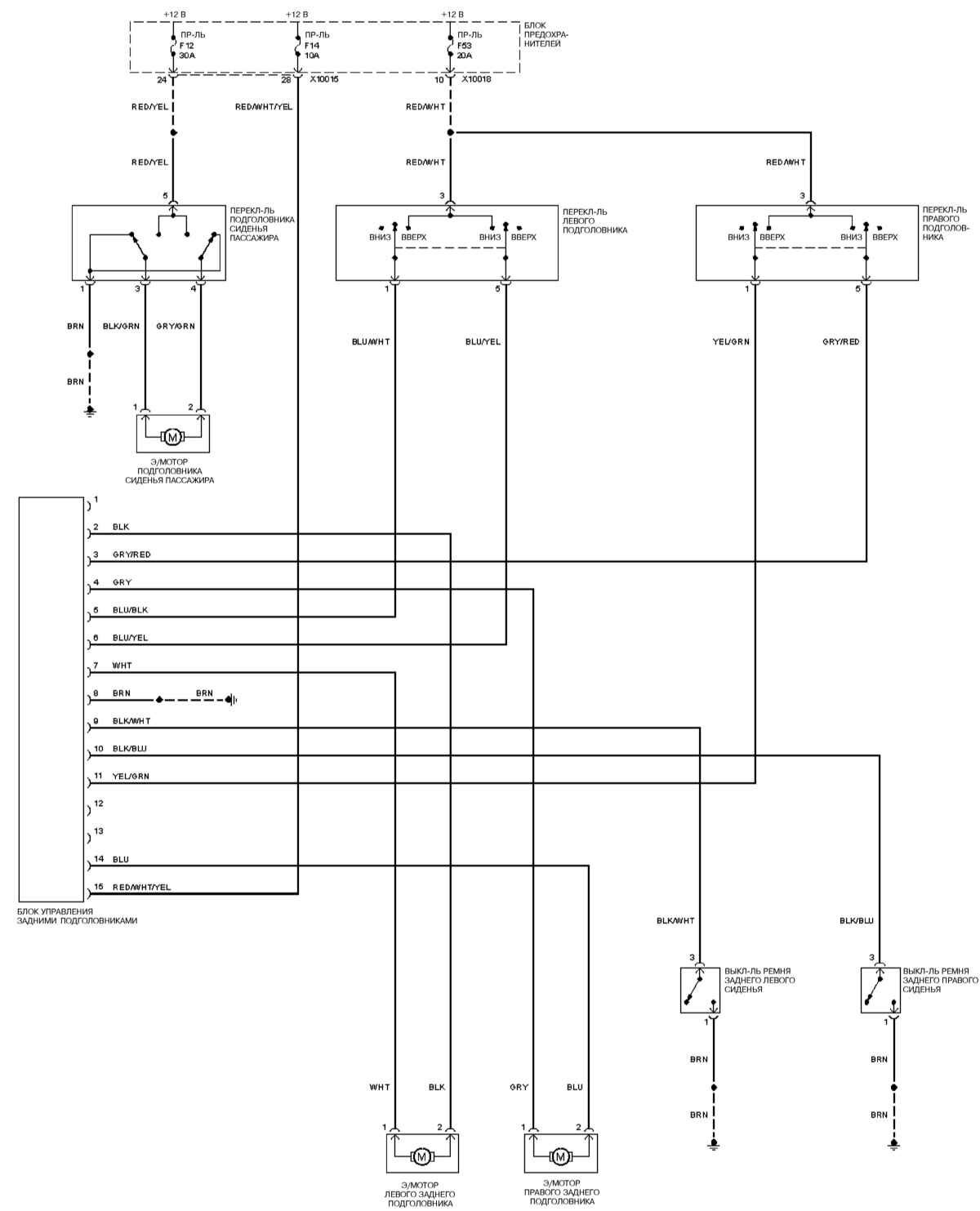
Электроприводы сидений и подголовников







РЕМОНТ АВТОЭЛЕКТРОНИКИ ЗАРЯДНЫЕ УСТРОЙСТВА ДЛЯ АКБ

|