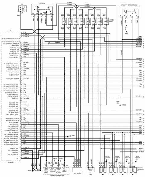
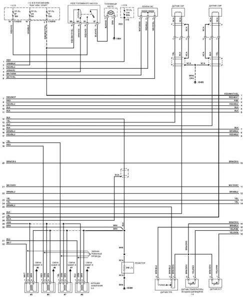
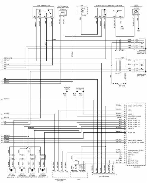
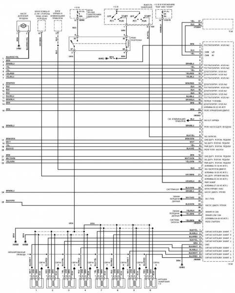
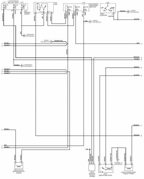
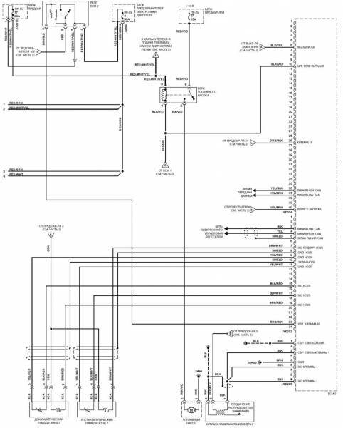
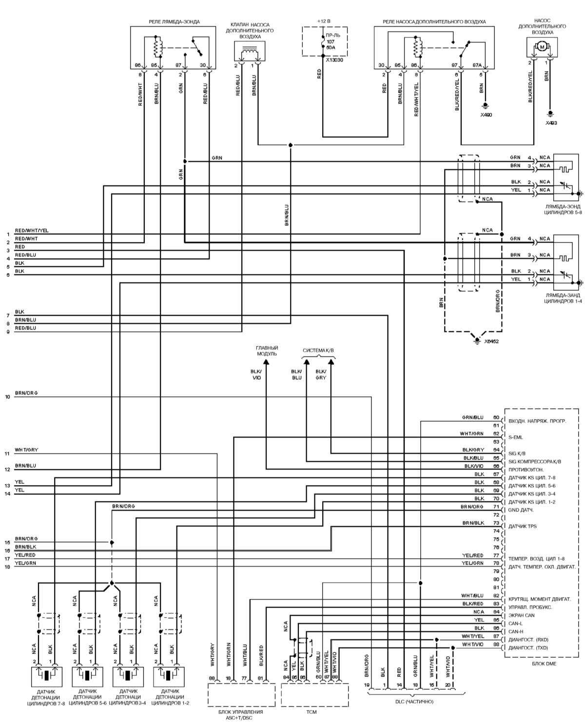
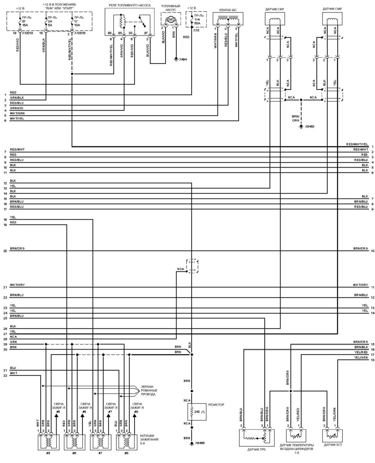
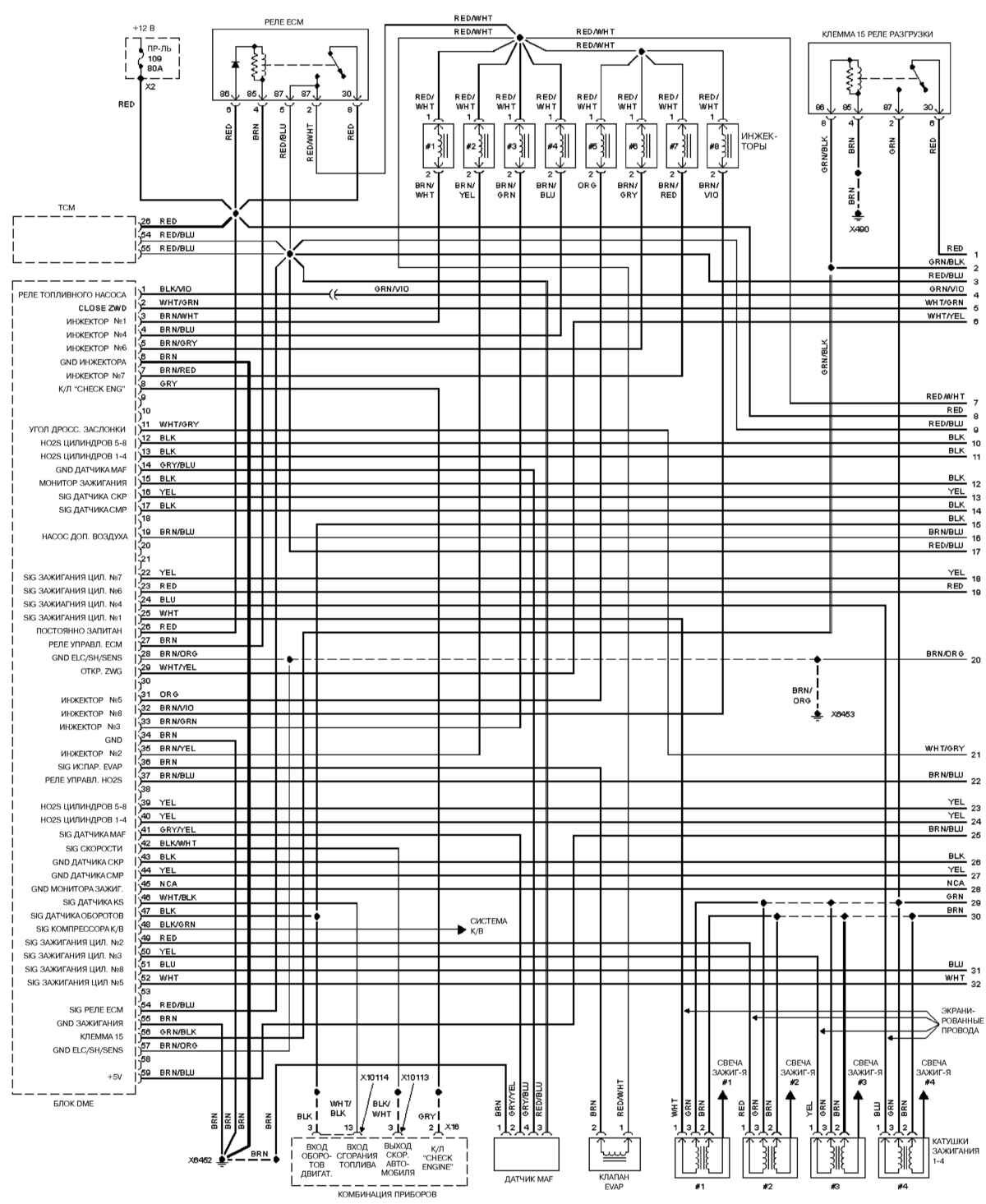
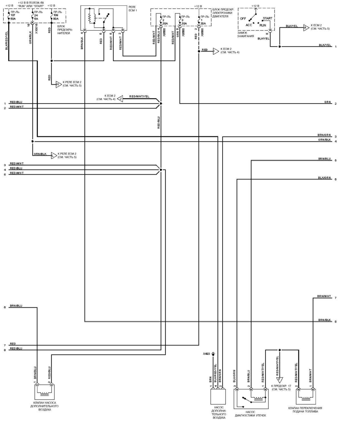
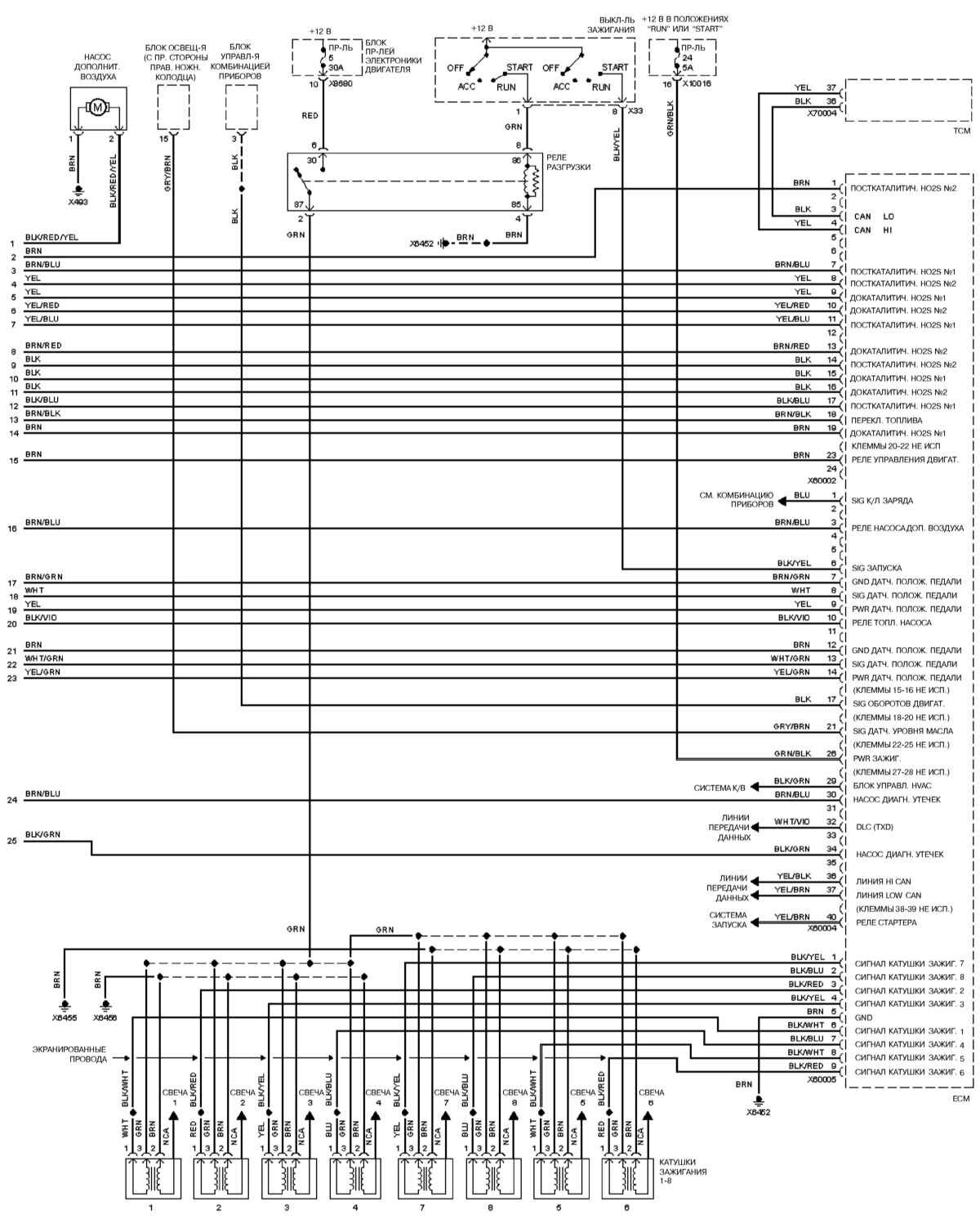
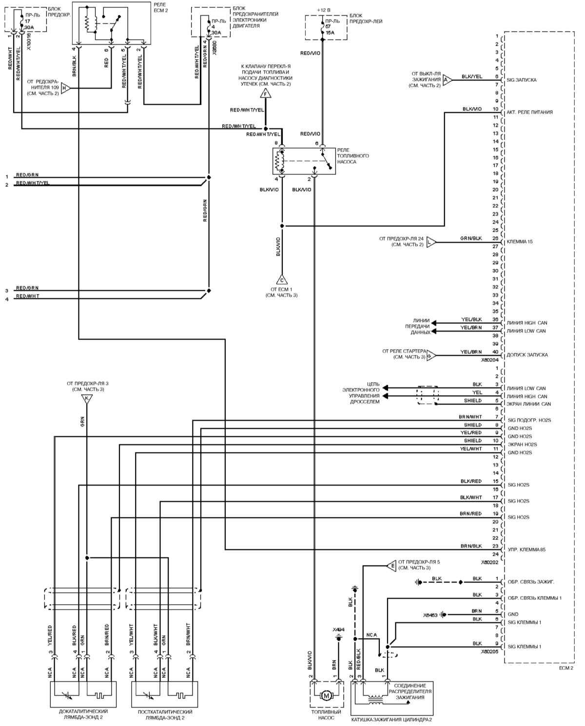
Три варианта электросхем управления двигателем для автомобилей BMW. Скачать бесплатно и посмотреть схемы управления двигателем может любой посетитель сайта Электросхемы. Представлены варианты двигателей для моделей M60/2, M62 и M73. Для увеличения картинки - кликните по ней.
Электросхема двигателя bmw M60/2 (1995 г.)



Электросхема двигателя bmw M62 (2000 г.)



Электросхема двигателя bmw M73 (2000 г.)





Электросхемы других узлов автомобилей BMW смотрите тут.
РЕМОНТ АВТОЭЛЕКТРОНИКИ ЗАРЯДНЫЕ УСТРОЙСТВА ДЛЯ АКБ

|