Daewoo Nubira пришёл на смену Espero в 1997 году и выпускался с кузовами седан, универсал и пятидверный хэтчбек. Салон Daewoo Nubira, отделанный в светлых тонах, позволяет хорошо просматривать приборы контроля, имеет отличный дизайн и выполнен с применением качественных материалов. В данной статье приведены схемы электрооборудования для автомобиля Дэу Нубира. Все принципиальные схемы в хорошем качестве и высоком разрешении. Описание к схемам и недостающие модули можно скачать в архиве электросхем Daewoo Nubira Для увеличения - кликните на картинку.
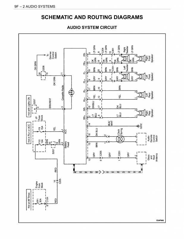
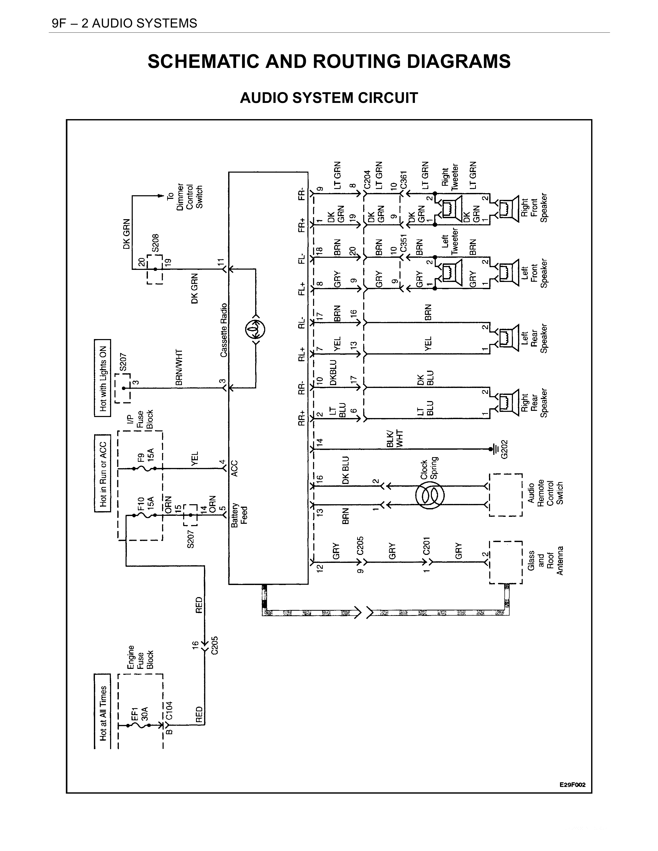
Электросхема аудиосистемы автомобиля Дэу нубира

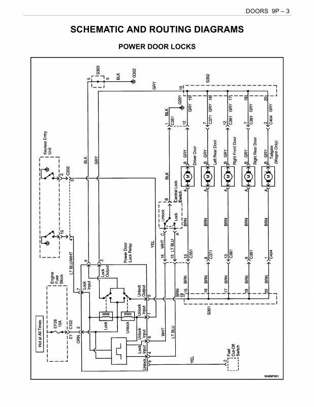
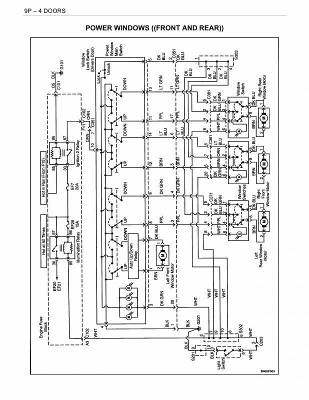
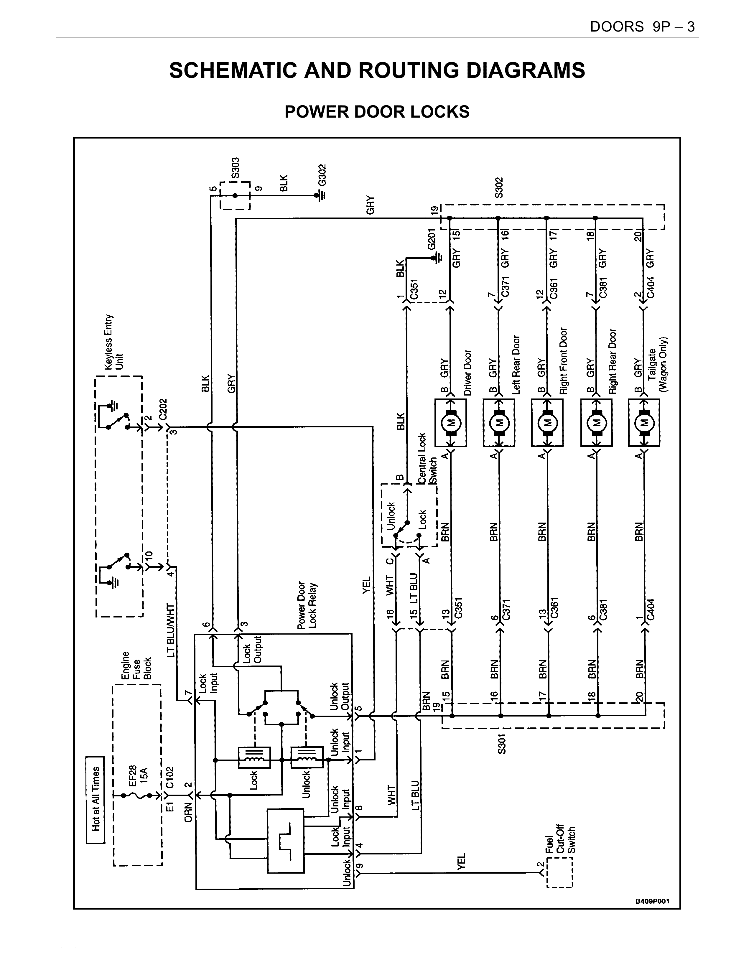
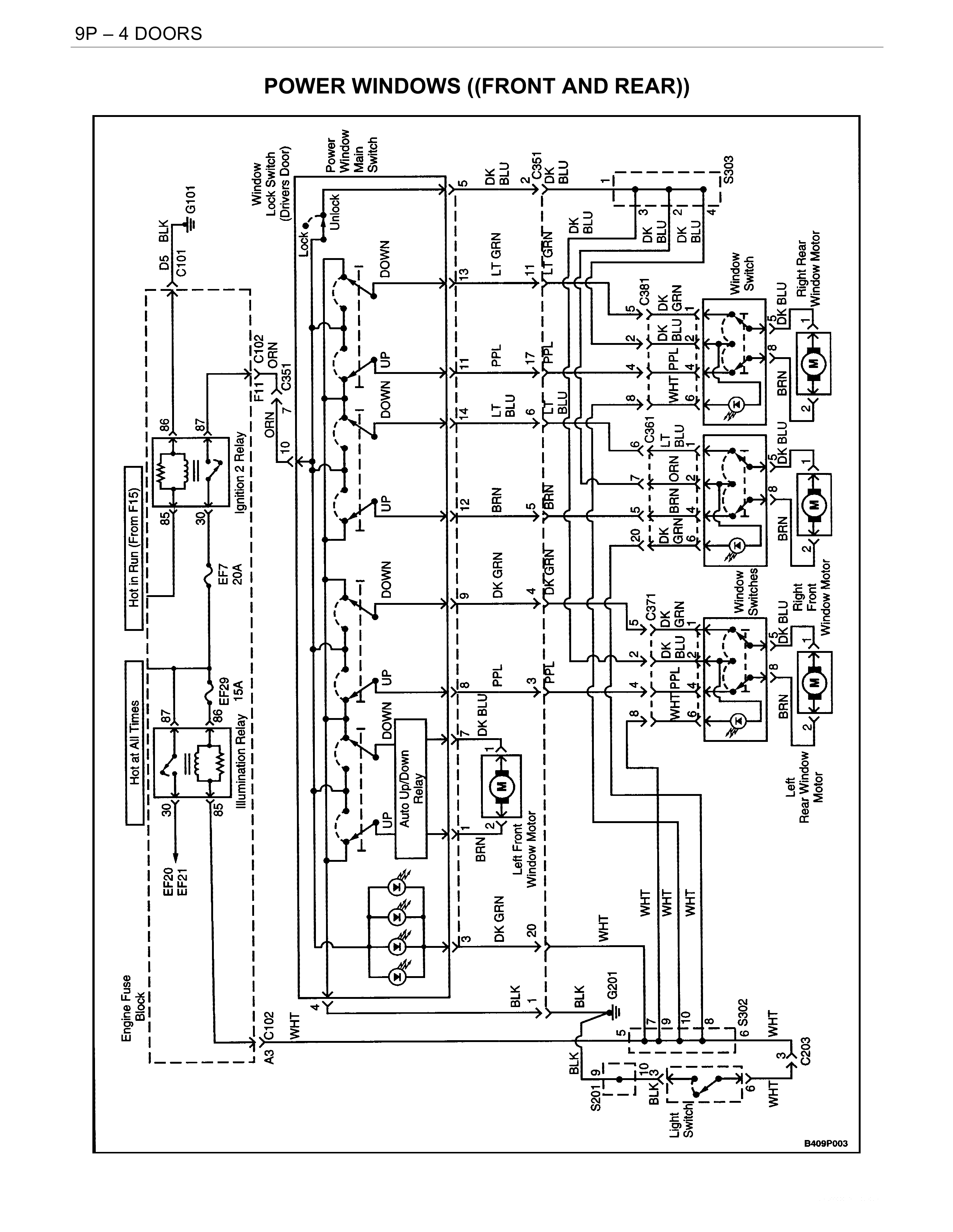
Электросхема дверной системы автомобиля Дэу нубира


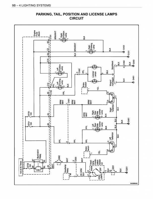
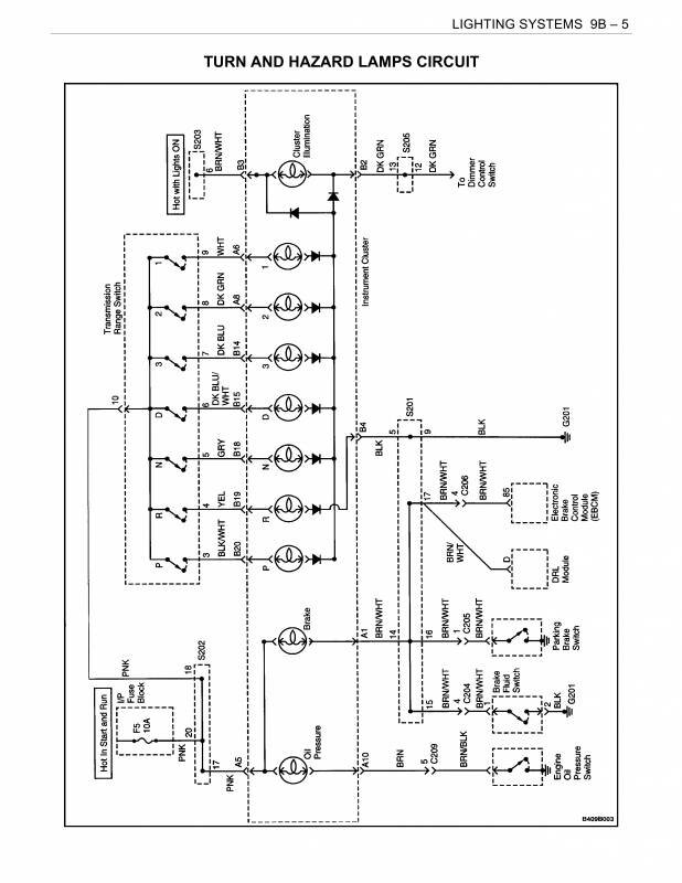
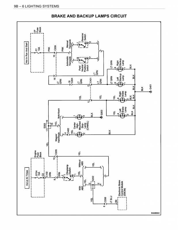
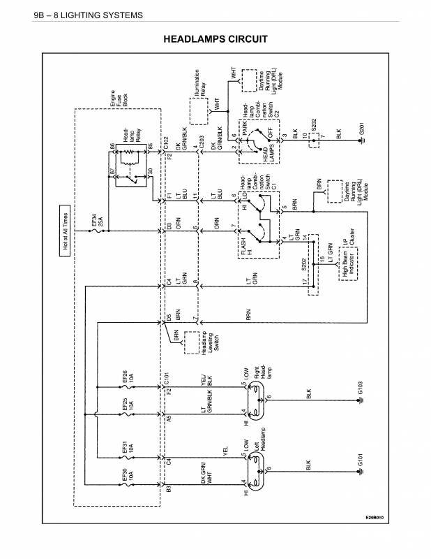
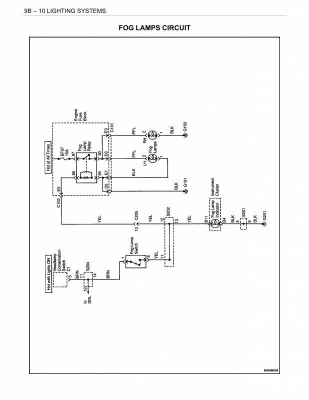
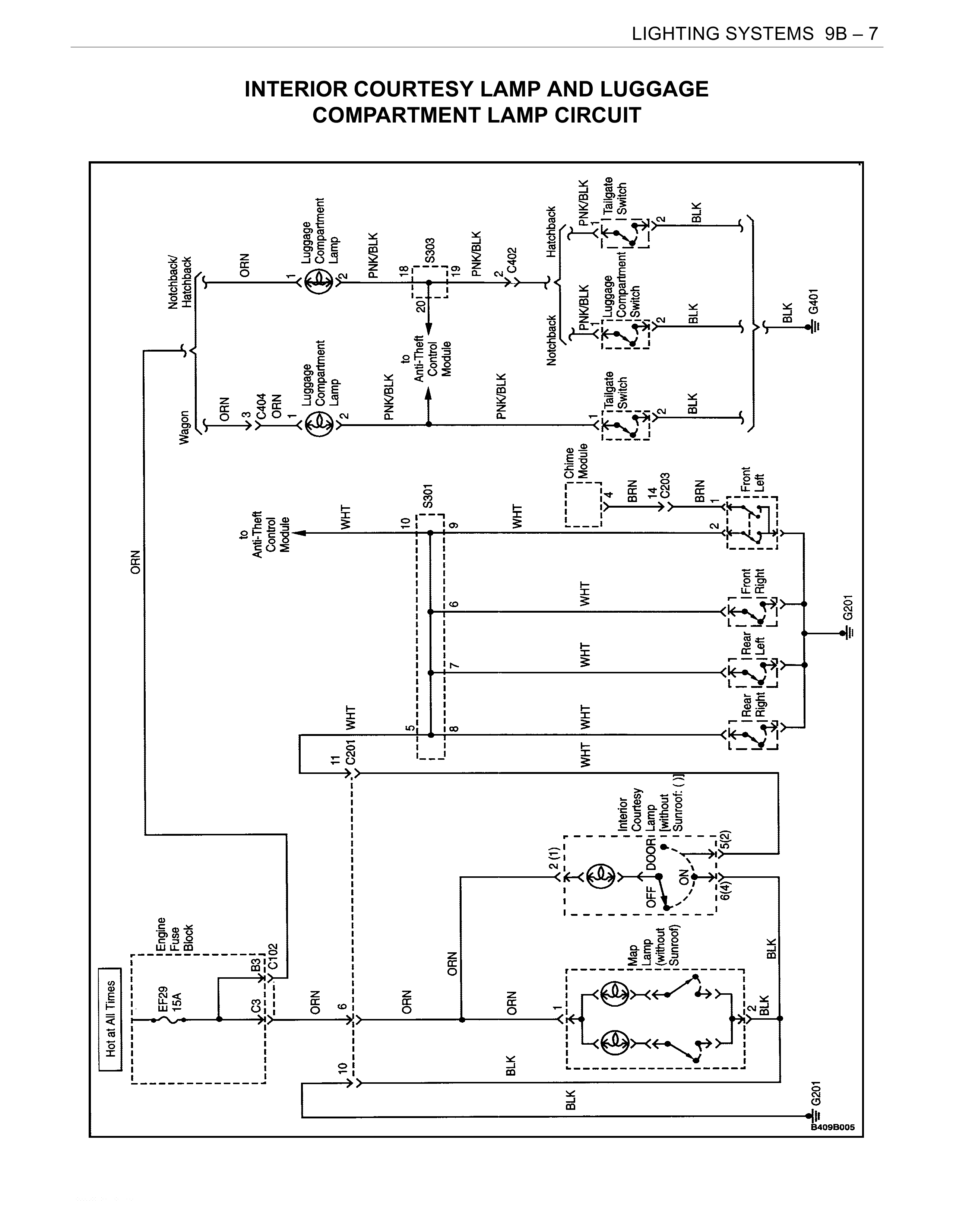
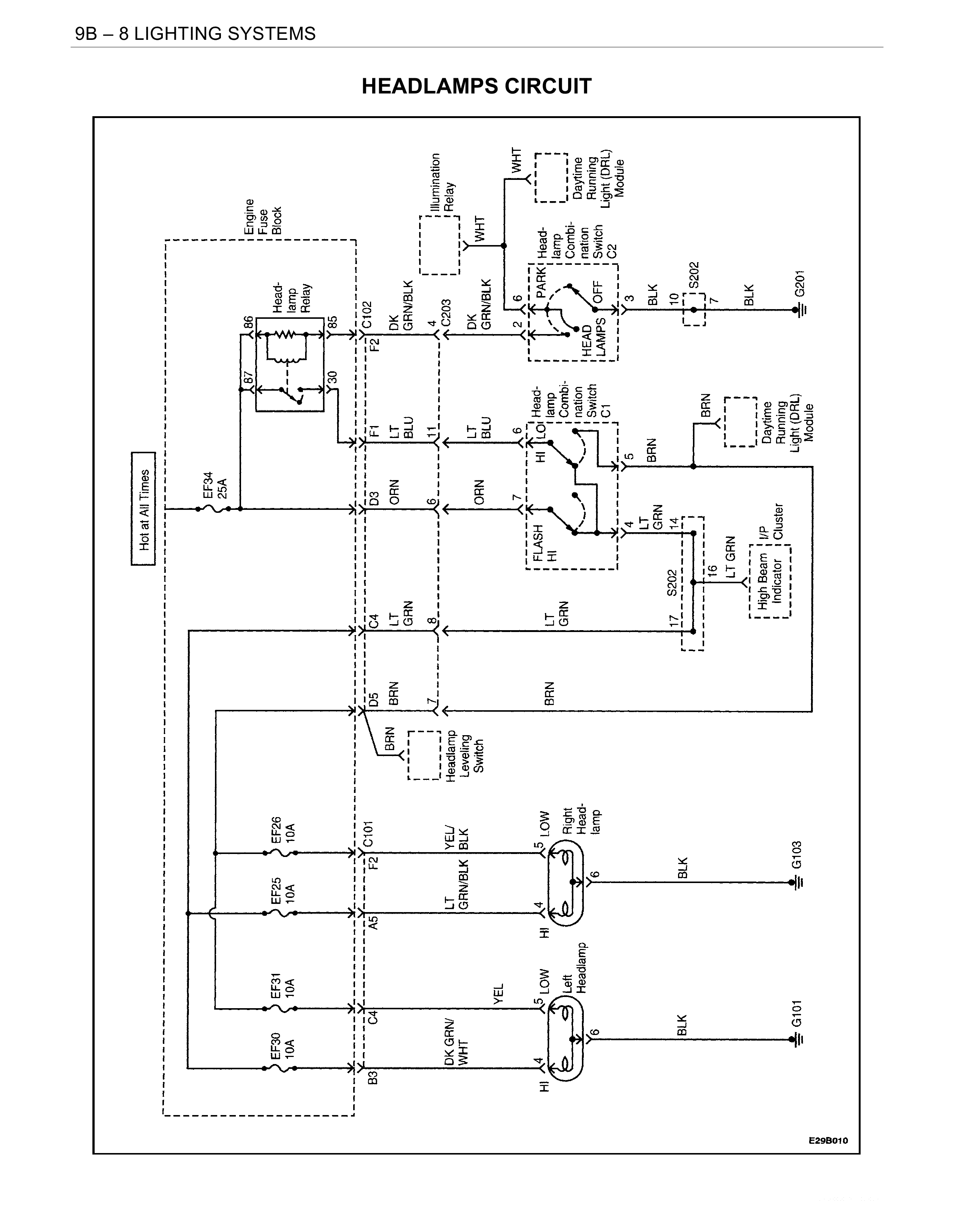
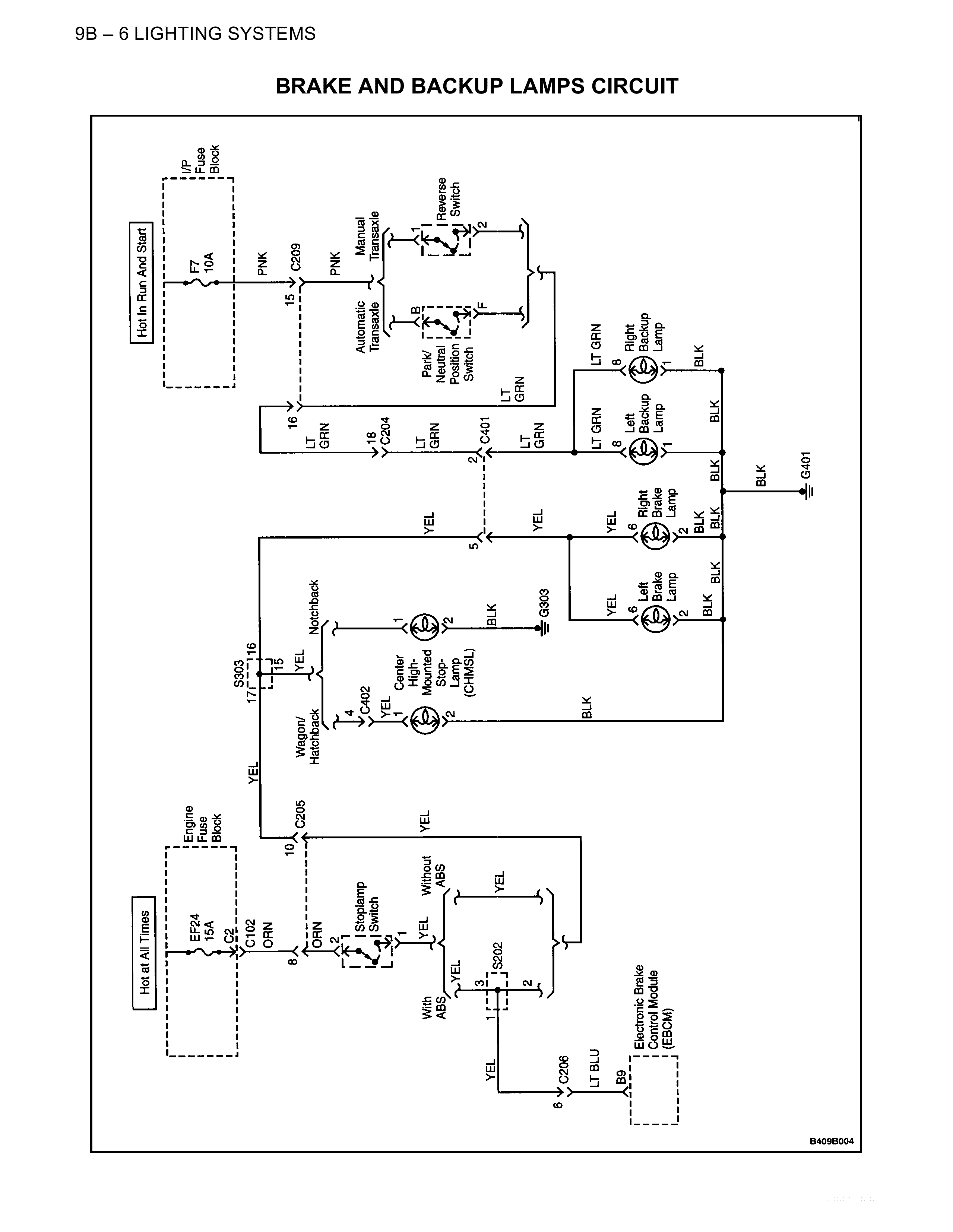
Электросхема освещения Дэу нубира - фары, стоп сигналы, поворотники и противотуманки







РЕМОНТ АВТОЭЛЕКТРОНИКИ ЗАРЯДНЫЕ УСТРОЙСТВА ДЛЯ АКБ

|