В данной статье речь пойдет о схемах электрооборудования на Ивеко Евростар. Греется блок-подшипник ступицы? Вот что можно сделать, на полуприцепах с осями саф на блок подшибниках мы спресовываем их и разбираем, внутри стопорное кольцо между внутреними обоймами, осматриваем, если синевы побежалости выкрашевания нет, закладываем смазку 222 и ставим на место, экономим 12 руб.
Обозначения на электросхемах


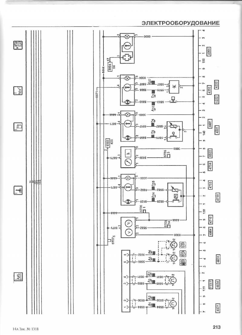
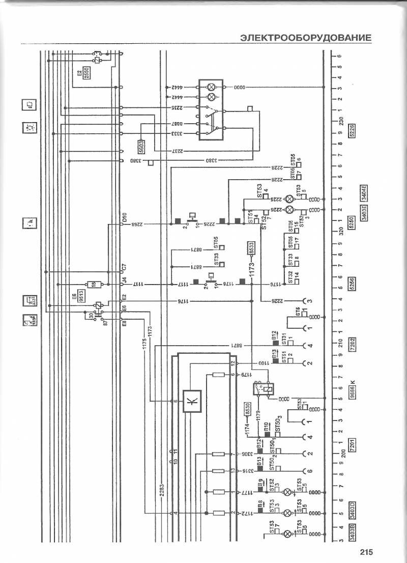
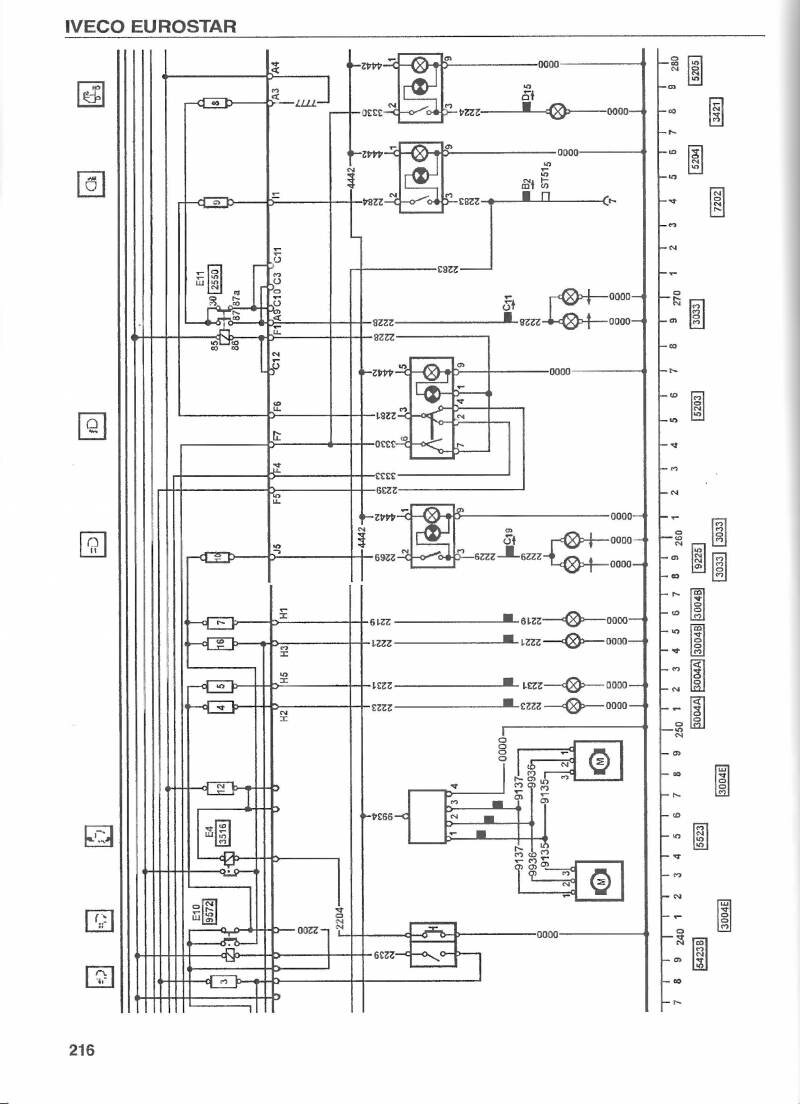
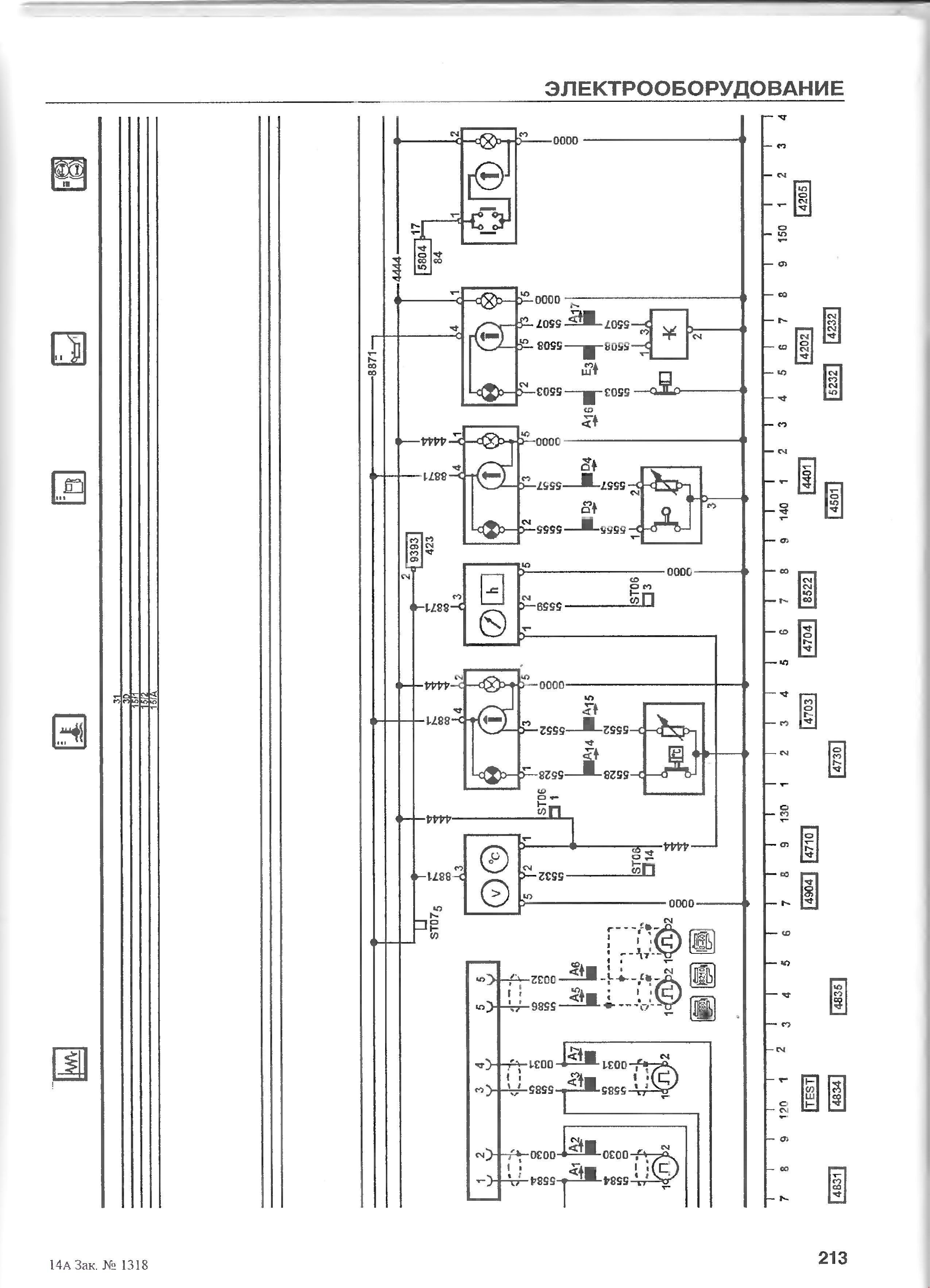
Электросхемы на Ивеко Евростар



РЕМОНТ АВТОЭЛЕКТРОНИКИ ЗАРЯДНЫЕ УСТРОЙСТВА ДЛЯ АКБ

|