Для всех автосервисов и просто автовладельцев, ниже предоставленны схемы электрооборудования на Джип Чероки с 1984 по 1991 г.в. Quadra-Link подвеска, была использована как на передней, так и на задней оси. Эта конструкция использует четыре рычага управления, два выше моста и два ниже, для контроля продольных движений и вращений вокруг поперечной оси (езды и тормозной реакции). A Рanhard стержня, также известный как трек бар, используется для обнаружения моста сбоку. Две винтовые пружины сидят на вершине моста на жилье, а так же два газонаполненными амортизаторами.
Обозначения используемые на схемах электрооборудования на Джип Чероки



Схема блоков предохранителей

Электросхема салона и задней части кузова

Эл.схема включения стеклоподьемников и АВС дверей

Схема моторного отсека и передних дверей

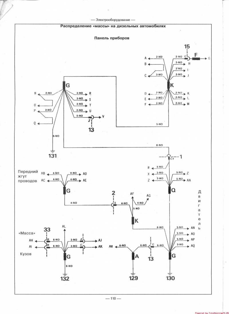
Эл.схема пенели приборов

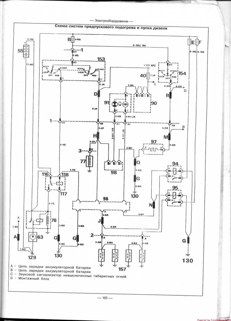
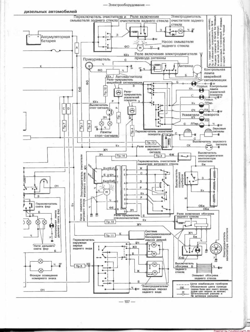
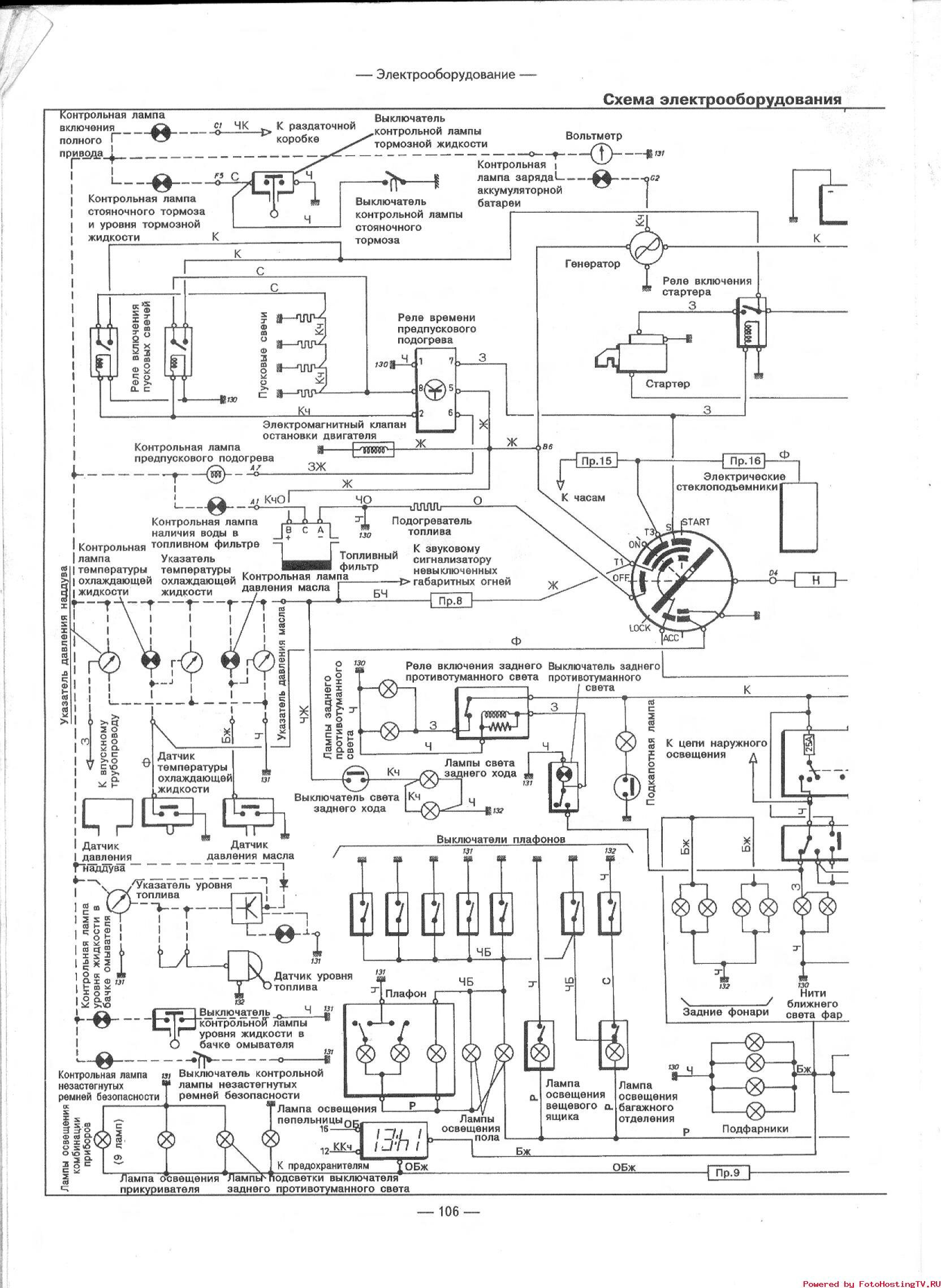
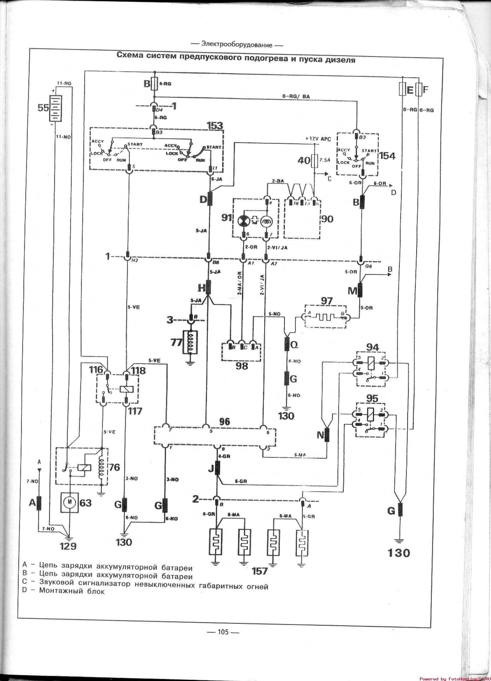
Система предпускового подогрева и пуска дизеля - электросхема

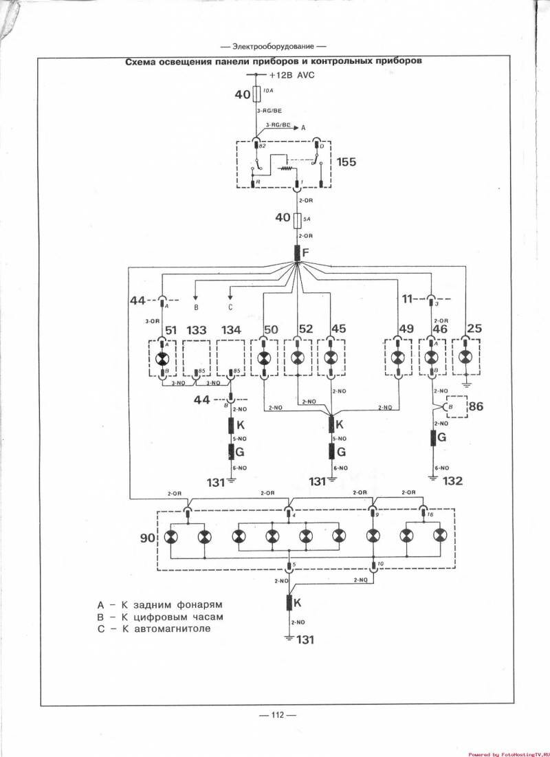
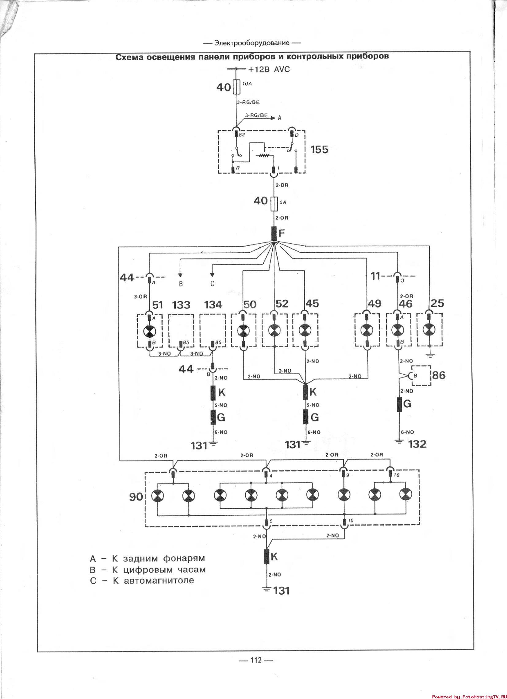
Схема освещения панели приборов и контрольных приборов

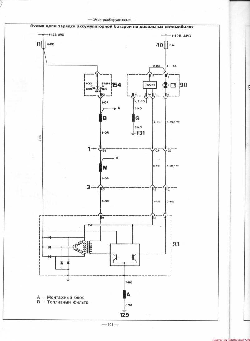
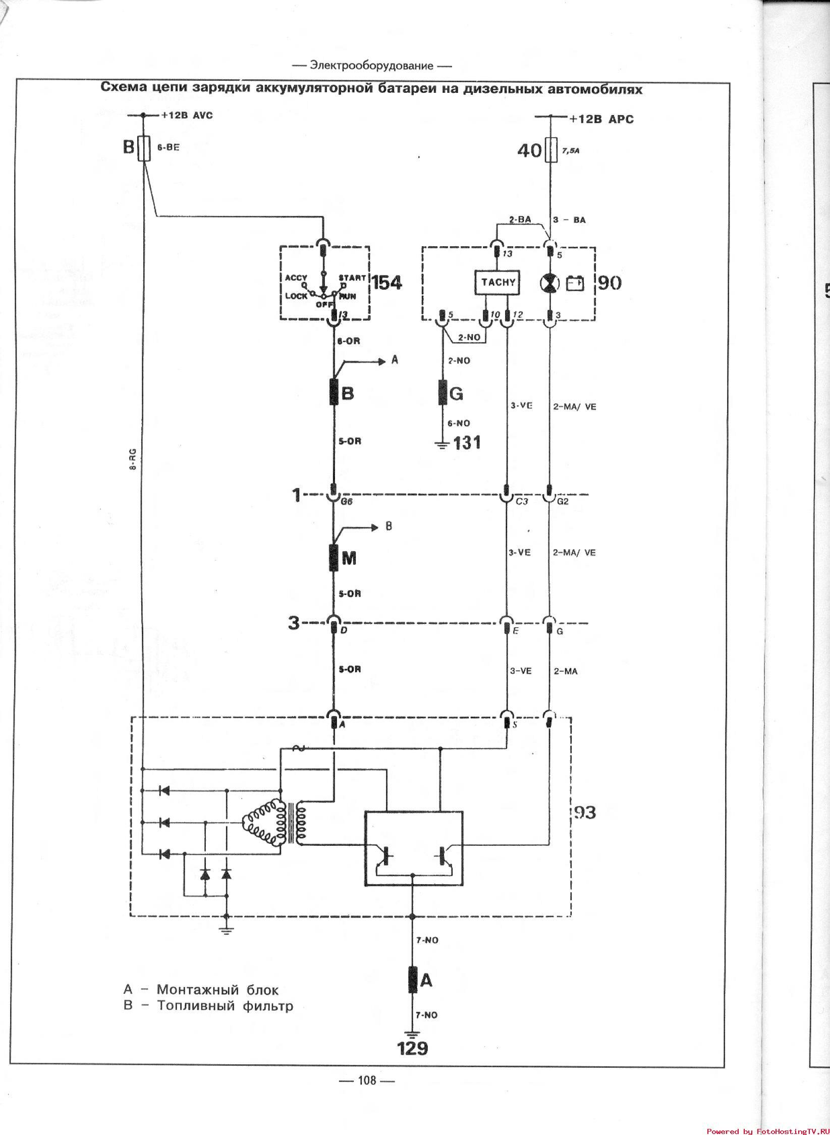
Электросхема зарядки аккумулятора

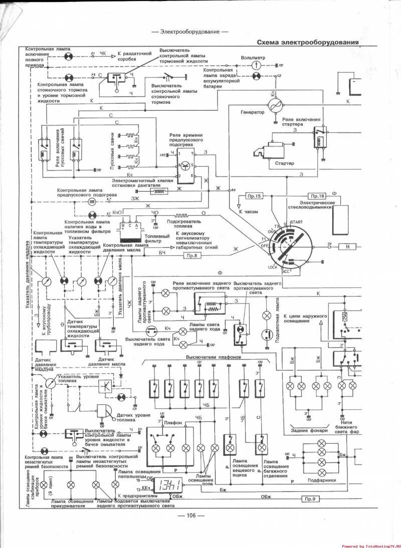
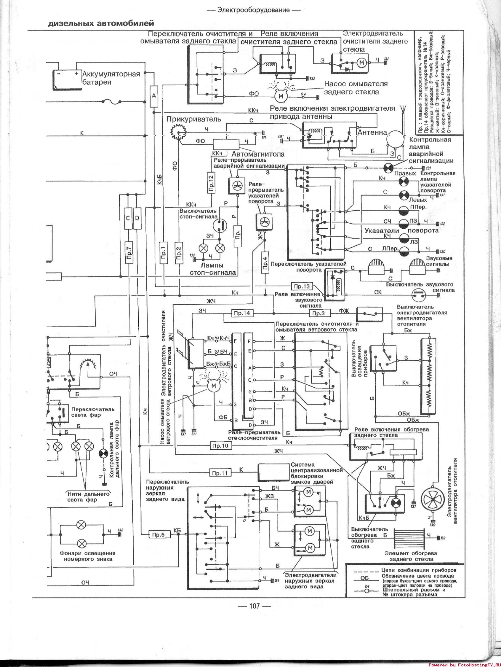
Общая схема системы освещения и оборудования на Джип Чероки


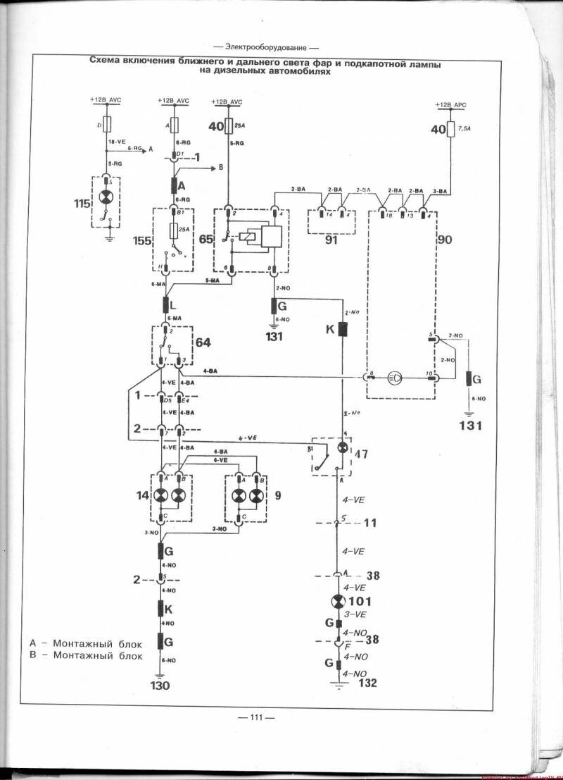
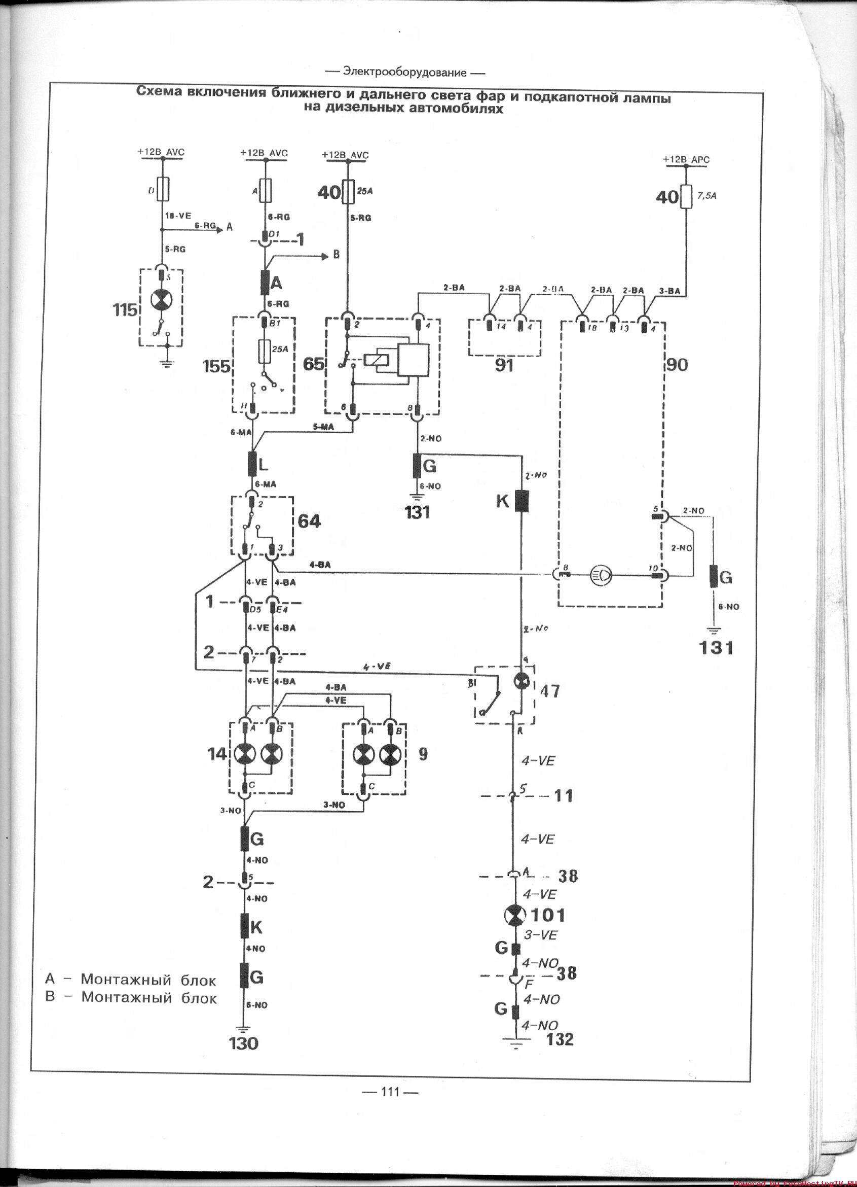
Эл.схема включения ближнего и дальнего света фар и подкапотной лампы

РЕМОНТ АВТОЭЛЕКТРОНИКИ ЗАРЯДНЫЕ УСТРОЙСТВА ДЛЯ АКБ

|