В данном разделе вы можете бесплатно посмотреть и скачать электросхемы различных модификаций двигателей автомобиля СААБ. А здесь показан полный каталог электросхем для SAAB.
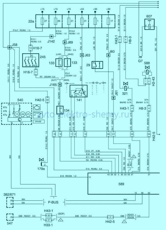
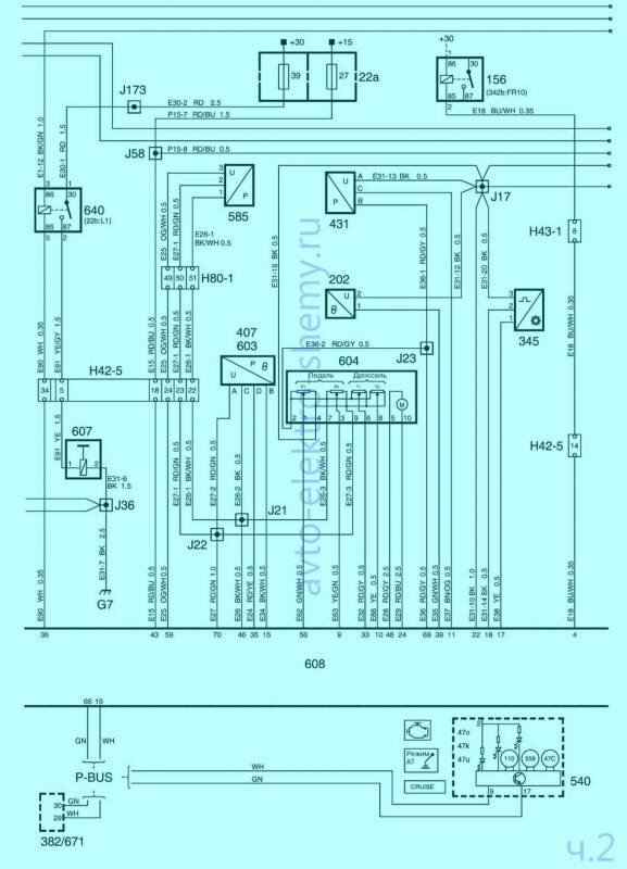
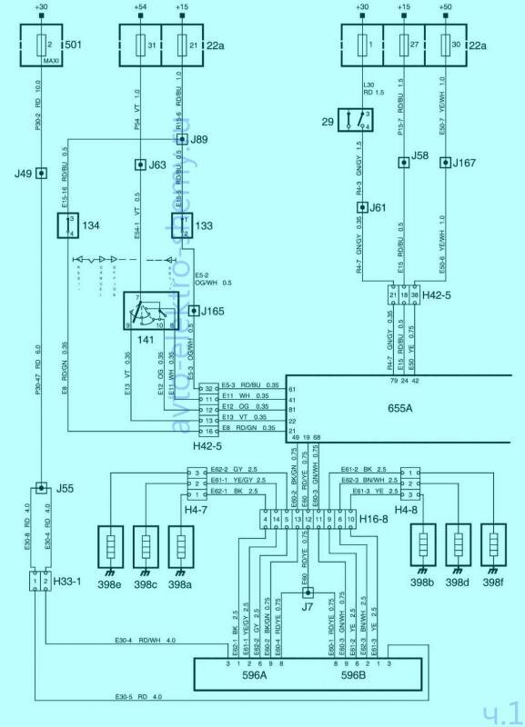
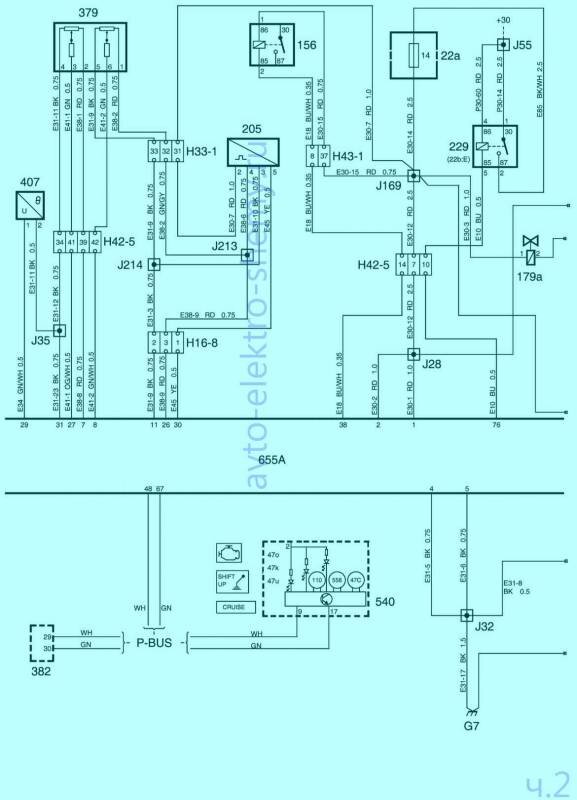
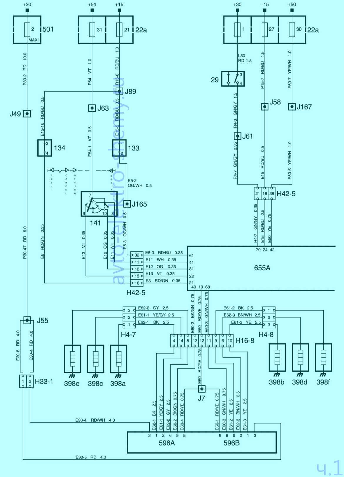
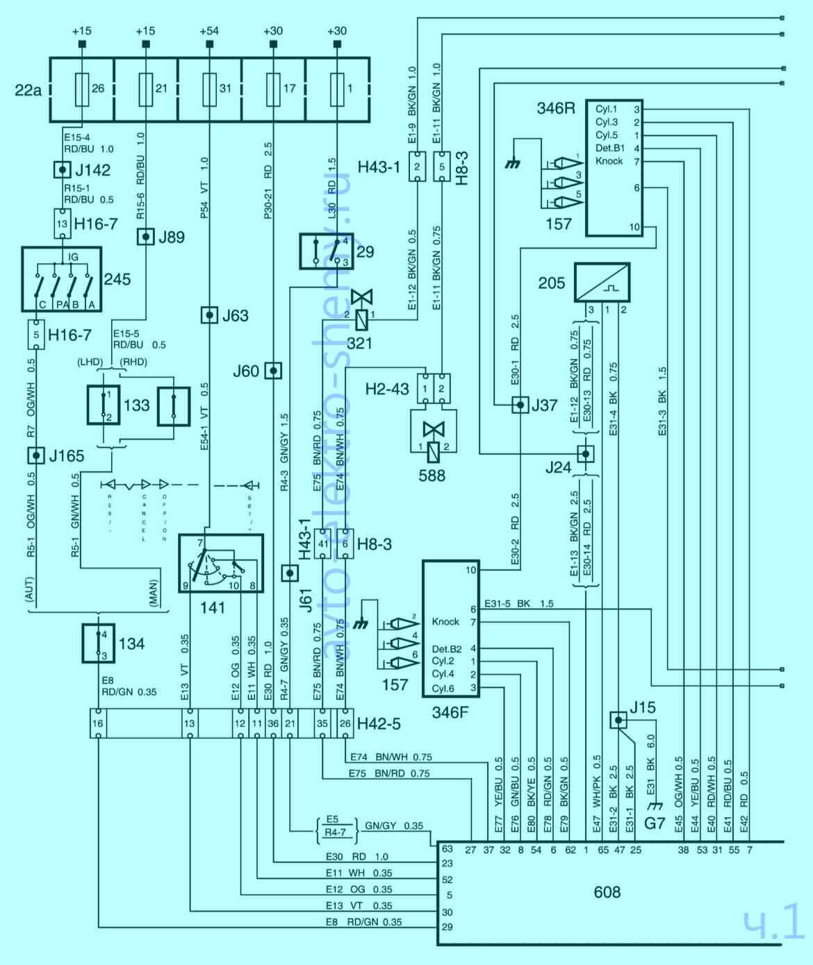
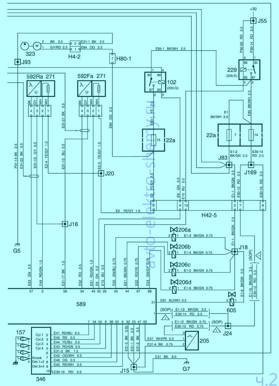
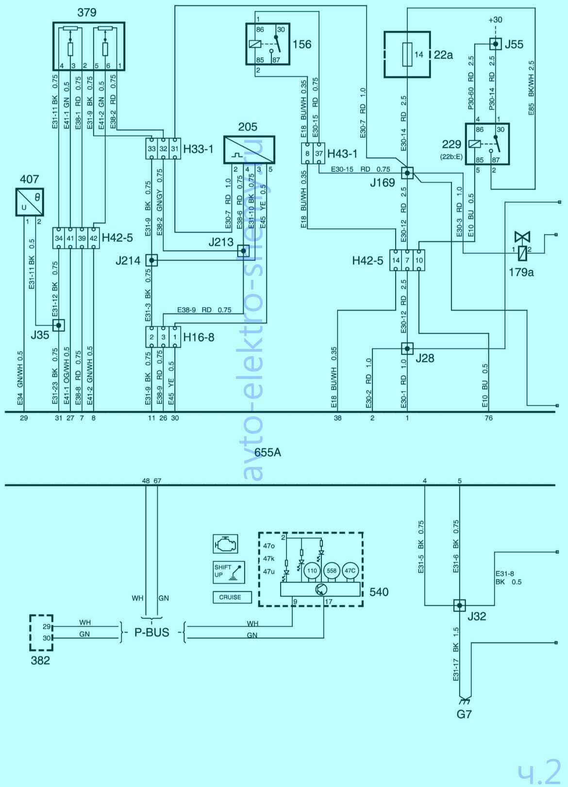
Система управления 4-цилиндровыми бензиновыми двигателями СААБ



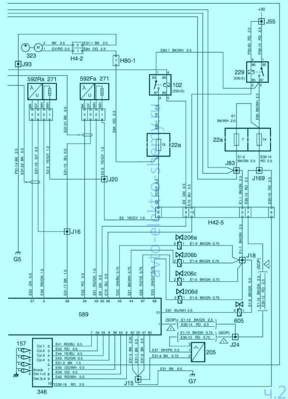
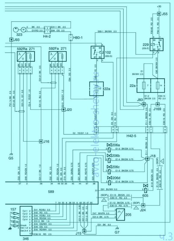
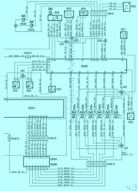
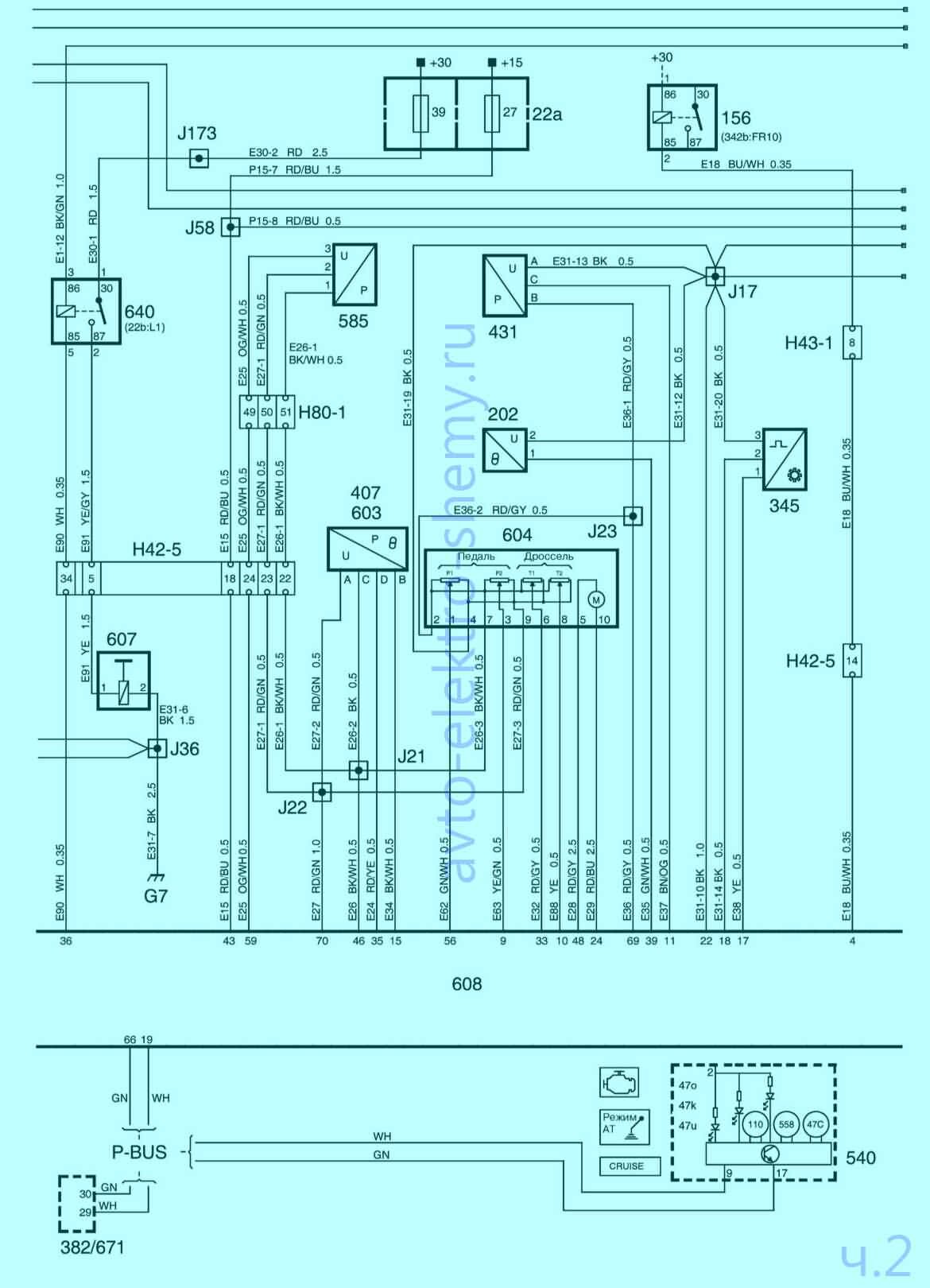
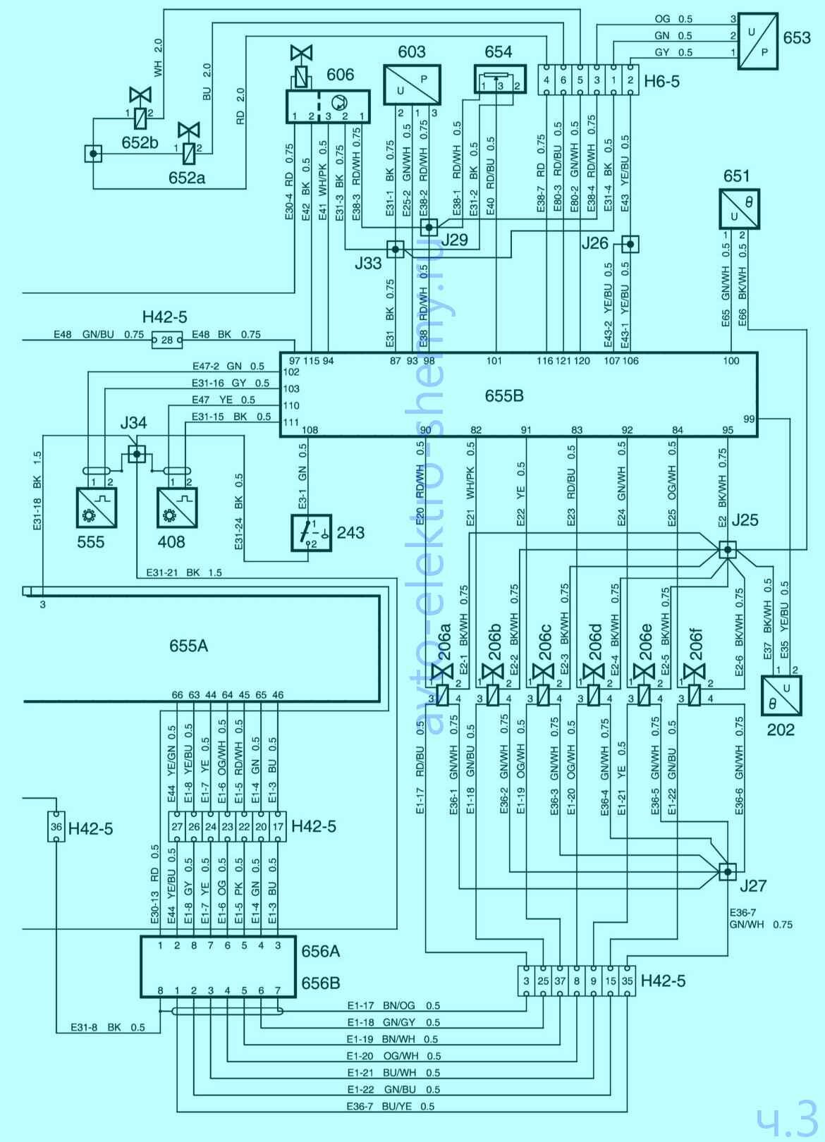
Система управления бензиновым двигателем V6



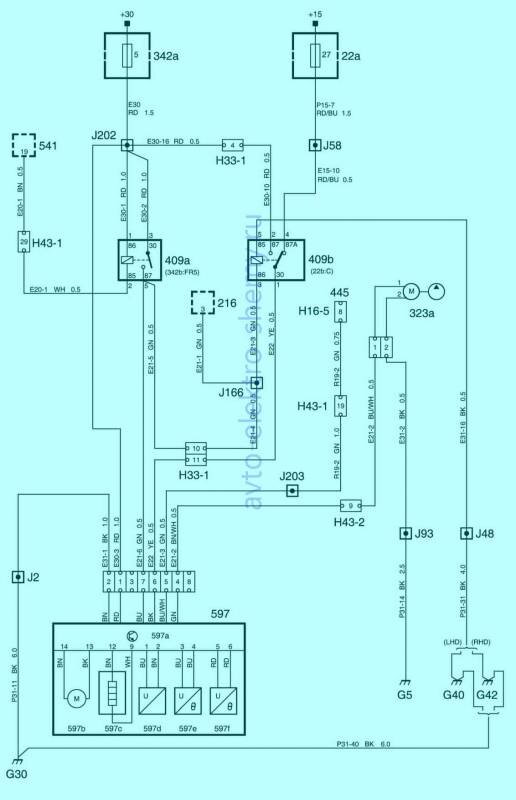
Система управления дизельным двигателем V6, версия 1



Дополнительный отопитель дизельных моделей СААБ

Обогрев топливного фильтра дизельного двигателя

Монтажные панели предохранителей и реле Сааб

РЕМОНТ АВТОЭЛЕКТРОНИКИ ЗАРЯДНЫЕ УСТРОЙСТВА ДЛЯ АКБ

|