Представлены для бесплатной загрузки качественные русскоязычные схемы электрооборудования автомобиля ФИАТ ДОБЛО. Имеются обозначение элементов - предохранителей, реле, двигателей электрических, фар и т.д. Увеличить схему можно кликнув на неё. Схема подходит также для ФИАТ КАРГО. Первая часть сборника схем на предыдущей странице. Материал поможет для ремонта автомобилей Fiat Doblo / Fiat Doblo Panorama / Fiat Doblo Cargo / Fiat Doblo Maxi c 2001, а также обновленных моделей с 2005 года выпуска, оборудованных бензиновыми двигателями рабочим объемом 1,2, 1,4, 1,6 л. и двигателями на дизельном горючем рабочим объемом 1,3 и 1,9 л.
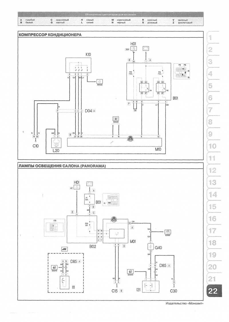
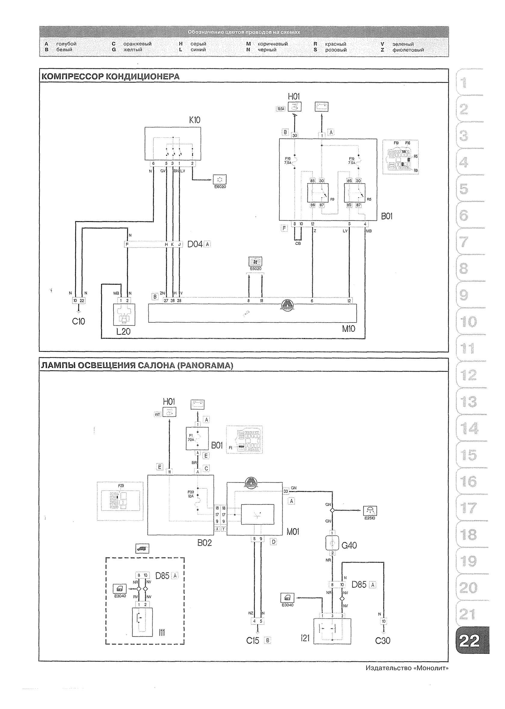
Электросхема компресосора кондиционера и ламп освещения салона

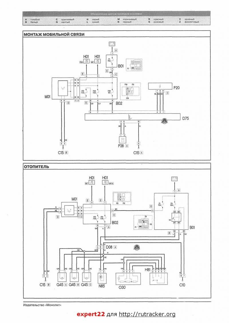
Отопитель авто и монтаж мобильной связи

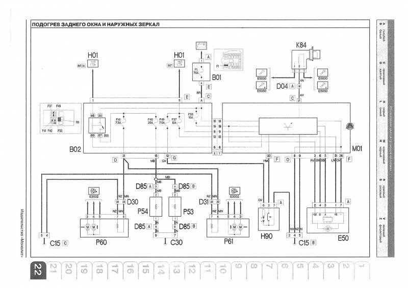
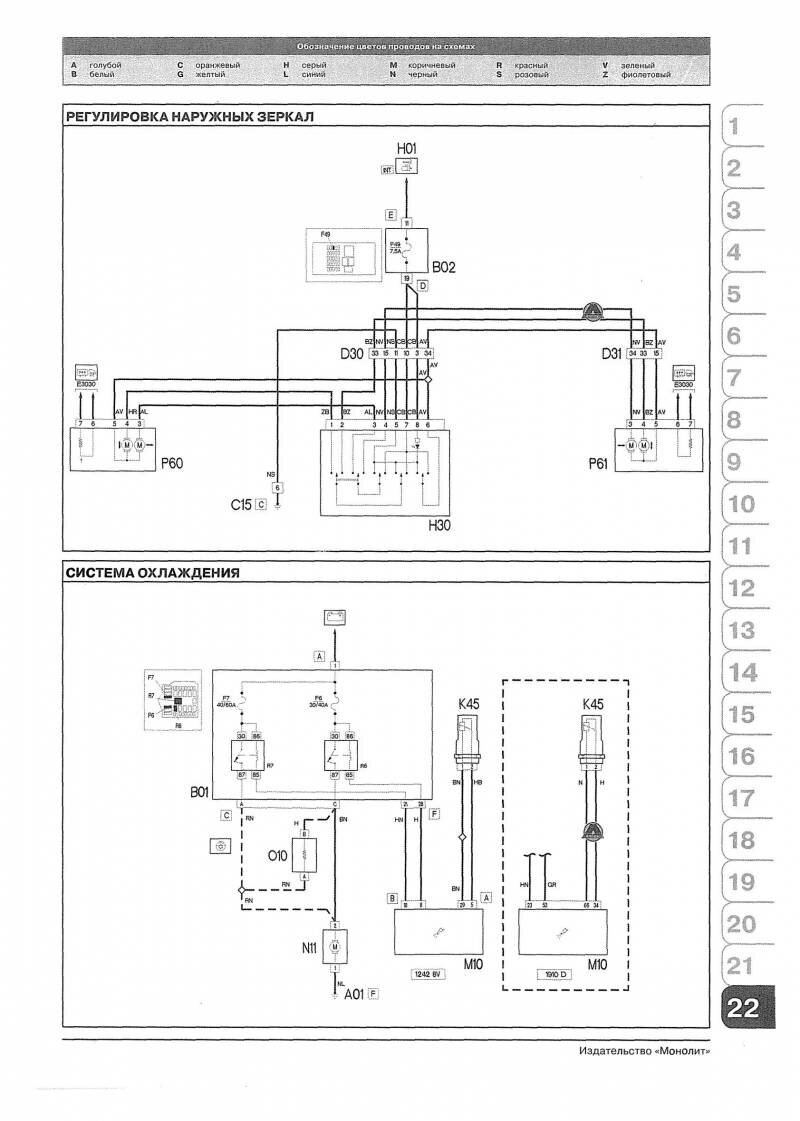
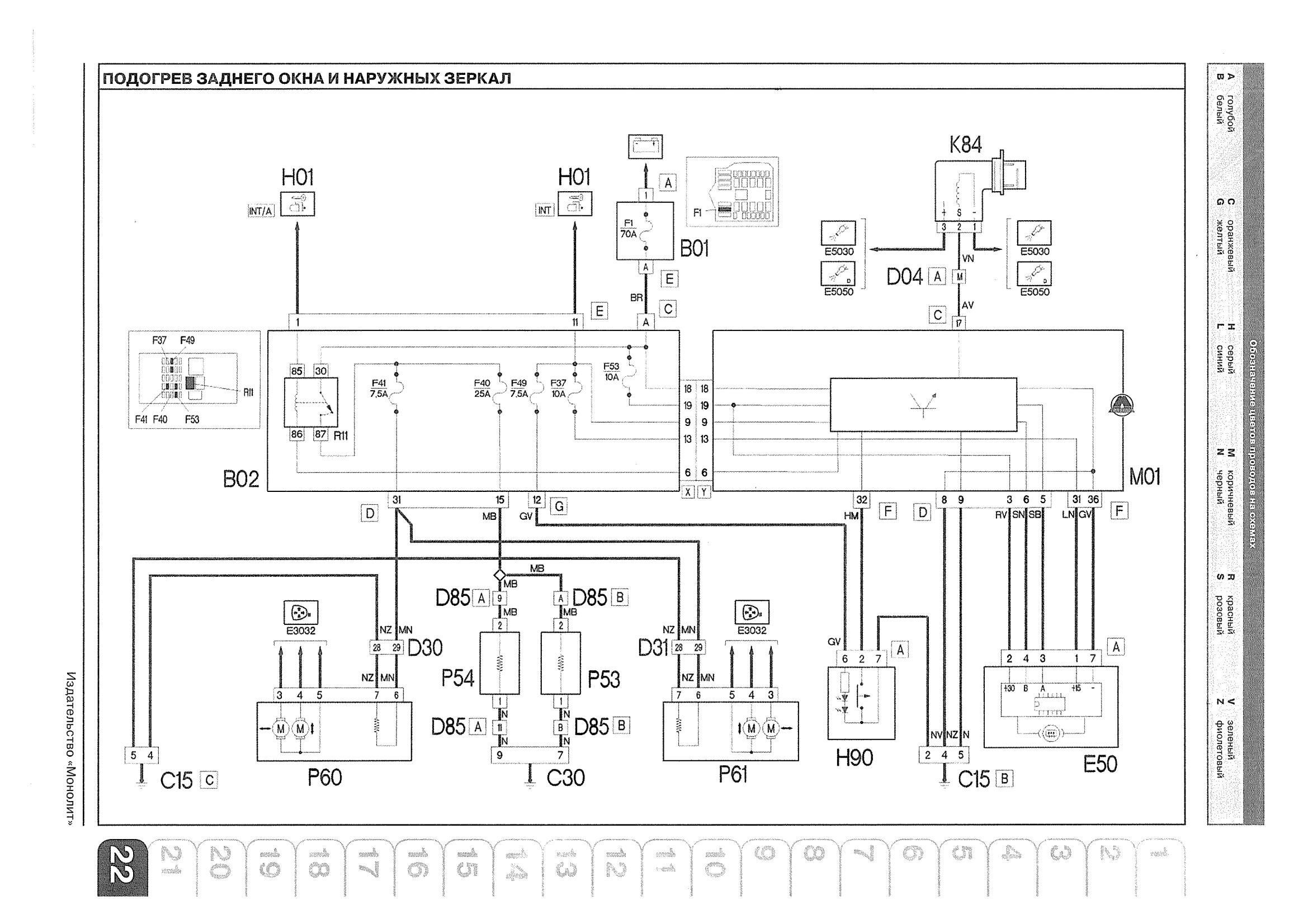
Подогрев заднего окна и наружных зеркал Фиат Добло

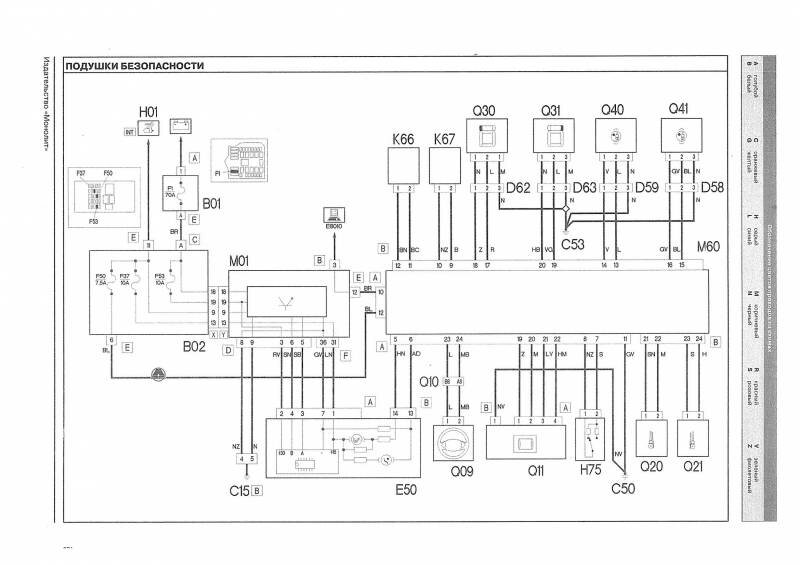
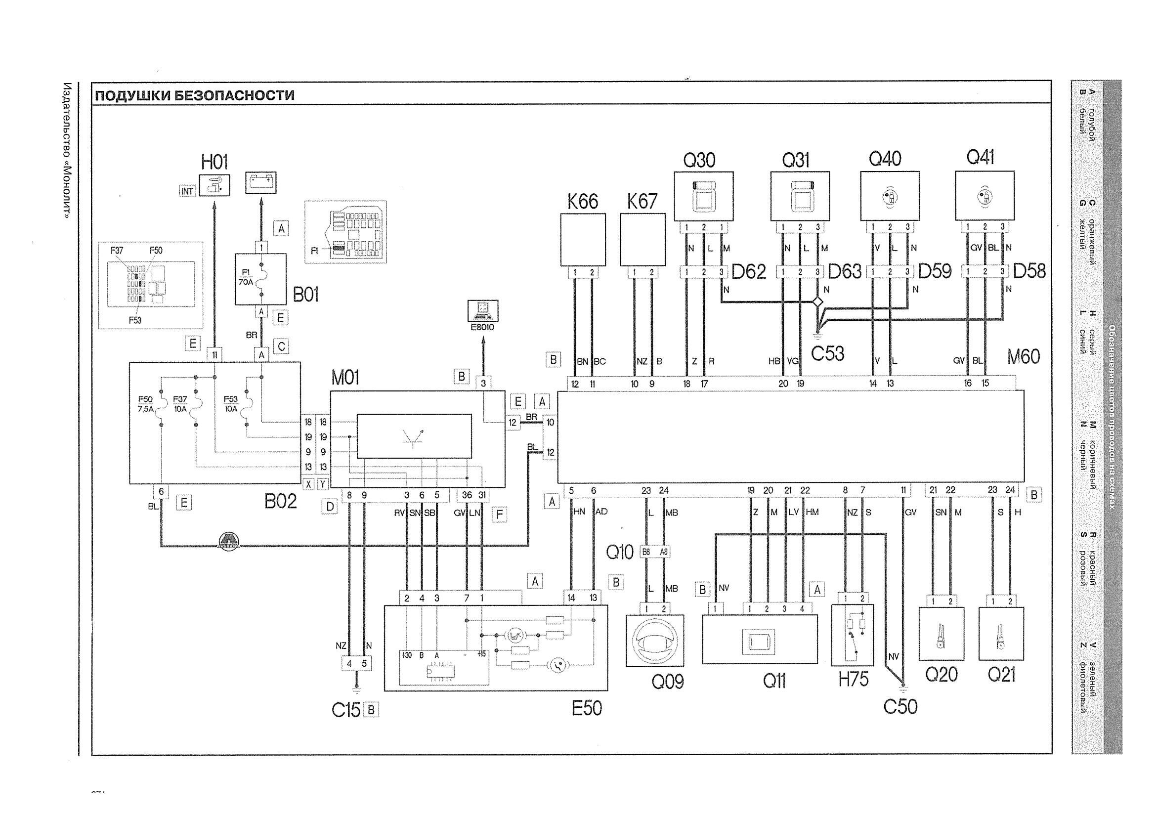
Подключение подушки безопастности автомобиля

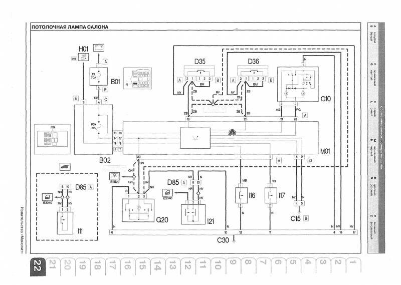
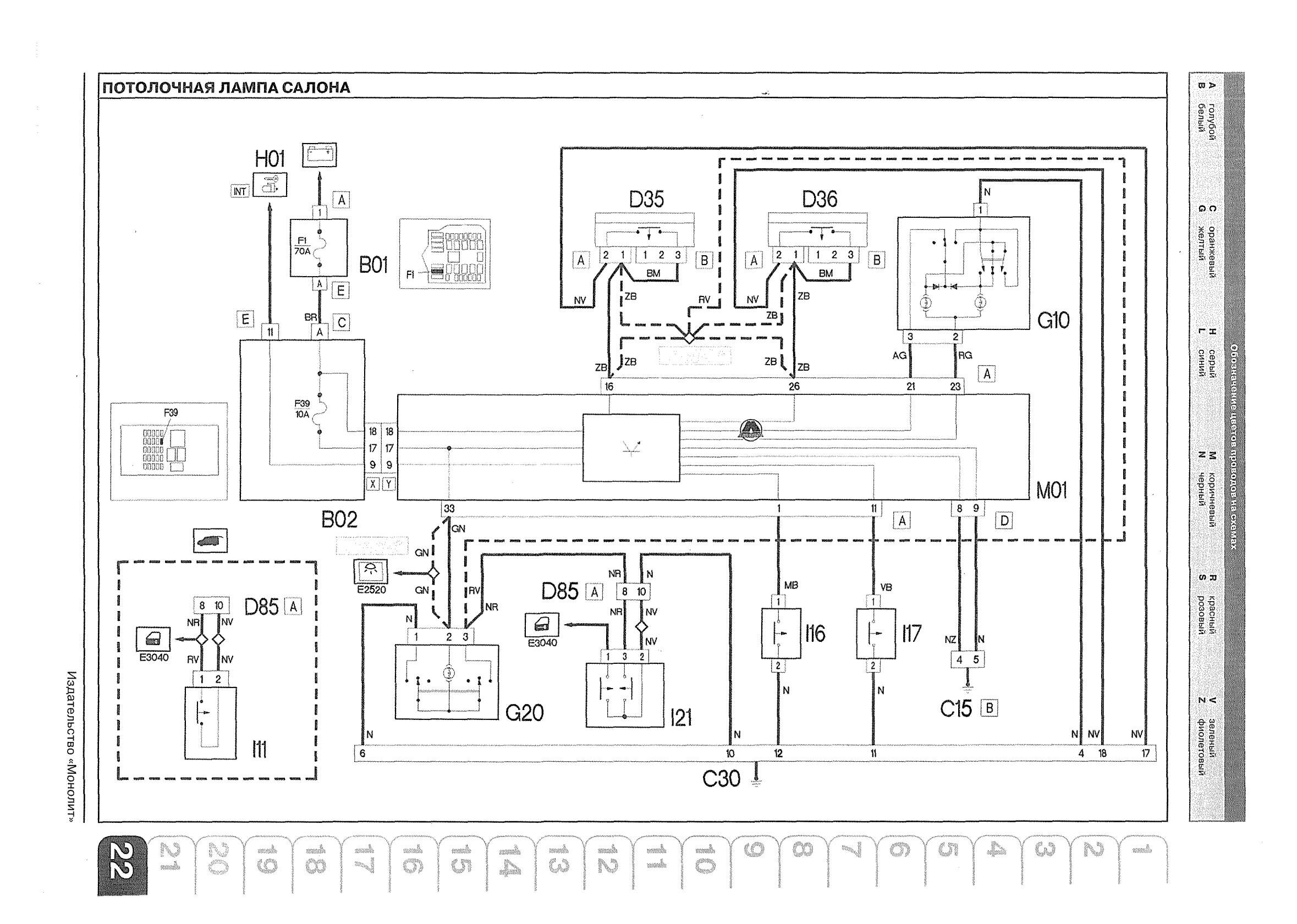
Схема потолочной лампы салона авто

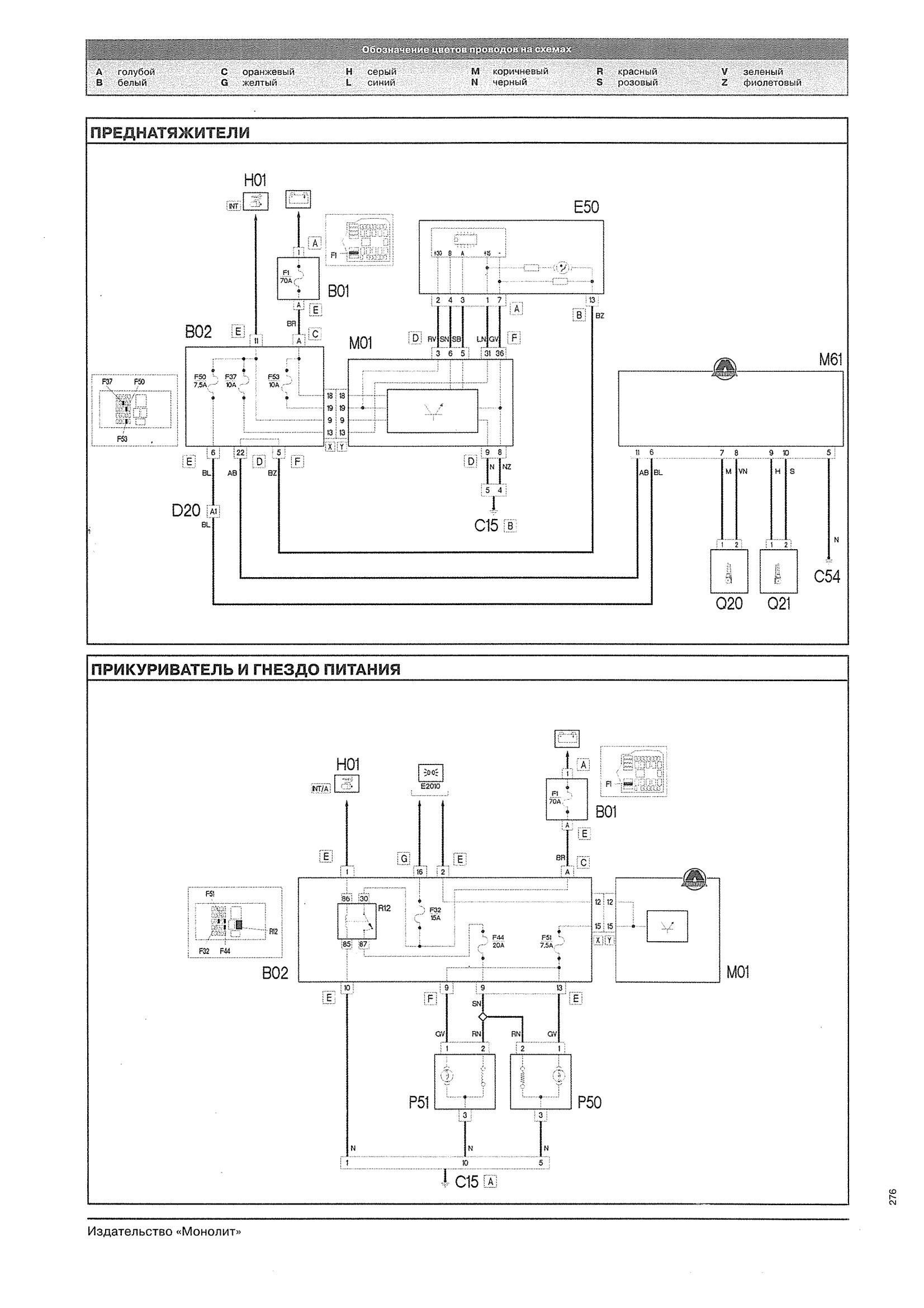
Прикуриватель и гнездо питания FIAT DOBLO

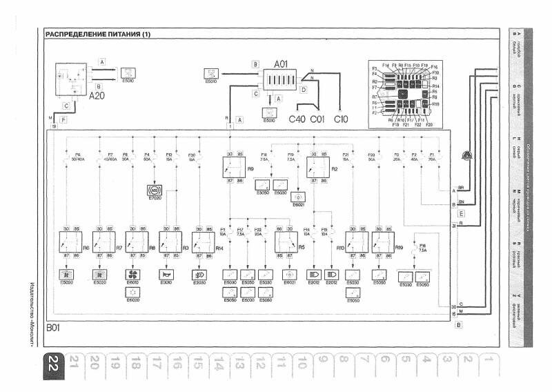
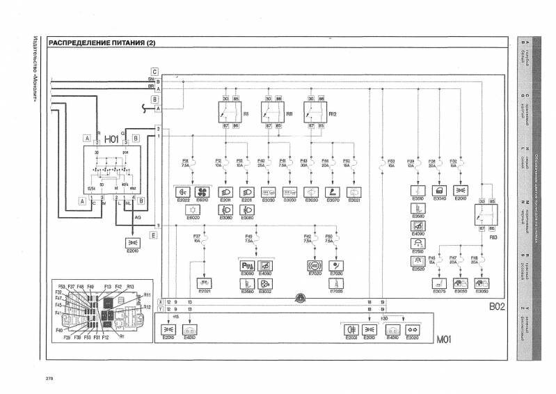
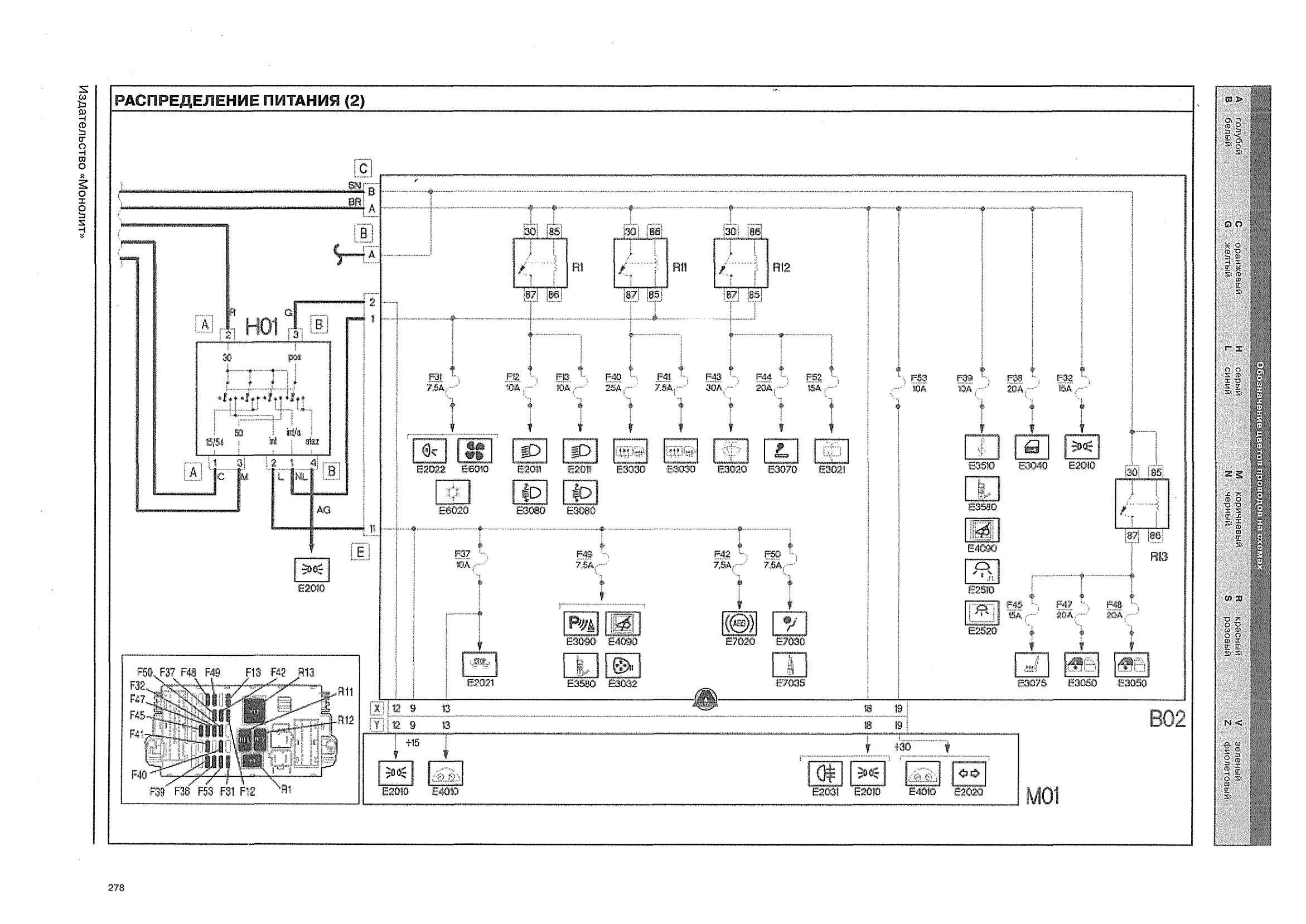
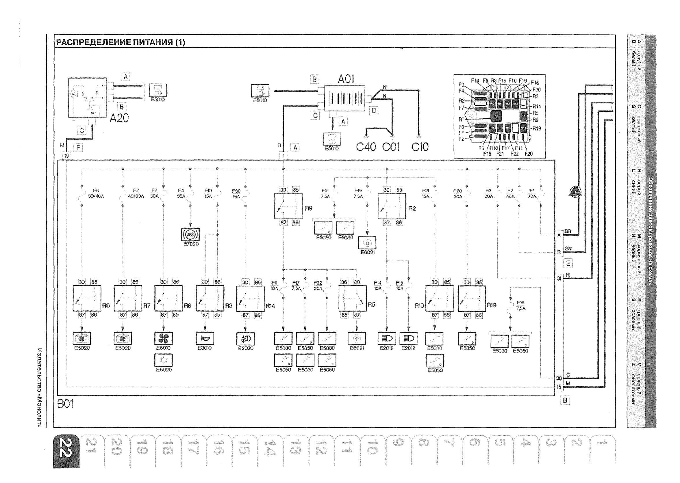
Аккумулятор и распределение питания 12В


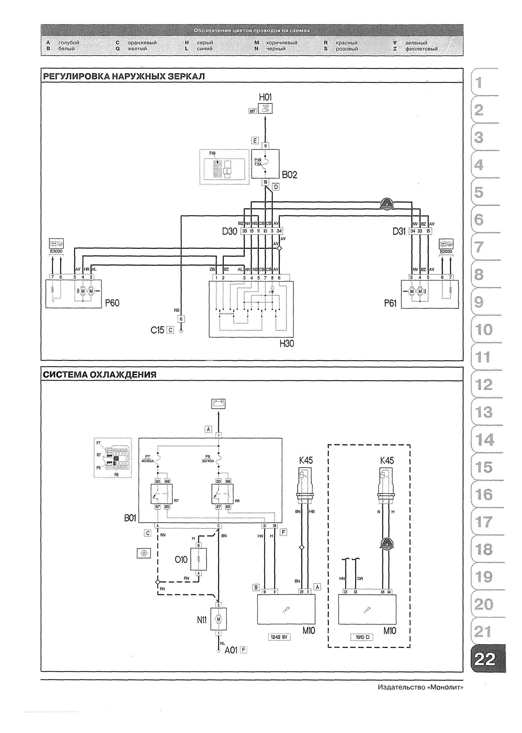
Регулировка зеркал и монтаж системы охлаждения

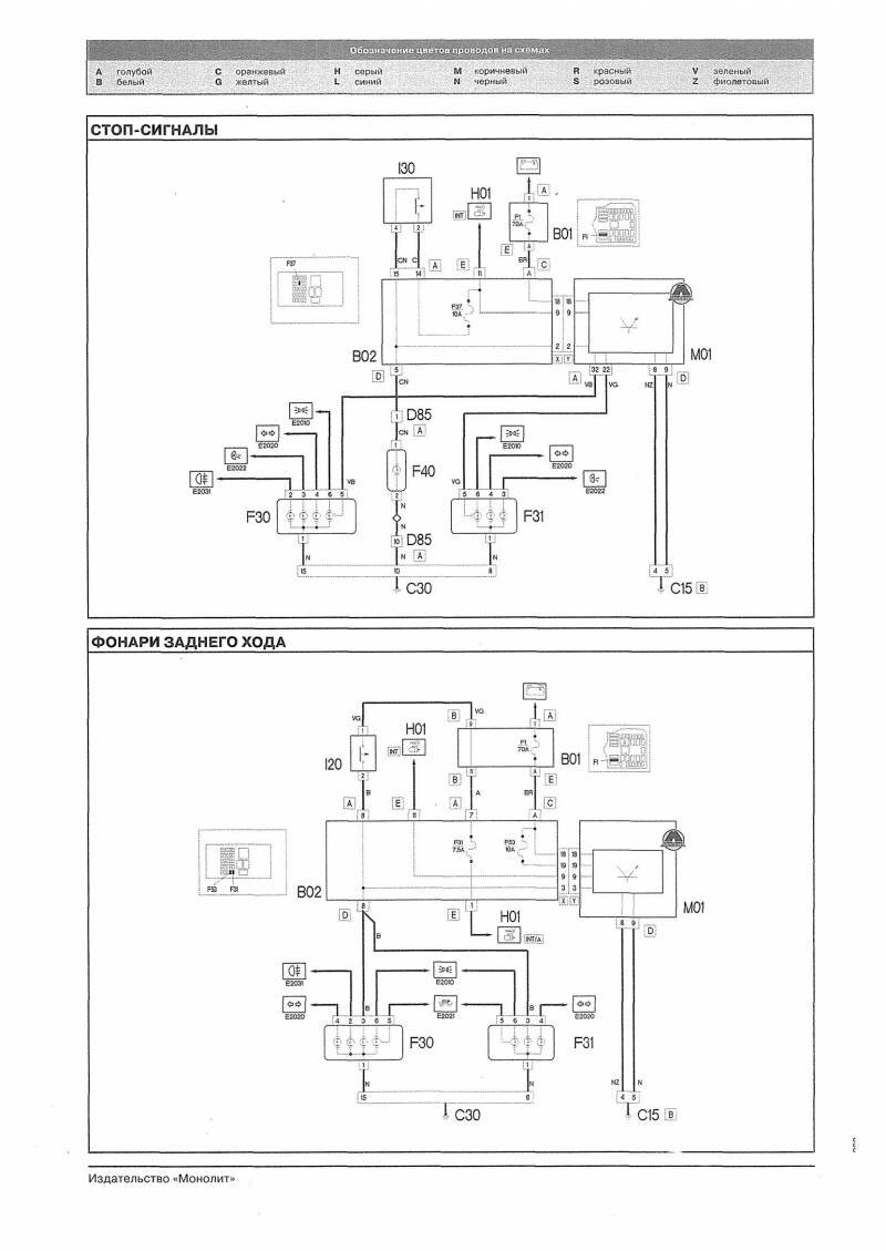
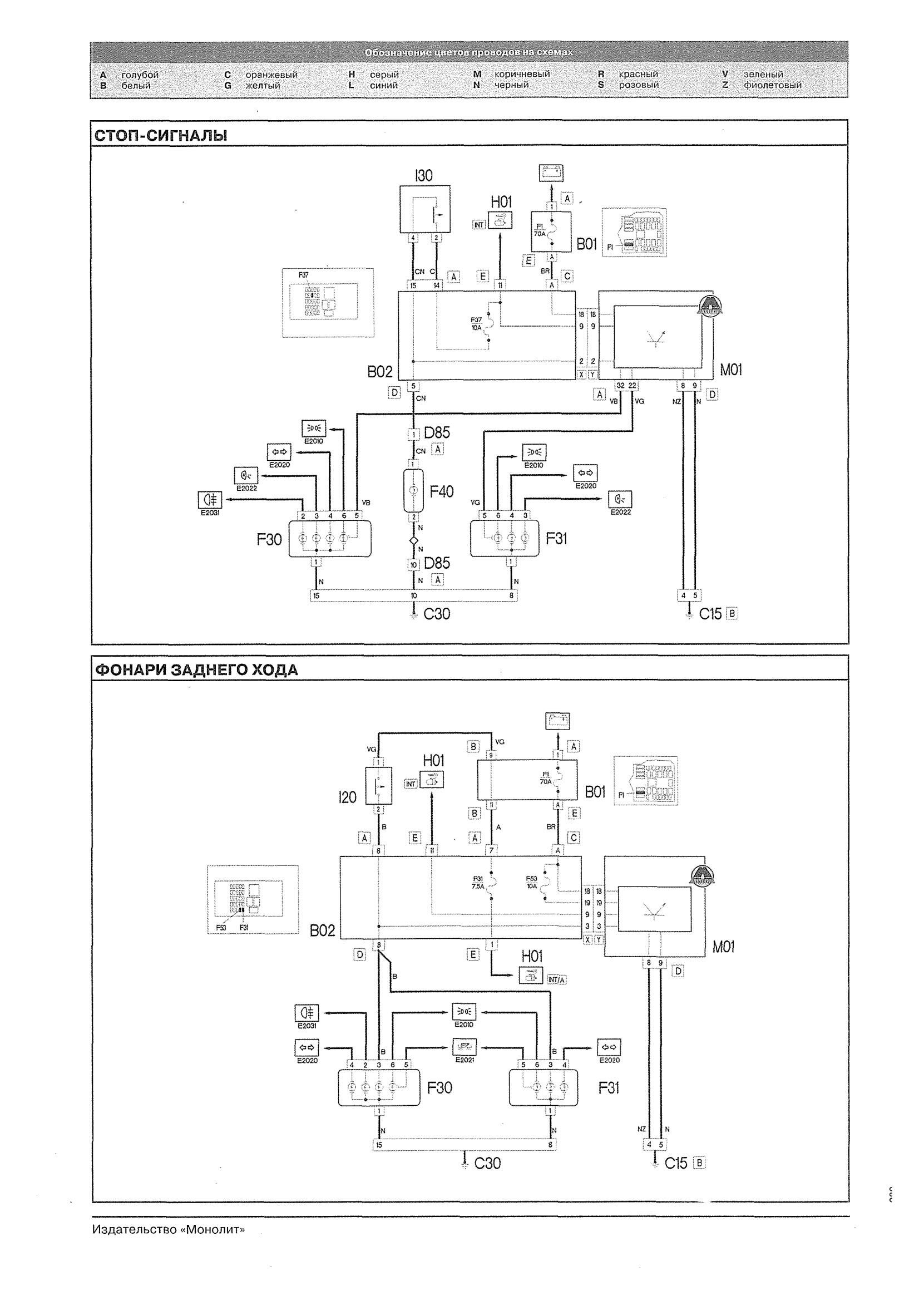
Стоп-сигналы и фонари заднего хода авто

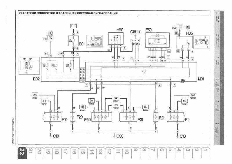
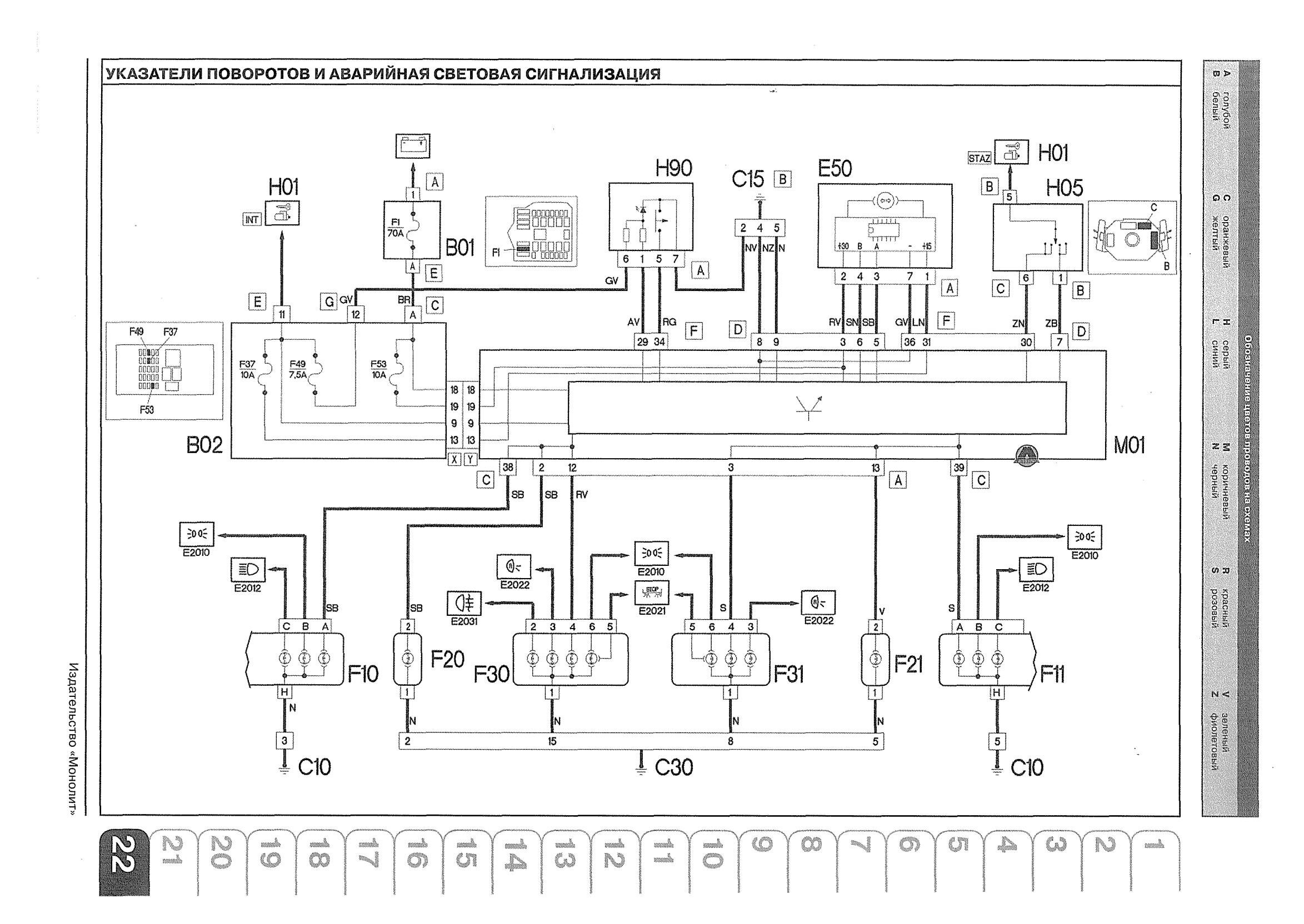
Указатели поворотов и сигнализация аварийная

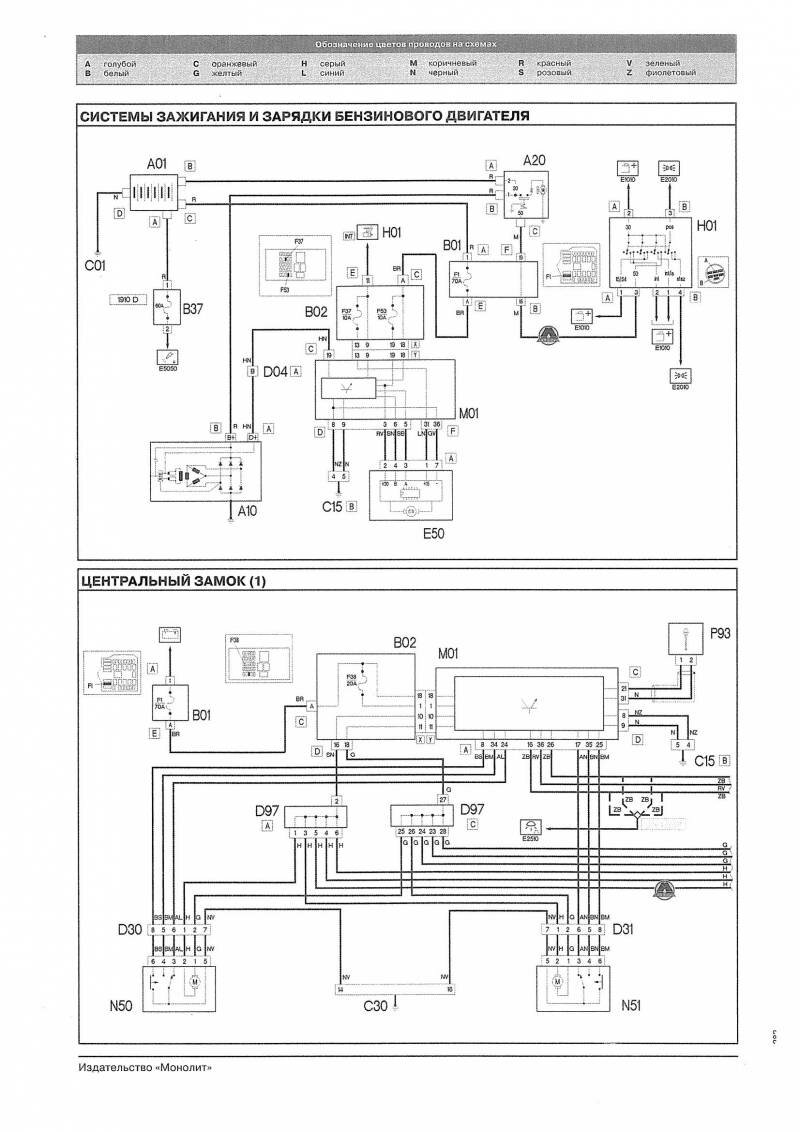
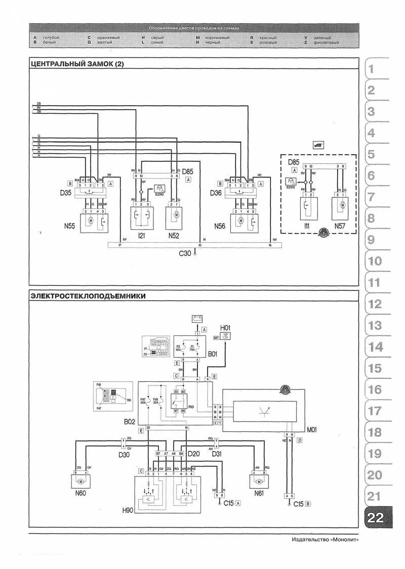
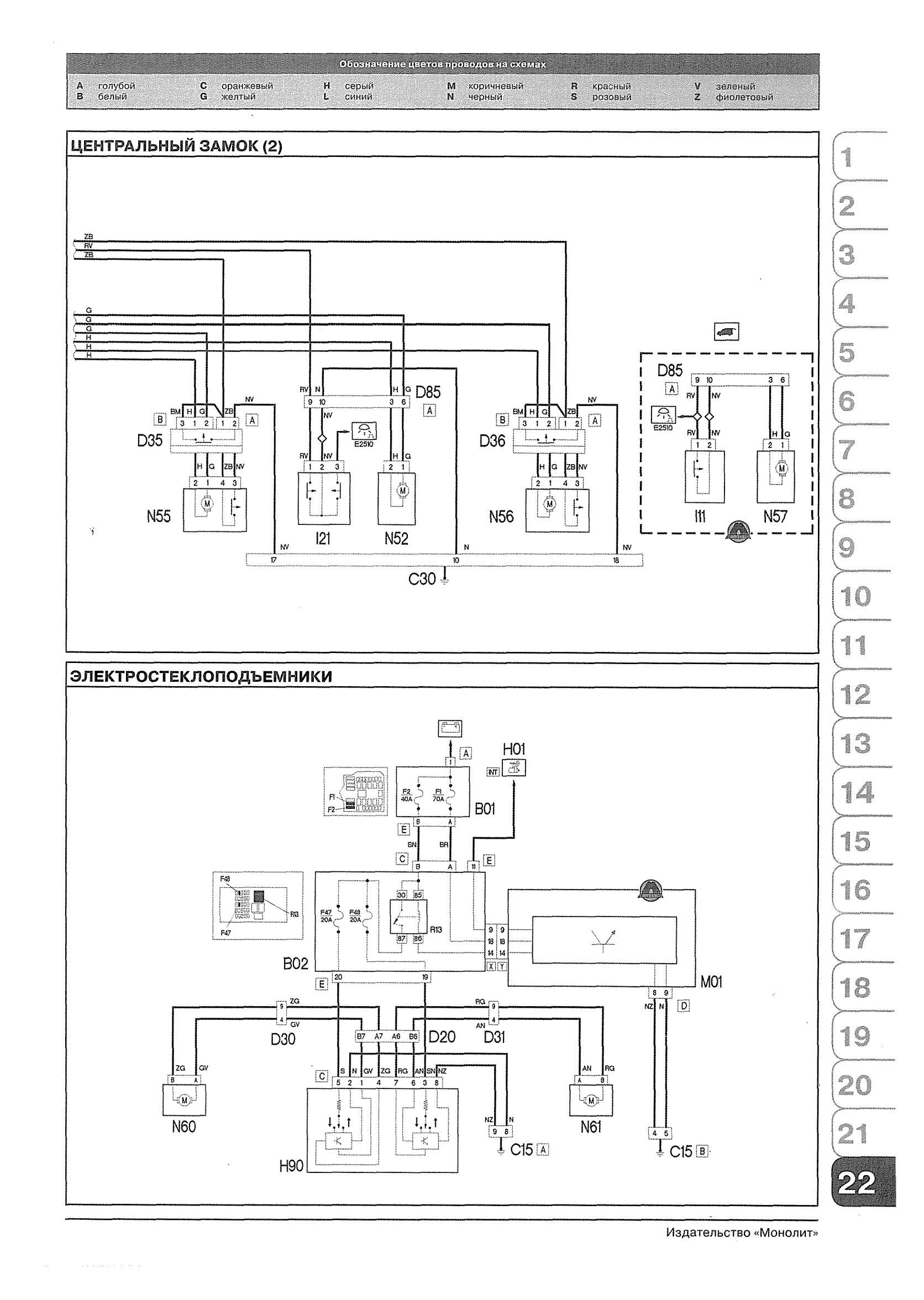
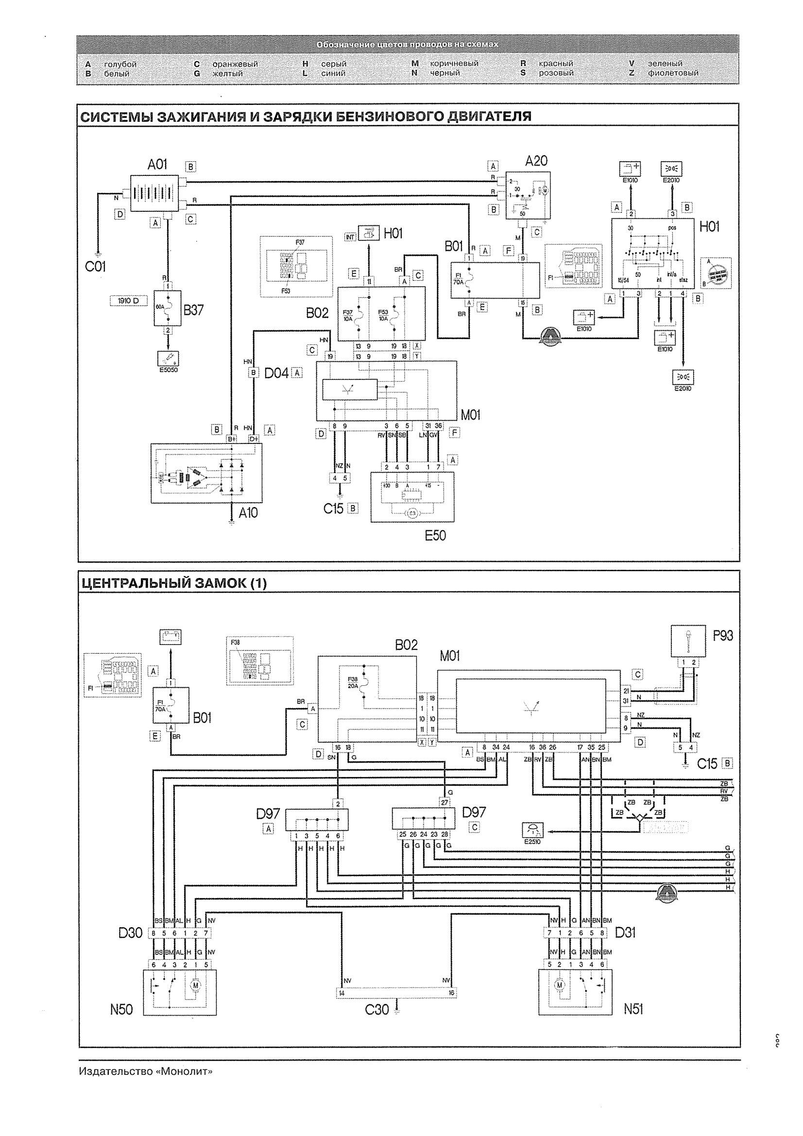
Схема зажигания, зарядки и ЦЗ Добло

Электростеклоподъёмники - подключение

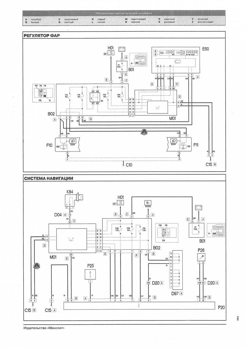
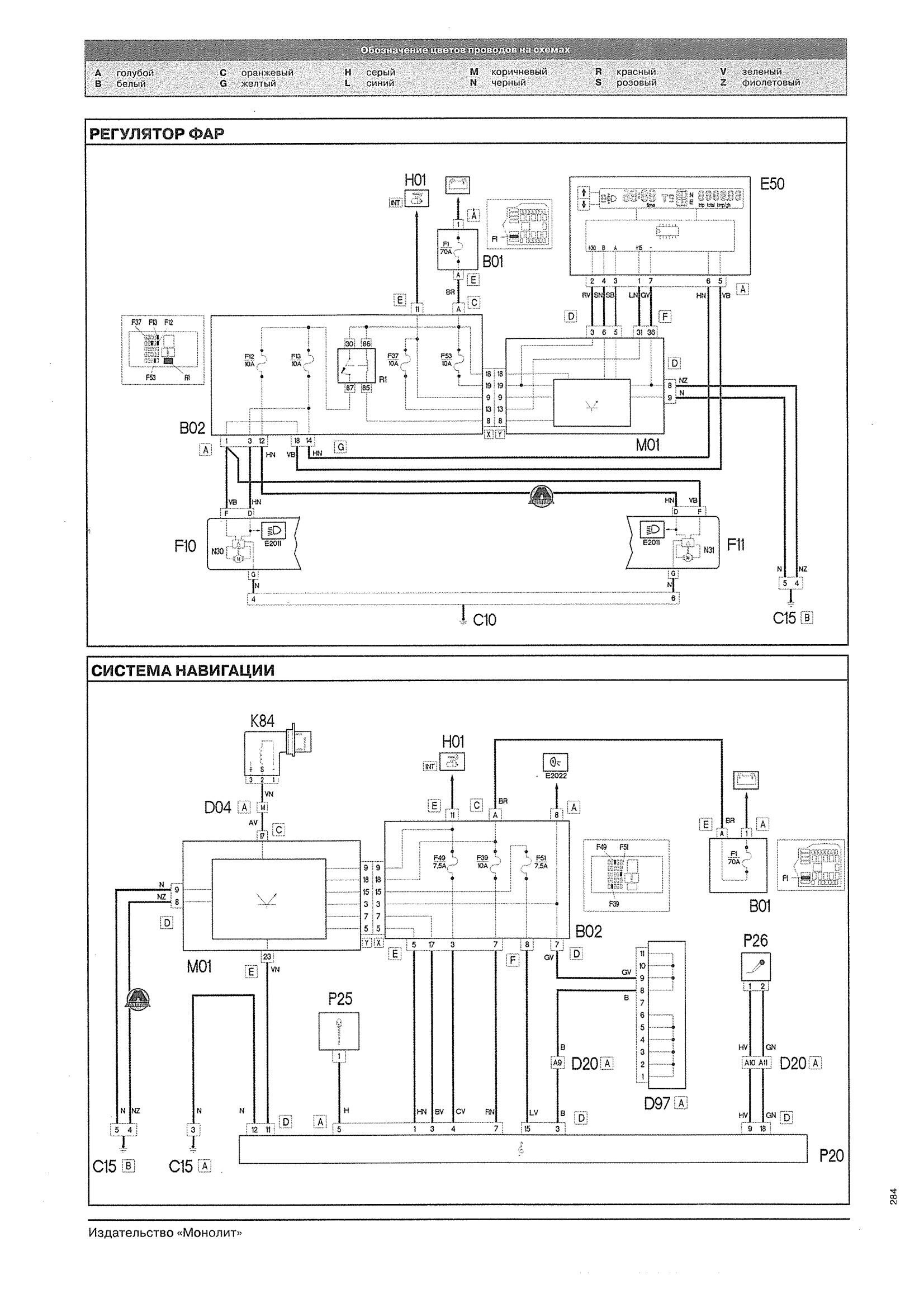
Система навигации Фиат Добло

РЕМОНТ АВТОЭЛЕКТРОНИКИ ЗАРЯДНЫЕ УСТРОЙСТВА ДЛЯ АКБ

|