Если вы ищете схемы электрооборудования на Хендай Элантра с 1996 по 2001 г.в. включительно, то они находятся ниже. Кузов из высокопрочной углеводородистой стали, специально сконструирован таким образом, чтобы при необходимости справиться с любыми максимальными нагрузками. Вот почему, новый автомобиль Hyundai Elantra обеспечивает превосходный уровень безопасности, в случае непредвиденной ситуации. Четкое торможение обеспечивает электроника, которая контролирует машину при экстренной остановке. Отталкиваясь от комплектации Optima, Elantra оснащена 6-ю подушками безопасности. Эта модель предлагает своим владельцам еще более просторный и комфортный салон, стильный дизайн кузова, повышенные меры безопасности и улучшенные технические характеристики. Авто комплектуется бензиновыми двигателями объемом - 1,6 л (132 л.с.) и 1,8 л (149,6 л.с.) с 6-ступенчатыми механической или автоматической коробками передач. Авто с МКПП выпускается в комплектациях - Base, Optima, Comfort; с АКПП - Optima, Comfort, Sport.
Cхема зарядки и запуска

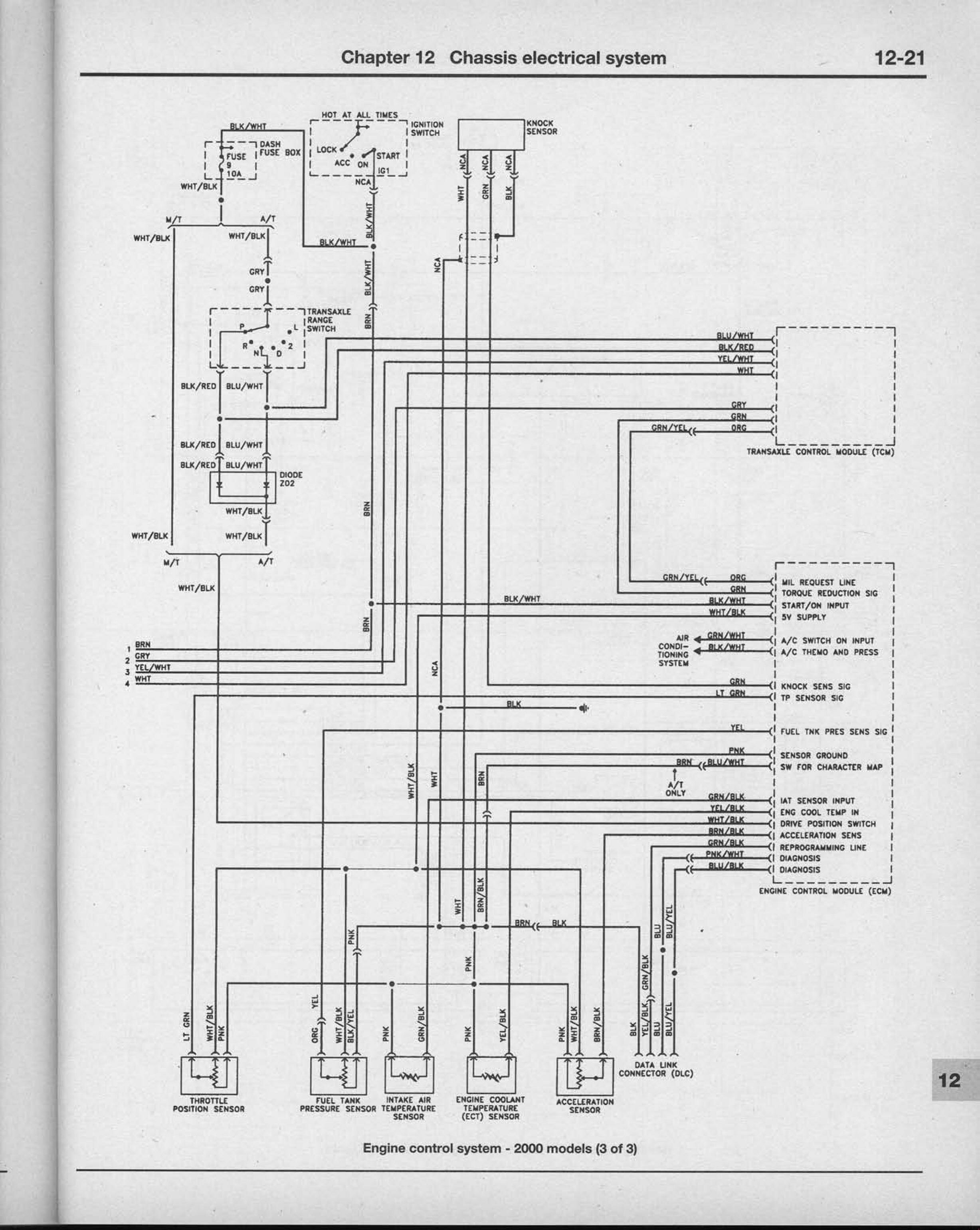
Электросхема управления двигателем - модели 1999 г.в. и 2000 г.в.






Схема системы освещения в салоне

Эл.схема наружного освещения


Схема питания замка двери

Электросхема привода стекол

Эл.схема круиз - контроля

РЕМОНТ АВТОЭЛЕКТРОНИКИ ЗАРЯДНЫЕ УСТРОЙСТВА ДЛЯ АКБ

|