Бесплатный сборник цветных схем на русском языке электрооборудования автомобиля Hyundai Accent (1,5i) с 2000 года выпуска. Тут показан блок реле и предохранителей, а также некоторые другие модули. Продолжение каталога схем читайте далее. Предохранители служат для того, чтобы разрывать цепь, когда сила тока достигнет определенного значения, для того, чтобы защитить элементы и провода, которые могут быть повреждены слишком сильным током. Резкое увеличение силы тока обычно вызвано неисправностью в цепи, чаще всего коротким замыканием. Обозначения цепей, защищаемых предохранителями, указаны на крышке блока предохранителей.
Перед снятием предохранителя выключите соответствующую цепь, затем достаньте предохранитель из контактов. Внутри предохранителя должен быть виден провод; если предохранитель перегорел, провод будет порван или расплавлен. Всегда используйте предохранители требуемой мощности. Никогда не используйте предохранитель другой мощности и не заменяйте его чем–нибудь другим. Не заменяйте предохранитель более одного раза, не устранив источник неисправности. Ток, защищаемый предохранителем, указан сверху на предохранителе: обратите внимание, что предохранители имеют различные цвета для облегчения идентификации. Если предохранитель перегорает сразу после замены, не заменяйте его снова, пока не установите и не устраните причину неисправности. В большинстве случаев причиной неисправности является короткое замыкание, вызванное плохой изоляцией. Если предохранитель защищает несколько цепей, постарайтесь отыскать цепь, из–за которой перегорает предохранитель, включая каждую из цепей по очереди (если возможно). Всегда имейте в автомобиле комплект запасных предохранителей различной мощности. Они должны быть закреплены у основания блока предохранителей.
Если вы считаете, что соединение не в порядке, разберите соединение и зачистите до чистого металла контактную поверхность и клемму провода или поверхность заземляемого элемента. Удалите полностью грязь и следы коррозии, затем при помощи ножа удалите слой краски для того, чтобы получить надежное соединение металла с металлом. При сборке надежно зафиксируйте соединение; при установке клеммы провода используйте зубчатые шайбы между клеммой и кузовом. После подсоединения для предотвращения образования коррозии нанесите на соединение слой вазелина или силиконовой смазки.
Предохранители и реле ХУНДАЙ АКЦЕНТ
Монтажный блок реле и предохранителей в моторном отсеке

1 — предохранитель 100 А цепи генератора; 2 — предохранитель 50 А комплексный (цепей электропривода блокировки двери, аварийной сигнализации, сигналов торможения, обогрева заднего стекла, звукового сигнала, лампы освещения салона, ЭБУ); 3 — предохранитель 30 А цепи ламп головного и габаритного света; 4 — предохранитель 20 А цепи блока управления двигателем; 5 — предохранитель 30 А цепи пуска двигателя и катушек зажигания. 6 — предохранитель 20 Ампер цепи вентилятора радиатора системы охлаждения двигателя, 7 — разъем электропроводки, 8 — реле вентилятора отопителя. 9 — реле звукового сигнала, 10 — предохранитель 10 А цепи лампы освещения салона Хундай Акцент. 11 — предохранитель 10 А цепи головного устройства системы звуковоспроизведение. 12 — реле 2 вентилятора теплообменника конденсатора системы кондиционирования, 13 — реле муфты компрессора кондиционера, 14 — гнездо реле противотуманньх фар; 15 — резервное гнездо предохранителя; 16 — предохранитель 15 А регулятора холостого хода и датчика положения распределителного вала. 17 — предохранитель 10 А цепи блока управления двигателем. 18 — реле вентилятора радиатора системы охлаждения двигателя; 19 — предохранитель 10 А цепи включения кондиционера; 20 — реле 1 вентилятора теплообменника конденсатора системы кондиционирования; 21 — предохранитель 10 А цепи блока управления двигателем, 22 — предохранитель 10 А цепи муфты компрессора кондиционера, 23 — предохранитель 10 А цепи звукового сигнала; 24 — предохранитель 15 А цепи проти-вотуманных фар. 25 — предохранитель 10 А цепи правой лампы головного света. 26 — предохранитель 10 А цепи левой лампы головного света; 27 — предохранитель 10 А цепи ламп габаритного света правого борта автомобиля; 28 — предохранитель 10 А цепи ламп габаритного света левого борта автомобиля; 29 — реле ламп габаритного света; 30 — резистор предварительного возбуждения генератора; 31 — реле стартера Хундай Акцент, 32 — предохранитель 20 А цепи вентилятора теплообменника конденсатора сииемы киндицлимированин, 33 — предилранитель 30 А цепи электростеклоподъемников. 34 — предохранитель 30 А цепи блока управления АБС; 35 — гнездо реле постоянно включенного ближнего света; 36 — реле топливного насоса; 37 — предохранитель 30 А цепи блока управления АБС; 38,39 — гнездо диода; 40 — предохранитель 30 Ампер цепи вентилятора отопителя.
Блок реле в салоне авто


Монтажный блок предохранителей Хундай

Расположение жгутов проводов в Hyundai Accent


Схемы электрооборудования авто
Модуль электропитания




Схема соединения с массой




Электросхема пуска двигателя Хундай Акцент

Схема соединений генератора и системы охлаждения

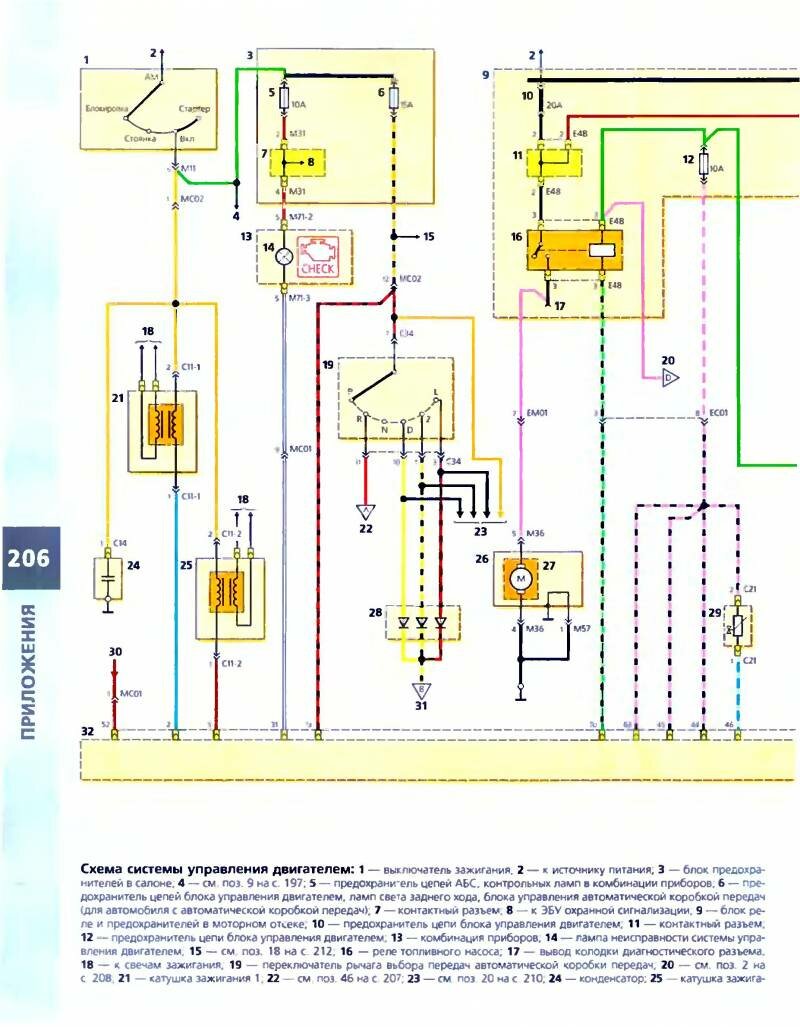
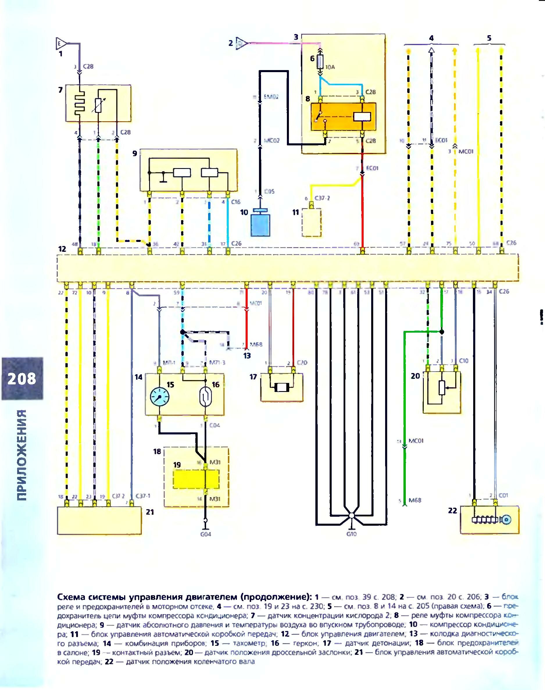
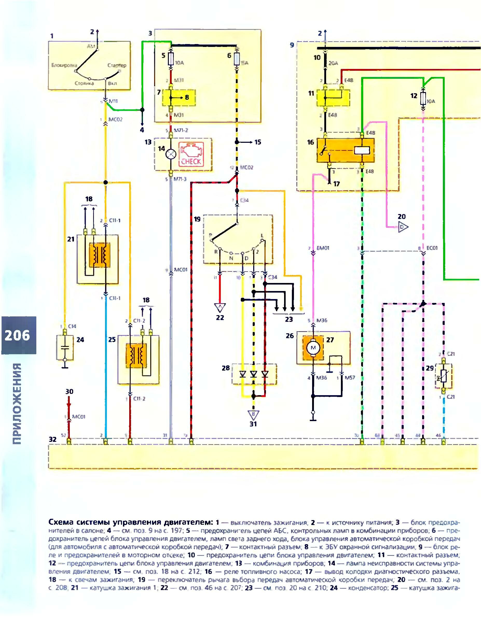
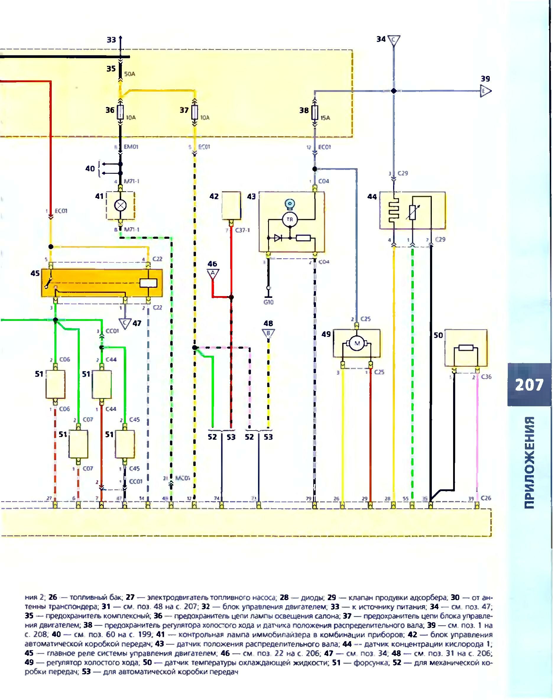
Система управления двигателем автомобиля



РЕМОНТ АВТОЭЛЕКТРОНИКИ ЗАРЯДНЫЕ УСТРОЙСТВА ДЛЯ АКБ

|