Качественные цветные электросхемы автомобиля Мазда-626 на русском языке. Предназначены для поиска неисправностей и ремонта. Система электрооборудования имеет напряжение 12 Вольт с отрицательным заземлением. Энергия для фар и всех элементов электрооборудования поступает от свинцово-кислотного аккумулятора, который подзаряжается от генератора переменного тока. Увеличить схему можно кликнув по ней и развернув на весь экран с помощью значка сверху. Начало сборника схем Мазда-626 тут. Приведены схемы для моделей 1993 и 1998 годов выпуска. Схемы двигателя авто показаны отдельно.
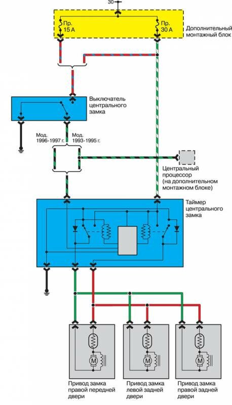
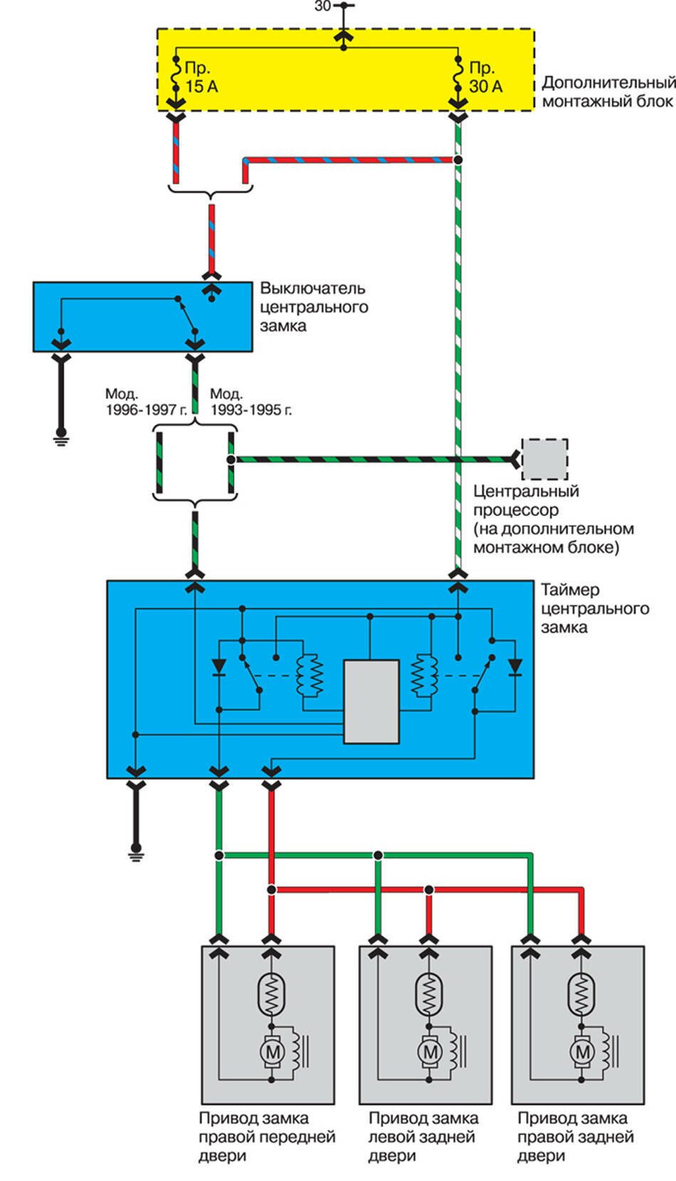
Центральный замок и система дистанционного управления Мазда 626

Мазда 626 1998 г.

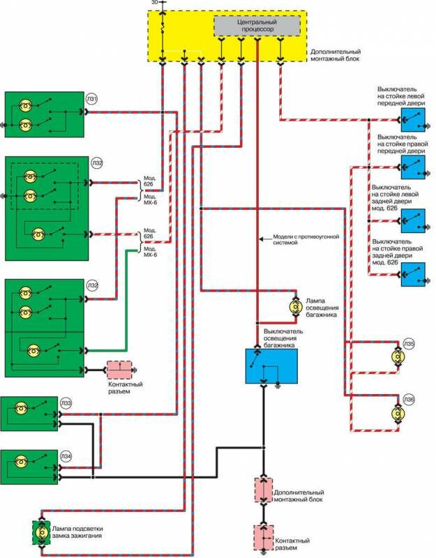
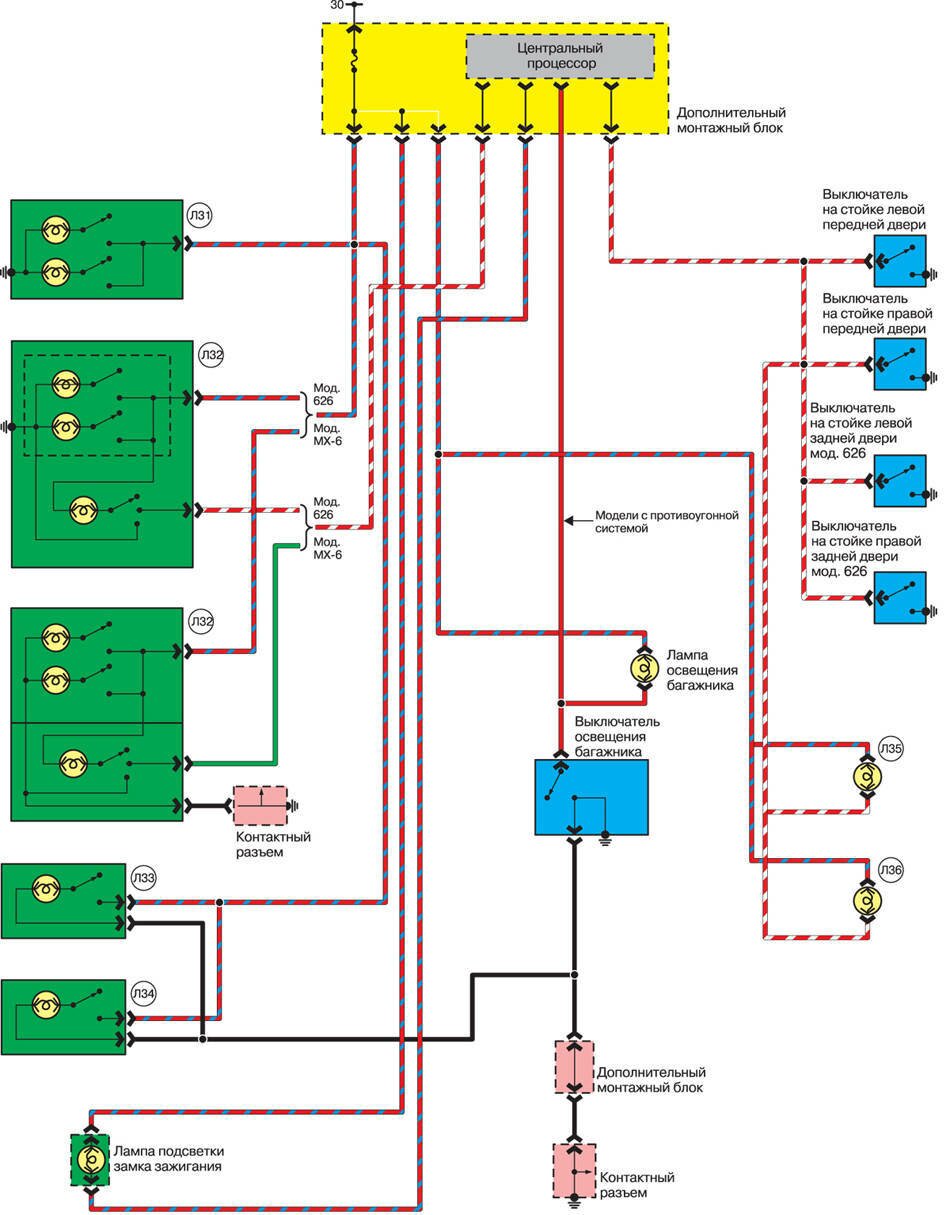
Схема принципиальная системы освещения салона авто

Л31 – лампочки для чтения карт
Л32 – лампочки освещения салона
Л33 – лампочка освещения на правом козырьке
Л34 – лампочка освещения на левом козырьке Л35 – лампочка освещения порожка левой передней двери
Л36 – лампочка освещения порожка правой передней двери

Внутренние осветительные приборы Мазда 626

Датчики приборного щитка и сигнальные лампочки - модели 1993 и 1998 г.


П1 – спидометр
П2 – сигнальная лампочка низкого уровня топлива
П3 – датчик уровня топлива
П4 – датчик температуры охлаждающей жидкости П5 – тахометр
16 – генератор
17 – датчик передач

П1 – спидометр
П3 – датчик уровня топлива
П4 – датчик температуры охлаждающей жидкости
П5 – тахометр П6 – одометр
Л37 – сигнальная лампа противоугонный сигнализации
16. Система запуска двигателя/ зарядки аккумулятора
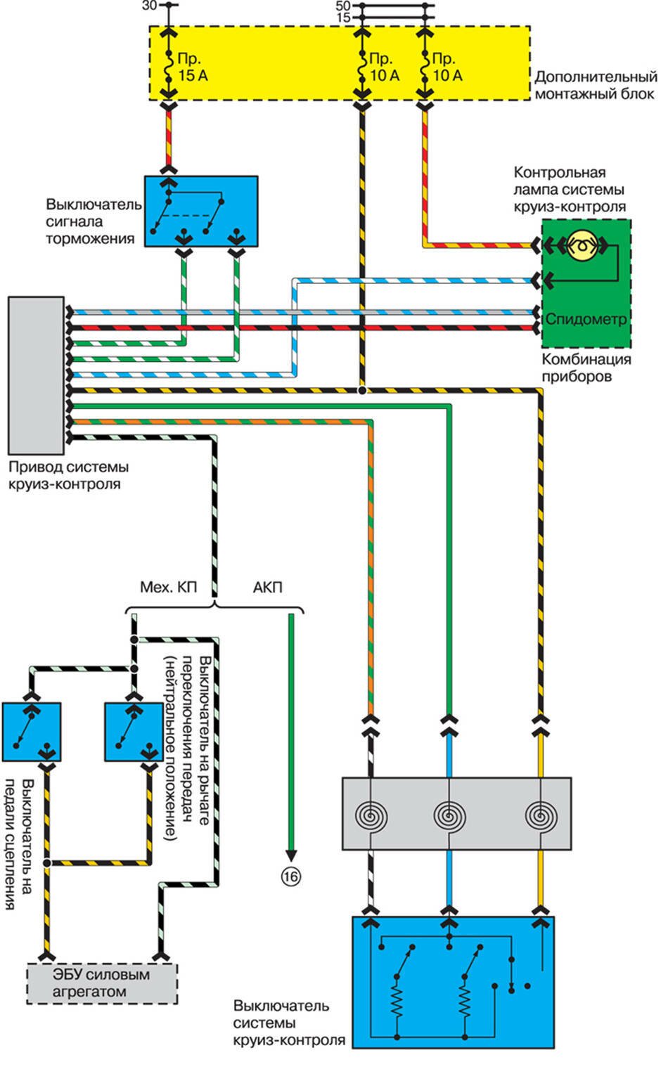
Система круиз-контроля - электросхема

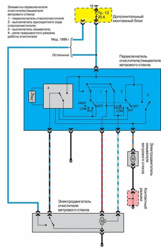
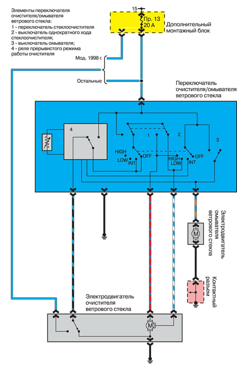
Стеклоочистители и омыватели лобового стекла Mazda 626

Печка и кондиционер - схемы модулей



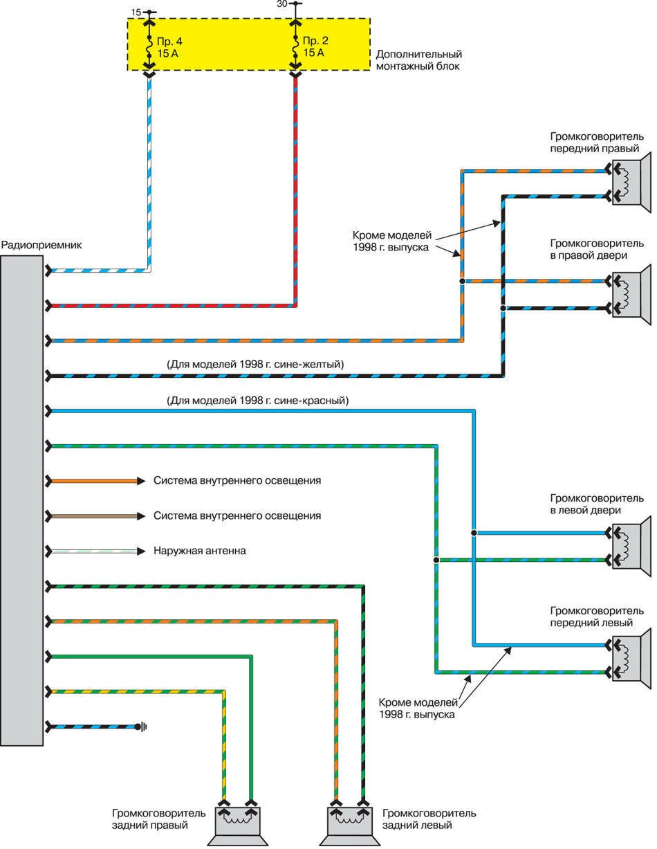
Подключение стереосистемы автомобиля Мазда 626

РЕМОНТ АВТОЭЛЕКТРОНИКИ ЗАРЯДНЫЕ УСТРОЙСТВА ДЛЯ АКБ

|