Окончание схем электрооборудования автомобиля мерседес спринтер. Для увеличения картинки кликните по схеме.
Система управления дизельным двигателем с ТНВД распределительного типа



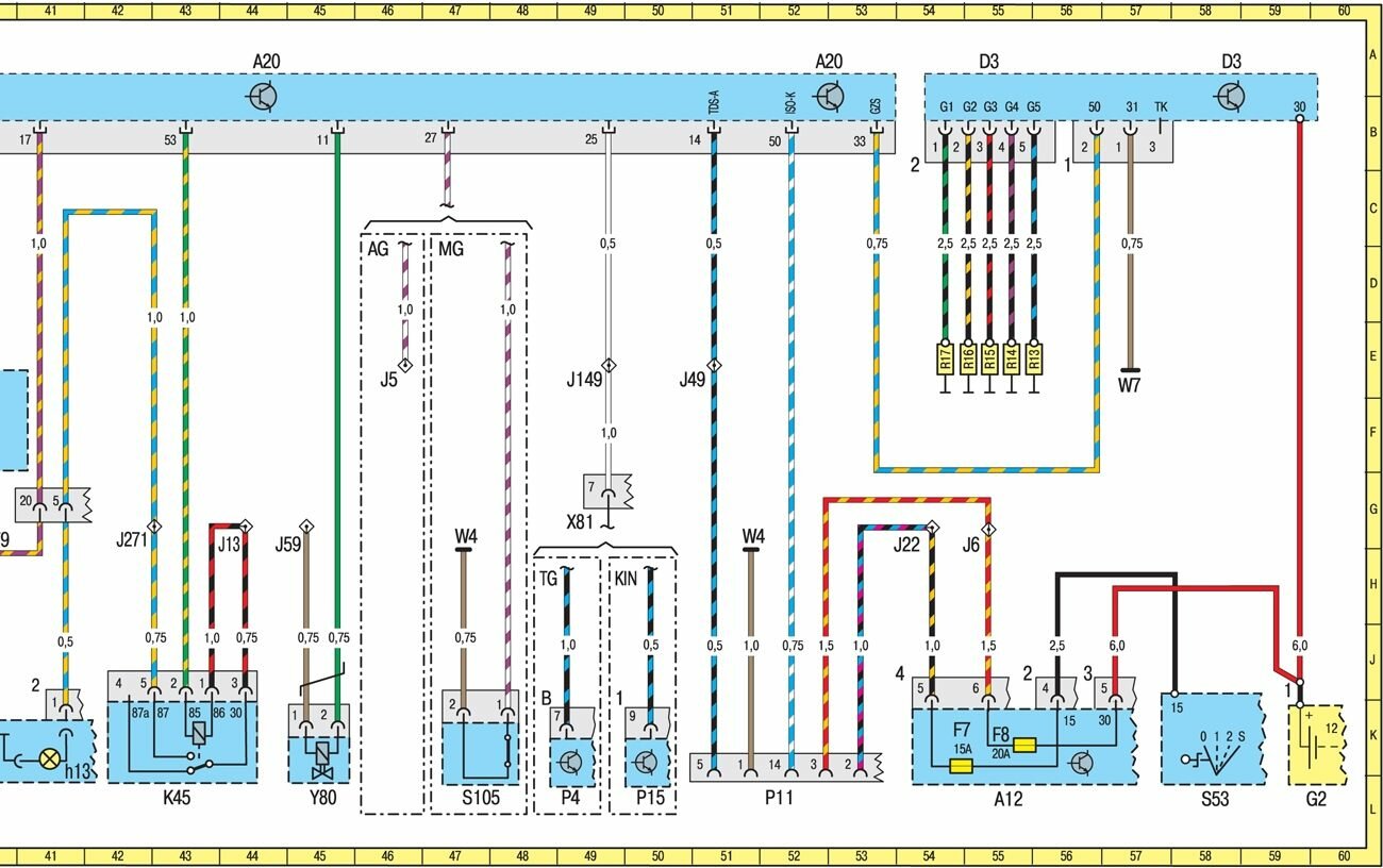
A12 Центральный монтажный блок 1L
26L
55L
A12F5 Предохранитель 15 А 26K
A12F7 Предохранитель 15 А 54K
A12F8 Предохранитель 20 А 55K
A20 ЭБУ двигателем (MSA) 4A
12A
21A
28A
36A
44A
52A
B16 Датчик температуры охлаждающей жидкости 8L
B18 4-контактный выключатель стоп-сигнала
(автомобили с круиз-контролем) 29L
B19 2-контактный выключатель сигнала торможения 24L
B47 Датчик давления (наддува) воздуха во впускном
коллекторе 23L
B49 Датчик момента начала впрыска топлива 10L
B73 Датчик угла поворота коленчатого вала 11L
D3 Выходной каскад системы предпускового подогрева 55А
58А
F15 Предохранитель (15А) ЭБУ двигателем 6E
G2 Аккумуляторная батарея 2L
60L
G14 Датчик температуры всасываемого воздуха 19L
J5 Вывод <50> 46E
J6 Вывод <30>, защищенный предохранителем 55H
J8 Вывод сигнала торможения 2G
24G
29G
J12 Выводы датчиков для соединения с <массой> 8E
15Е
19E
J13 Вывод ЭБУ ТНВД (EVE) 5G
17E
44G
J14 Вывод ЭБУ ТНВД (EVE) 17E
J18 Вывод <15>, защищенный предохранителем 1E
J22 Вывод <15>, защищенный предохранителем 54H
J49 Вывод датчика частоты вращения коленчатого вала 51E
phaJ59 Вывод форсунок 6G
14E
28G
37G
45G
J105 Вывод <15> 39G
J149 Вывод датчика частоты вращения коленчатого вала 49E
J210 Вывод <30> 4G
J271 Вывод <87> 42G
J272 Вывод датчиков положения педали акселератора,
давления (наддува) воздуха во впускном коллекторе
и температуры всасываемого воздуха 21E
J277 Вывод <15> 30E
K5 Реле питания ЭБУ двигателем 4L
K45 Реле системы предварительного подогрева 43L
P4 Тахограф 49L
P11 14-контактный диагностический разъем 52L
P15 Комбинация приборов 40L
50L
P15h13 Контрольная лампа системы предварительного
подогрева и иммобилайзера 41L
P15h73 Контрольная лампа системы EDC 39L
R13 Свеча накаливания 56E
R14 Свеча накаливания 55E
R15 Свеча накаливания 55E
R16 Свеча накаливания 55E
R17 Свеча накаливания 54E
R40 Датчик положения педали акселератора 21L
R40s1 Выключатель режима холостого хода 22K
S53 Замок зажигания 58L
S105 Включатель на педали сцепления 47L
S123 Включатель круиз-контроля 31L
W4 Соединение с <массой> на перегородке моторного
отсека 2H
22H
47H
51G
W7 Соединение с <массой> в моторном отсеке 2E
9D
57E
X78 Разъем жгутов проводов рамы и двигателя 7H
12H
X79 Разъем жгута проводов рамы и кузова 40G
X81 Разъем жгута проводов рамы и кузова 49G
Y44 Клапан системы рециркуляции ОГ 6L
Y45 ТНВД с электронным управлением 13L
17L
Y45.1 Разъем электромагнитного клапана муфты
опережения впрыска топлива 13H
Y45.3 Разъем ЭБУ ТНВД 15H
Y45b1 Датчик температуры топлива 18L
Y45l1 Датчик хода рейки ТНВД 16L
Y45l2 Датчик хода рейки ТНВД 15L
Y45y1 Регулятор количества подаваемого топлива 17L
Y45y2 Электромагнитный клапан муфты опережения
впрыска топлива 14L
Y45y3 Электромагнитный клапан прекращения подачи
топлива 13L
Y46 Электромагнитный клапан изменения давления
впрыска топлива 38L
Y47 Электромагнитный клапан момента впрыска топлива 37L
Y80 Клапан регулировки давления наддува 45L
Обогреватель заднего стекла мерседес


РЕМОНТ АВТОЭЛЕКТРОНИКИ ЗАРЯДНЫЕ УСТРОЙСТВА ДЛЯ АКБ

|