ЭЛЕКТРОСХЕМЫ
СХЕМА » АВТОМОБИЛЯ » МОТОЦИКЛ

Электрическая схема автомобиля KAWASAKI - МОТОЦИКЛЫ

      

   Тут вы можете бесплатно посмотреть и скачать три электросхемы некоторых популярных мотоцилов фирмы kawasaki. Все схемы в хорошем качестве, а увеличить их можно кликнув на картинку.

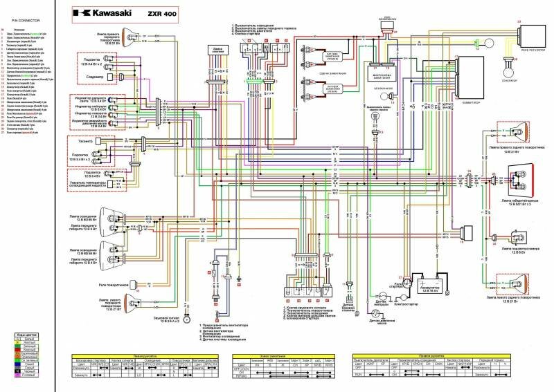
Электросхема мотоцикла Kawasaki ZXR-400



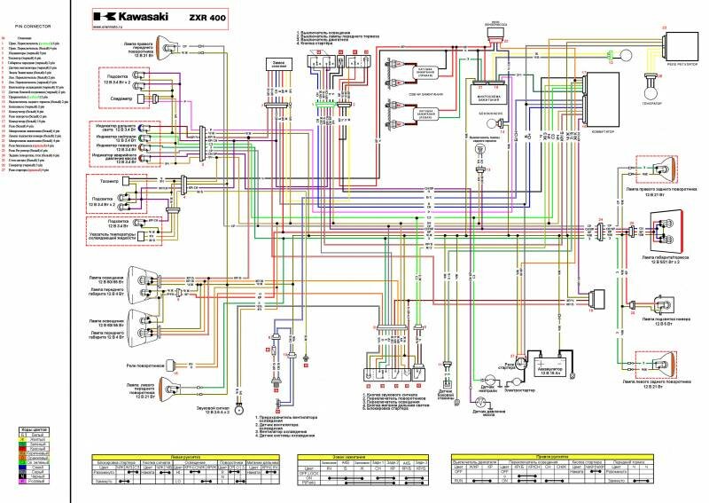
Электросхема мотоцикла Kawasaki ZX400N



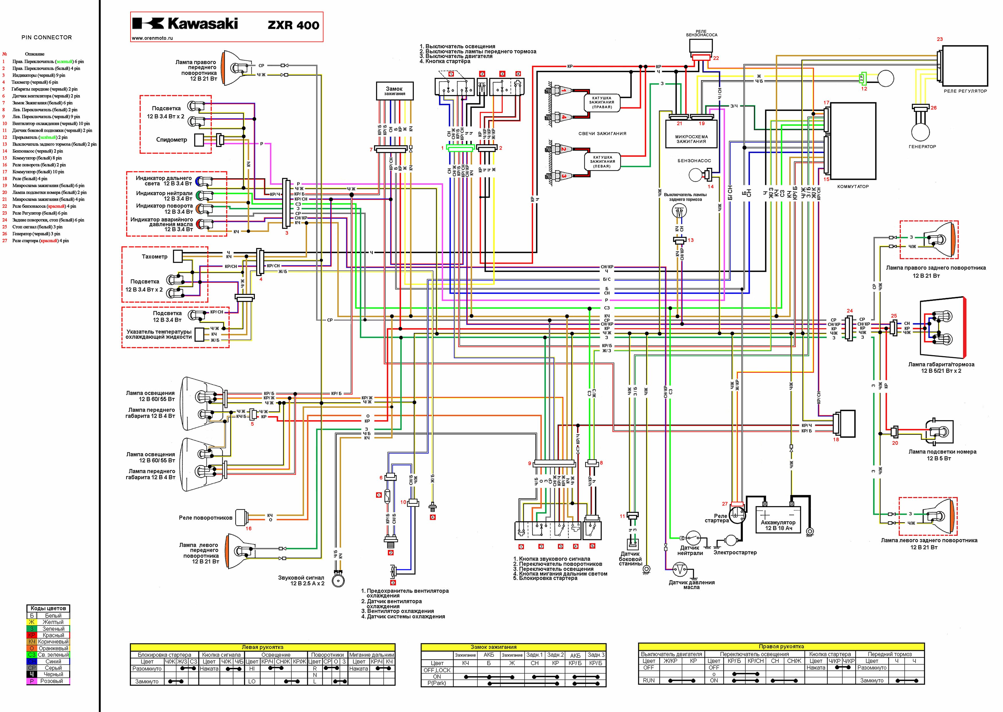
Электросхема мотоцикла Kawasaki ZXR400


    РЕМОНТ АВТОЭЛЕКТРОНИКИ           ЗАРЯДНЫЕ УСТРОЙСТВА ДЛЯ АКБ

 

ПОИСК СХЕМ ПО САЙТУ

Контакты - Рейтинг казино - Электросхемы отечественных автомобилей газ, ваз, уаз и иномарок - электрооборудование и проводка. Copyright © 2022