Несколько схем электрооборудования для мотоциклов сузуки - Boulevard C90, GN 125, GN 400. Все схемы доступны для бесплатного просмотра, просто кликните на ней.
Электросхема мотоцикла сузуки Boulevard C90

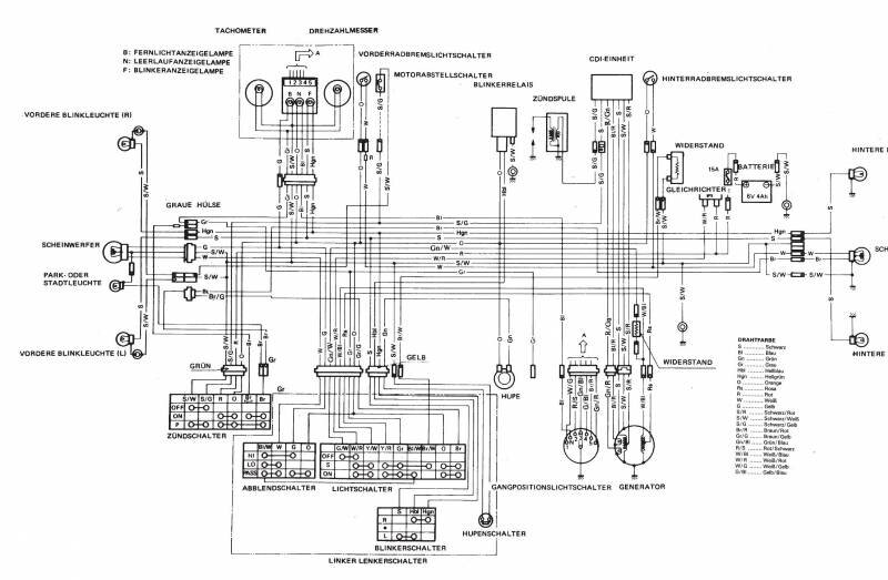
Электросхема мотоцикла сузуки GN 125

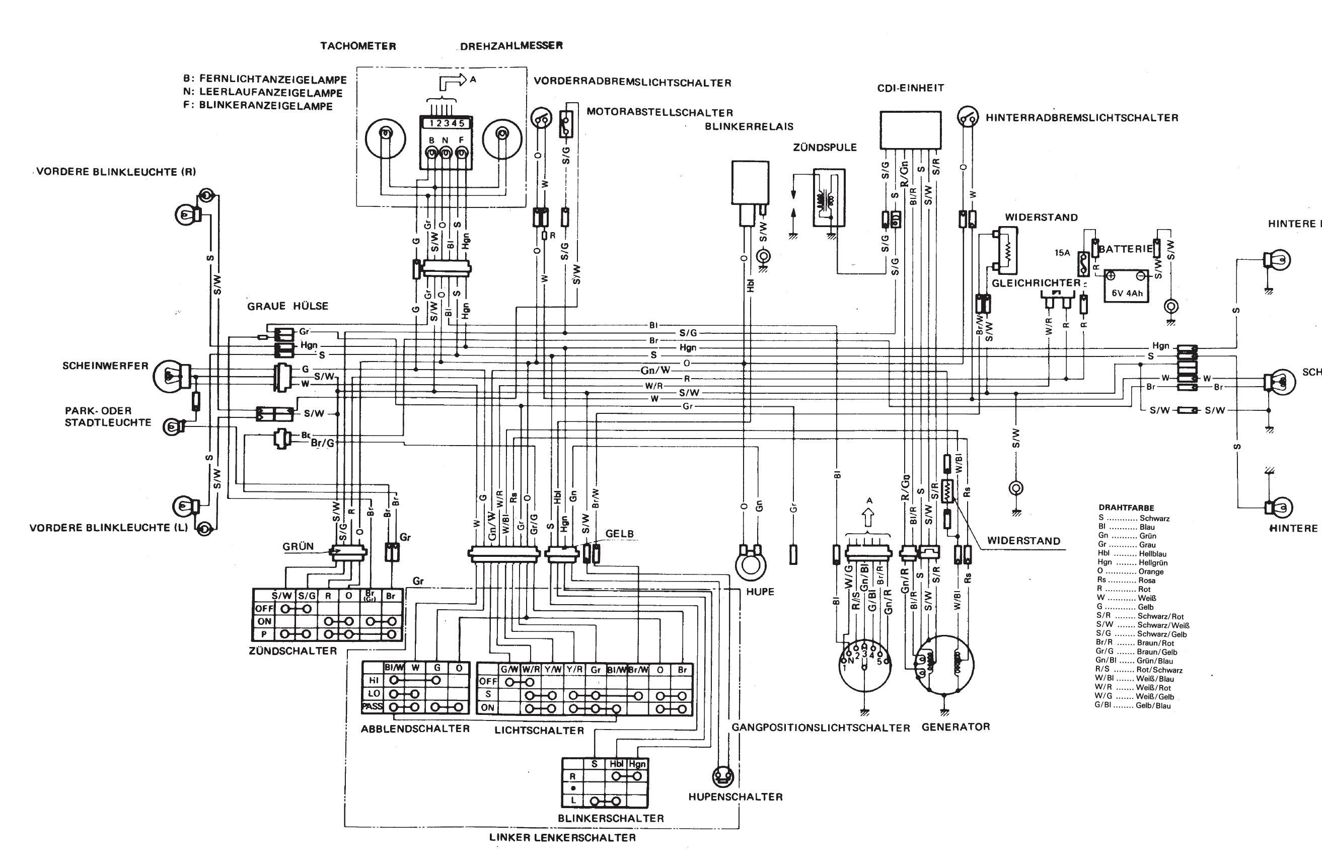
Электросхема мотоцикла Suzuki GN 400

Сузуки использует раскраску проводов двух типов. Первый – это одноцветный провод, а второй – это двухцветный (полосатый) провод. Для обозначения одноцветного провода используется только один цветовой символ (например «RED»). Для обозначения двухцветного провода используются две цветовых символа (например «RED/BLU»). Первый символ обозначает основной цвет провода, а второй символ обозначает цвет полос.
РЕМОНТ АВТОЭЛЕКТРОНИКИ ЗАРЯДНЫЕ УСТРОЙСТВА ДЛЯ АКБ

|