Сборник схем автомобиля Ниссан Альмера - цветные качественные изображения с русским описанием. В первой части показаны такие модули, как Cистема управления двигателем, Электропитание основного оборудования, включение габаритного света, фар и других узлов авто. А тут смотрите вторую часть схем электрооборудования Ниссан Алмера.
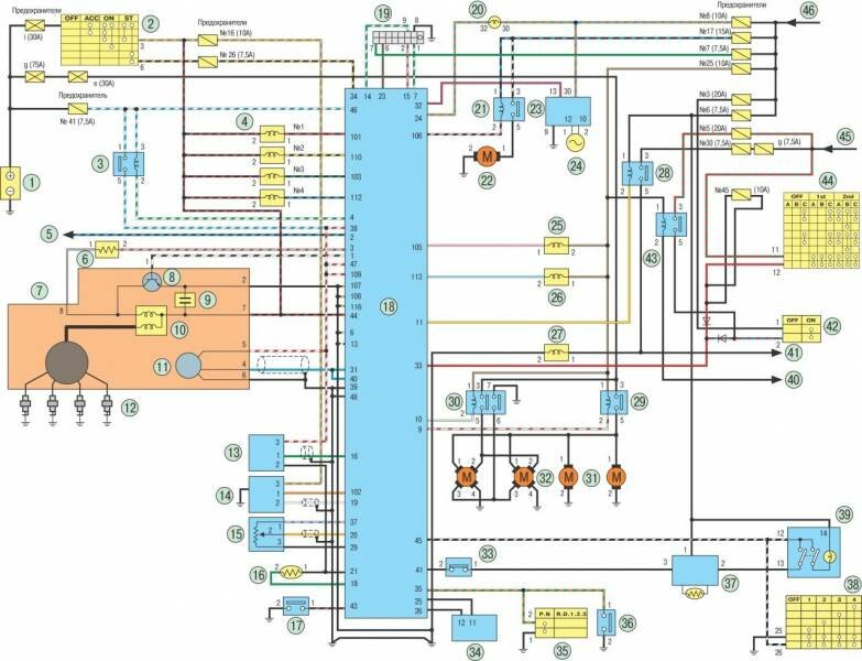
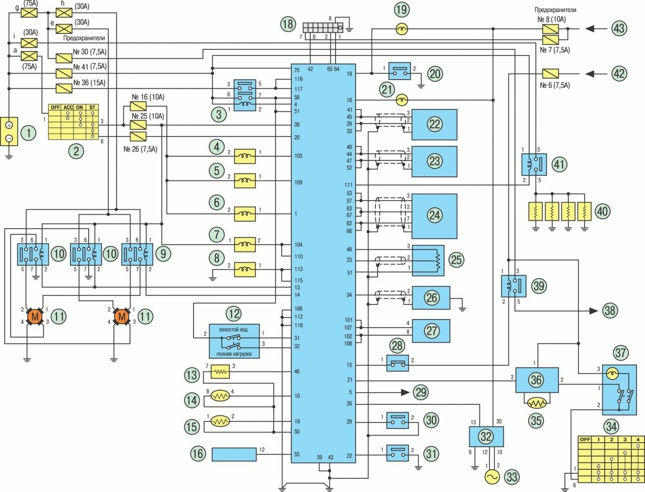
Ниссан ECCS двигателей GA14DE

1 — аккумуляторная батарея; 2 — выключатель зажигания; 3 — реле питания; 4 — топливные форсунки; 5 — сигнал на тахометр; 6 — контрольный резистор; 7 — распределитель зажигания; 8 — коммутатор (встроен в блок зажигания); 9 — конденсатор; 10 — катушка зажигания; 11 — датчик положения распределительного вала и частоты вращения коленчатого вала двигателя; 12 — свечи зажигания; 13 — измеритель массового расхода воздуха; 14 — датчик содержания кислорода в отработавших газах; 15 — датчик положения дроссельной заслонки; 16 — датчик температуры охлаждающей жидкости; 17 — датчик давления в системе гидроусилителя рулевого управления; 18 — контроллер КСУД; 19 — разъем диагностики; 20 — контрольная лампа неисправности КСУД; 21 — реле включения топливного насоса; 22 — топливный насос; 23 — тахометр; 24 — датчик скорости движения; 25 — электромагнитный клапан рециркуляции отработавших газов и продувки абсорбера; 26 — регулятор холостого хода; 27 — регулятор ускоренного холостого хода; 28 — реле включения электромагнитной муфты компрессора кондиционера; 29 — реле включения электровентиляторов системы охлаждения двигателя (на автомобилях с механической коробкой передач); 30 — двойное реле включения/ электровентиляторов системы охлаждения двигателя (на автомобилях с автоматической коробкой передач); 31 — односкоростной электровентилятор системы охлаждения двигателя; 32 — двухскоростной электровентилятор системы охлаждения двигателя; 33 — датчик давления хладагента компрессора; 34 — ЭБУ запрета пуска двигателя; 35 — датчик положения рычага переключения передач; 36 — датчик положения рычага селектора; 37 — ЭБУ температуры воздуха в салоне с датчиком испарителя; 38 — органы управления отоплением и вентиляцией; 39 — органы управления климатической установкой; 40 — к реле времени включения обогрева заднего стекла; 41 — к компрессору кондиционера; 42 — выключатель обогрева заднего стекла; 43 — реле включения обогрева заднего стекла; 44 — переключатель наружного освещения Ниссан Микра.
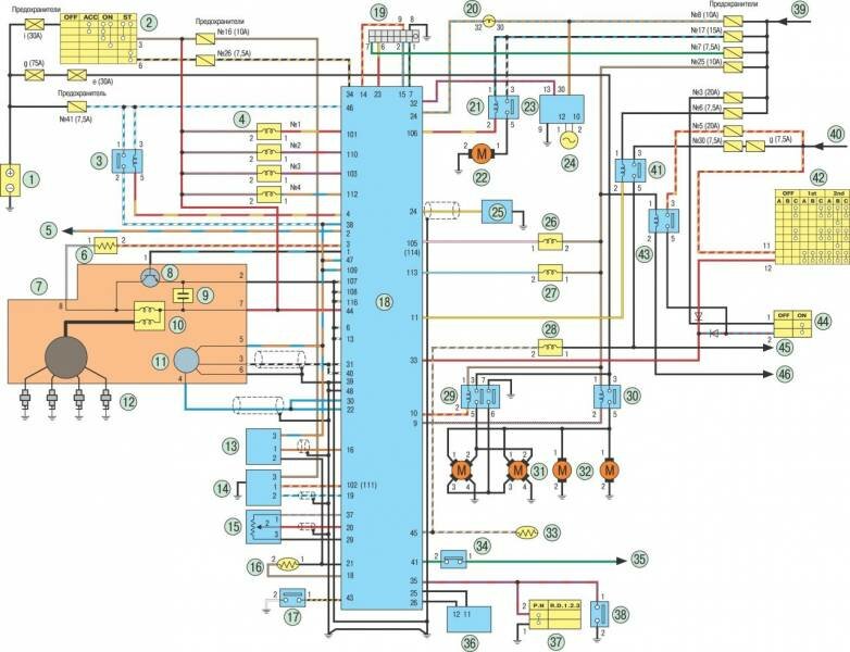
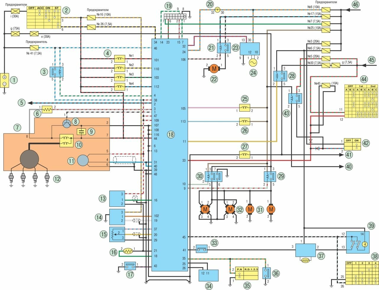
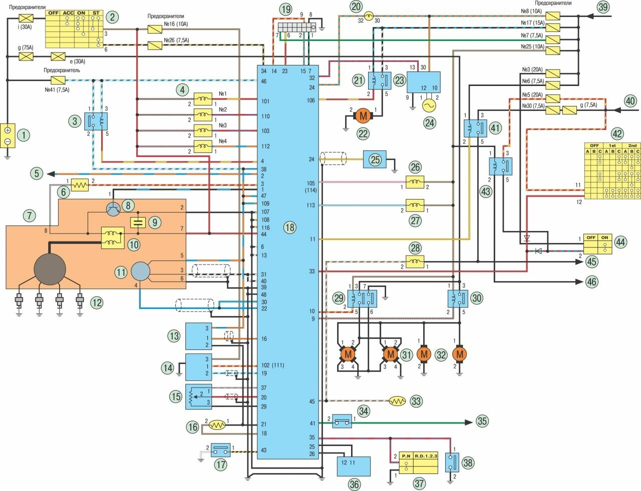
КСУД ниссан микра ECCS двигателя SR20DE

1 — аккумуляторная батарея; 2 — выключатель зажигания; 3 — реле включения контроллера; 4 — топливные форсунки; 5 — сигнал на тахометр; 6 — контрольный резистор; 7 — распределитель зажигания; 8 — коммутатор (встроен в распределитель зажигания); 9 — конденсатор (встроен в распределитель зажигания); 10 — катушка зажигания; 11 — датчик положения коленчатого вала и частоты вращения коленчатого вала двигателя; 12 — свечи зажигания; 13 — измеритель массового расхода воздуха; 14 — датчик содержания кислорода в отработавших газах; 15 — датчик положения дроссельной заслонки; 16 — датчик температуры охлаждающей жидкости; 17 — датчик давления в системе гидроусилителя рулевого управления; 18 — контроллер КСУД; 19 — разъем диагностики; 20 — контрольная лампа неисправности КСУД; 21 — реле включения топливного насоса; 22 — топливный насос; 23 — тахометр; 24 — датчик скорости движения; 25 — датчик детонации; 26 — электромагнитный клапан рециркуляции отработавших газов и продувки абсорбера; 27 — регулятор холостого хода; 28 — регулятор ускоренного холостого хода; 29 — двойное реле включения электровентиляторов системы охлаждения двигателя (на автомобилях с автоматической коробкой передач); 30 — реле включения электровентиляторов системы охлаждения двигателя (на автомобилях с механической коробкой передач); 31 — двухскоростной электровентилятор системы охлаждения двигателя; 32 — односкоростной электровентилятор системы охлаждения двигателя; 33 — датчик температуры поступающего воздуха; 34 — датчик давления хладагента кондиционера; 35 — к блоку управления температурой воздуха в салоне; 36 — ЭБУ запрета пуска двигателя; 37 — датчик положения рычага переключения передач; 38 — датчик положения рычага селектора; 39 — «+» после включения зажигания или «+» при включении стартера; 40 — «+» аккумуляторной батареи; 41 — реле включения электромагнитной муфты компрессора кондиционера; 42 — переключатель наружного освещения; 43 — реле включения обогревателя заднего стекла; 44 — выключатель обогревателя заднего стекла.
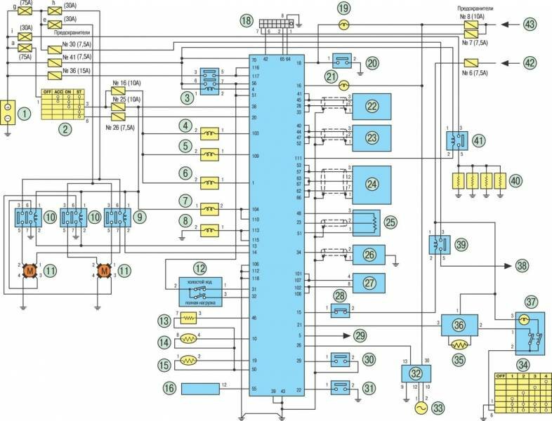
Cхема системы управления двигателем CD20

1 — аккумуляторная батарея; 2 — выключатель приборов и стартера; 3 — датчик оставленного ключа в замке выключателя приборов и стартера; 4 — реле пред- и послепускового подогрева; 5 — свечи подогрева; 6 — реле включения электровентиляторов системы охлаждения двигателя на 1-й скорости; 7 — реле включения электровентиляторов системы охлаждения двигателя на 2-й скорости; 8 — электровентиляторы системы охлаждения двигателя; 9 — электронный блок управления (ЭБУ); 10 — «+» после установки ключа в замке выключателя приборов и стартера в положение «3» или «+» стартера; 11 — «+» вспомогательного оборудования или «+» после включения выключателя приборов и стартера; 12 — «+» от аккумуляторной батареи; 13 — контрольная лампа предпускового подогрева; 14 — спидометр; 15 — датчик скорости движения автомобиля; 16 — ТНВД; 17 — электромагнитный клапан останова дизеля; 18 — электромагнитный клапан регулирования угла опережения впрыска топлива; 19 — датчик частоты вращения коленчатого вала двигателя; 20 — датчик температуры охлаждающей жидкости; 21 — датчик давления хладагента; 22 — электромагнитный клапан ускоренного холостого хода; 23 — к тахометру; 24 — блок управления регулированием температуры воздуха в салоне; 25 — датчик испарителя; 26 — к компрессору кондиционера; 27 — органы управления вентиляцией в салоне; 28 — органы управления кондиционером; 29 — реле включения электромагнитной муфты компрессора кондиционера.
Электросхема ABS Ниссан

1 — электронный блок управления ABS; 2 — блок реле; 3 — реле насоса; 4 — реле управления электромагнитными клапанами; 5 — датчик скорости вращения переднего правого колеса; 6 — датчик скорости вращения переднего левого колеса; 7 — датчик скорости вращения заднего правого колеса; 8 — датчик скорости вращения заднего левого колеса; 9 — выключатель стоп-сигнала; 10 — колодка разъема диагностики; 11 — контрольная лампа неисправности ABS; 12 — сливной электромагнитный клапан переднего левого колеса; 13 — подводящий электромагнитный клапан переднего левого колеса; 14 — сливной электромагнитный клапан переднего правого колеса; 15 — подводящий электромагнитный клапан переднего правого колеса; 16 — сливной электромагнитный клапан заднего левого колеса; 17 — подводящий электромагнитный клапан заднего левого колеса; 18 — сливной электромагнитный клапан заднего правого колеса; 19 — подводящий электромагнитный клапан заднего правого колеса.
Схема управления двигателем CD20E

1 — аккумуляторная батарея; 2 — выключатель приборов и стартера; 3 — реле питания системы; 4 — электромагнитный клапан системы РОГ №1; 5 — электромагнитный клапан системы РОГ №2; 6 — электромагнитный клапан воздушной заслонки; 7 — электромагнитный клапан регулирования угла опережения впрыска топлива; 8 — электромагнитный клапан останова дизеля; 9 — реле включения электровентиляторов системы охлаждения двигателя на 1-й скорости; 10 — реле включения электровентиляторов системы охлаждения двигателя на 2-й скорости; 11 — электровентиляторы системы охлаждения; 12 — выключатель холостого хода — полной нагрузки; 13 — калибровочный резистор; 14 — датчик температуры топлива; 15 — датчик температуры охлаждающей жидкости; 16 — блокировочное устройство стартера; 17 — ЭБУ; 18 — колодка разъема диагностики; 19 — контрольная лампа неисправности системы; 20 — датчик наличия воды в отстойнике топливного фильтра; 21 — контрольная лампа включения предпускового подогрева; 22 — датчик положения вала привода ТНВД; 23 — датчик частоты вращения и положения коленчатого вала; 24 — датчик положения регулировочного золотника; 25 — датчик положения педали управления подачей топлива; 26 — датчик подъема иглы форсунки 1-го цилиндра; 27 — актюатор подачи топлива; 28 — реле давления хладагента; 29 — к тахометру; 30 — выключатель педали управления подачей топлива; 31 — датчик положения рычага переключения передач; 32 — спидометр; 33 — датчик скорости движения автомобиля; 34 — органы управления вентиляцией салона; 35 — датчик испарителя; 36 — блок управления регулировкой температуры воздуха в салоне; 37 — выключатель кондиционера; 38 — к компрессору кондиционера; 39 — реле включения кондиционера; 40 — свечи подогрева.
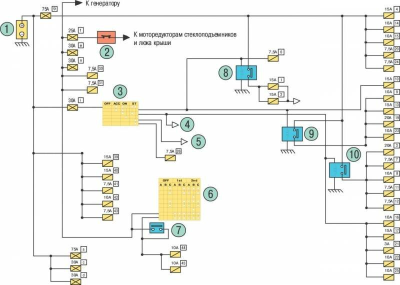
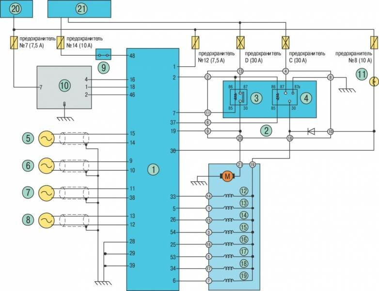
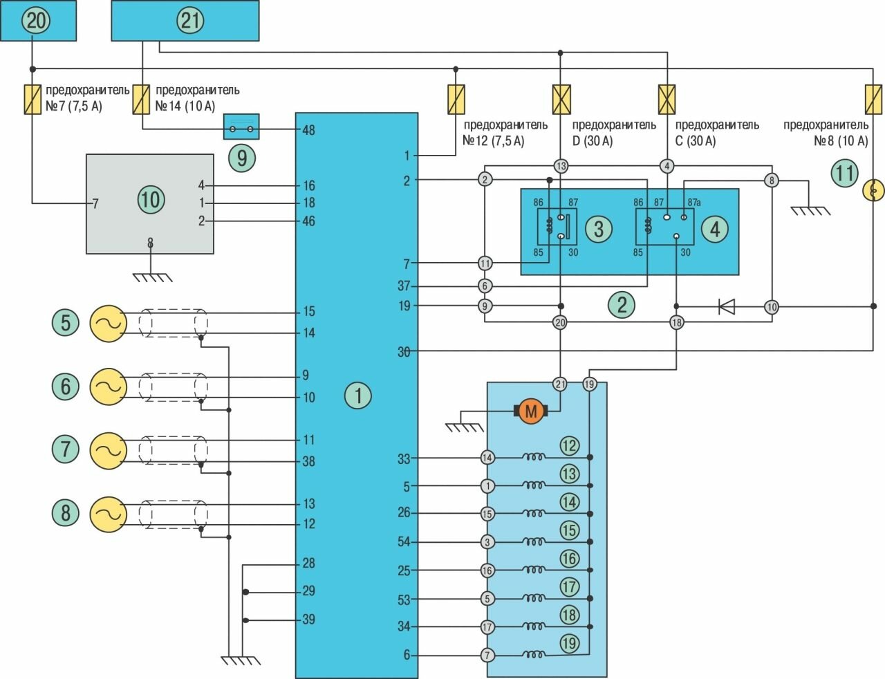
Электропитание основного оборудования автомобиля Ниссан

1 — аккумуляторная батарея; 2 — выключатель стеклоподъемников люка крыши; 3 — выключатель зажигания или приборов и стартера; 4 — «+» к форсункам после включения зажигания; 5 — к стартеру; 6 — выключатель освещения; 7 — выключатель передних противотуманных фар; 8 — реле отопления/вентиляции и кондиционера; 9 — основное реле вспомогательного оборудования; 10 — дополнительное реле вспомогательного оборудования.
РЕМОНТ АВТОЭЛЕКТРОНИКИ ЗАРЯДНЫЕ УСТРОЙСТВА ДЛЯ АКБ

|