Электрические схемы автомобиля Nissan Maxima - 1-я часть. Все электросхемы в высоком качестве и на русском языке. Скачать можно кликнув на кртинке и увеличив её. Остальные узлы электрооборудования Nissan Maxima показаны тут. Для защиты электрических цепей используются предохранители с ножевыми контактами, цвет которых соответствует току защиты предохранителя. Исправность предохранителя определяют по наличию проволочного проводника, соединяющего выходные контакты предохранителя. Для нормального питания потребителей электрическая цепь должна быть замкнута, так как в противном случае в ней будет присутствовать электрический ток, например, если к электродвигателю стеклоочистителя подается положительное напряжение, он не будет работать до тех пор, пока его электрическая цепь не будет соединена с массой. В электрическую цепь могут быть подсоединены выключатели, реле, предохранители, измерительные приборы, электродвигатели и другие потребители электроэнергии. Для правильного подключения потребителей электроэнергии контакты электрических разъемов имеют соответствующие маркировки. Соединение с массой автомобиля осуществляется или непосредственно через корпус потребителя электроэнергии или дополнительным проводом.
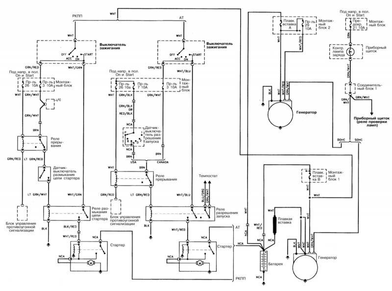
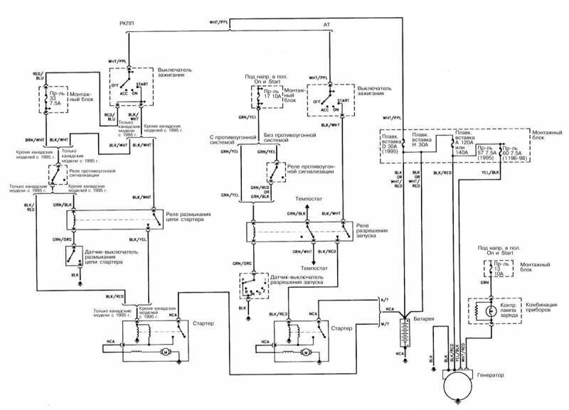
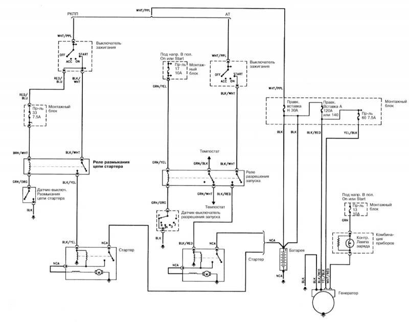
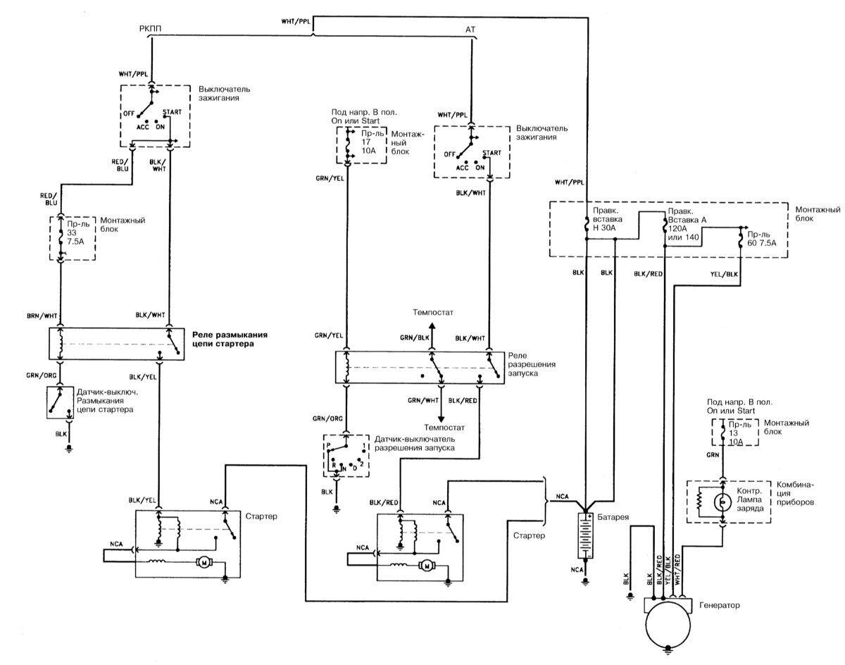
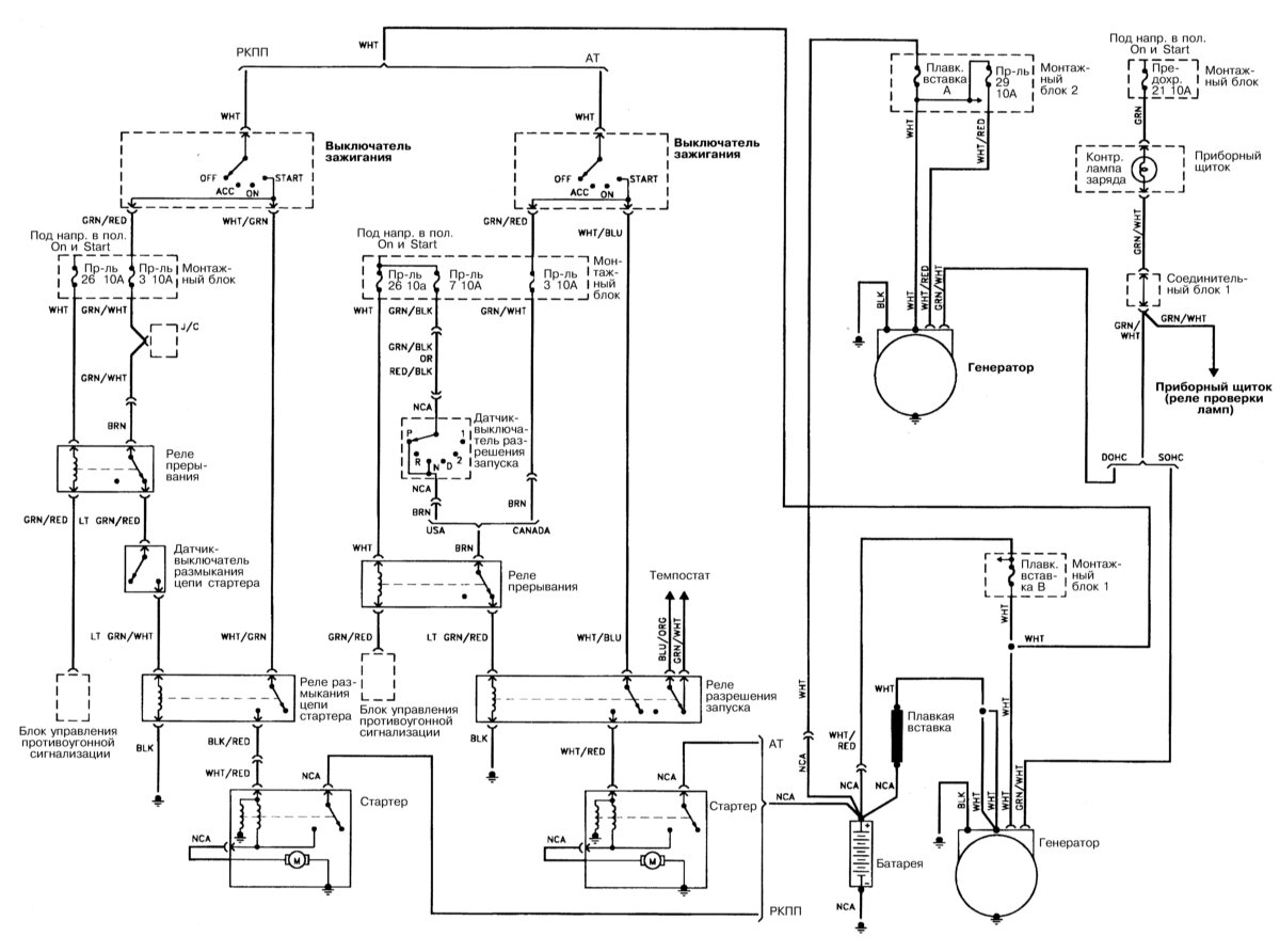
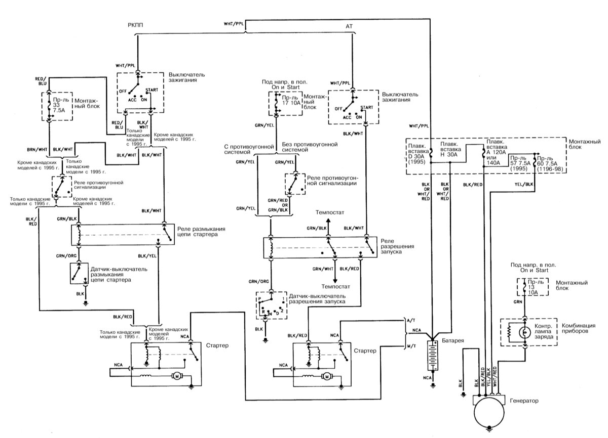
Схема системы запуска и заряда автомобиля Nissan Maxima различных годов выпуска (три варианта)



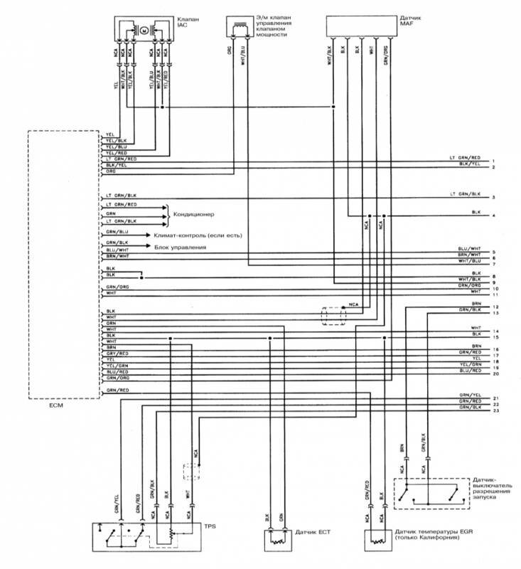
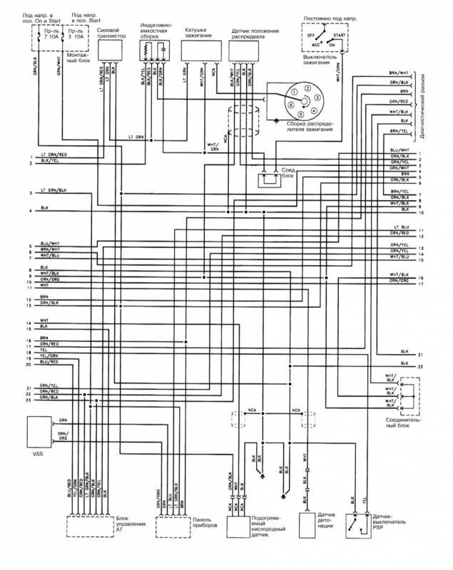
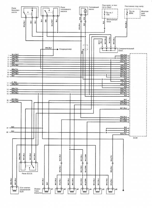
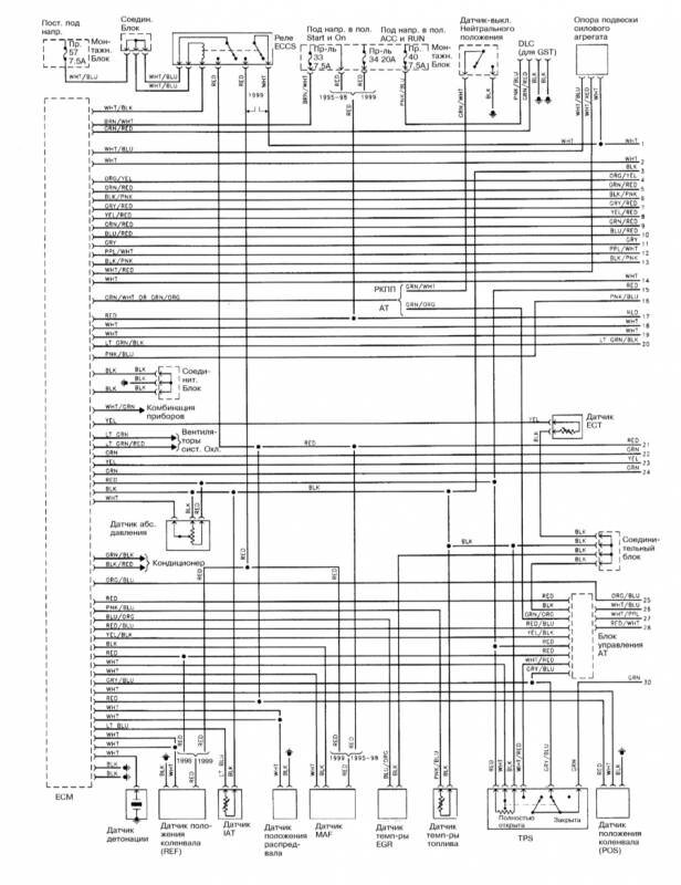
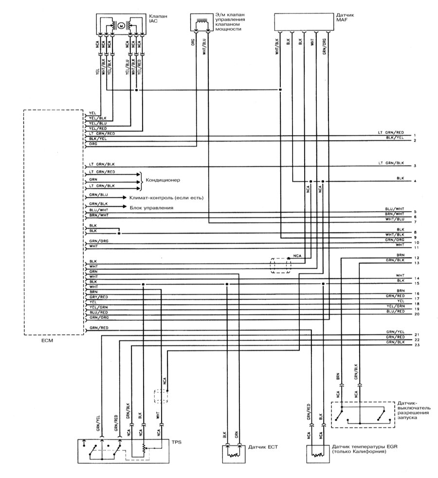
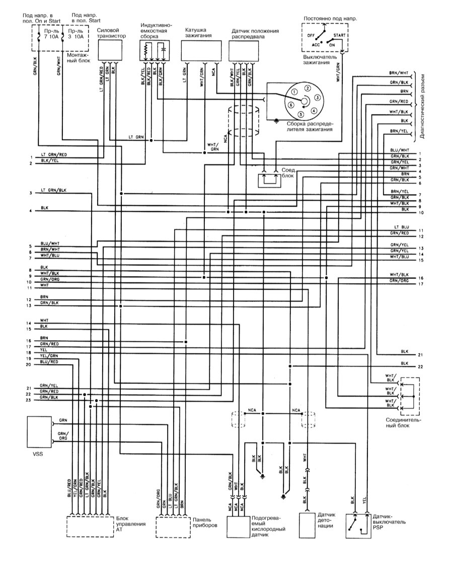
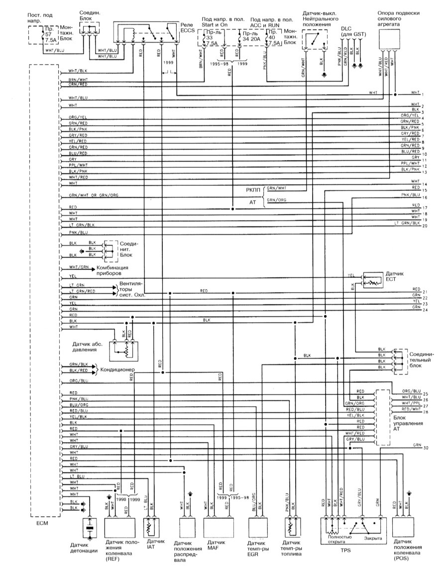
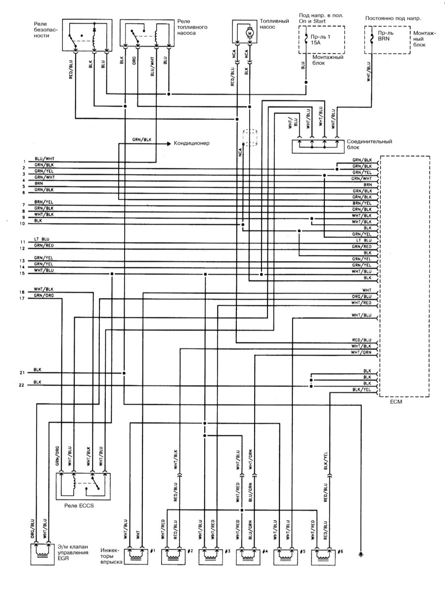
Электросхема блока управления двигателем Ниссан Максима



2й вариант


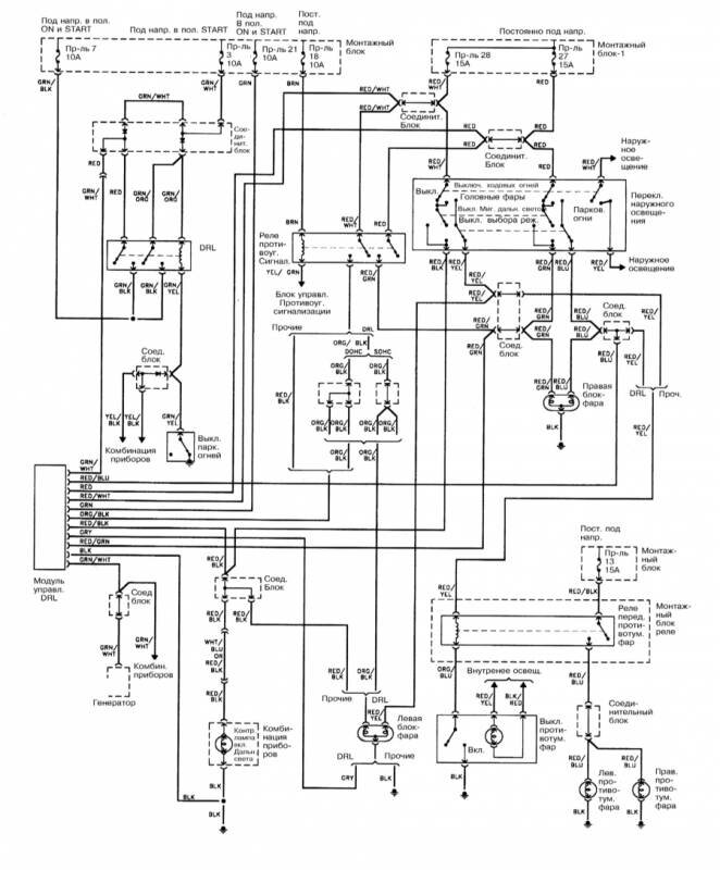
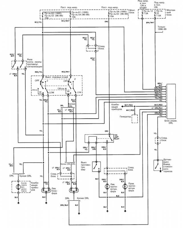
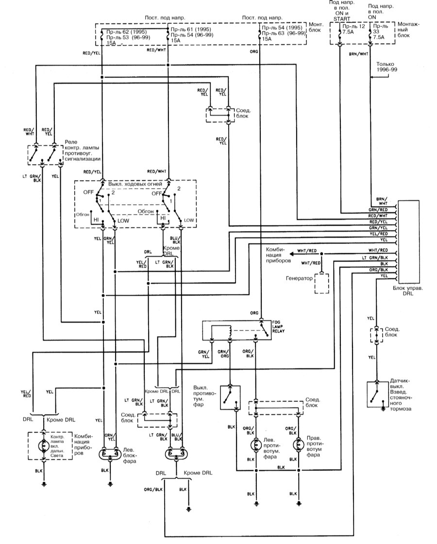
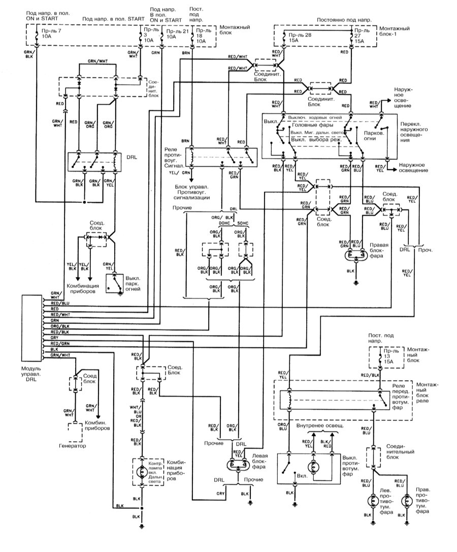
Головные и противотуманные фары автомобиля


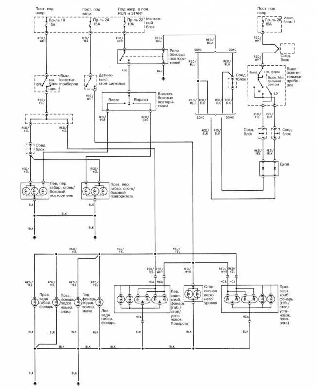
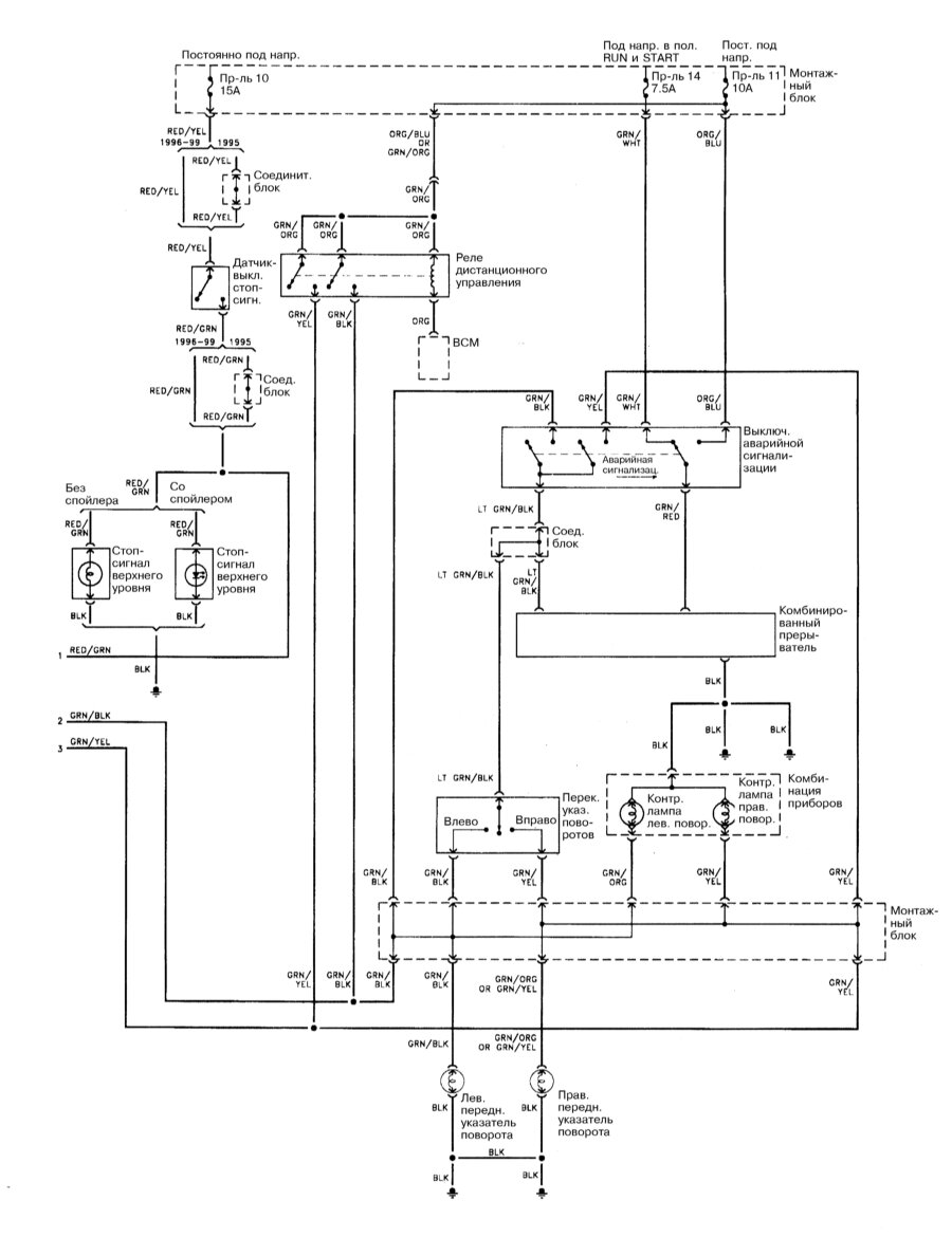
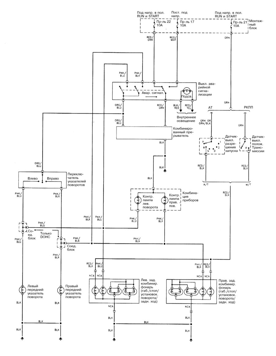
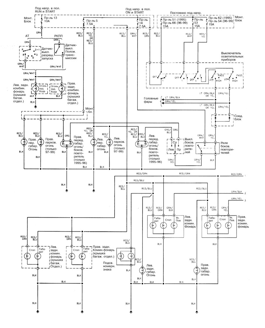
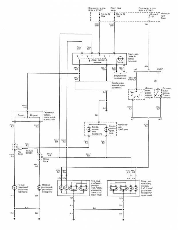
Огни заднего хода и указатели поворотов Nissan Maxima

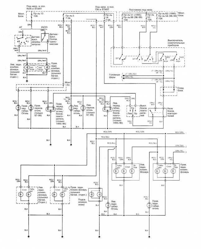
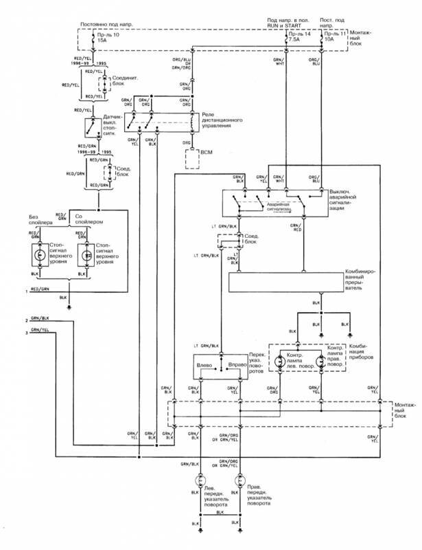
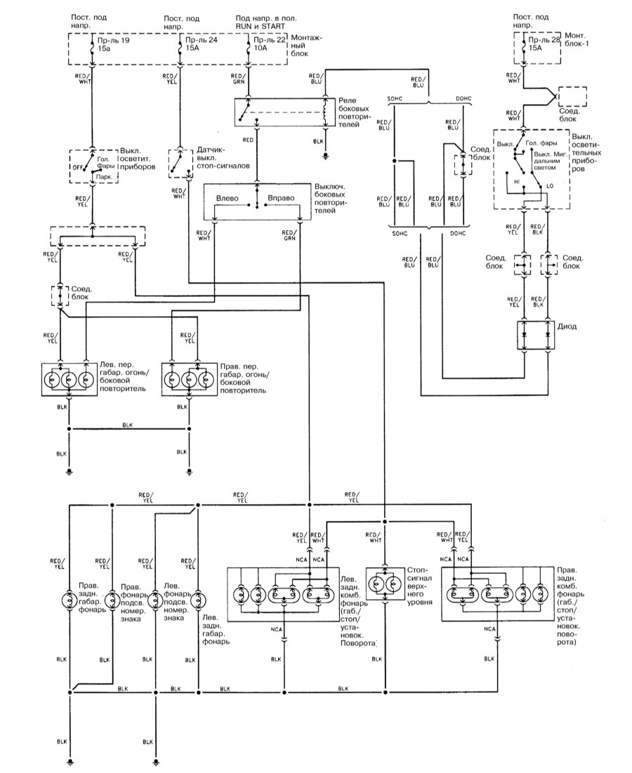
Схема наружных осветительных и сигнальных приборов


РЕМОНТ АВТОЭЛЕКТРОНИКИ ЗАРЯДНЫЕ УСТРОЙСТВА ДЛЯ АКБ

|