Электросхемы легкового авто Ниссан Примера - 1-я часть. Все принципиальные схемы в цвете, высоком качестве и на русском языке. Рассмотреть нужную схему можно кликнув на кртинке и увеличив её. Продолжение электрооборудования Ниссан Примера тут. Для защиты электрических цепей используются предохранители с ножевыми контактами, цвет которых соответствует току защиты предохранителя. При ремонте, работоспособность предохранителей определяют по наличию проволочного проводника, соединяющего выходные контакты предохранителя или с помощью омметра. Для нормального питания потребителей электрическая цепь должна быть замкнута, так как в противном случае в ней будет присутствовать электрический ток, например, если к электродвигателю охлаждения подается положительное напряжение, он не будет работать до тех пор, пока его электрическая цепь не будет соединена с массой.
Реле и предохранители
Расположение и функции предохранителей и реле Nissan Primera P12






1. аудиосистема, навигация, канал связи аудио-видео, камера, приборы панели, часы, прикуриватель, телефон
2. круиз-контроль
3. дверные замки
4. прикуриватель, розетка дополнительная
5. круиз-контроль, система блокировки переключения передач АКПП, сигнальные лампы, стопари, ESP, ABS, выключатель тормоза, выключатель тормоза круиза
6. задний ПТФ
7. обогрев стекла, навигация, противоугонная система
8. обогрев сиденья
9. круиз контроль, выключатель тормоза круиза
10. поворотники и аварийка, система блокировки переключения передач CVT, аудио, навигация, канал связи аудио-видео, звуковая сигнализация, часы, стеклоподъёмник, обогреватель стекла, самозатемняющееся зеркало, омыватель фар, очиститель и омыватель(режим авто), дверные замки, NATS (иммобилайзер), дистанционный ЦЗ, электрокорректор фар, кондей, датчик света, плафон салона, люк, чек энджин и разъём OBD-2, телефон.
11. датчик скорости, датчик температуры жидкости АКП, питание блока TCM
12. круиз контроль, поворотники и аварийка, датчик температуры жидкости АКП, питание блока TCM, спидометр, тахометр, указатели температуры, уровня масла и топлива, индикатор АКПП, звуковая сигнализация, обогрев стекла, дверные замки, противоугонная система, иммобилайзер, дистанционный ЦЗ, кондей, чек энджин и разъём OBD-2, подсветка, плафон салона, система контроля давления в шинах.
13. противоугонная система, дополнительная нештатная сига(у нас есть разводка), плафон салона, маршрутные фонари, подсветка зеркала вкозырьке, освещение багажника, обогрев зеркал
14. мотор вентилятора конд-ра
15. конд-р
16. мотор вентилятора кондея
17. топливные форсунки, реле блока ECM, бензонасос
18. подушки безопасности
19. пустой
20. лямбда-зонды (датчики кислорода), электроклапан продувки угольного фильтра, топливные форсунки, регулятор охлаждающего вентилятора, система запуска, кондей, стеклоподъемники
21. сигнал на запуск (стартер), датчик света
22. прикуриватель
23. зеркала боковые, обогрев стекла
24. пустой (зарезервирован под консольную розетку)
25. кондей, очиститель и омыватель стекла
26. очиститель и омыватель стекла, очиститель и омыватель заднего стекла
27. лямбда-зонды (датчики кислорода), топливные форсунки
28. очиститель и омыватель заднего стекла
29. бензонасос
30. система управления накалом, чек энджин и разъём OBD-2, датчик скорости, ABS, ESP, подушки безопасности, система зарядки, датчик света, спидометр, тахометр, указатели температуры, уровня масла и топлива, сигнальные лампы, подсветка, NATS, индикатор АКПП, навигация, кондей, поворотники и аварийка, фонарь заднего хода, выключатель парковка/нейтраль, система управления камерой заднего вида.
31. ABS, ESP
32. габариты, освещение номера, датчик света, электрокорректор фар, передние и задний ПТФ, подсветка, звуковая сигнализация, омыватель фар, подсветка выключателя стеклоподъёмника
33. аудиосистема, навигация, дисплей, камера, часы, телефон
34. питание блока ЕСМ и реле ECM, MAF, датчик уга поворота коленвала, датчик фаз (угла поворота распредвала), электроклапан установки фаз газораспределения впускных клапанов, сигнал зажигания, система регулирования объёма EGR, электроклапан продувки угольного фильтра, блок EDU, топливные форсунки, клапан управления турбиной, датчик скорости
35. сигнал, система зарядки Nissan Primera P12
36. фара правая ксенон
37. фара левая ксенон
38. пустой
39. пустой
40. электропривод, реле и двигатель дроссельной заслонки
41. фара левая галоген, электрокорректор
42. фара правая галоген, задний ПТФ
43. передние ПТФ
44. электроклапан установки фаз газораспределения впускных клапанов, сигнал зажигания, реле блока ECM, система регулирования объёма EGR, датчик скорости
A. главный от АКБ Ниссан Примера
B. на прерыватели 1(*1) и 2(*2)
C. регулятор охлаждающего вентилятора 1
D. регулятор охлаждающего вентилятора 2
E. насос омывателя фар
F. система управления накалом (дизель)
G. зажигание
H. зажигание
I. ABS, ESP
J. зажигание
K. ABS, ESP
Реле в салоне левый руль

Реле в салоне правый руль

Реле под капотом

Схемы электрооборудования Ниссан Примера 12
Обозначение элементов на схемах



Схема системы зажигания и запуска двигателя авто


Тоже для автомобилей с АКПП и CVT

Электросхема центрального замка Nissan Primera P12




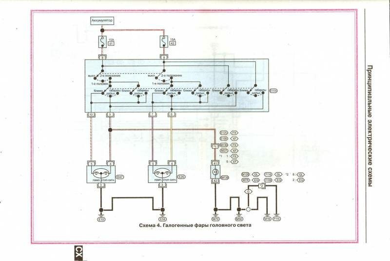
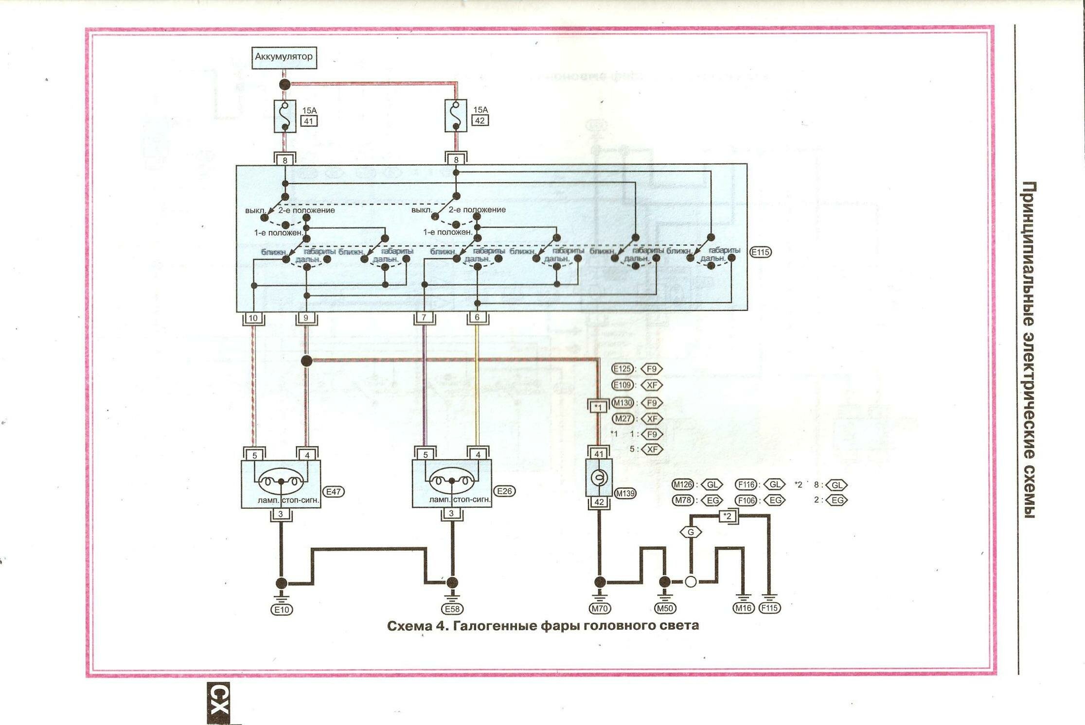
Галогенные фары головного света - подключение

РЕМОНТ АВТОЭЛЕКТРОНИКИ ЗАРЯДНЫЕ УСТРОЙСТВА ДЛЯ АКБ

|