Цветная электросхема для отечественного автомобиля ОКА. Схема в высоком разрешении, поэтому для увеличения картинки - кликните на неё. Для исключения ошибок при работе со схемой, ниже указан второй вариант схемы электрооборудования ОКА.
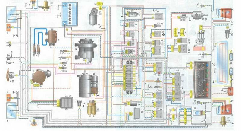
Электросхема автомобиля ОКА

1 – боковой указатель поворота
2 – передний указатель поворота
3 – фара
4 – электродвигатель вентилятора системы охлаждения
5 – звуковой сигнал
6 – датчик включения электродвигателя вентилятора
7 – электродвигатель омывателя ветрового стекла
8 – датчик момента искрообразования
9 – аккумуляторная батарея
10 – стартер Ока
11 – коммутатор
12 – свечи зажигания
13 – катушка зажигания
14 – генератор Ока
15 – датчик указателя температуры охлаждающей жидкости
16 – датчик контрольной лампы недостаточного давления масла
17 – розетка для переносной лампы
18 – реле стеклоочистителя
19 – датчик уровня тормозной жидкости
20 – выключатель сигнала торможения
21 – электродвигатель очистителя ветрового стекла
22 – электромагнитный клапан карбюратора
23 – выключатель света заднего хода
24 – реле включения стартера
25 – реле включения ближнего света фар
26 – реле включения дальнего света фар
27 – реле-прерыватель аварийной сигнализации и указателей поворота
28 – прикуриватель
29 – переключатель вентилятора отопителя
30 – дополнительный резистор электродвигателя отопителя
31 – выключатель наружного освещения
32 – блок предохранителей
33 – предохранитель цепи противотуманного фонаря
34 – реле включения обогрева заднего стекла
35 – реле включения электродвигателя вентилятора системы охлаждения
36 – реле-прерыватель контрольной лампы включения стояночного тормоза
37 – выключатель очистителя и омывателя заднего стекла
38 – выключатель обогрева заднего стекла
39 – выключатель заднего противотуманного фонаря
40 – контрольная лампа прикрытия воздушной заслонки карбюратора
41 – выключатель аварийной сигнализации
42 – выключатель зажигания
43 – реле зажигания
44 – электродвигатель вентилятора отопителя
45 – датчик указателя уровня топлива
46 – выключатель плафона в стойке двери
47 – комбинация приборов
48 – переключатель очистителя ветрового стекла
49 – выключатель омывателя ветрового стекла
50 – выключатель звукового сигнала
51 – переключатель света фар
52 – переключатель указателей поворота
53 – выключатель контрольной лампы включения стояночного тормоза
54 – плафон освещения салона
55 – выключатель контрольной лампы прикрытия воздушной заслонки карбюратора
56 – электродвигатель омывателя стекла задней двери
57 – задний фонарь ока
58 – задний противотуманный фонарь
59 – фонарь освещения номерного знака
60 – элемент обогрева стекла задней двери
61 – электродвигатель очистителя стекла задней двери.
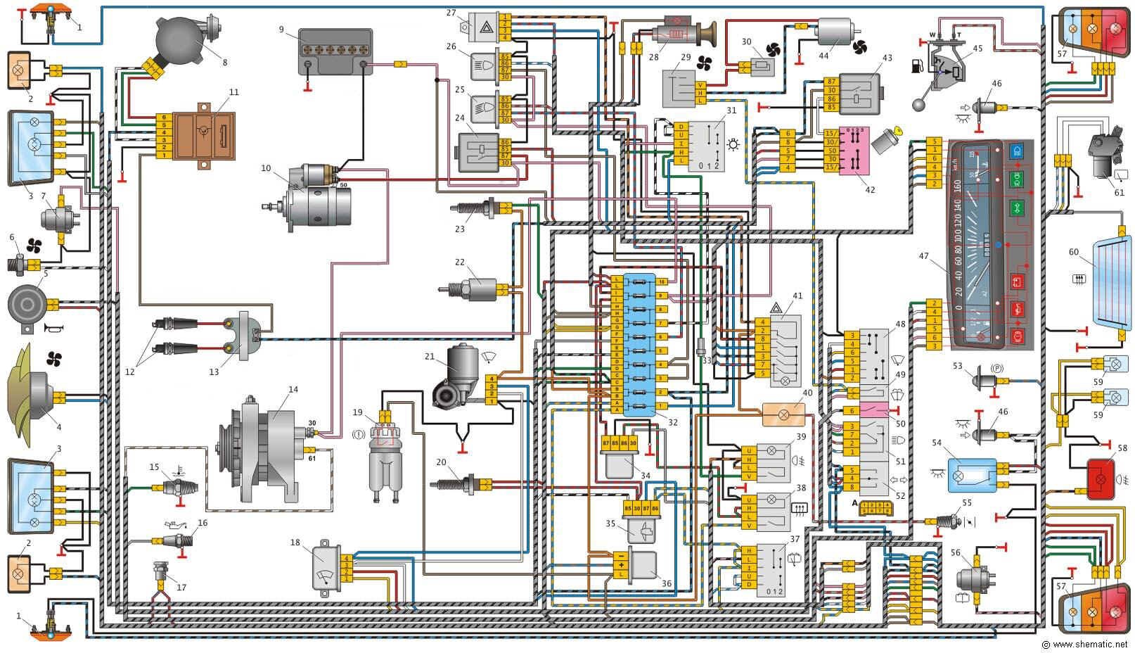
Схема электрооборудования автомобиля ОКА - другой вариант

1 - фары; 2 - передние указатели поворота; 3 - датчик включения электровентилятора; 4 - звуковой сигнал Ока; 5 - электровентилятор системы охлаждения двигателя; 6 - боковые указатели поворота; 7 - датчик момента искрообра-зования; 8 - свечи зажигания; 9 - катушка зажигания; 10 - электродвигатель насоса омывателя ветрового стекла; 11 - аккумуляторная батарея; 12 - генератор автомобиля Ока; 13 - датчик контрольной лампы давления масла; 14 - электромагнитный клапан карбюратора; 15 - датчик температуры охлаждающей жидкости; 16 - выключатель света заднего хода; 17 - коммутатор; 18 - штепсельная розетка для переносной лампы; 19 -датчик уровня тормозной жидкости; 20 - стартер; 21 - моторедуктор очистителя ветрового стекла; 22 - реле-прерыватель указателей поворота и аварийной сигнализации; 23 - реле включения дальнего света фар; 24 - реле включения ближнего света фар; 25 - реле включения стартера; 26 - реле включения электровентилятора; 27 - блок предохранителей; 28 - реле-прерыватель контрольной лампы стояночного тормоза; 29 - реле-прерыватель очистителя ветрового стекла; 30 - выключатель очистителя и омывателя заднего стекла; 31 - выключатель обогрева заднего стекла; 32 - выключатель заднего противотуманного фонаря; 33 - выключатель контрольной лампы воздушной заслонки карбюратора; 34 - предохранитель цепи противотуманного света; 35 - контрольная лампа воздушной заслонки карбюратора; 36 - выключатель аварийной сигнализации; 37 - выключатель наружного освещения; 38 - реле включения обогрева заднего стекла; 39 - переключатель электродвигателя вентилятора отопителя; 40 - выключатель стоп-сигнала; 41 - прикуриватель 42 - дополнительный резистор электродвигателя вентилятора отопителя; 43 - реле выключателя зажигания; 44 - выключатель зажигания; 45 - трех рычажный переключатель; 46 - плафон освещения салона; 47 - выключатели плафона, расположенные в стойках дверей; 48 - комбинация приборов 49 - выключатель контрольной лампы стояночного тормоза; 50 - датчик указателя уровня и резерва топлива; 51 - электродвигатель вентилятора ото пителя; 52 - задние фонари; 53 - моторедуктор очистителя заднего стекла; 54 - элемент обогрева заднего стекла; 55 - фонари освещения номерноп знака; 56 - задний противотуманный фонарь; 57 - электродвигатель насоса омывателя заднего стекла; А - порядок условной нумерации штекеров в ко лодке датчика момента искрообразования; Б - порядок условной нумерации штекеров в колодках моторедукторов очистителей ветрового и заднего сте кол и реле-прерывателя очистителя ветрового стекла; В - порядок условной нумерации штекеров в колодках выключателя зажигания и трехрычажно го переключателя; Г - порядок условной нумерации штекеров в колодках комбинации приборов.
РЕМОНТ АВТОЭЛЕКТРОНИКИ ЗАРЯДНЫЕ УСТРОЙСТВА ДЛЯ АКБ

|