Электроссхемы автомобиля Opel Frontera. Ниже смотрите расшифровки и обозначения элементов на схемах. Номер, заключенный в рамку, например, 406, указывает на цепь, имеющую продолжение с тем же номером. Наименование элементов приведены в соответствии с DIN 40719, обозначение линий в соответствии с DIN 47002. Некоторое наложение участков схем Opel Frontera облегчает чтение. На схемах приведены потребители тока дизельных двигателей. Окончание схем Опель фронтера находится здесь.
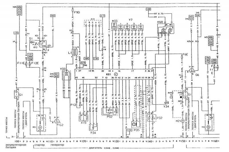
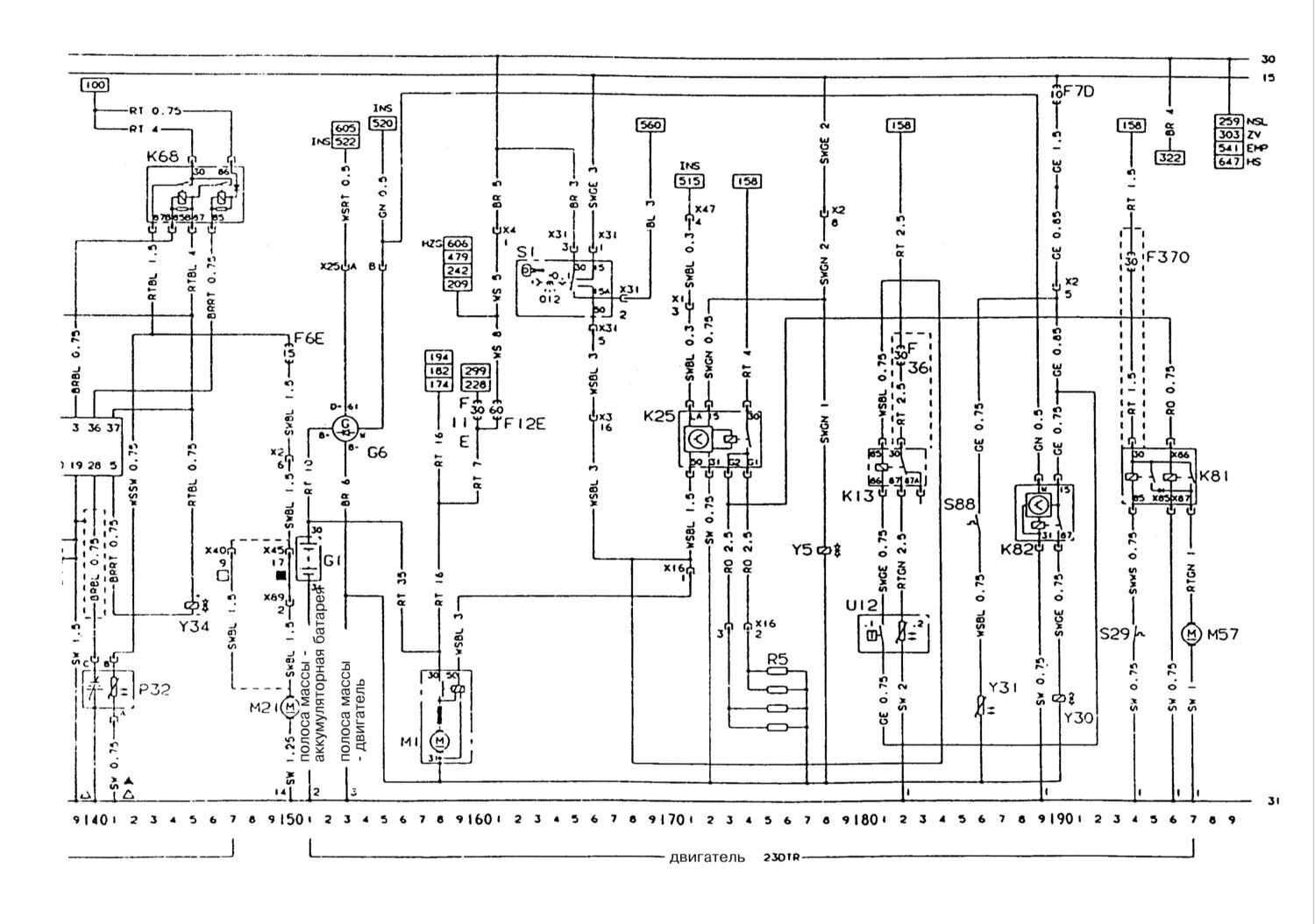
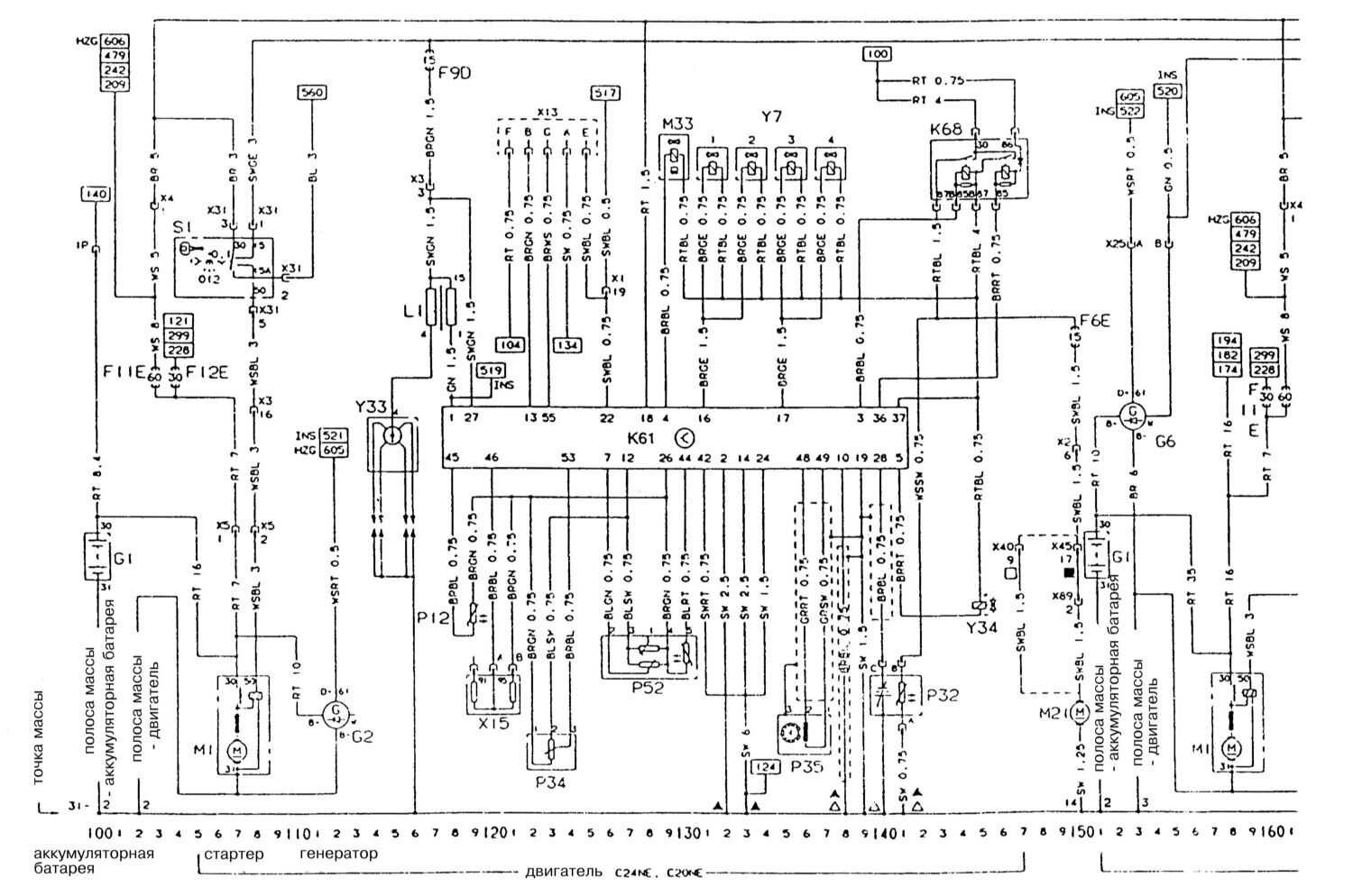
Электросхема двигателя и узла заряда аккумулятора Opel Frontera


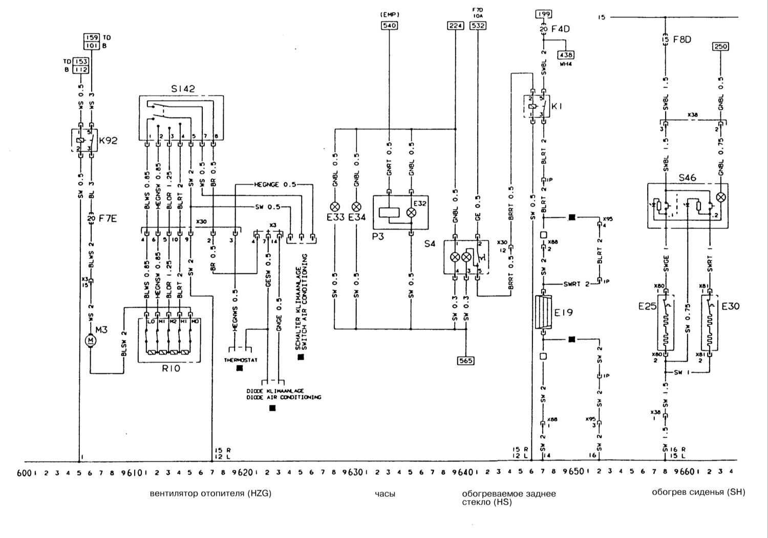
F9D Предохранитель в блоке предохранителей 117
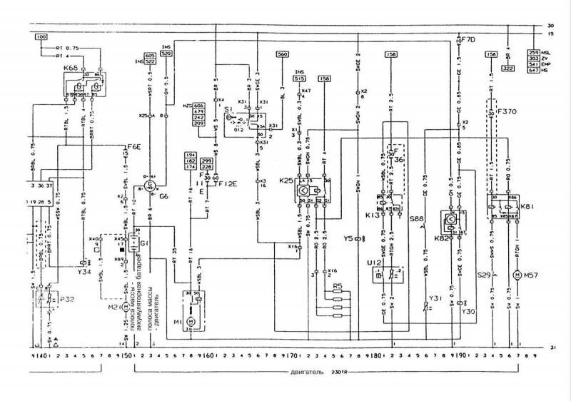
F6E Предохранитель в блоке предохранителей, двигательный отсек 150
F7D Предохранитель в блоке предохранителей, передняя стенка 190
F37 Предохранитель, насос охлаждающей жидкости , дизельный двигатель 194
F36 Предохранитель, обогрев фильтра, дизельный двигатель 181
F11E Плавкий предохранитель в блоке предохранителей, двигательный отсек 103
F12E Плавкий предохранитель в блоке предохранителей, двигательный отсек 104
G1 Аккумуляторная батарея 100
G2 Генератор 112
G6 Генератор (только дизельный двигатель)
K25 Реле подогрева (только дизельный двигатель) 171 - 174
K68 Реле системы впрыска 143 - 147
K61 Блок управления Motronic 116 - 141
K80 Реле подогрева фильтра (только дизельный двигатель) 181 - 183
K81 Реле насоса охлаждающей жидкости (только дизельный двигатель) 194 - 197
K82 Реле числа оборотов двигателя (только дизельный двигатель) 189, 190
L1 Катушка зажигания 117 и 118
M1 Стартер 107 и 108
M1 Стартер (только дизельный двигатель) 158, 159
M21 Топливный насос (только дизельный двигатель) 150
M33 Элемент регулировки холостого хода 129 - 130
P12 Датчик температуры охлаждающей жидкости 119
P32 Датчик кислорода, обогреваемый 140 - 141
P34 Потенциометр дроссельной заслонки 122 - 124
P35 Датчик угловой скорости коленчатого вала 135 - 137
P52 Измеритель количества воздуха 126 - 130
R5 Свечи подогрева (дизельный двигатель) 175, 176
S1 Выключатель, стартер 104 и 109
S29 Температурный выключатель охлаждающей жидкости 194
S88 Температурный выключатель охлаждающей жидкости, 2-ступенчатый 186
U12 Обогрев фильтра (только дизельный двигатель) 181, 182
U12.1 Температурный выключатель (только дизельный двигатель) 181
U12.2 Резистор обогрева (только дизельный двигатель) 182
Y3 Электромагнитный клапан вентиляции топливного бака 145
Y5 Электромагнитный клапан управления подачей топлива (только дизельный двигатель)
Y7 Форсунки впрыска 131 - 138
Y30 Электромагнитный клапан ускорения пуска в холодном состоянии 190
Y31 Серводвигатель регулировки холостого хода (только дизельный двигатель) 186
Y33 Распределитель зажигания 114 - 116
X1 Панель приборов двигательного отсека 20-конт. 126 и 150
X2 Двигательный отсек-кузов 16-конт. (только дизельный двигатель) 166
X3 Двигательный отсек-кузов 16-конт. 108, 117 и 166
X4 Двигательный отсек-кузов 2-конт. 103 и 161
X5 Двигательный отсек-принадлежности двигателя 2-конт. 107, 108
X13 Диагностика 10-конт. 121, 125
X15 Двигательный отсек- октановое число 3-конт. 118 - 121
X25 Двигательный отсек-генератор 2-конт. (только дизельный двигатель) 153, 155
X31 Кузов- выключатель стартера (только дизельный двигатель) 165 - 168
X31 Кузов-выключатель стартера 6-конт. 107 - 110
X40 Кузов-шасси 10-конт. (только дизельный двигатель) 147
X45 Кузов-кузов сзади 20-конт. 150
X89 Кузов сзади-шасси 3-конт. 150
Цветовая маркировка кабелей
BL = синий
HBL = светло-синий
BR = коричневый
GE = желтый
GR = серый
GN = зеленый
RT = красный
WS = белый
SW = черный
LI = лиловый
VI = фиолетовый
Схемы Opel Frontera - продолжение


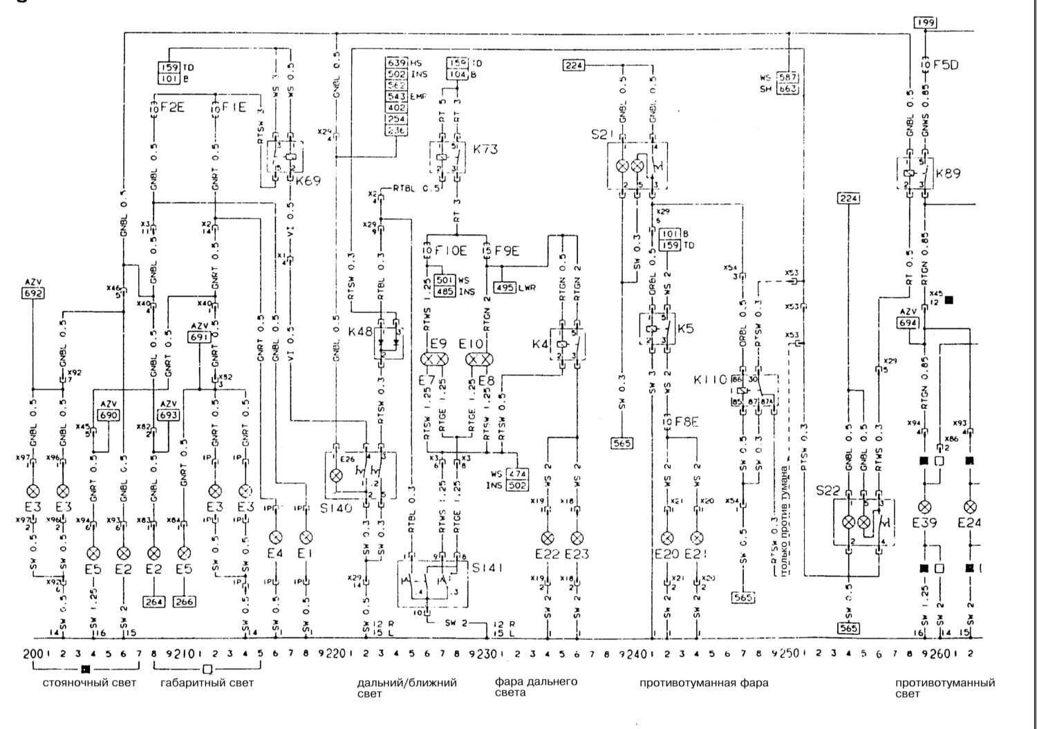
F32 Предохранитель подогрева смеси 232
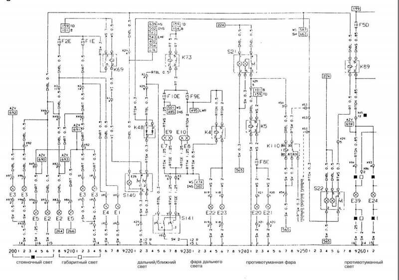
E1 Стояночный свет, левый 218
E2 Габаритный свет, левый 206, 208
E3 Фонарь освещения
номерного знака 200, 202, 212, 214
E4 Стояночный свет, правый 216
E5 Габаритный свет, правый 204, 210
E7 Фара, дальний свет, левый 226
E8 Фара, дальний свет, правый 230
E9 Фара, ближний свет, левый 227
E10 Фара, ближний свет, правый 229
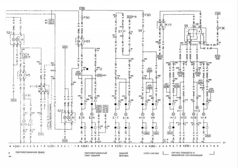
E17 Фонарь заднего хода, левый 269
E18 Фонарь заднего хода, правый 272
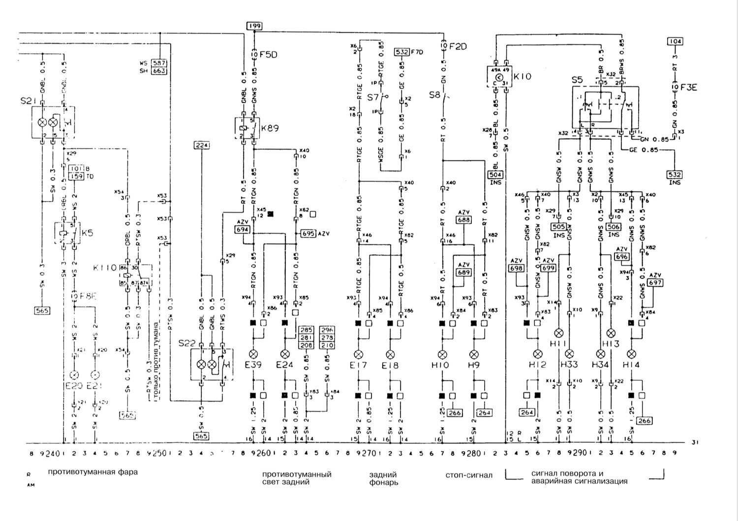
E20 Противотуманный свет, левый 242
E21 Противотуманный свет, правый 244
E22 Фара дальнего света, левая 234
E23 Фара дальнего света, правая 236
E24 Противотуманный свет в заднем фонаре, левый 262
E25 Противотуманный свет в заднем фонаре, правый 259
E26 Выключатель лампы 216
F1E Предохранитель в блоке предохранителей, двигательный отсек 212, 208
F2E Предохранитель в блоке предохранителей, двигательный отсек 212, 208
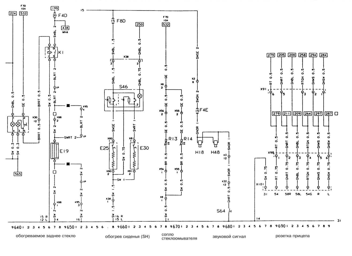
F2D Предохранитель в блоке предохранителей, передняя стенка 277 - 295
F3E Предохранитель в блоке предохранителей, двигательный отсек 277 - 299
F5D Предохранитель в блоке предохранителей, передняя стенка 259
F8E Предохранитель в блоке предохранителей, двигательный отсек 242
F9E Предохранитель в блоке предохранителей, двигательный отсек 230, 226
F10E Предохранитель в блоке предохранителей 230, 226
H9 Стоп-сигнал, левый 280
H10 Стоп-сигнал, правый 277
H11 Сигнал поворота, передний левый 288
H12 Сигнал поворота, задний левый 286
H13 Сигнал поворота, передний правый 293
H14 Сигнал поворота, задний правый 295
H33 Дополнительный сигнал поворота, левый 289
H34 Дополнительный сигнал поворота, правый 292
K4 Реле включения дальнего света 235 - 236
K5 Реле включения противотуманного света 241 - 242
K10 Прерыватель сигнала поворота 282, 283
K48 Блок управления 223, 224
K69 Реле включения, боковые и габаритные огни 216, 217
K73 Реле включения, фара 227, 228
K89 Реле включения противотуманного света 258 - 259
K110 Реле включения противотуманного света / задний противотуманный свет 247 - 249
S5 Блок включения, сигналы поворота
S5.1 Выключатель, сигналы поворота 290 - 291
S5.2 Выключатель, аварийный сигнал 292 - 295
S7 Выключатель, фонари заднего хода 271
S8 Выключатель, стоп-сигнал 277
S21 Выключатель, противотуманный свет 239 - 241
S22 Выключатель, задний противотуманный свет 254 - 256
S140 Блок включения света
S140.1 Выключатель, стояночный свет 222
S140.2 Выключатель, ближний свет 223
S141 Блок выключателей, сигналы поворота
S141.3 Выключатель, ближний свет 227, 228
S141.4 Выключатель, световой сигнал 225 - 226
X1 Панель приборов, двигательный отсек 20-конт. 217
X2 Двигательный отсек-кузов 18-конт. 212, 222, 269, 273, 292
X3 Двигательный отсек-кузов 16-конт. 208, 227, 228, 289, 299
X6 Двигательный отсек-коробка передач 4-конт. 269, 273
X9 Двигательный отсек-дополнительный сигнал поворота, правый 2-конт. 292
X10 Двигательный отсек-дополнительный сигнал поворота, левый 289
X14 Двигательный отсек-сигнал поворота, левый 2-конт. 288
X18 Двигательный отсек-фара, правая 2-конт. 236
X19 Двигательный отсек-фара, левая 2-конт. 234
X20 Двигательный отсек-противотуманный свет, правый 2-конт. 244
X21 Двигательный отсек-противотуманный свет, левый 242
X22 Двигательный отсек- сигнал поворота, правый 2-конт. 293
X29 Кузов- панель приборов 14-конт. 282, 241, 256
X29 Кузов- панели приборов 14-конт. 220, 222, 223
X40 Кузов- шасси 10-конт. 208, 212, 273, 277, 286, 296, 263
X45 Кузов-кузов сзади 20-конт. 204, 295, 259
X46 Кузов-кузов сзади 20-конт. 206, 269, 277, 285
X53 Панель приборов-реле включения противотуманного света 2-конт. 250, 251
X54 Панели приборов-реле включения противотуманного света 3-конт. 247
X82 Шасси - блок-фары 13-конт. 208, 212, 273, 281, 286, 296, 263
X83 Блок-фары - задняя блок-фара 4-конт. 208/210, 281, 286, 264
X84 Блок-фары - задняя блок-фара 4-конт. 208/210, 278, 296, 266
X85 Блок-фары-габаритный свет, левая 6-конт. 270, 263
X86 Блок-фары-габаритный свет, левая 6-конт. 273, 260
X92 Кузов-дверь задка 6-конт. 202
X93 Кузов задний - задняя блок-фара, кузов 6-конт. 206/204, 269, 280, 285, 262
X94 Кузов задний - задняя блок-фара, кузов 6-конт. 206/204, 272, 277, 295
X96 Дверь задка-фонари номерного знака левый/ правый 2-конт. 202/200
X97 Как X96
Применяемые сокращения
AB подушка безопасности
ABS антиблокировочная система
AC кондиционер
AZV сцепное устройство прицепа
AT автоматическая трансмиссия
BR бортовой компьютер
CC самодиагностика (чек-контроль)
CRC темпостат (система стабилизации скорости, иначе круиз-контроль)
D дизельный двигатель
DID информационный дисплей
DS защита от угона
DWA система противоугонной сигнализации
DZM тахометр
EFC сдвижная крыша с электроприводом
EKR топливный электронасос
EKS защита от защемления (привод окна)
EMP радиоприемник
EUR двигатель, соответствующий Евронормам
EZ+ EZ+ с самодиагностикой
EZV система Ecotronic
FH стеклоподъемник
HS заднее стекло
HW задний стеклоочиститель
HZG отопление
HRL освещение задней части салона
INS прибор
IRL внутреннее освещение
KAT каталитический нейтрализатор
KBS жгут кабелей
KV распределитель контактов
LCD жидкокристаллический дисплей
LHD автомобиль с левым управлением
LWR регулировка дальности света фар
M1.5 система управления двигателем Bosch-Motronic M 1.5
M1.5.4 система управления двигателем Motronic M 1.5.4
MID информационный дисплей
MOT система Motronic
MT ручная коробка передач
MUL многопозиционная система впрыска
NS передний противотуманный свет
NSL задний противотуманный свет
OEL система сигнализации об уровне/давлении масла
OPT оборудование по заказу
PBSL включение стояночной и тормозной защиты
P/N нейтральное положение селектора (автоматическая трансмиссия)
POT потенциометр
RC система нивелировки, подвеска колес
RFS огни заднего хода
RHD автомобиль с правым рулевым управлением
SD сдвижная крыша
SH отопление сиденья
SRA омыватель ветрового стекла
TANK датчик уровня топлива в баке
TC антипробуксовочная система
TD турбодизель
TFL дневной свет при передвижении
TEMP дистанционный термометр
TKS выключатель дверного контакта
TSZI индуктивная система зажигания на транзисторах
VGS карбюратор
WEG частотный датчик пути
WHR регулировка высоты автомобиля
WS сигнал тревоги
ZV центральный замок
ZYL цилиндр
4WD полный привод
Схемы электрооборудования Opel Frontera - продолжение


F32 Предохранитель подогрева смеси 232
E1 Стояночный свет, левый 218
E2 Габаритный свет, левый 206, 208
E3 Фонарь освещения
номерного знака 200, 202, 212, 214
E4 Стояночный свет, правый 216
E5 Габаритный свет, правый 204, 210
E7 Фара, дальний свет, левый 226
E8 Фара, дальний свет, правый 230
E9 Фара, ближний свет, левый 227
E10 Фара, ближний свет, правый 229
E17 Фонарь заднего хода, левый 269
E18 Фонарь заднего хода, правый 272
E20 Противотуманный свет, левый 242
E21 Противотуманный свет, правый 244
E22 Фара дальнего света, левая 234
E23 Фара дальнего света, правая 236
E24 Противотуманный свет в заднем фонаре, левый 262
E25 Противотуманный свет в заднем фонаре, правый 259
E26 Выключатель лампы 216
F1E Предохранитель в блоке предохранителей, двигательный отсек 212, 208
F2E Предохранитель в блоке предохранителей, двигательный отсек 212, 208
F2D Предохранитель в блоке предохранителей, передняя стенка 277 - 295
F3E Предохранитель в блоке предохранителей, двигательный отсек 277 - 299
F5D Предохранитель в блоке предохранителей, передняя стенка 259
F8E Предохранитель в блоке предохранителей, двигательный отсек 242
F9E Предохранитель в блоке предохранителей, двигательный отсек 230, 226
F10E Предохранитель в блоке предохранителей 230, 226
H9 Стоп-сигнал, левый 280
H10 Стоп-сигнал, правый 277
H11 Сигнал поворота, передний левый 288
H12 Сигнал поворота, задний левый 286
H13 Сигнал поворота, передний правый 293
H14 Сигнал поворота, задний правый 295
H33 Дополнительный сигнал поворота, левый 289
H34 Дополнительный сигнал поворота, правый 292
K4 Реле включения дальнего света 235 - 236
K5 Реле включения противотуманного света 241 - 242
K10 Прерыватель сигнала поворота 282, 283
K48 Блок управления 223, 224
K69 Реле включения, боковые и габаритные огни 216, 217
K73 Реле включения, фара 227, 228
K89 Реле включения противотуманного света 258 - 259
K110 Реле включения противотуманного света / задний противотуманный свет 247 - 249
S5 Блок включения, сигналы поворота
S5.1 Выключатель, сигналы поворота 290 - 291
S5.2 Выключатель, аварийный сигнал 292 - 295
S7 Выключатель, фонари заднего хода 271
S8 Выключатель, стоп-сигнал 277
S21 Выключатель, противотуманный свет 239 - 241
S22 Выключатель, задний противотуманный свет 254 - 256
S140 Блок включения света
S140.1 Выключатель, стояночный свет 222
S140.2 Выключатель, ближний свет 223
S141 Блок выключателей, сигналы поворота
S141.3 Выключатель, ближний свет 227, 228
S141.4 Выключатель, световой сигнал 225 - 226
X1 Панель приборов, двигательный отсек 20-конт. 217
X2 Двигательный отсек-кузов 18-конт. 212, 222, 269, 273, 292
X3 Двигательный отсек-кузов 16-конт. 208, 227, 228, 289, 299
X6 Двигательный отсек-коробка передач 4-конт. 269, 273
X9 Двигательный отсек-дополнительный сигнал поворота, правый 2-конт. 292
X10 Двигательный отсек-дополнительный сигнал поворота, левый 289
X14 Двигательный отсек-сигнал поворота, левый 2-конт. 288
X18 Двигательный отсек-фара, правая 2-конт. 236
X19 Двигательный отсек-фара, левая 2-конт. 234
X20 Двигательный отсек-противотуманный свет, правый 2-конт. 244
X21 Двигательный отсек-противотуманный свет, левый 242
X22 Двигательный отсек- сигнал поворота, правый 2-конт. 293
X29 Кузов- панель приборов 14-конт. 282, 241, 256
X29 Кузов- панели приборов 14-конт. 220, 222, 223
X40 Кузов- шасси 10-конт. 208, 212, 273, 277, 286, 296, 263
X45 Кузов-кузов сзади 20-конт. 204, 295, 259
X46 Кузов-кузов сзади 20-конт. 206, 269, 277, 285
X53 Панель приборов-реле включения противотуманного света 2-конт. 250, 251
X54 Панели приборов-реле включения противотуманного света 3-конт. 247
X82 Шасси - блок-фары 13-конт. 208, 212, 273, 281, 286, 296, 263
X83 Блок-фары - задняя блок-фара 4-конт. 208/210, 281, 286, 264
X84 Блок-фары - задняя блок-фара 4-конт. 208/210, 278, 296, 266
X85 Блок-фары-габаритный свет, левая 6-конт. 270, 263
X86 Блок-фары-габаритный свет, левая 6-конт. 273, 260
X92 Кузов-дверь задка 6-конт. 202
X93 Кузов задний - задняя блок-фара, кузов 6-конт. 206/204, 269, 280, 285, 262
X94 Кузов задний - задняя блок-фара, кузов 6-конт. 206/204, 272, 277, 295
X96 Дверь задка-фонари номерного знака левый/ правый 2-конт. 202/200
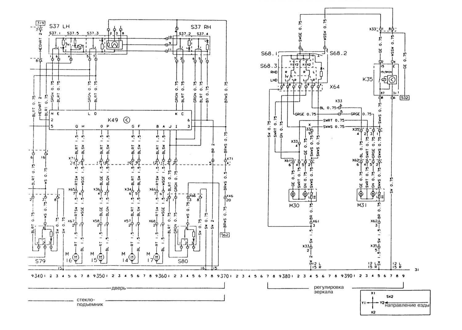
Схемы атомобиля Opel Frontera - продолжение


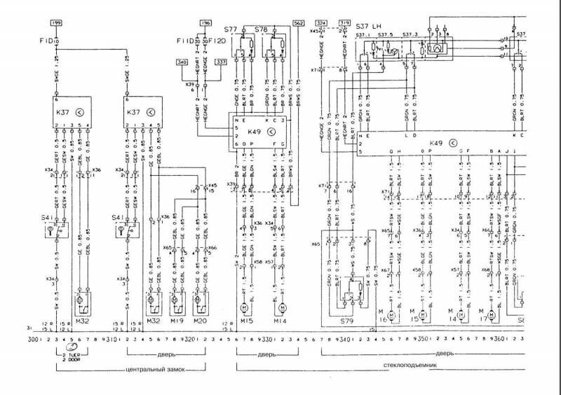
F1D Предохранитель в блоке предохранителей, передняя стенка 303
F11D Предохранитель в блоке предохранителей, передняя стенка 321
F12D Предохранитель в блоке предохранителей, передняя стенка 322
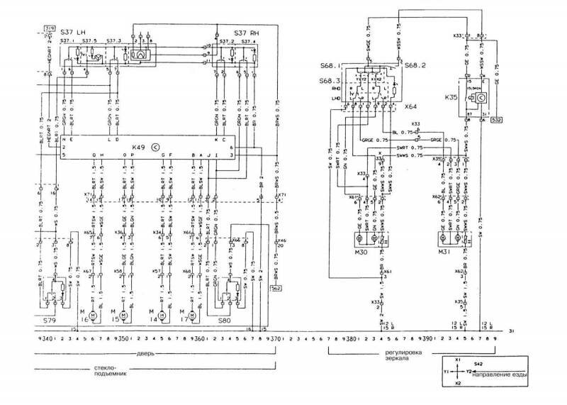
K35 Реле времени обогреваемого зеркала наружного вида 395, 397
K37 Блок управления, центральный замок 333 - 337, 312 - 316
K49 Блок управления, стеклоподъемник 326 - 332, 342 - 364
M14 Двигатель, стеклоподъемник, дверь водителя 355
M15 Двигатель, стеклоподъемник, сторона переднего пассажира 327 и 350
M16 Двигатель, стеклоподъемник задний левый 346
M17 Двигатель, стеклоподъемник задний правый 359
M19 Двигатель, центральный замок, дверь задняя левая 318, 319
M20 Двигатель, центральный замок, дверь задняя правая 321, 322
M30 Зеркало наружного вида, сторона водителя 381 - 383
M31 Зеркало наружного вида, сторона переднего пассажира 392 - 394
M32 Двигатель, центральный замок, сторона переднего пассажира 306, 307
S37 Блок включения, стеклоподъемник
S37.1 Выключатель стеклоподъемника, левый 342, 343
S37.2 Выключатель стеклоподъемника, правый 362, 363
S37.3 Выключатель стеклоподъемника, задний левый 348, 349
S37.4 Выключатель стеклоподъемника, задний правый
S37.5 Выключатель предохранителя 345
S41 Выключатель центрального замка, дверь водителя 302 - 304
S68 Выключатель зеркала наружного вида 379 - 386
S68.1 Выключатель регулировки зеркала наружного вида 379 - 384
S68.2 Выключатель обогрева зеркала наружного вида 385 - 386
S68.3 Переключатель зеркала наружного вида, левое/правое 379 - 384
S77 Выключатель стеклоподъемника, переднего левого 326 - 328
S78 Выключатель стеклоподъемника, переднего правого 330 - 332
S79 Выключатель стеклоподъемника, задняя левая дверь 340 - 342
S80 Выключатель стеклоподъемника, задняя правая дверь
X33 Кузов-дверь водителя 8-конт. 382, 384, 395, 397
X34 Кузов-дверь водителя 6-конт. 303, 304, 312, 313, 331, 332, 355, 356
X35 Кузов-дверь переднего пассажира 6-конт. 392 - 395
X36 Кузов-дверь водителя 4-конт. 306, 307, 315, 316, 327, 328, 350, 351
X39 Кузов-консоль 8-конт. 321, 322, 326-328, 331-333
X45 Кузов-кузов задний 2-конт. 321, 322, 337, 340
X46 Кузов-кузов задний 20-конт. 370
X57 Дверь-двигатель, стеклоподъемник, сторона водителя 2-конт. 355, 356
X58 Двигатель-дверь переднего пассажира, стеклоподъемник 2-конт. 327.328.350, 351
X61 Дверь водителя-зеркало наружного вида, сторона водителя 381 - 384
X62 Дверь переднего пассажира-зеркало наружного вида, сторона переднего пассажира 392 - 395
X64 Дверь водителя-выключатель зеркала наружного вида 9-конт. 379 - 385
X65 Кузов задний-дверь задняя левая 8-конт. 318, 319, 338, 339, 341, 343, 346, 347
X66 Кузов задний-дверь задняя правая 8-конт. 321, 322, 359 - 362, 364, 366
X67 Задняя левая дверь- электродвигатель стеклоподъемника 2-конт. 346, 347
X68 Задняя правая дверь- электродвигатель стеклоподъемника 359, 360
X71 Кузов задний-консоль 18-конт. 350, 351, 370.
РЕМОНТ АВТОЭЛЕКТРОНИКИ ЗАРЯДНЫЕ УСТРОЙСТВА ДЛЯ АКБ

|