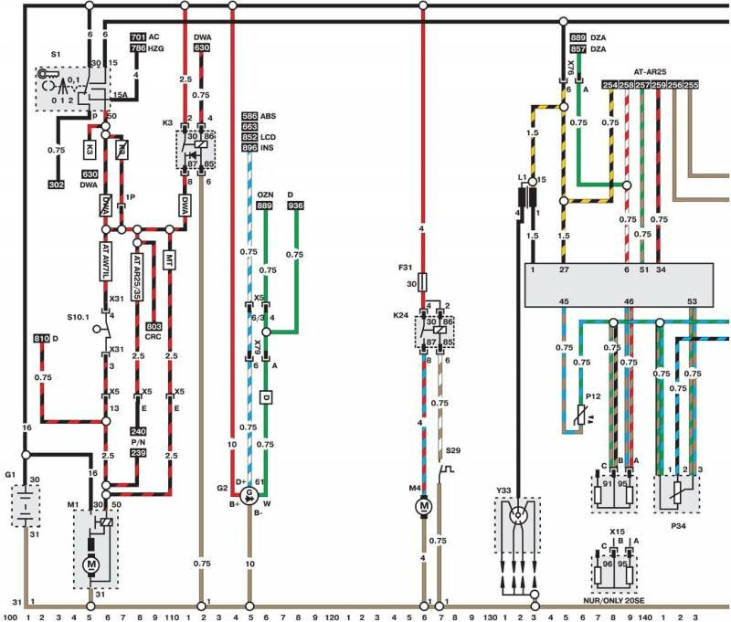
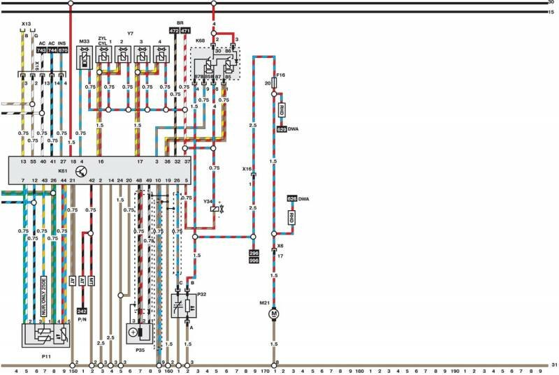
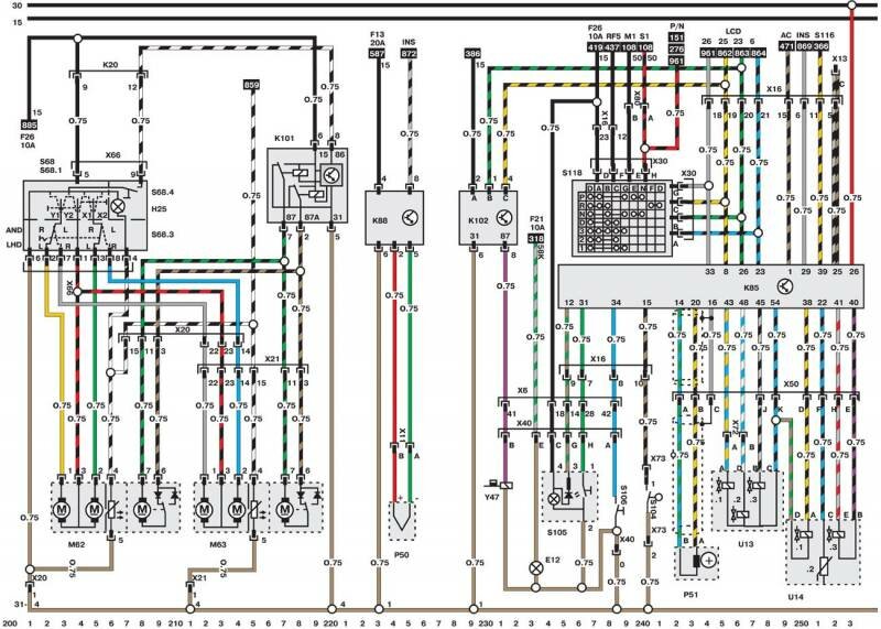
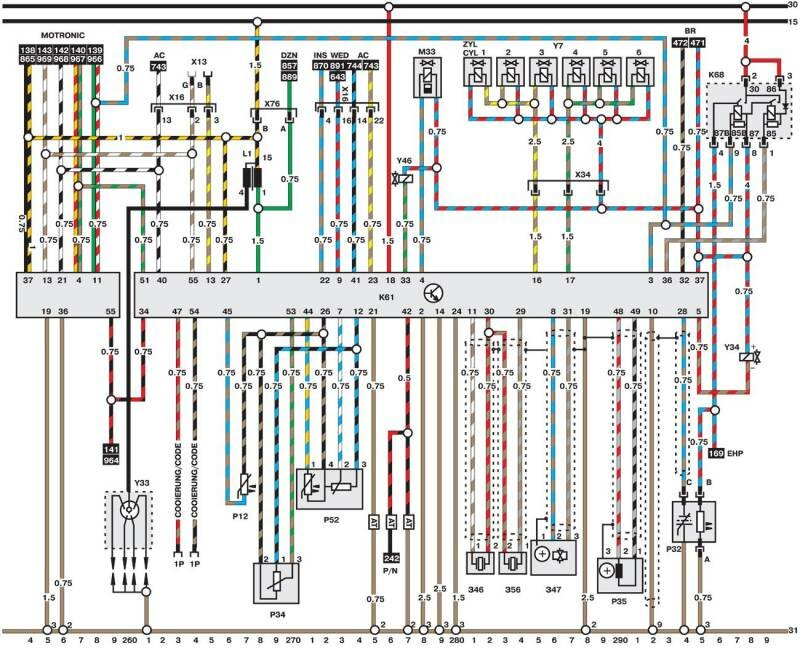
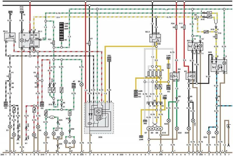
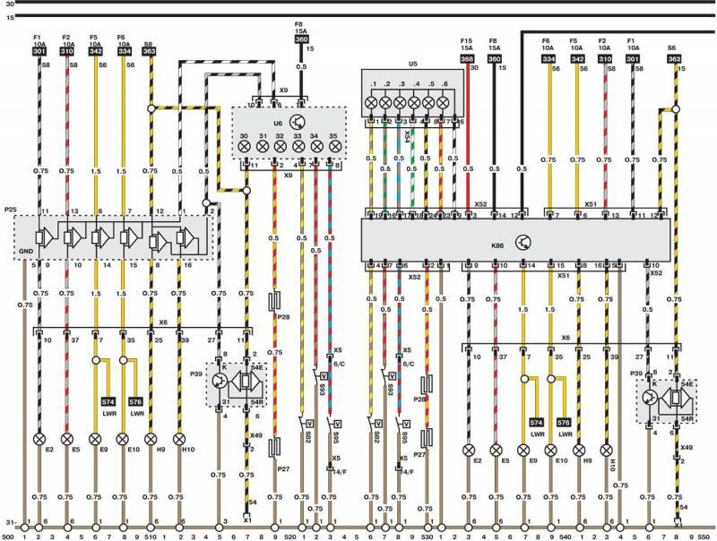
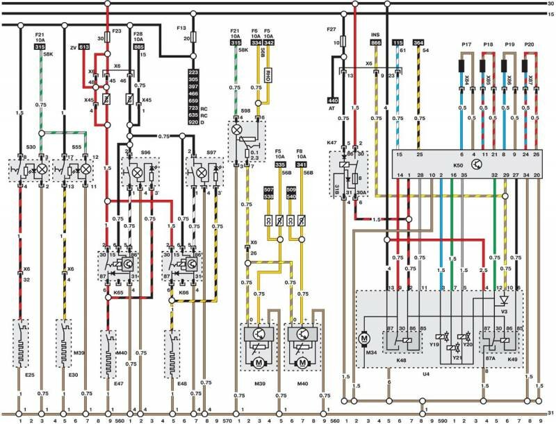
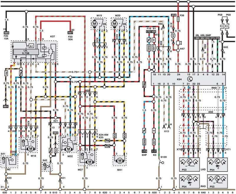
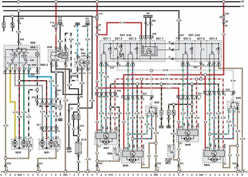
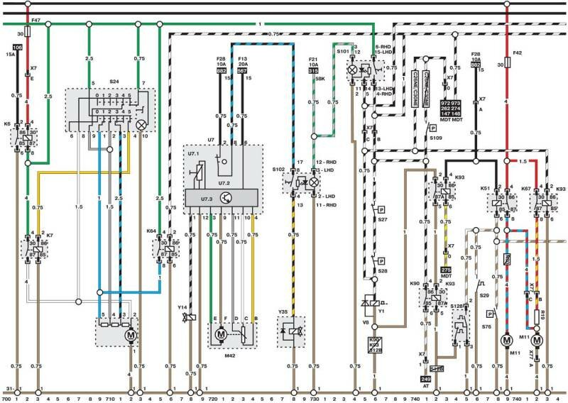
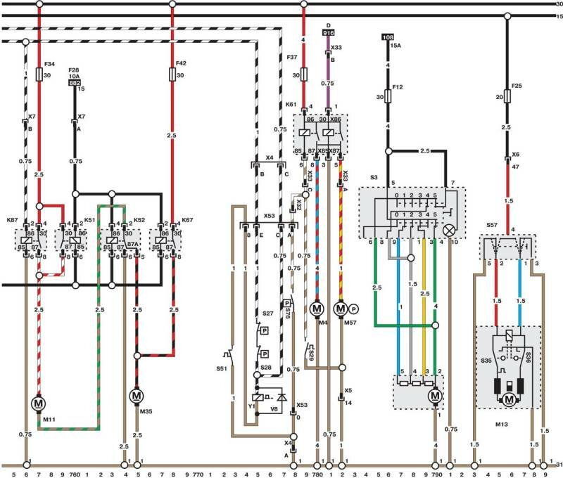
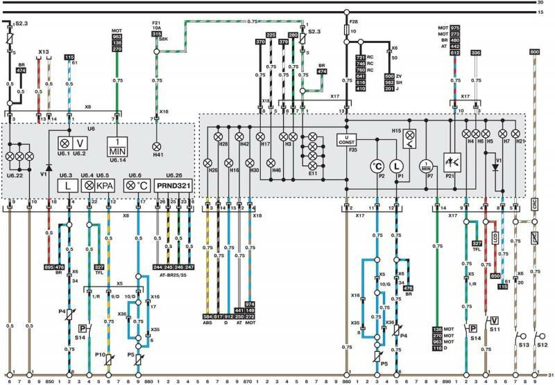
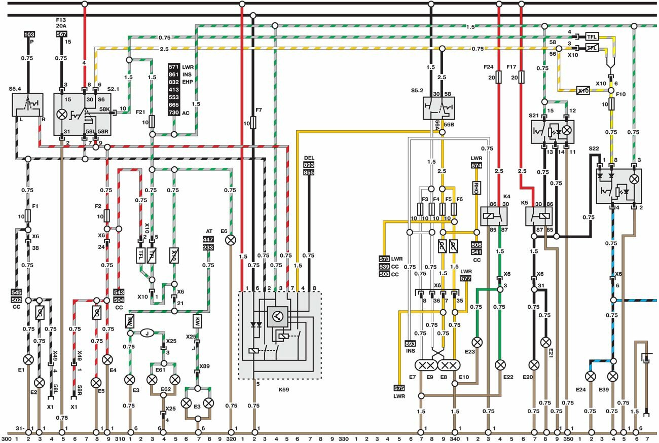
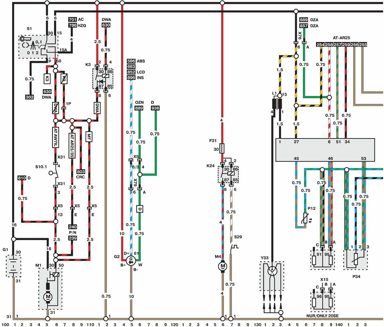
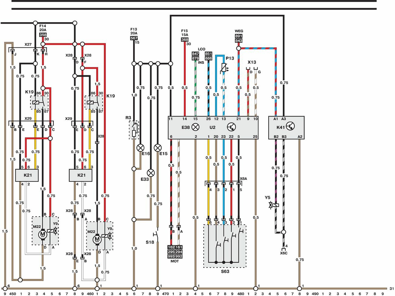
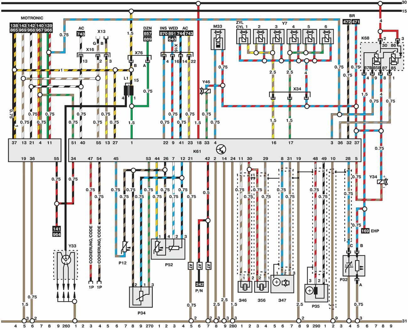
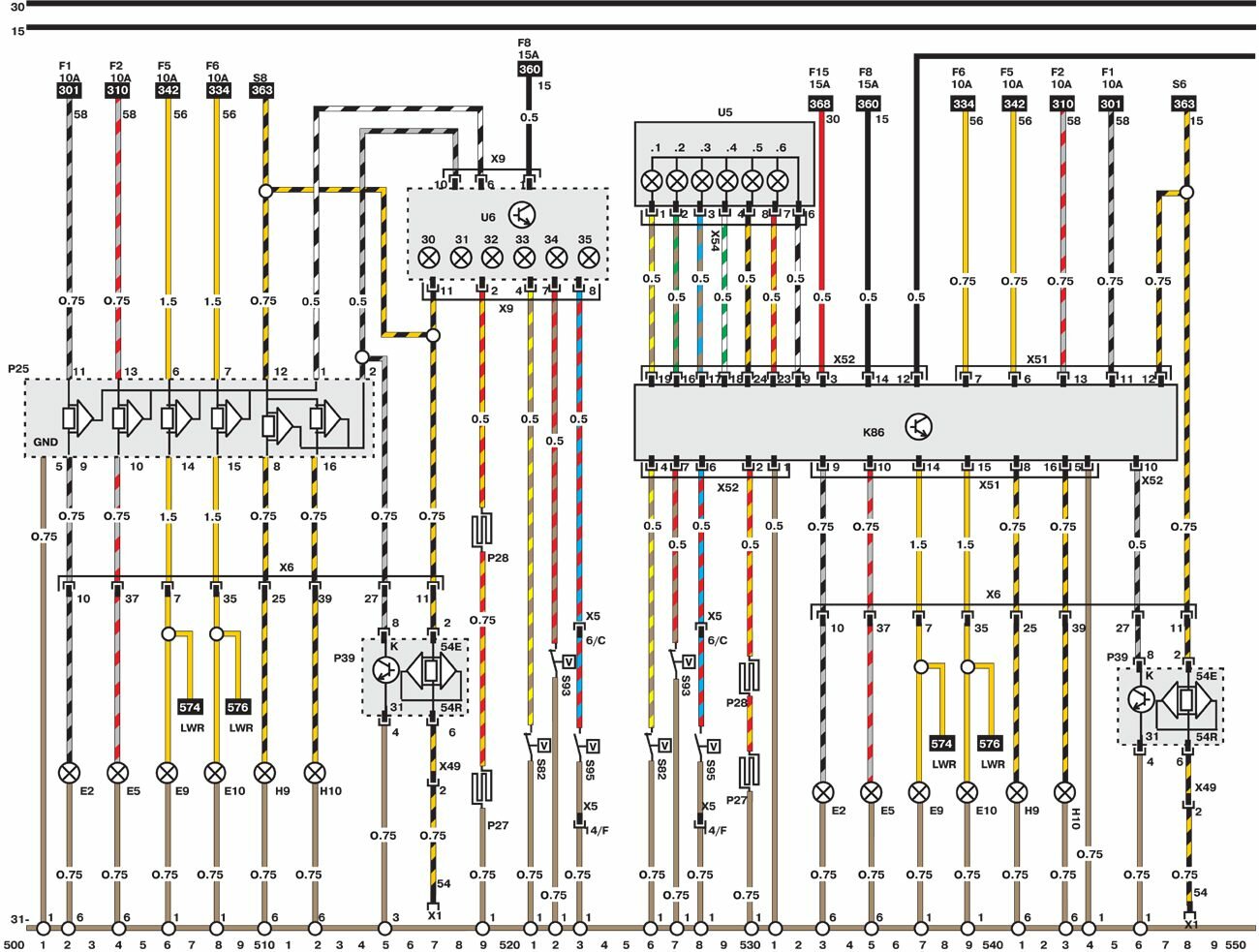
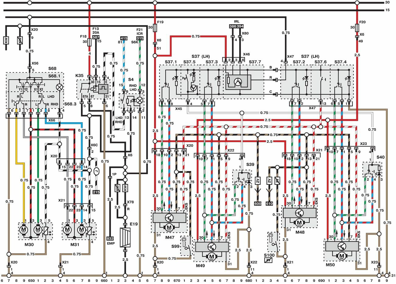
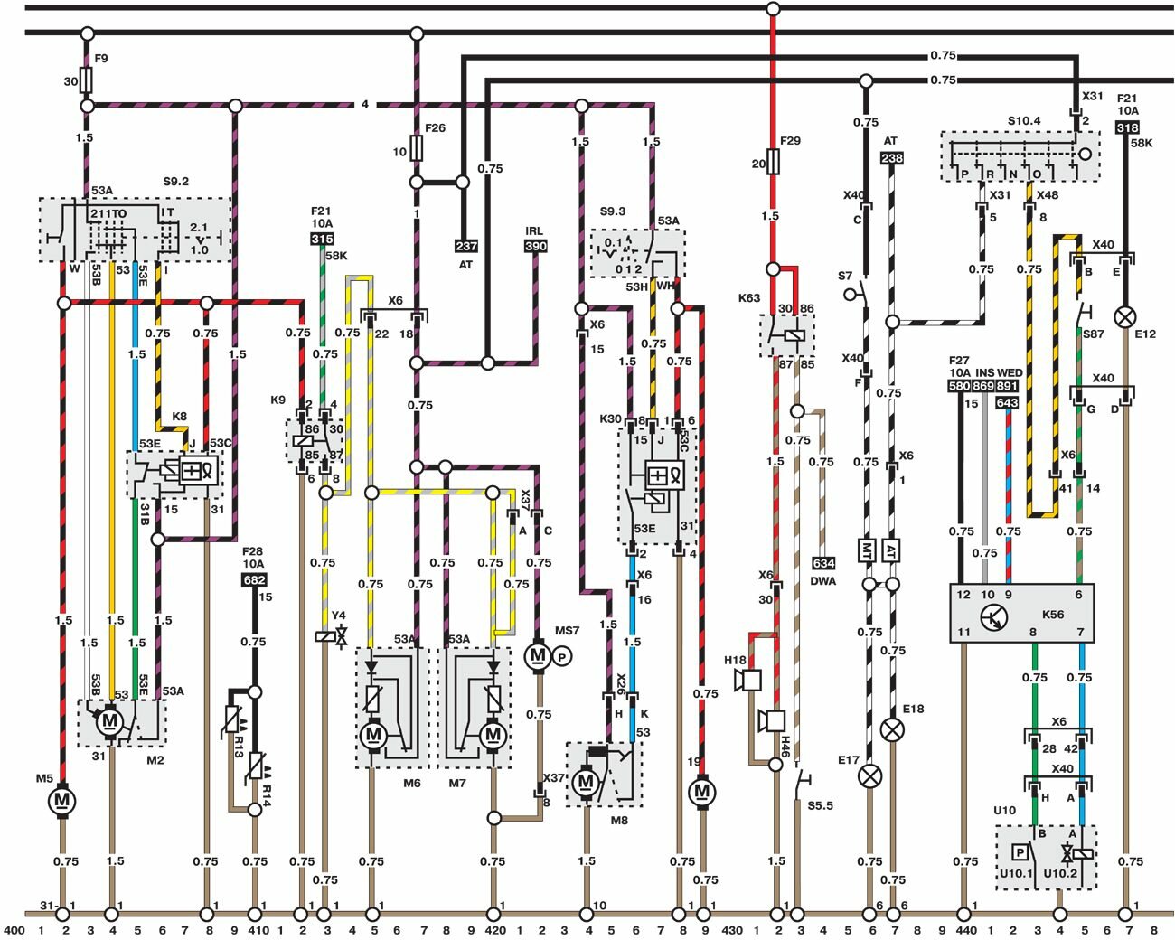
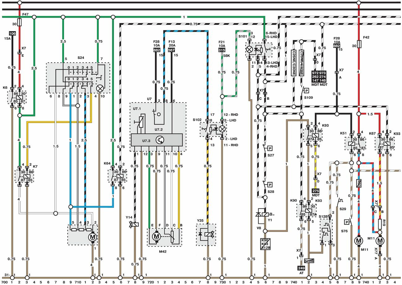
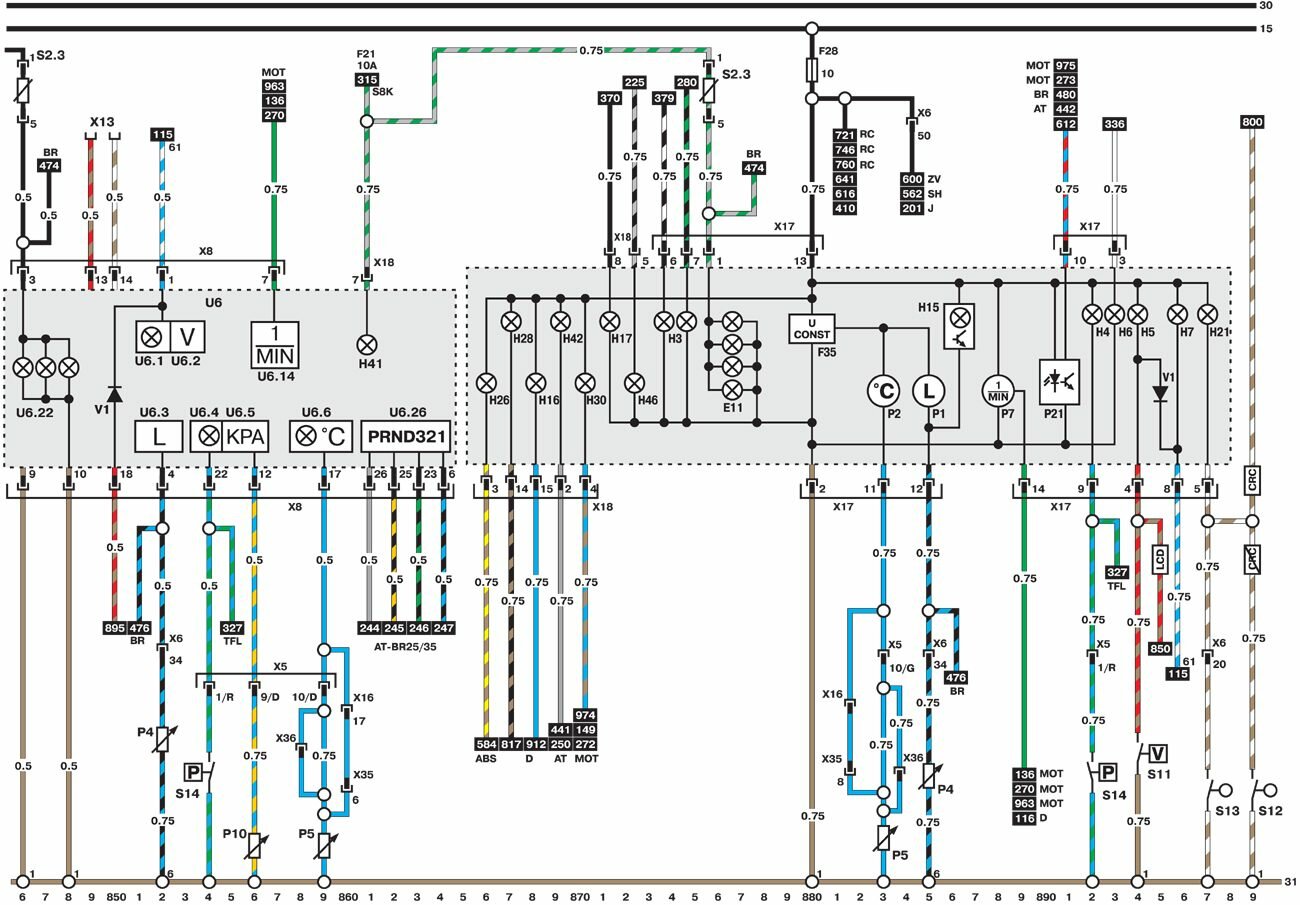
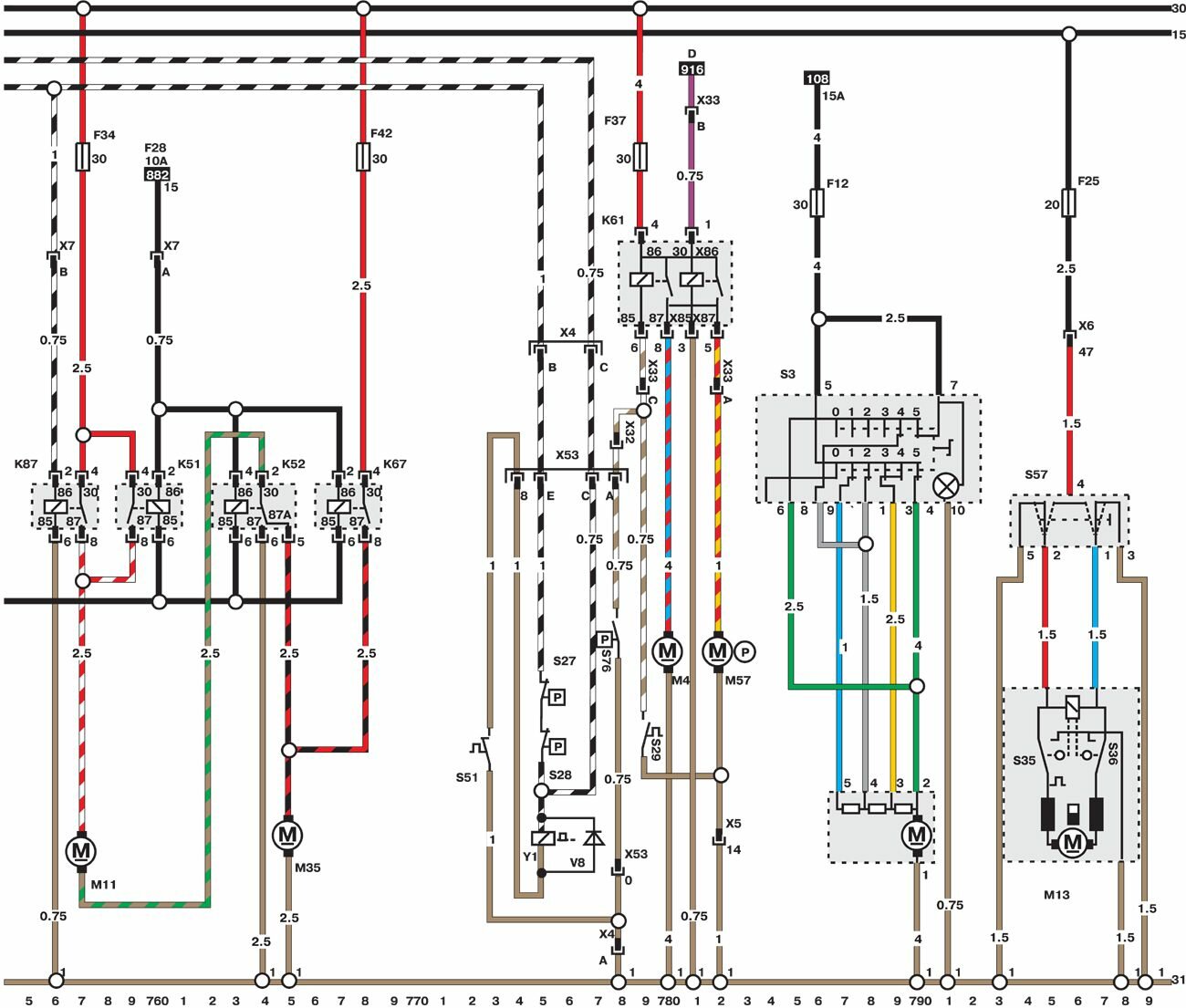
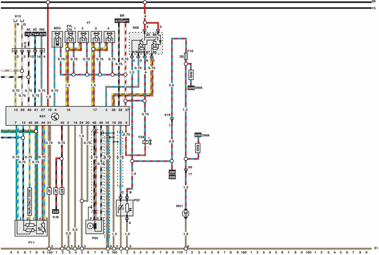
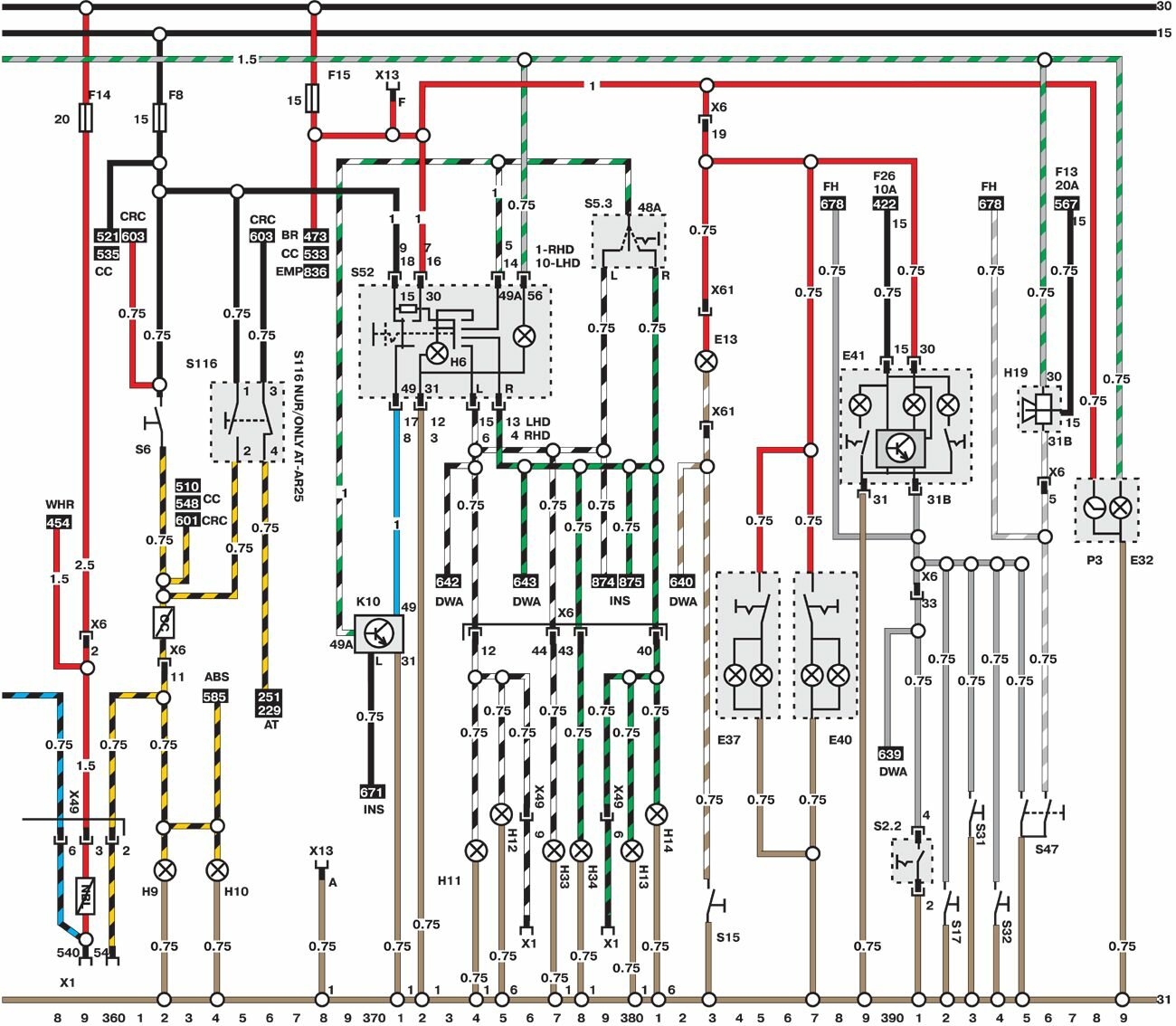
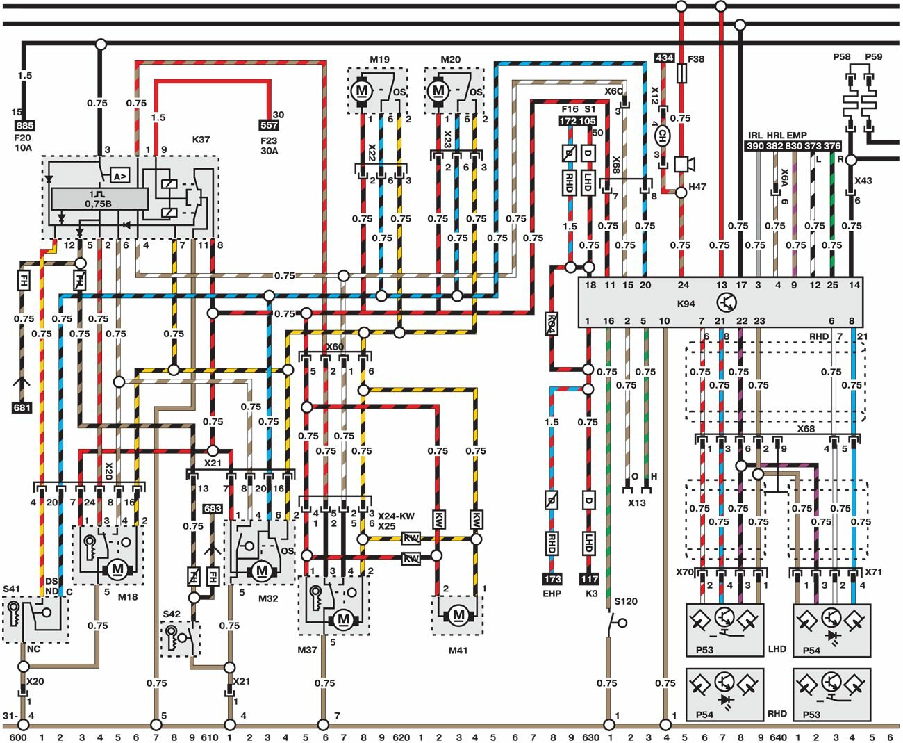
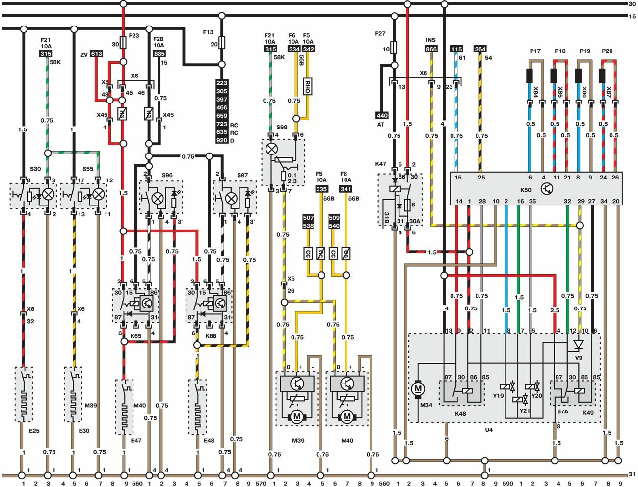
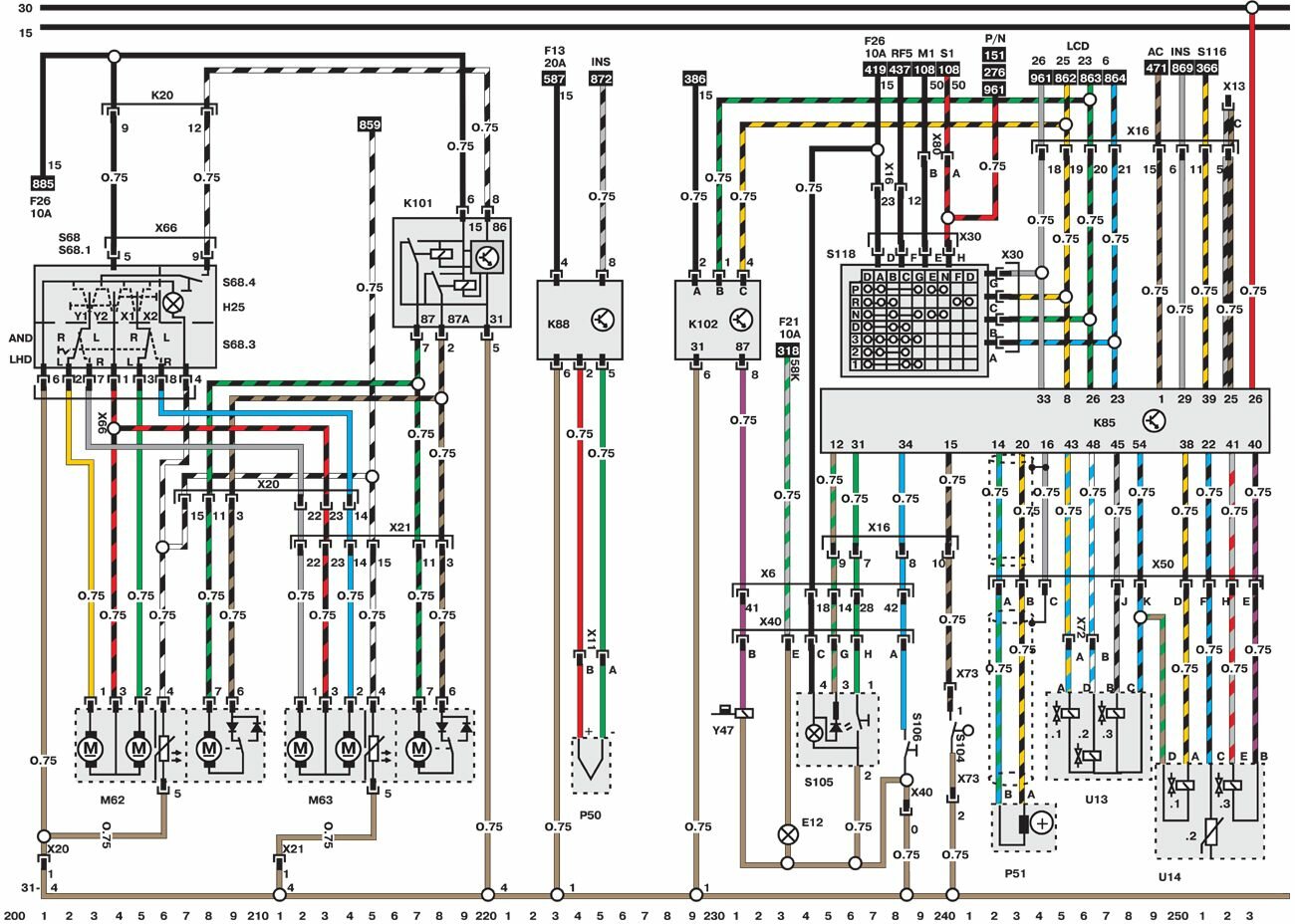
Электросхемы автомобиля Opel Omega (1993-1999). Все схемы в отличном качестве и с подробным описанием компонентов. Чтоб бесплатно скачать необходимую часть схемы - кликните на картинку и сохраните на компьютере. Представленны модули для модели Opel Omega B. Нижняя линия схемы обозначает массу или отрицательное соединение; цифры под этой линией являются номерами дорожек, что позволяет отыскать цепи и элементы при помощи ключа. Линия сверху схемы обозначает положительное соединение. Линия, помеченная номером 30, всегда под напряжением. Линия, помеченная номером 15, находится под напряжением только при включении зажигания.
Электросхемы автомобиля Opel Omega
















Ключи к электросхемам Opel Omega:
Е1 Левый подфарник
Е2 Левый габаритный огонь
Е3 Лампочка освещения номерного знака
Е4 Правый подфарник
Е5 Правый габаритный огонь
Е7 Лампочка дальнего света левой фары
Е8 Лампочка дальнего света правой фары
Е9 Лампочка ближнего света левой фары
Е10 Лампочка ближнего света правой фары
Е11 Лампочки освещения приборного щитка
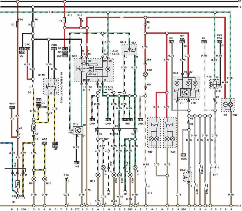
Е13 Лампочка освещения багажника
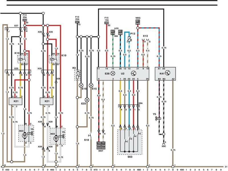
Е15 Лампочка освещения бардачка
Е16 Лампочка освещения зажигалки
Е17 Левый фонарь заднего хода
Е18 Правый фонарь заднего хода
Е19 Обогреватель заднего стекла
Е20 Левая передняя противотуманная фара
Е21 Правая передняя противотуманная фара
Е24 Левая задняя противотуманнная фара
Е25 Обогреватель сидения водителя
Е27 Задняя левая лампочка освещения салона
Е28 Задняя правая лампочка освещения салона
Е30 Обогреватель сидения пассажира
Е33 Лампочка освещения пепельницы
Е37 Левый козырек
Е39 Правая задняя противотуманная фара
Е40 Правый козырек
Е41 Лампочка освещения салона
Е42.1 Блок управления дополнительной печкой
Е42.2 Вентилятор дополнительной печки
Е42.3 Свеча накала
Е42.4 Датчик температуры
Е47 Обогреватель левого заднего сидения
Е48 Обогреватель правого заднего сидения
Е50 Лампочка освещения порожка левой передней двери
Е51 Лампочка освещения порожка правой передней двери
Е52 Лампочка освещения порожка левой задней двери
Е53 Лампочка освещения порожка правой задней двери
Е54 Лампочка освещения задней зажигалки
Е55 Лампочка освещения выключателя обогревателей разбрызгивателей
Е57 Сигнальная лампочка левого обогревателя
Е58 Сигнальная лампочка правого обогревателя
Е59 Сигнальная лампочка заднего обогревателя
F1 и далее Предохранители
G1 Аккумулятор
G2 Генератор
Н1 Радиоприемник/ проигрыватель
Н2 Звуковой сигнал
Н3 Сигнальная лампочка указателей поворотов
Н4 Сигнальная лампочка давления масла
Н5 Сигнальная лампочка низкого уровня тормозной жидкости
Н7 Сигнальная лампочка система зарядки аккумулятора
Н8 Сигнальная лампочка включения дальнего света фар
Н9 Левый огонь стоп-сигнала
Н10 Правый огонь стоп-сигнала
Н11 Левый передний указатель поворотов
Н12 Задний левый уплотнительное кольцо
Н13 Передний правый указатель поворотов
Н14 Задний правый указатель поворотов
Н15 Сигнальная лампочка низкого уровня топлива
Н16 Сигнальная лампочка свечей накала
Н17 Сигнальная лампочка указателей поворотов прицепа
Н18 Рожок Opel Omega
Н22 Сигнальная лампочка включения задних противотуманных фар
Н23 Сигнальная лампочка воздушной подушки безопасности
Н24 Рожок охранной сигнализации
Н26 Сигнальная лампочка АБС
Н30 Сигнальная лампочка двигателя
Н33 Левый боковой указатель поворотов
Н34 Правый боковой указатель поворотов
Н36 Верхний фонарь стоп-сигнала
Н37 Динамик на левой передней двери
Н38 Динамик на правой передней двери
Н39 Динамик на левой задней двери
Н40 Динамик на правой задней двери
Н42 Сигнальная лампочка автоматической коробки передач
Н46 Сигнальная лампочка перегрева каталитического конвертера
Н47 Рожок противоугонной сигнализации
Н48 Рожок
Н50 Сигнальная лампочка ремней безопасности
Н51 Сигнальная лампочка противобуксовочной системы
Н52 Высокочастотный динамик на левой передней двери
Н53 Высокочастотный динамик на правой передней двери
Н54 Телефон
Н56 Микрофон
Н57 Высокочастотный динамик на левой задней двери
Н58 Высокочастотный динамик на правой задней двери
Н61 Сабвуфер на левой задней двери
Н62 Сабвуфер на правой задней двери
Н65 Сигнальная лампочка противотуманных фонарей
Н72 Сигнальная лампочка температуры охлаждающей жидкости
К7 Реле вентилятора кондиционера
К8 Реле стеклоочистителя
К10 Реле указателей поворотов
К12 Реле системы дополнительной подачи воздуха
К13 Реле автоматической коробки передач
К14 Реле системы круиз-контроля
К16 Реле насоса
К17 Реле защиты полярности
К19 Реле системы контроля высоты автомобиля
К21 Датчик системы контроля высоты автомобиля
К22 Реле водяного насоса кондиционера
К25 Реле свечей накала
К26 Реле вентилятора
К28 Реле вентилятора
К30 Реле стеклоочистителя заднего стекла
К31 Электронный блок управления воздушной подушки безопасности
К34 Реле вентилятора охлаждения радиатора
К35 Реле обогревателей
К37 Электронный блок управления центрального замка
К41 Электронный блок управления системы гидроусилителя рулевого управления
К43 Реле инжекторов
К44 Реле топливного насоса
К46 Реле индикаторов
К48 Реле вентилятора
К49 Реле вентилятора
К50 Электронный блок управления АБС
К51 Реле вентилятора охлаждения
К52 Реле вентилятора
К53 Реле вентилятора
К59 Реле подфарников
К60 Реле компрессора
К61 Электронный блок управления двигателя
К63 Реле звукового сигнала
К64 Реле вентилятора кондиционера
К65 Реле обогревателя левого переднего сидения
К66 Реле обогревателя правого переднего сидения
К67 Реле вентилятор охлаждения
К69 Электронный блок управления системы Simtec 56
К70 Электронный блок управления – Турбодизель
К73 Реле дальнего света фар
К74 Реле вентилятора Opel Omega
К76 Реле таймера свечей накала
К80 Реле обогревателя топливного фильтра
К85 Электронный блок управления автоматической коробки передач
К87 Реле дополнительного вентилятора охлаждения
К88 Датчик температуры каталитического конвертера
К94 Электронный блок управления противоугонной сигнализации
К95 Электронный блок управления АБС
К96 Реле вентилятора
К97 Реле насоса омывателей
К101 Реле зеркал заднего вида
К103 Модуль памяти регуляторов сидений и зеркал
К114 Реле двигателя
К118 Электронный блок управления иммобилайзера
К127 Реле
К128 Электронный блок управления впрыскивающего насоса
К137 Блок управления регуляторов фар
К138 Выключатель левой ксеноновой фары
К139 Выключатель правой ксеноновой фары
К145 Реле системы рециркуляции воздуха
К146 Реле задержки включения вентилятора
L2 Катушка зажигания
М1 Стартер
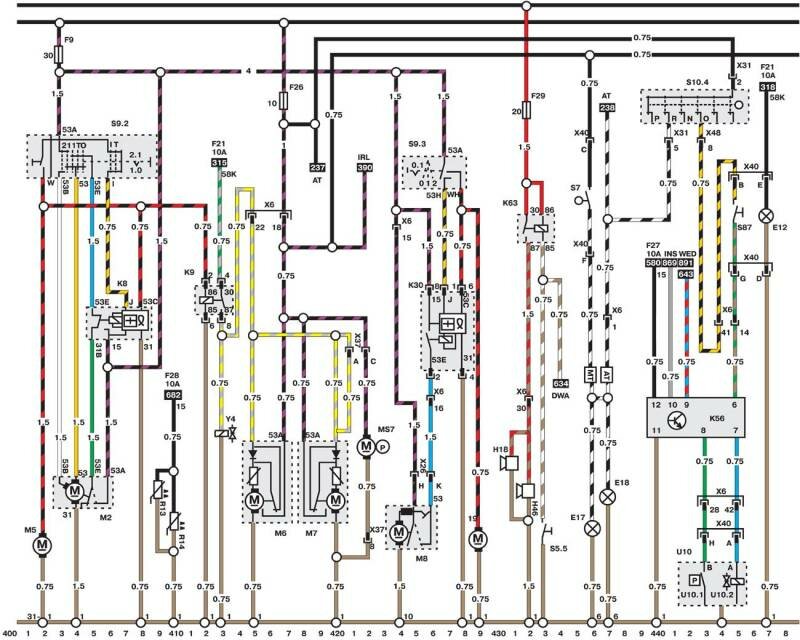
М2 Двигатель стеклоочистителей лобового стекла
М3 Вентилятор печки
М4 Вентилятор
М8 Двигатель стеклоочистителя заднего стекла
М10 Вентилятор кондиционера
М11 Вентилятор охлаждения
М12 Вентилятор охлаждения
М18 Привод центрального замка на двери водителя
М19 Привод центрального замка на левой задней двери
М20 Привод центрального замка на правой задней двери
М21 Топливный насос
М22 Компрессор
М24 Насос омывателей фар
М27 Вентилятор забора воздуха
М28 Вентилятор печки
М29 Привод внутреннего зеркала заднего вида
М30 Зеркало заднего вида на двери водителя
М30.1 Двигатель
М30.2 Нагревательный элемент
М30.4 Потенциометр
М31 Зеркало заднего вида на двери пассажира
М31.1 Двигатель
М31.2 Нагревательный элемент
М31.4 Потенциометр
М32 Привод центрального замка на двери пассажира
М33 Регулятор скорости холостого хода
М34 Привод козырька
М37 Привод центрального замка – крышка багажника/ задняя дверь
М39 Регулятор левой фары
М40 Регулятор правой фары
М41 Привод центрального замка – заслонка горловины топливного бака
М47 Стеклоподъемник на левой передней двери
М48 Стеклоподъемник на правой передней двери
М49 Стеклоподъемник на левой задней двери
М50 Стеклоподъемник на правой задней двери
М54 Реле водяного насоса
М55 Насос омывателей
М57 Водяной насос
М61 Верхний люк Opel Omega
М66 Привод системы регулировки холостого хода
М67 Вентилятор на левой задней двери
М68 Вентилятор на правой задней двери
М69 Дозировочный насос
М72 Регулятор положения сидения водителя
М72.1 Двигатель регулировки высоты переднего сидения
М72.2 Двигатель регулировки высоты заднего сидения
М72.3 Двигатель регулировки продольного положения сидения
М72.4 Двигатель регулировки спинки
М73 Регулятор положения сидения водителя
М73.1 Двигатель регулировки высоты переднего сидения
М73.2 Двигатель регулировки высоты заднего сидения
М73.3 Двигатель регулировки продольного положения сидения
М73.4 Двигатель регулировки спинки
М74 Обогреватель
М75 Обогреватель нижней части салона
М76 Вентилятор
М77 Обогреватель в левой части салона
М78 Обогреватель в правой части салона
М80 Вентилятор охлаждения
Р1 Датчик уровня топлива
Р2 Датчик температуры охлаждающей жидкости
Р4 Датчик уровня топлива в топливном баке
Р5 Датчик температуры охлаждающей жидкости на приборном щитке
Р7 Тахометр
Р13 Датчик температуры внешнего воздуха
Р16 Потенциометр
Р17 Датчик АБС на переднем левом колесе
Р18 Датчик АБС на переднем правом колесе
Р19 Датчик АБС на заднем левом колесе
Р20 Датчик АБС на заднем правом колесе
Р24 Датчик температуры масла
Р25 Датчик перегорания лампочки
Р27 Датчик износа тормозных накладок на левом переднем колесе
Р28 Датчик износа тормозных накладок на правом переднем колесе
Р29 Датчик температуры воздуха
Р30 Датчик температуры охлаждающей жидкости
Р32 Кислородный датчик
Р34 Датчик положения дроссельной заслонки
Р35 Датчик положения коленчатого вала
Р36 Кислородный датчик
Р39 Датчик перегорания лампочек на прицепе
Р41 Левый датчик температуры внешнего воздуха
Р42 Правый датчик температуры внешнего воздуха
Р43 Электронный спидометр
Р44 Датчик потока воздуха
Р46 Датчик детонационного сгорания топлива
Р47 Датчик положения распределительного вала
Р48 Датчик скорости на автоматической коробке передач
Р50 Датчик температуры каталитического конвертера
Р51 Датчик положения коленчатого вала
Р53 Левый датчик противоугонной сигнализации
Р54 Правый датчик противоугонной сигнализации
Р56 Датчик детонационного сгорания топлива
Р57 Антенна
Р58 Датчик целостности левого заднего стекла
Р59 Датчик целостности правого заднего стекла
Р63 Принимающее устройство центрального замка
Р64 Датчик температуры каталитического конвертера
Р65 Датчик нагрузки
Р66 Игольчатый датчик
Р67 Датчик положения педали
Р68 Привод впрыскивающего насоса
Р71 Датчик воздушной подушки безопасности водителя
Р72 Датчик воздушной подушки безопасности пассажира
Р73 Датчик высоты передней части автомобиля
Р74 Датчик высоты задней части автомобиля
R3 Зажигалка Opel Omega
R5 Свечи накала
R13 Обогреватель левого разбрызгивателя для лобового стекла
R14 Обогреватель правого разбрызгивателя для лобового стекла
R17 Задняя зажигалка
R19 Резистор вентилятора
S1 Замок зажигания
S2 Выключатели освещения
S2.1 Выключатель фар
S2.2 Выключатель освещения салона
S2.3 Выключатель освещения приборного щитка
S2.4 Звуковой сигнал
S2.5 Регулировка фар
S2.6 Выключатель передних противотуманных фонарей
S2.7 Выключатель задних противотуманных фонарей
S3 Выключатель вентилятора печки
S4 Выключатель оборевателей заднего стекла и зеркал
S5 Выключатель указателей поворотов
S5.2 Выключатель ближнего света фар
S5.3 Выключатель указателей поворотов
S5.4 Выключатель подфарников
S7 Выключатель огней заднего хода
S8 Выключатель огней стоп-сигнала
S9 Выключатель стеклоочистителей лобового стекла
S9.2 Регулятор скорости работы стеклоочистителей
S9.5 Выключатель стеклоочистителя заднего стекла
S11 Датчик низкого уровня тормозной жидкости
S13 Выключатель сигнальной лампочки ручного тормоза
S14 Выключатель сигнальной лампочки давления масла
S15 Выключатель лампочки освещения багажника
S17 Выключатель на двери пассажира
S18 Выключатель освещения бардачка
S20 Выключатель сигнальной лампочки давления масла
S20.1 Выключатель компрессора
S20.2 Выключатель компрессора
S20.3 Выключатель компрессора
S24 Выключатель вентилятора кондиционера
S29 Выключатель вентилятора охлаждения
S30 Выключатель обогревателя сидения водителя
S31 Выключатель на левой задней двери
S32 Выключатель на правой задней двери
S33 Выключатель противобуксовочной системы
S37 Блок выключателей стеклоподъемников на двери водителя
S37.1 Выключатель стеклоподъемника левой передней двери
S37.2 Выключатель стеклоподъемника правой передней двери
S37.3 Выключатель стеклоподъемника левой задней двери
S37.4 Выключатель стеклоподъемника правой задней двери
S37.5 Блокировочный выключатель
S37.7 Автоматическое управление
S39 Выключатель стеклоподъемника на задней левой двери
S40 Регулятор положение сидения водителя
S41 Выключатель центрального замка на двери водителя
S43 Выключатель системы круиз-контроля
S45 Выключатель муфты
S47 Выключатель на двери водителя
S49 Выключатель привода козырька
S52 Выключатель аварийной сигнализации
S55 Выключатель обогревателя сидения пассажира
S56 Выключатель вентилятора на задней двери
S58 Температурный выключатель
S59 Выключатель противотуманных фар
S63 Блок выключателей
S63.1 Выключатель бортового компьютера
S63.2 Регулятор часов Opel Omega
S64 Выключатель звукового сигнала
S65 Выключатель сигнальной лампочки давления охлаждающей жидкости
S66 Выключатель сигнальной лампочки температуры охлаждающей жидкости
S67 Выключатель ДУ радиоприемника
S68 Выключатель привода зеркала заднего вида
S68.1 Регулятор положения зеркала
S68.3 Регулятор наклона зеркала влево/вправо
S68.4 Выключатель парковочного положения
S69 Датчик температуры воздуха
S80 Выключатель стеклоподъемника на правой задней двери
S82 Выключатель насоса омывателей
S84 Выключатель на рычаге ручного тормоза
S85 Замок зажигания
S86 Выключатель охранной сигнализации салона
S88 Выключатель вентилятора охлаждения
S92 Выключатель замка крышки багажника
S93 Датчик уровня охлаждающей жидкости
S95 Датчик уровня масла
S96 Выключатель обогревателя заднего левого сидения
S97 Выключатель обогревателя заднего правого сидения
S101 Выключатель компрессора кондиционера
S102 Выключатель кондиционера
S104 Выключатель пониженной передачи
S105 Выключатель зимнего режима работы автоматической коробки передач
S106 Выключатель спортивного/ экономичного режима работы
S109 Выключатель системы увеличения оборотов
S116 Выключатель огней стоп-сигнала
S118 Выключатель на автоматической коробке передач
S119 Датчик температуры хладагента
S120 Выключатель замка капота
S121 Датчик температуры
S128 Датчик температуры хладагента.
РЕМОНТ АВТОЭЛЕКТРОНИКИ ЗАРЯДНЫЕ УСТРОЙСТВА ДЛЯ АКБ

|