Сборник электросхем для автомобиля Renault Symbol. Минимальная комплектация включает в себя: подушку безопасности для водителя, ремни безопасности с ограничителем натяжения на передних сиденьях и стандартные ремни безопасности на задних, гидроусилитель рулевого управления, электронную противоугонную систему, бамперы, окрашенные под цвет кузова. Более дорогая версия комплектуется кондиционером, электростеклоподъемниками передних дверей, магнитолой с двумя динамиками и пультом дистанционного управления на рулевой колонке. Поставляемый в качестве дополнительного оборудования комплект обеспечения безопасности включает ABS и подушку безопасности для переднего пассажира. Ксеноновые фары, датчик дождя, климат-контроль, круиз-контроль предусмотрены для автомобилей высокого класса. Все схемы в хорошем качестве и на русском языке, скачать их на компьютер можно кликнув на картинке. Условные обозначения на электрических схемах Рено Символ находятся внизу.
Электросхемы Renault Symbol










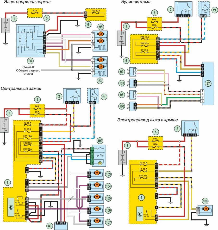
1...Аккумуляторная батарея
2...Выключатель (замок) зажигания
3...Стартер Рено Символ
4...Генератор
5...Коробка предохранителей под капотом
6...Блок предохранителей/реле/мультитаймера передней панели
7...Кнопка звукового сигнала/переключатель фар
а – выключатель стартера
b – габаритные огни/фары
c – передние противотуманные фары
d – мигание фарами
8...Выключатель вентилятора системы охлаждения
9...Мотор вентилятора системы охлаждения
10...Резистор вентилятора системы охлаждения
11...Диагностический разъем
12...Блок реле под капотом
а – реле стартера Renault Symbol
b – реле системы впрыска
c – реле вентилятора системы охлаждения
d – реле малой скорости вентилятора системы охлаждения
е – реле гидроусилителя рулевого управления
f – реле обогрева топливного фильтра
g – реле атмосферного давления
15...Электрический насос усилителя рулевого управления
16...Блок управления системой безопасности
17...Преднатяжитель пассажирского ремня безопасности
19...Подушка безопасности водителя
20...Подушка безопасности пассажира
21...Кнопка звукового сигнала/переключатель фар
а – звуковой сигнал
b – габаритные огни/фары
d – задние противотуманные фонари
e – указатель поворота
22...Звуковой сигнал
23...Прикуриватель Renault Symbol
25...Узел вентилятора отопителя
26...Переключатель вентилятора отопителя
а – переключатель
b – переключатель кондиционера
с – переключатель циркуляции
d – выключатель обогрева заднего стекла
е – индикатор обогрева заднего стекла
f – индикатор рециркуляции
g – индикатор кондиционера
27...Реостат освещения салона
30...Блок управления кондиционером
31...Трехфункциональный переключатель кондиционера
32...Муфта кондиционера
35...Панель приборов
a – указатель уровня топлива
b – индикатор иммобилайзера
c – индикатор системы впрыска
d – индикатор аварийной зарядки аккумулятора
e – индикатор резерва топлива
f – индикатор аварийной температуры
g – индикатор аварийного падения давления масла
h – индикатор задних противотуманных фонарей
i – индикатор противотуманных фар
j – индикатор правого поворота
k – индикатор левого поворота
l – индикатор ближнего света
m – индикатор дальнего света
n – индикатор ремней безопасности
r – индикатор открытой двери
s – освещение приборов
t – указатель температуры
u – индикатор износа тормозных колодок
v – индикатор ABS
w – индикатор неисправности тормозной системы
x – тахометр Рено Символ
y – спидометр Renault Symbol
z – указатель уровня масла
a1 – бортовой компьютер
36...Топливный насос/блок датчика уровня топлива
37...Датчик аварийного падения давления масла
38...Датчик ремня безопасности
39...Датчик температуры/аварийного повышения температуры охлаждающей жидкости
40...Датчик износа колодок
41...Датчик аварийного падения уровня тормозной жидкости
42...Датчик положения рычага стояночного тормоза
43...Датчик уровня масла
44...Переключатель стеклоочистителей/стеклоомывателя
а – кнопка сброса показаний бортового компьютера
b – очиститель ветрового стекла
c – очиститель/омыватель заднего стекла
d – омыватель ветрового стекла
46...Блок управления ABS
47...Датчик левого переднего колеса
48...Датчик правого переднего колеса
49...Датчик левого заднего колеса
50...Датчик правого заднего колеса
51...Часы/указатель температуры наружного воздуха (зависит от уровня комплектации)
52...Часы/указатель температуры наружного воздуха/дисплей аудиосистемы (зависит от уровня комплектации)
53...Узел наружного зеркала со стороны пассажира (датчик температуры наружного воздуха)
54...Левые габаритные огни
55...Правые габаритные огни
56...Левая фара
57...Правая фара
58...Левый задний фонарь
а – задний габаритный огонь
b – лампы заднего хода
c – стоп-сигналы
d – указатели поворота
e – противотуманные фонари
59...Правый задний фонарь
а – задний габаритный огонь
b – лампы фонарей заднего хода
c – стоп-сигналы Renault Symbol
d – указатели поворота
60...Освещение номерного знака
61...Левая передняя противотуманная фара
62...Правая передняя противотуманная фара
65...Верхний стоп-сигнал
66...Выключатель света заднего хода (механическая коробка передач)
67...Модуль автоматической коробки передач
68...Блок управления автоматической коробкой передач
69...Выключатель стоп-сигналов
70...Левый указатель поворота
71...Правый указатель поворота
72...Боковой повторитель левого указателя поворота
73...Боковой повторитель правого указателя поворота
74...Выключатель аварийной сигнализации
75...Управление корректором света фар
76...Мотор левого корректора света фары
77...Мотор правого корректора света фары
80...Приемник инфракрасного излучения (если предусмотрен)
81...Освещение багажного отделения
82...Выключатель освещения багажного отделения
83...Переднее «вежливое» освещение
84...Выключатель в двери водителя
85...Выключатель в двери пассажира
86...Выключатель в левой задней двери
87...Выключатель в правой задней двери
88...Мотор очистителя ветрового стекла
89...Мотор очистителя заднего стекла
91...Насос стеклоомывателя
92...Реле насоса омывателя фар
93...Обогреватель заднего стекла
95...Переключатель зеркала
96...Узел водительского зеркала
97...Аудиосистема Рено Символ
98...Левый передний громкоговоритель
99...Правый передний громкоговоритель
РЕМОНТ АВТОЭЛЕКТРОНИКИ ЗАРЯДНЫЕ УСТРОЙСТВА ДЛЯ АКБ

|