Цветные схемы электрооборудования автомобиля Chevrolet Aveo с 2011 года, модификация T300. Показаны русскоязычные схемы и соединения электрической проводки узлов приборов автомобиля Шевроле Авео. Соединение приборов, соединения звукового сигнала, стеклоочиститель и омыватель ветрового стекла, соединения стеклоподъемников передних дверей, соединения комбинации приборов, антиблокировочная система тормозов, система управления двигателем и другие. Схемы для более старой версии Aveo смотрите здесь.
Электрооборудование Шевроле Авео Т300
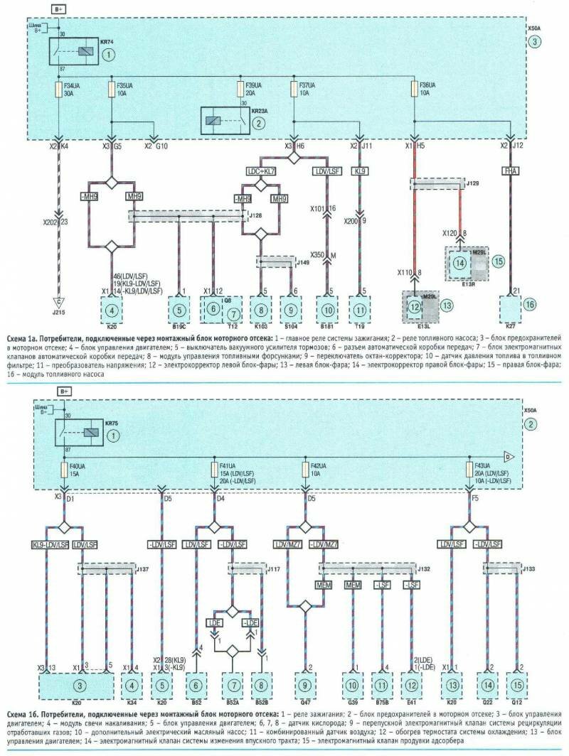
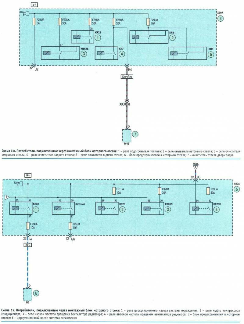
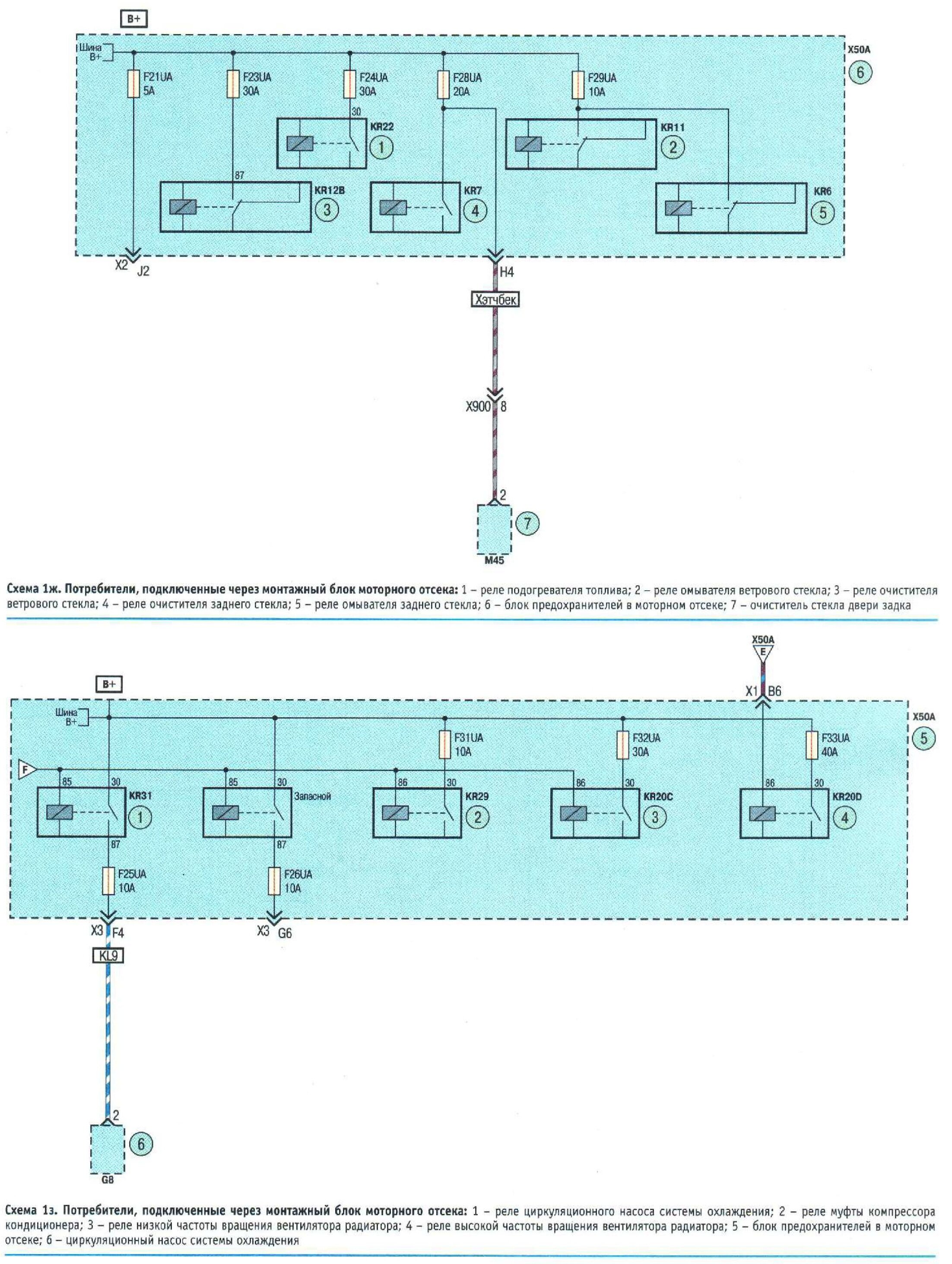
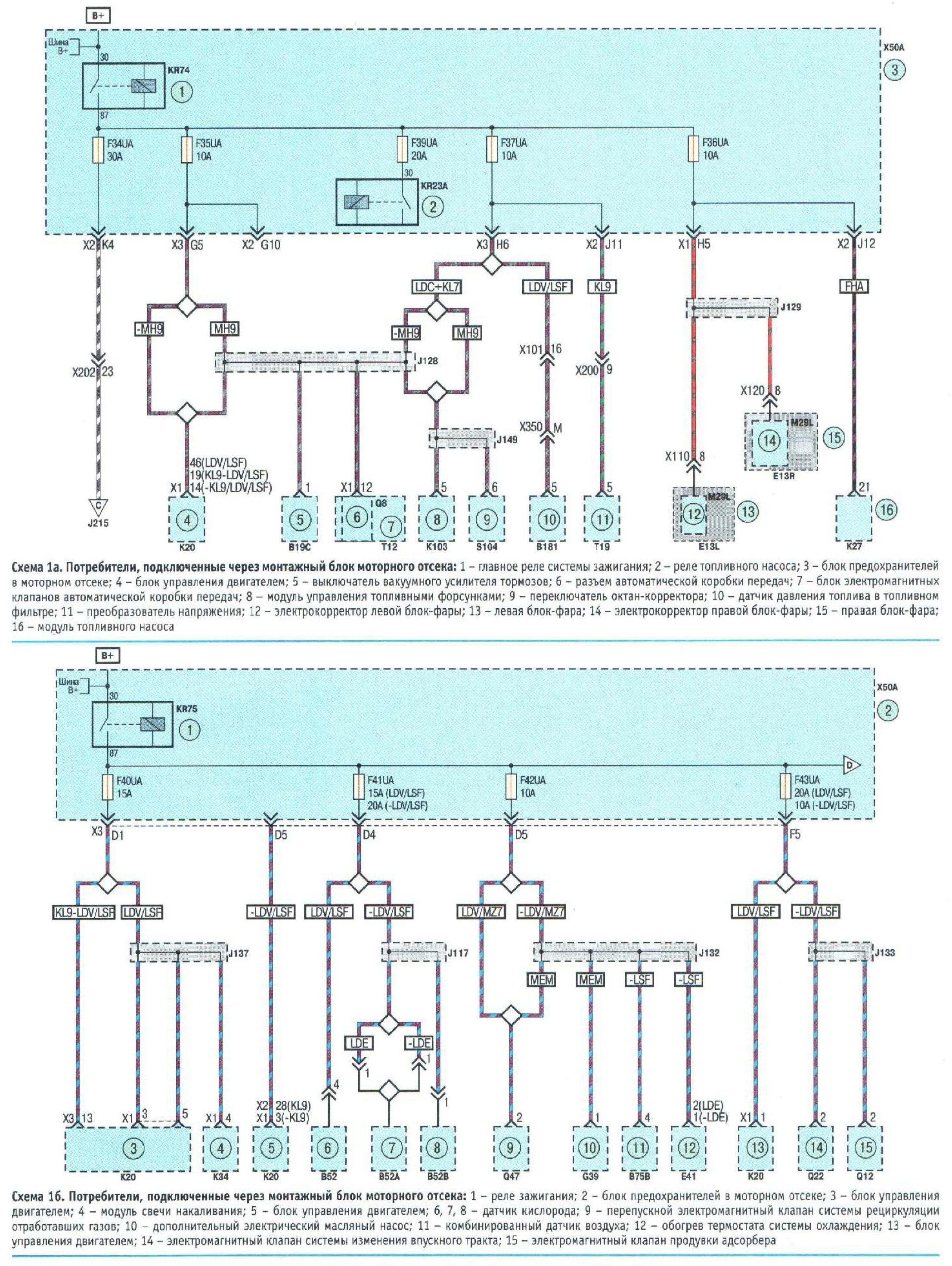
Потребители, подключенные через монтажный блок моторного отсека

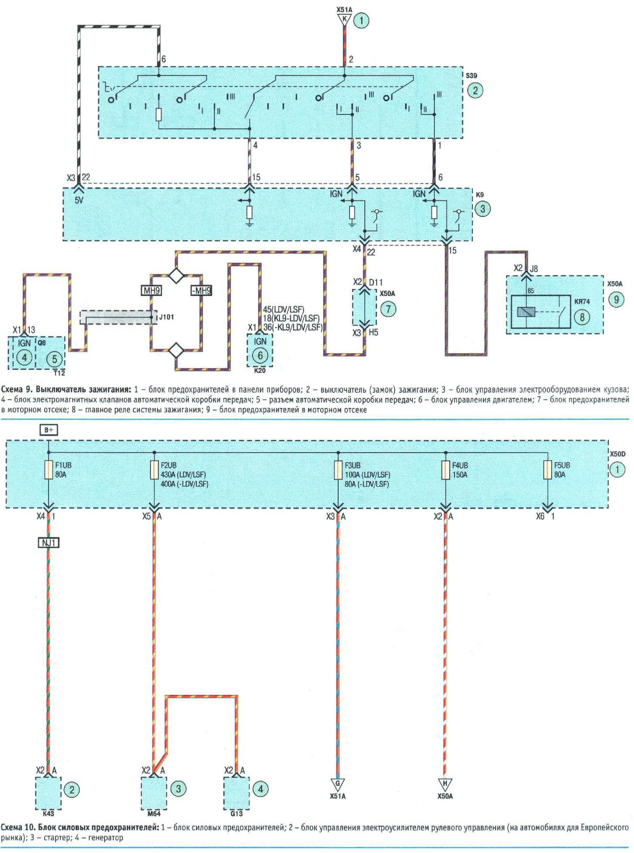
Блоки реле и приборов Авео Т300

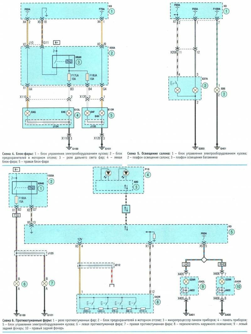
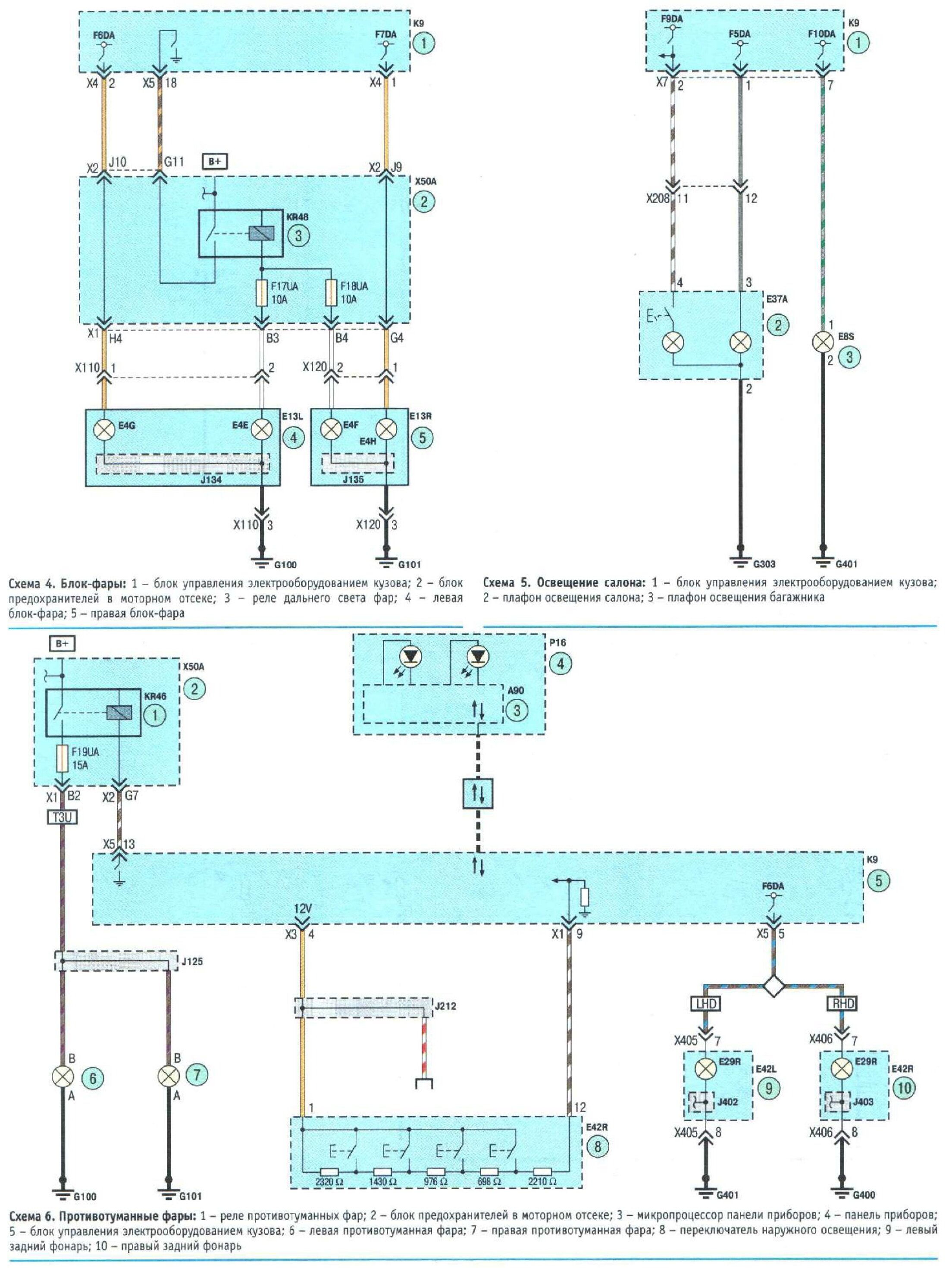
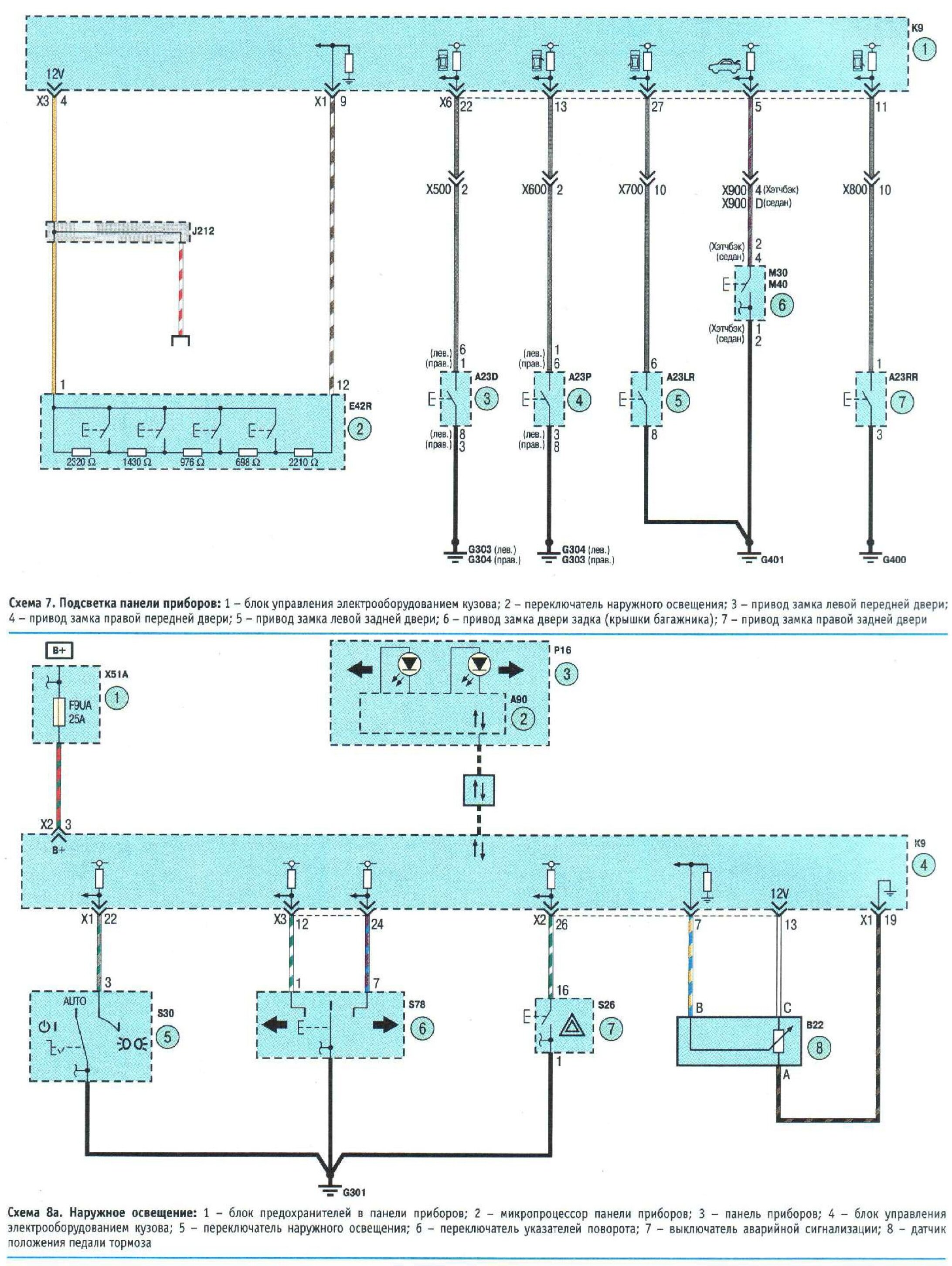
Подключение ламп, фар и подсветки

Насос системы охлаждения авто

Управление системой кондиционирования и преобразователь напряжения

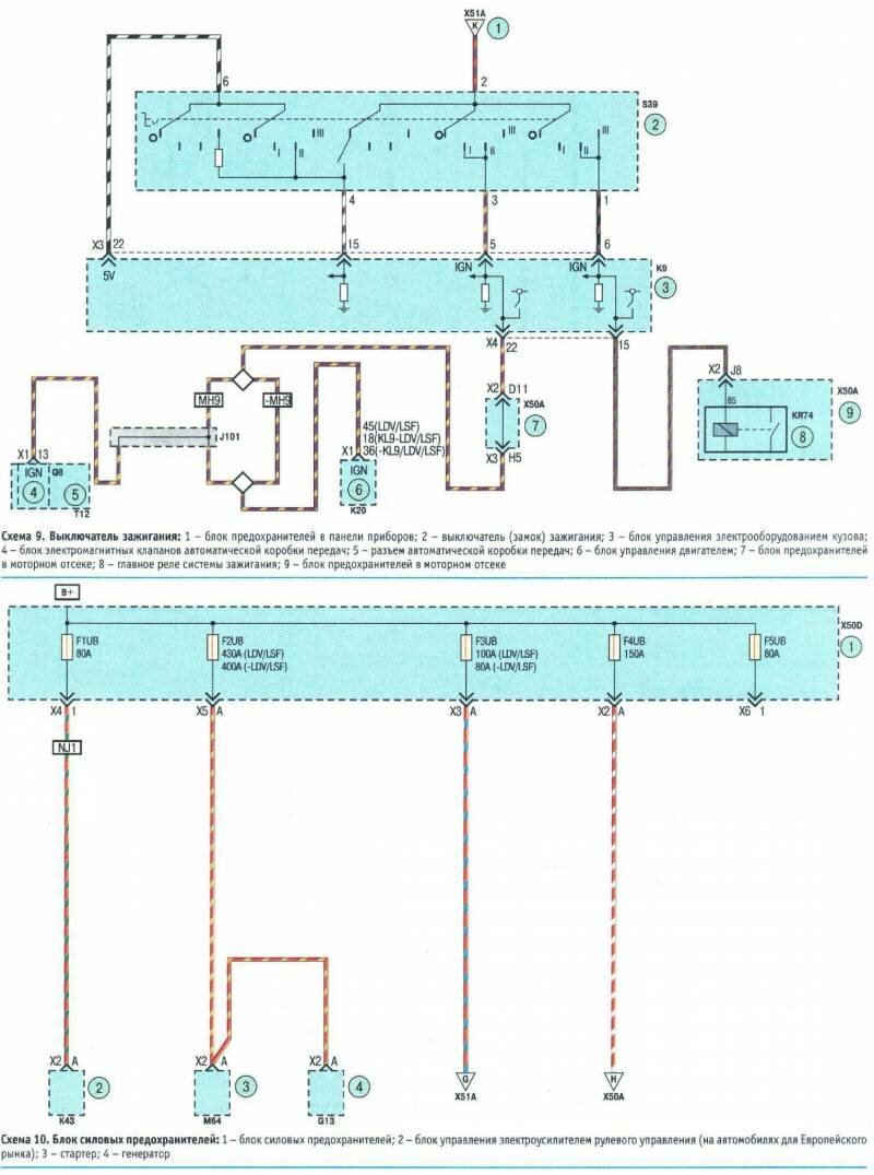
Схема подсоединения противоугонной системы

Другие элементы электросхемы Aveo New T300




Предохранители автомобиля AVEO T300
Предохранители в Aveo New T300 расположены в двух местах: в подкапотном пространстве и в салоне под приборной панелью. Маркировка нового предохранителя должна совпадать с маркировкой дефектного предохранителя. В блоке над положительной клеммой аккумулятора расположена группа основных предохранителей. Перед заменой предохранителя отключите соответствующий источник или выключите зажигание. Дефектный предохранитель можно определить по сгоревшей плавкой нити. Замену предохранителя следует производить только после устранения причины его выхода из строя. Некоторые цепи могут быть защищены несколькими предохранителями. Кроме того, в блоке могут быть установлены дополнительные предохранители.
Блок предохранителей в моторном отсеке


- 1 Реле скорости переднего стеклоочистителя
- 2 Насос ABS
- 3 Реле управления переднего стеклоочистителя
- 4 Передний стеклоочиститель
- 5 Нагнетательный вентилятор
- 6 Клапан ABS
- 7 Вентиляционный люк крыши
- 8 -
- 9 Очиститель заднего стекла
- 10 Регулятор напряжения генератора
- 11 ABS Aveo T300
- 12 AOS/ROS
- 13 Наружное зеркало заднего вида
- 14 Реле обогревателя заднего стекла
- 15 Обогреватель заднего стекла
- 16 Запасной предохранитель
- 17 Запасной предохранитель
- 18 Запасной предохранитель
- 19 Запасной предохранитель
- 20 Запасной предохранитель
- 21 Запасной предохранитель
- 22 Запасной предохранитель
- 23 -
- 24 Ход/запуск IEC
- 25 Реле ход/запуск
- 26 -
- 27 -
- 28 Наружное зеркало заднего вида с подогревом
- 29 -
- 30 Обогрев передних сидений
- 31 -
- 32 Поток топлива
- 33 Омыватель
- 34 Реле топливного насоса
- 35 Топливный насос Aveo T300
- 36 Модуль управления двигателем/ трансмиссией
- 37 -
- 38 -
- 39 Вентилятор охлаждения К5
- 40 Вентилятор охлаждения К4
- 41 EVP
- 42 ЕСМ
- 43 Муфта кондиционера
- 44 тем
- 45 ЕСМ_1
- 46 COIL
- 47 ЕСМ_4
- 48 ЕСМ 3
- 49 ЕСМ2
- 50 Инжектор
- 51 Реле Р/Т
- 52 Звуковой сигнал
- 53 Реле вентилятора охлаждения КЗ
- 54 Пуск
- 55 Реле пуска
- 56 Реле муфты кондиционера
- 57 Реле дальнего света
- 58 Передние противотуманные фары
- 59 Дальний свет левый
- 60 Дальний свет правый
- 61 Реле вентилятора охлаждения К1
Блок предохранителей в приборной панели


- 1 DLIS
- 2 DLC
- 3 Подушка безопасности
- 4 Задняя дверь
- 5 Запасной предохранитель
- 6 Блок управления кузовным оборудованием
- 7 Блок управления кузовным оборудованием
- 8 Блок управления кузовным оборудованием
- 9 Блок управления кузовным оборудованием
- 10 Блок управления кузовным оборудованием
- 11 Блок управления кузовным оборудованием
- 12 Блок управления кузовным оборудованием
- 13 Блок управления кузовным оборудованием
- 14 IPC
- 15 ONSTAR Aveo T300
- 16 ULTRA PARKING ASSIST
- 17 Информационный центр водителя
- 18 Аудио
- 19 Прицеп
- 20 VLBS
- 21 CHEVYSTAR
- 22 Обогрев, вентиляция, кондиционер
- 23 HDLPALC
- 24 Сцепление
- 25 IPC-AOS
- 26 Подушка безопасности ход/запуск
- 27 Ходовое реле
- 28 Реле задней двери
- 29 Прицеп ход/запуск
- 30 Часовая пружина
- 31 Обогрев, вентиляция, кондиционер
- 32 Запасной предохранитель
- 33 Вентиляционный люк крыши
- 34 Прикуриватель авто Aveo T300
- 35 Запасной предохранитель
- 36 Задний электрический стеклоподъемник
- 37 Передний электрический стеклоподъемник
- 38 RAP/ACCY
- 39 DCDC CONV
- 40 Электростеклоподъемник двери водителя
- 41 РТС 2
- 42 РТС 1
- 43 Разъем аккумулятора
РЕМОНТ АВТОЭЛЕКТРОНИКИ ЗАРЯДНЫЕ УСТРОЙСТВА ДЛЯ АКБ

|