Электросхема и соединения электрической проводки и узлов приборов автомобиля шевроле - круз. Соединение приборов, соединения звукового сигнала, стеклоочиститель и омыватель ветрового стекла, соединения стеклоподъемников передних дверей, соединения комбинации приборов, антиблокировочная система тормозов, система управления двигателем Chevrolet Cruze и другие.
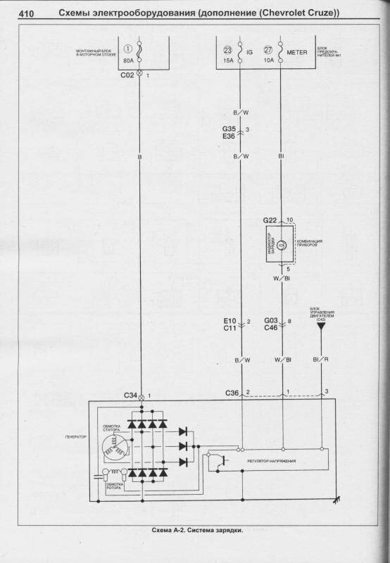
Схема системы зарядки Chevrolet Cruze

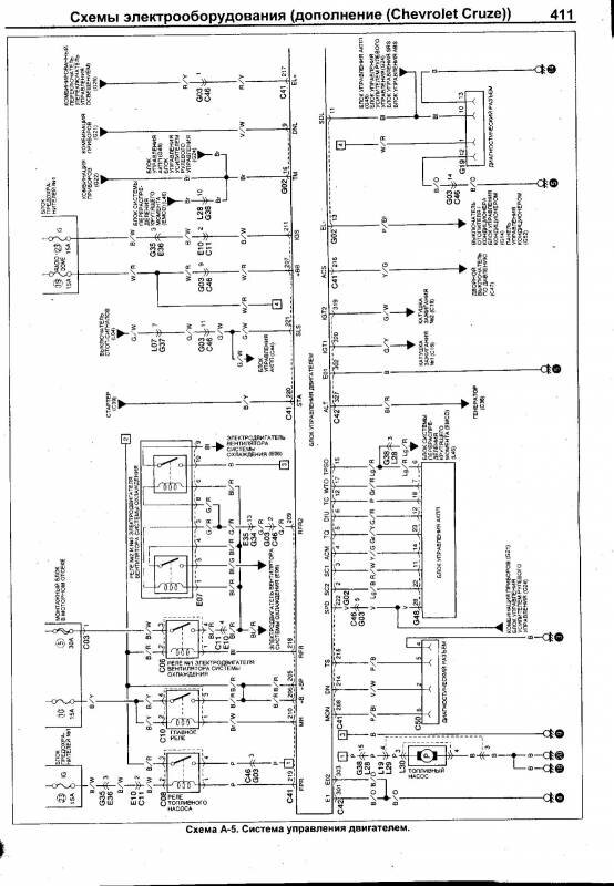
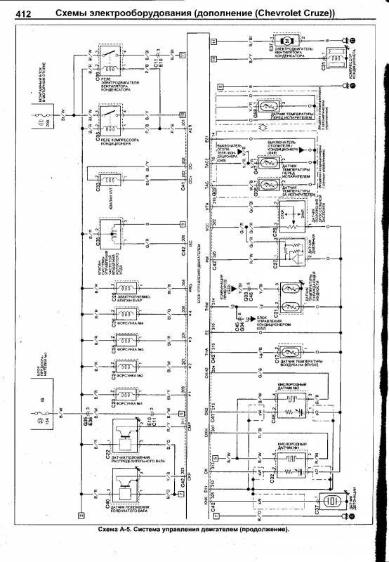
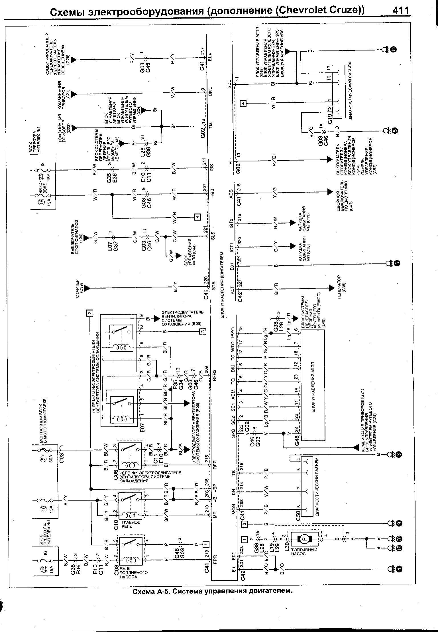
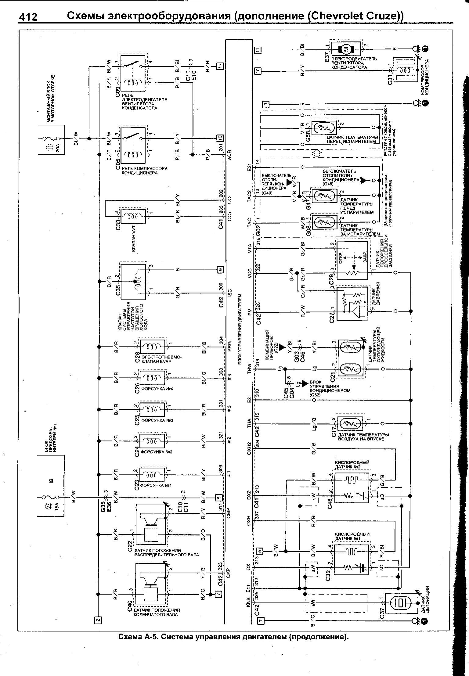
Система управления двигателем Chevrolet Cruze - электросхема


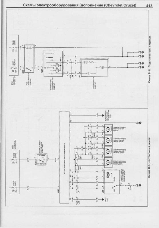
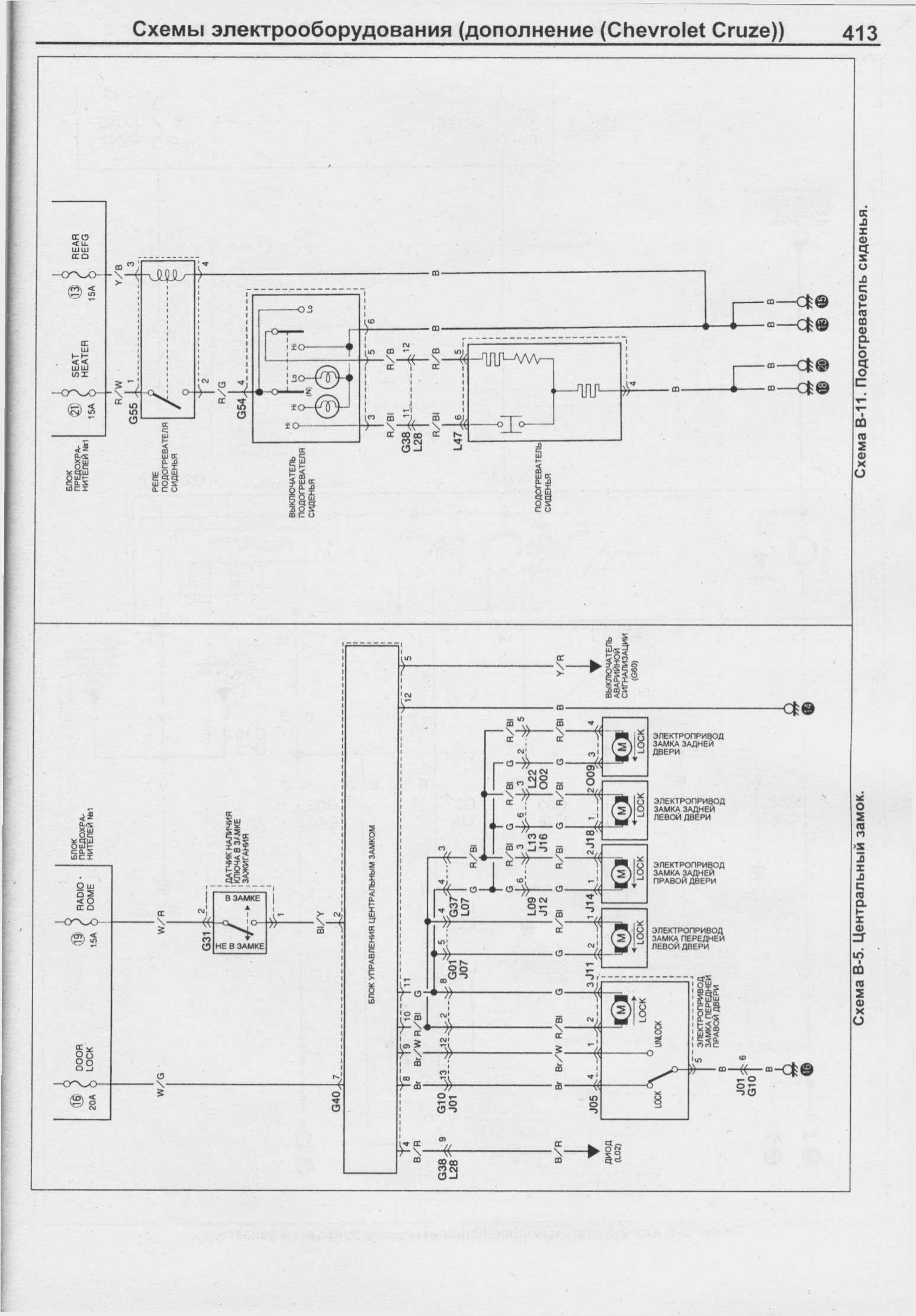
Электрооборудование центрального замка и подогрева сидений авто

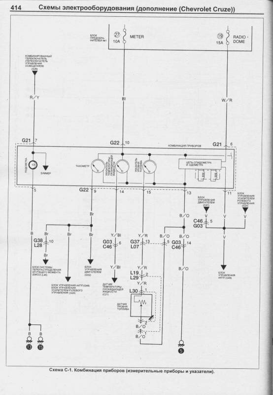
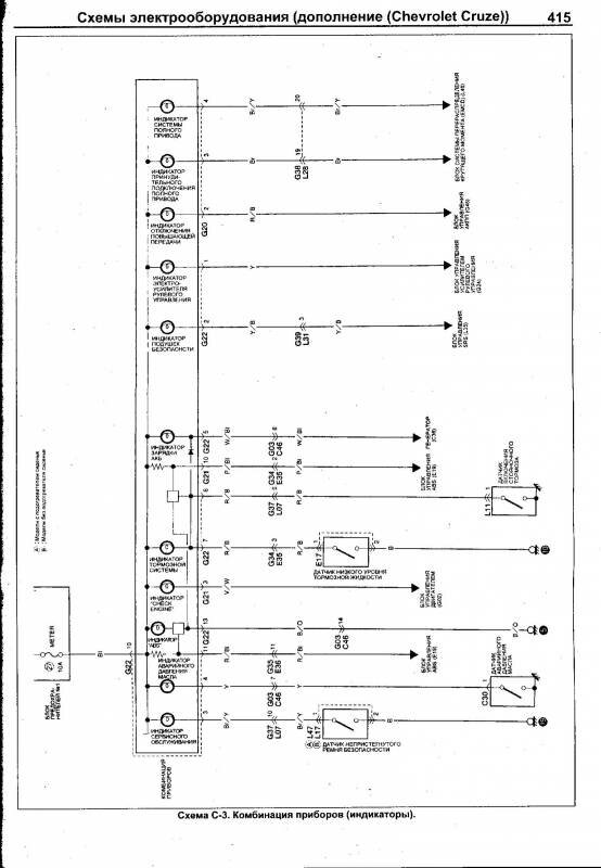
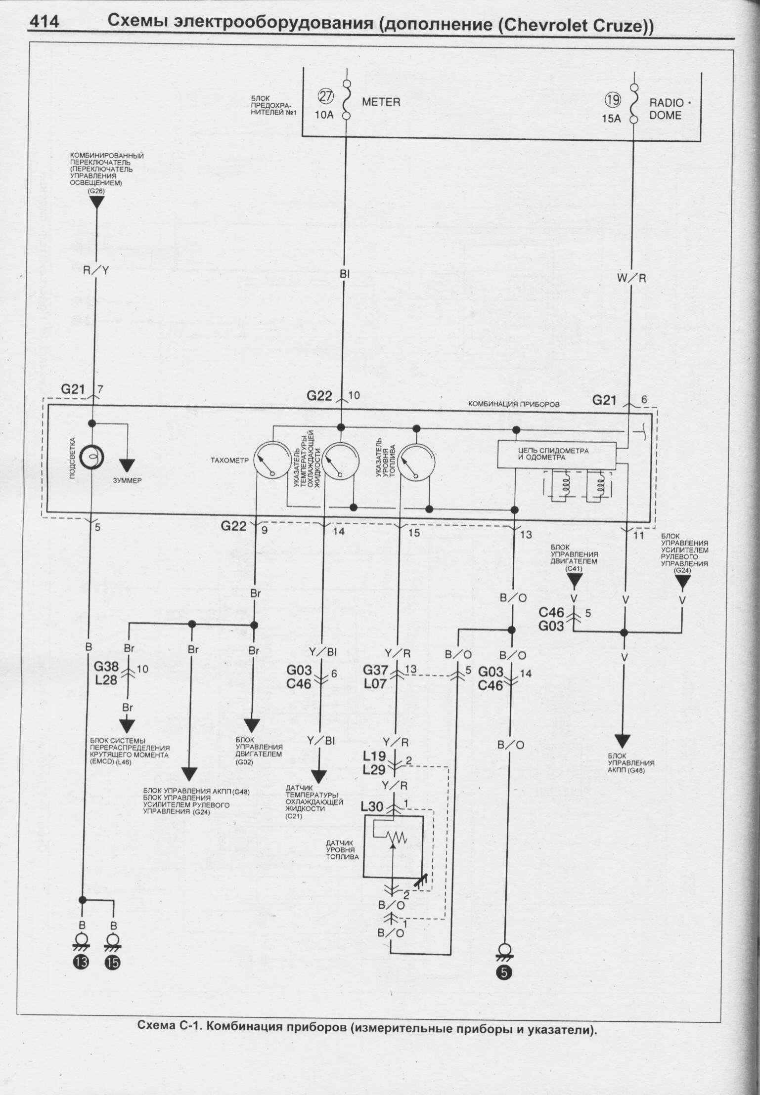
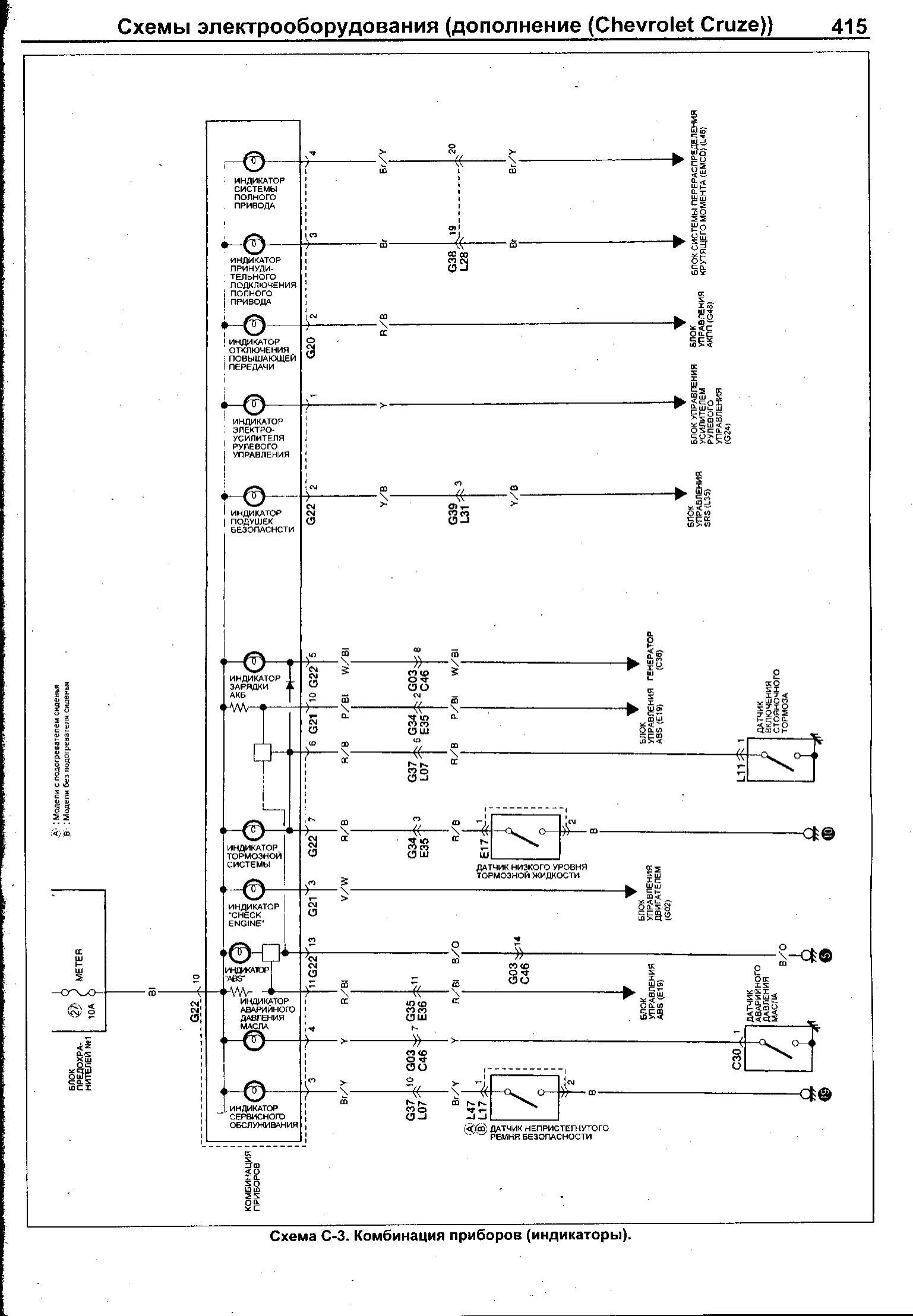
Электрическая схема блока комбинации приборов Шевроле Круз


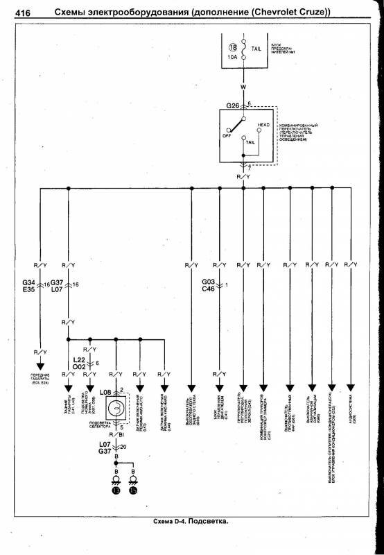
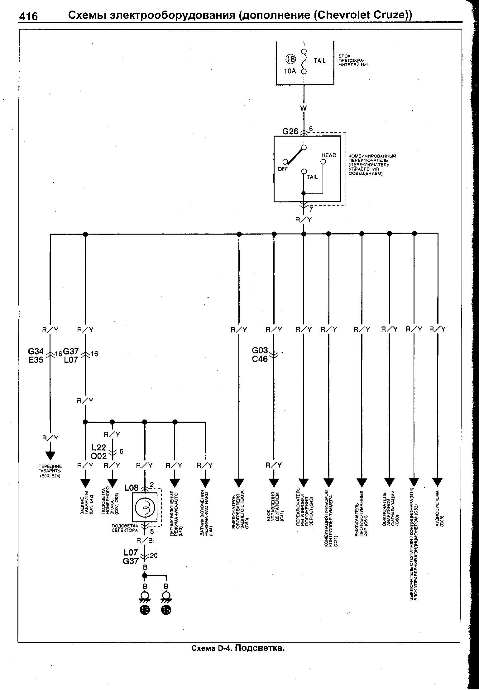
Схема подсветки Chevrolet Cruze

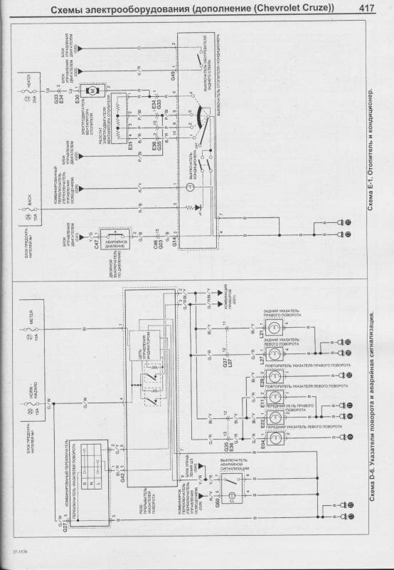
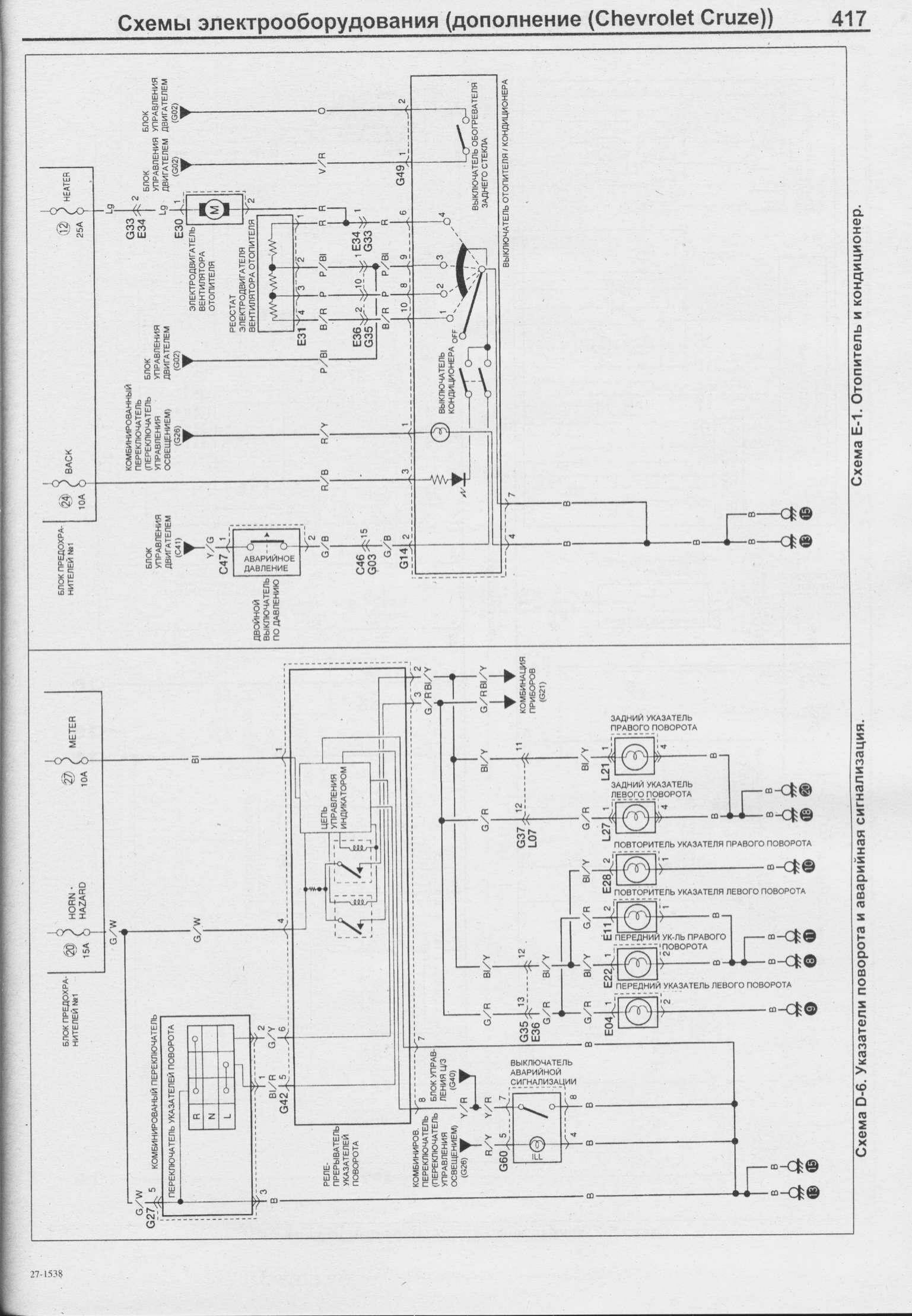
Электросхема отопителя, кондиционера, указателя поворотов и сигнализации Шевроле Круз

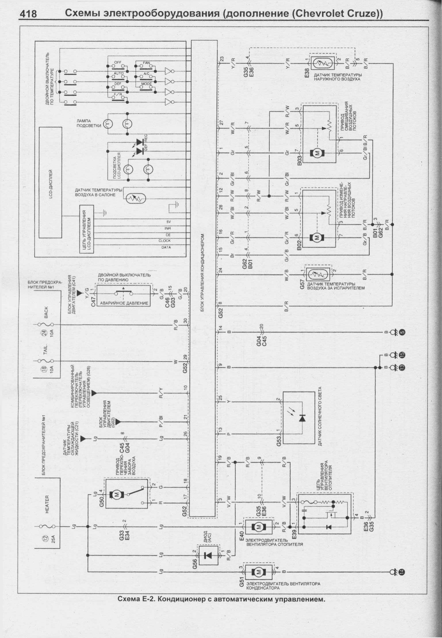
Кондиционер с автоматическим управлением

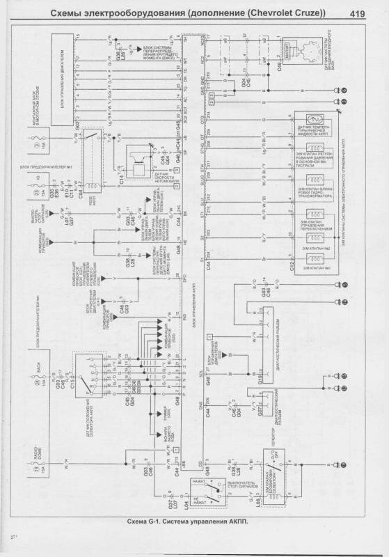
Схема ситемы АКПП Chevrolet Cruze

Схема модуля перераспределения крутящего момента

Схемы разъёмов автомобиля Шевроле Круз

РЕМОНТ АВТОЭЛЕКТРОНИКИ ЗАРЯДНЫЕ УСТРОЙСТВА ДЛЯ АКБ

|