Ниже вы найдете схемы электрооборудования на Шевроле Лацетти (Хетчбэк-бензин) с 2004 г.в. и младше. Немного вводного текста об этом хетчбеке: регулируемая по высоте и вылету рулевая колонка. Сиденье водителя с регулировкой по высоте. Усилитель рулевого управления. Передние и задние электростеклоподъемники. ABS. Противотуманные фары. Управление аудиосистемой на руле. Центральный подлокотник.
Обозначения на электросхемах к CHEVROLET LACETTI

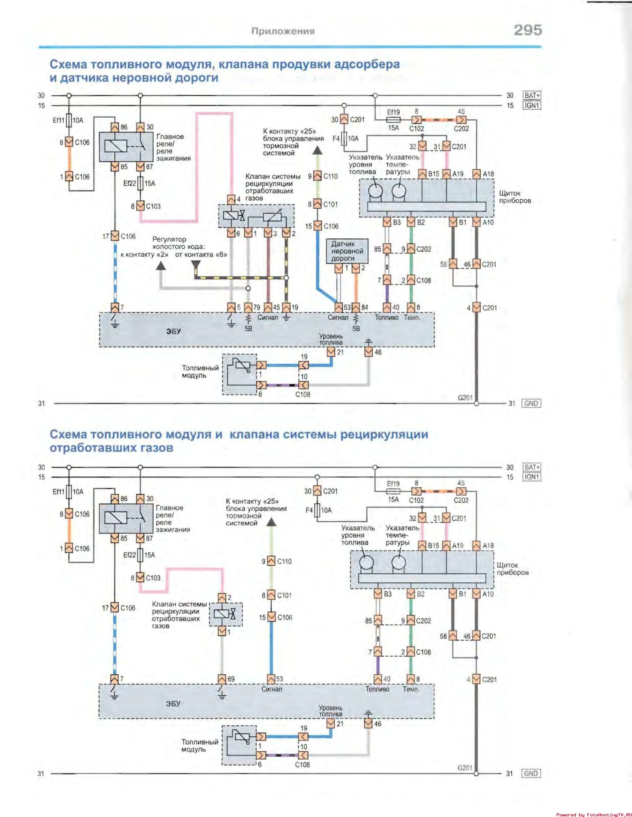
Электросхема топливного модуля, клапана продувки адсорбера, клапана системы рециркуляции отработавших газов и датчика неровной дороги

Эл.схема подсветки приборов и органов управления

Схема зажигания и датчиков системы управления двигателем

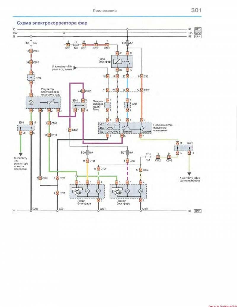
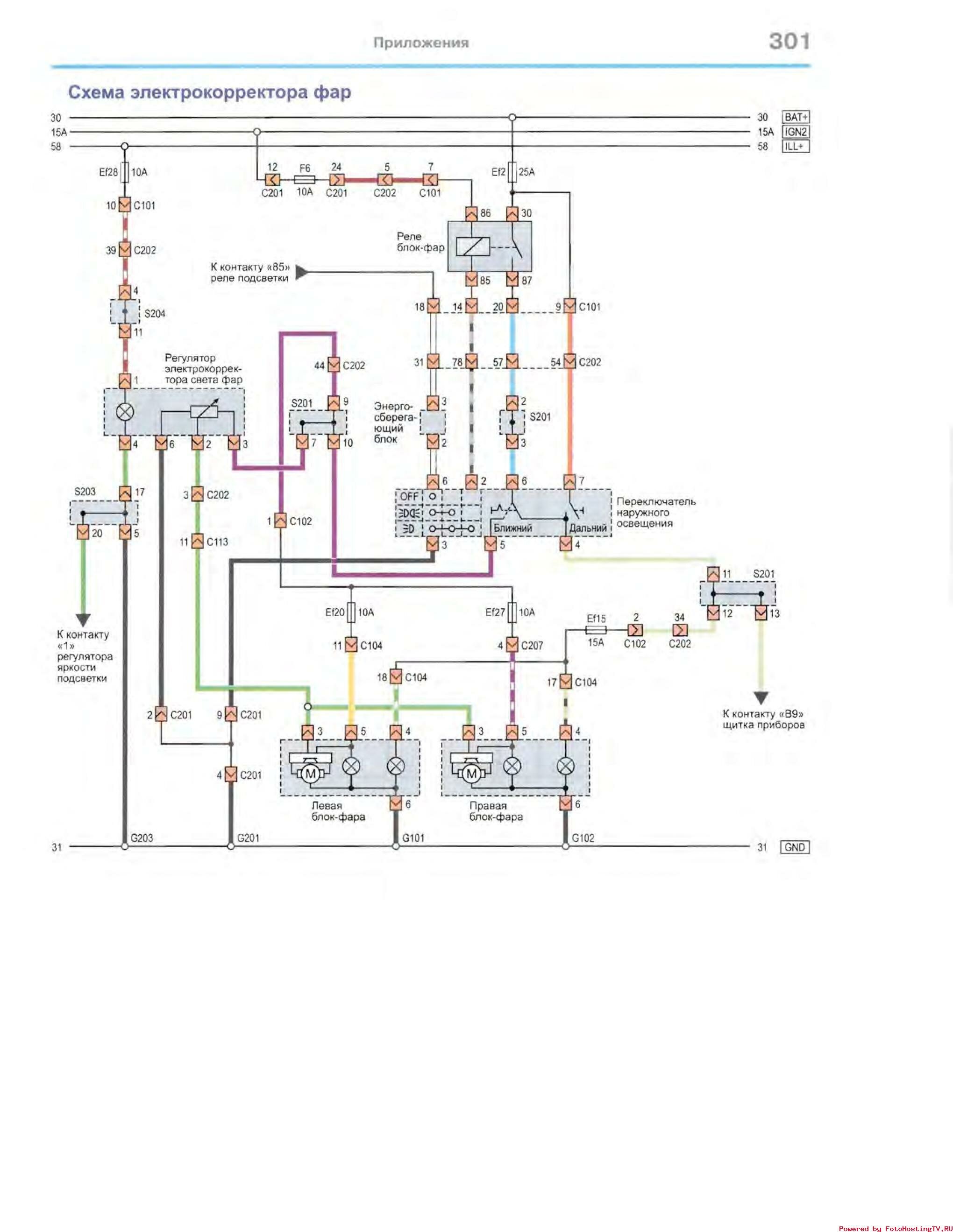
Электросхема корректора фар

Эл.схема сигналов торможения и аварийной сигнализации

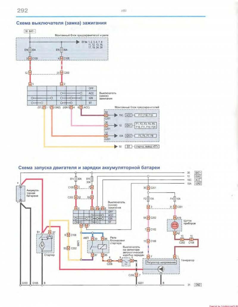
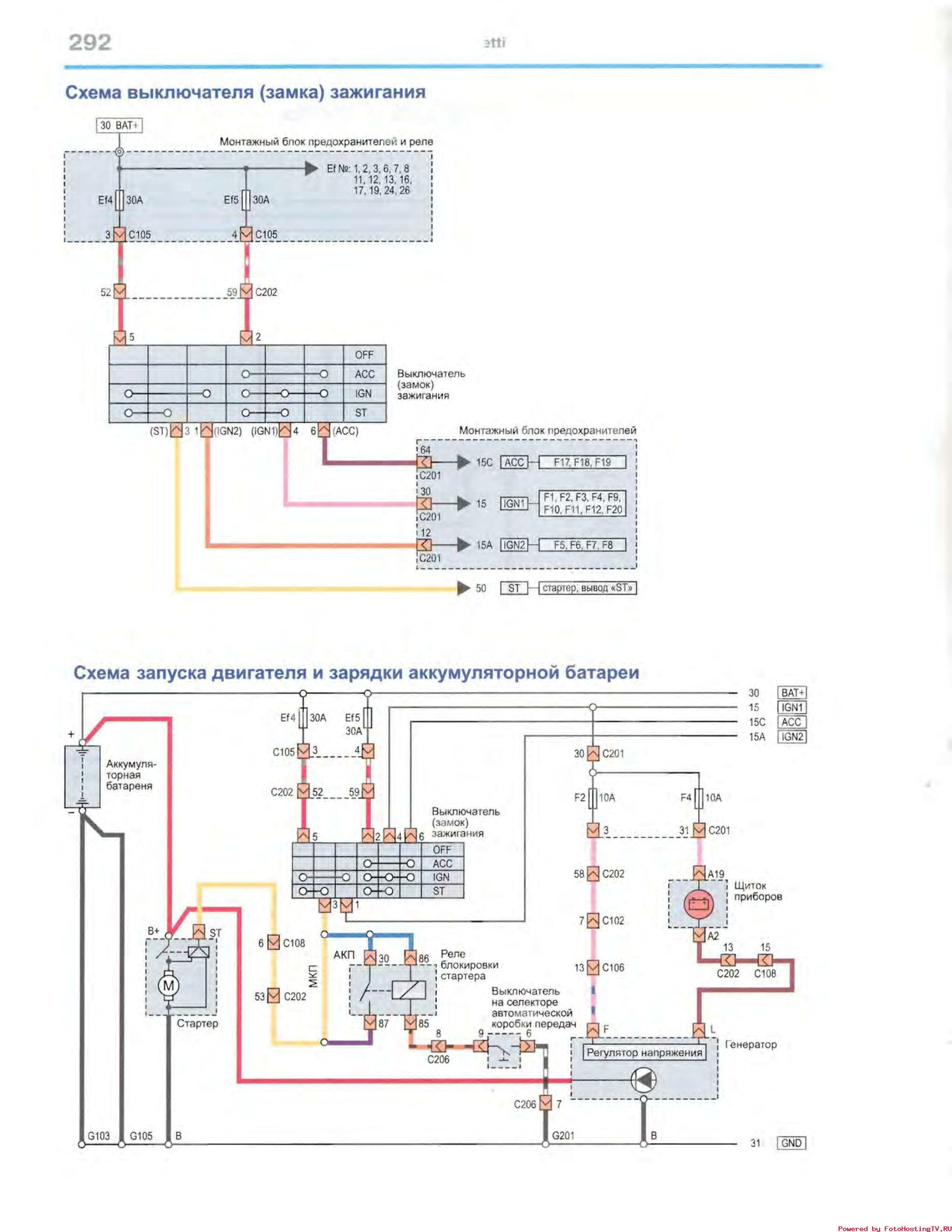
Схема выключения зажигания, запуска двигателя и зарядки аккумулятора

Электросхема противотуманных фар и фонарей

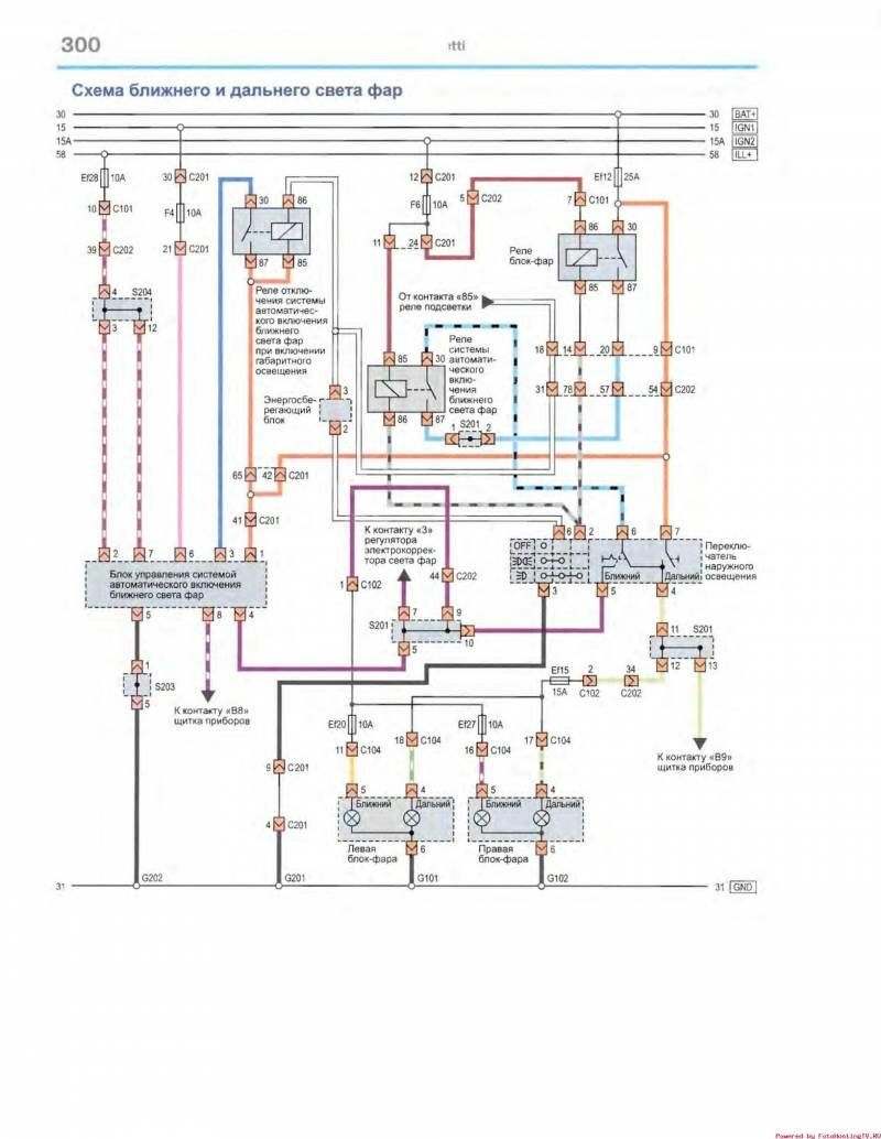
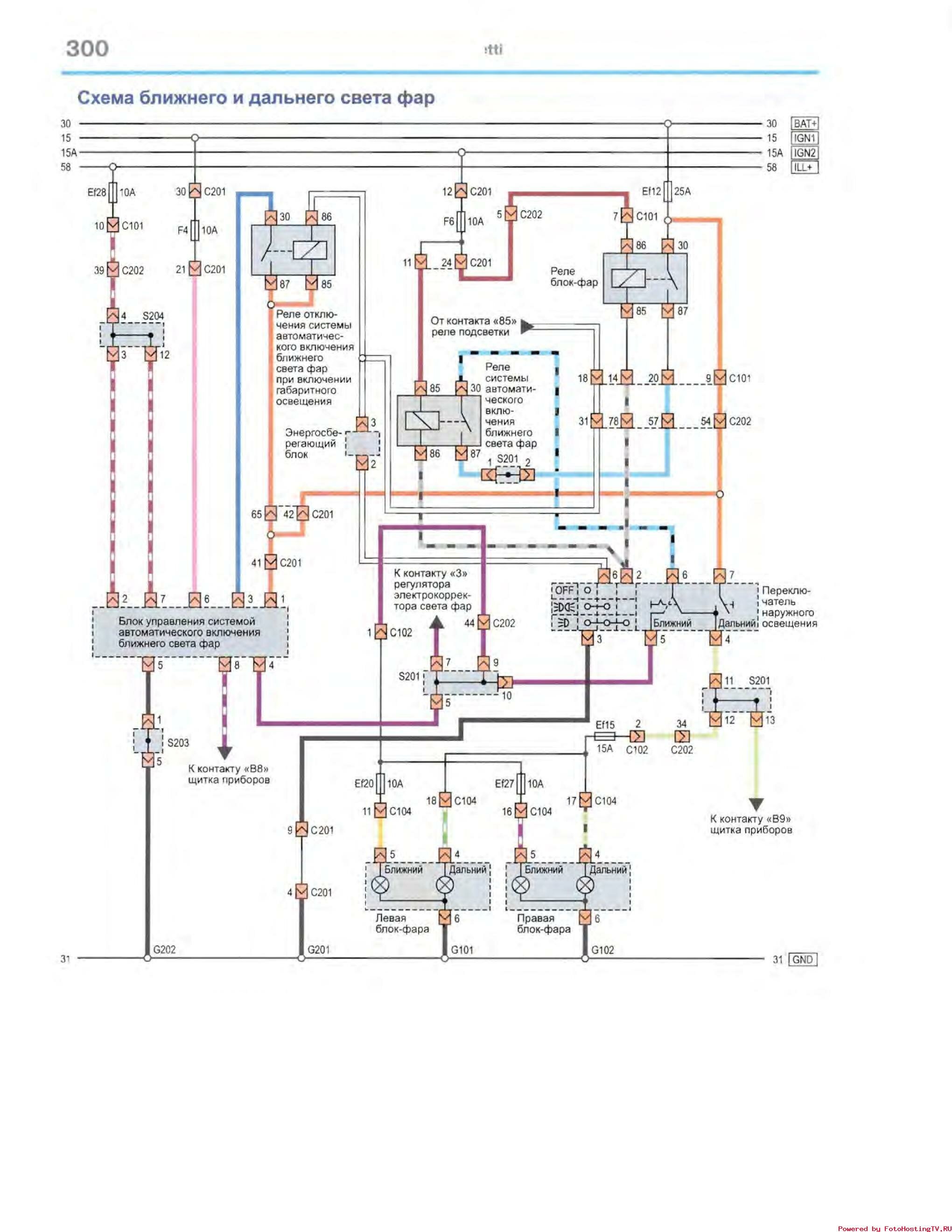
Эл.схема ближнего и дальнего света

Схема всего освещения на Шевроле Лацетти

РЕМОНТ АВТОЭЛЕКТРОНИКИ ЗАРЯДНЫЕ УСТРОЙСТВА ДЛЯ АКБ

|