Здесь приведенны всевозможные схемы электрооборудования на Шевроле Ланос с двигателем 1,5 л.с. По итогам продаж наиболее популярной машиной марки Chevrolet у россиян стал Lanos — спрос на этот автомобиль с достаточно скромной внешностью за год удвоился, и продажи достигли 26 500 шт. В базовой комплектации Lanos S стоимостью 246 700 руб. продается практически «голым». Отсутствуют даже подушки безопасности и усилитель рулевого управления. В комплектацию SX от 278 500 руб. подушка безопасности водителя уже включена, есть также кондиционер с пылевым фильтром. Многие считают, что в такой комплектации SX по своим потребительским свойствам превосходит вазовскую «десятку» и «Приору». Chevrolet Lanos - это автомобиль, в котором все в меру. В салоне с удобством расположатся пятеро в меру упитанных человек. Багажник по мере необходимости можно заполнять нужными вещами. Двигатель позволит размеренно ездить, экономя на бензине и штрафах за превышение скорости. Надежность — такая, чтобы заезжать на сервис, только отмерив 10 000 км пробега. И цена — более-менее умеренная.
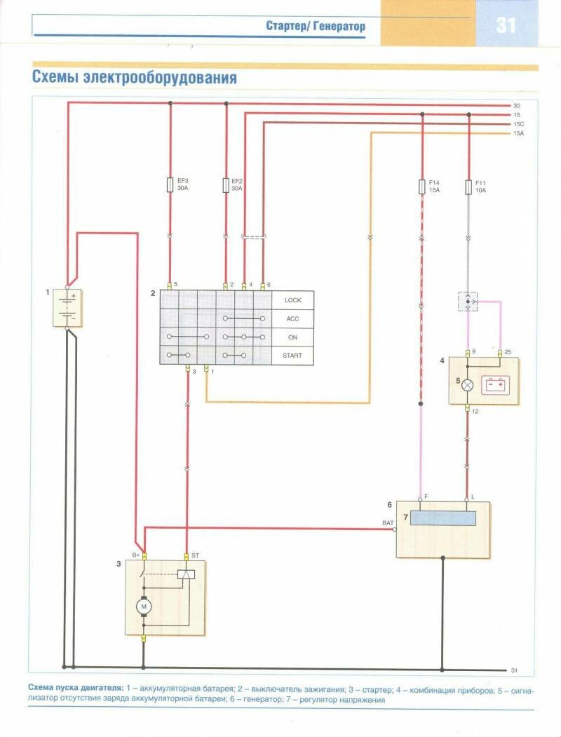
Электросхема пуска двигателя

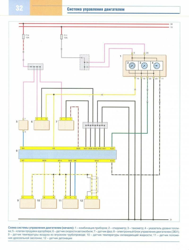
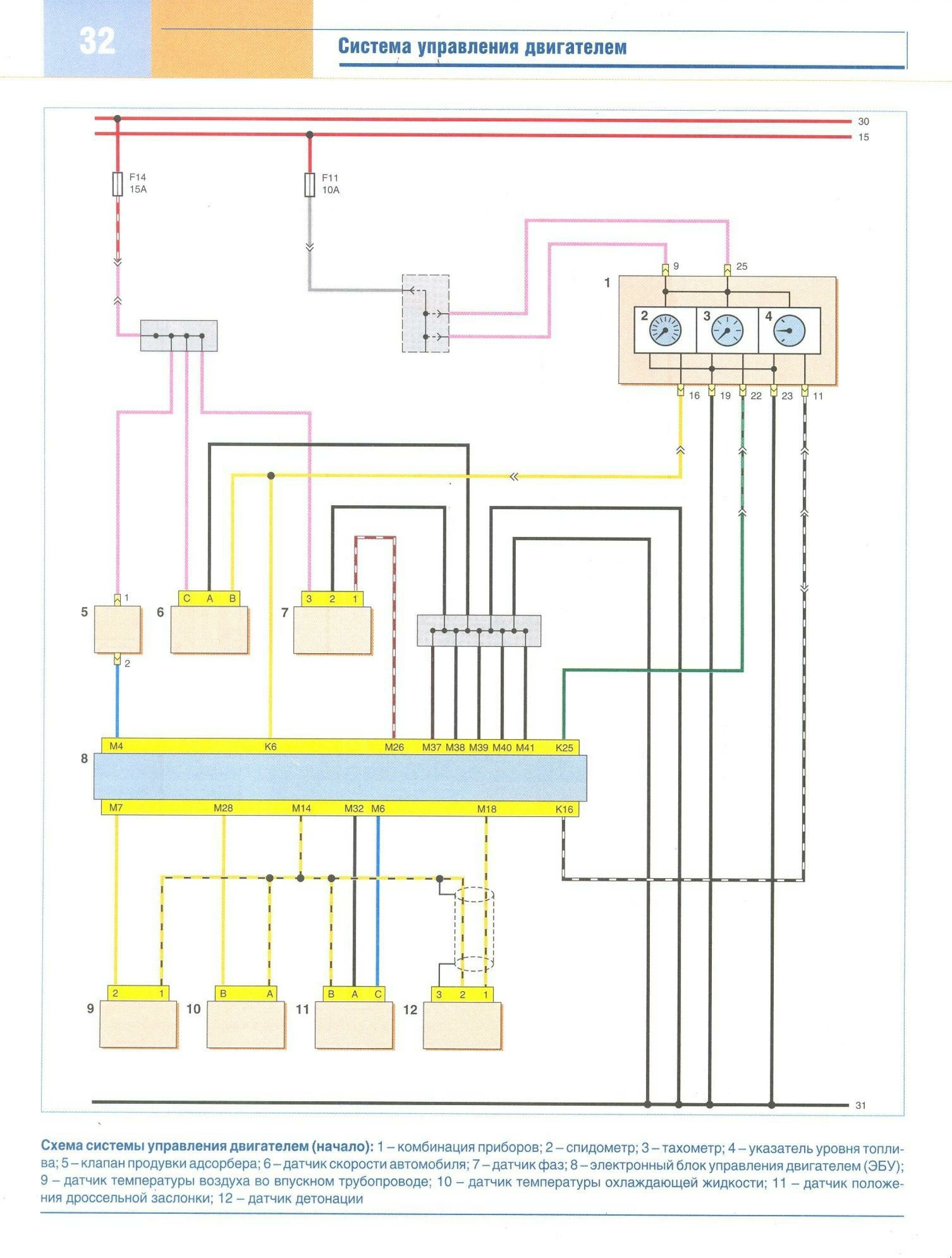
Эл.схема системы управления двигателем



Схема включения габаритного освещения

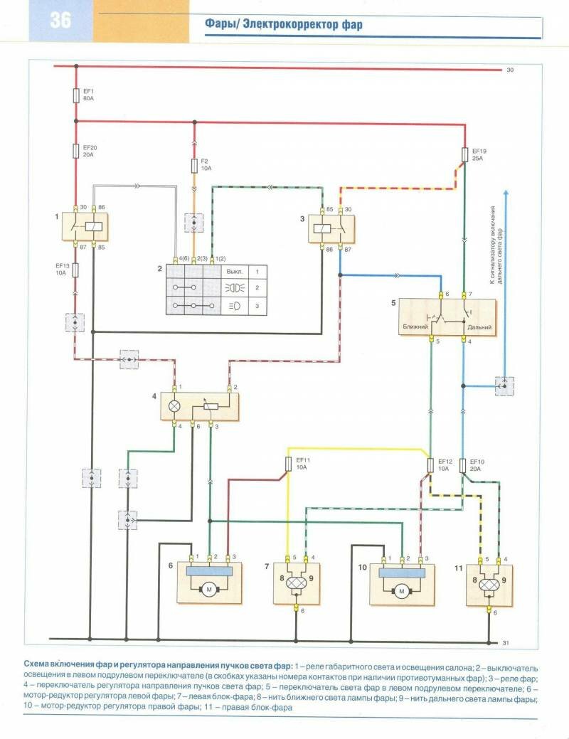
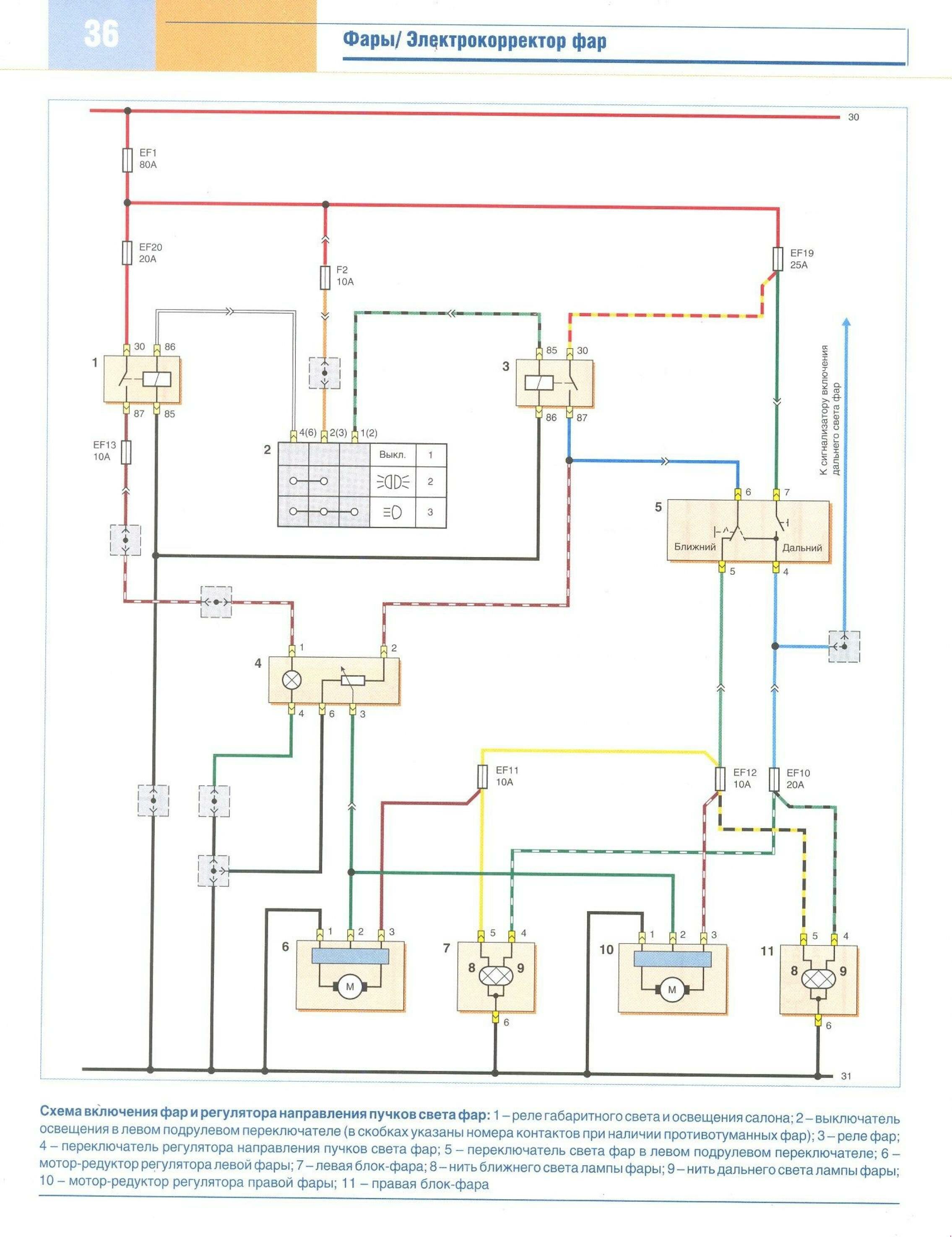
Схема включения фар

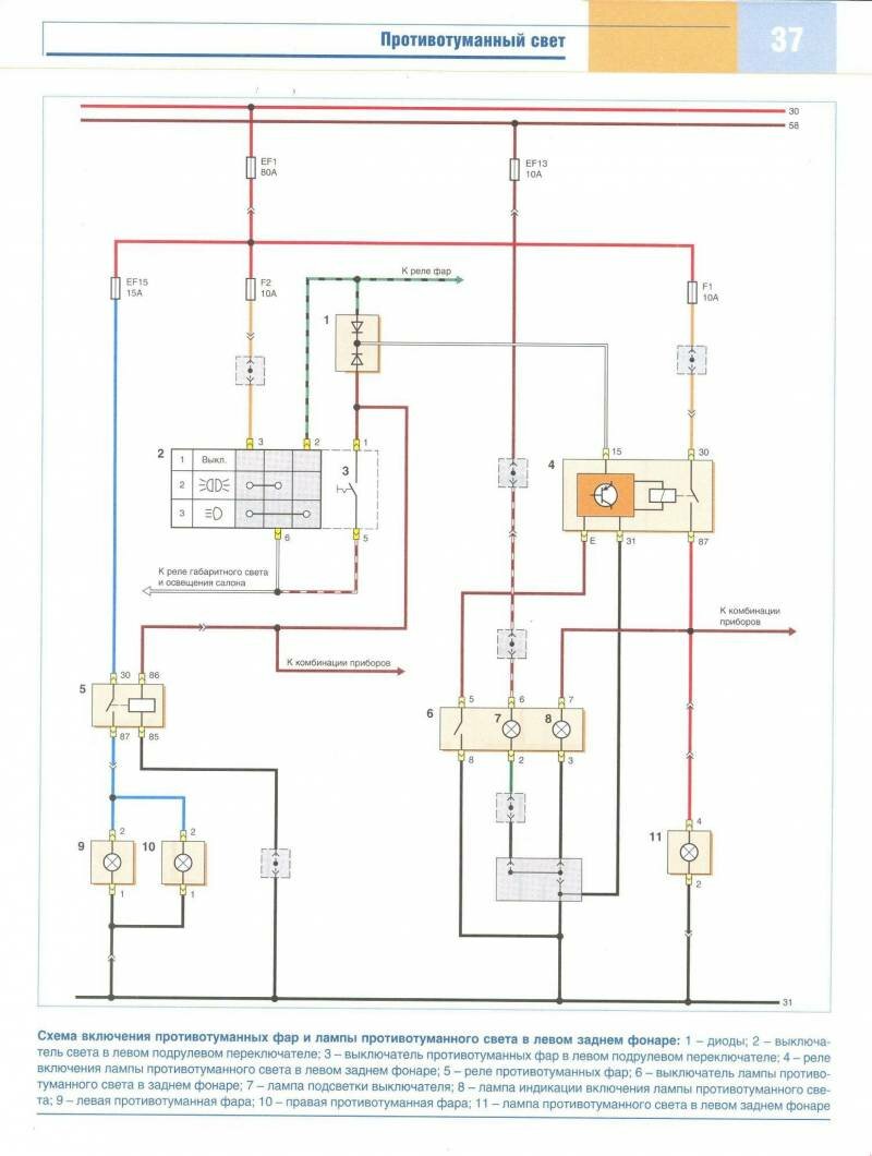
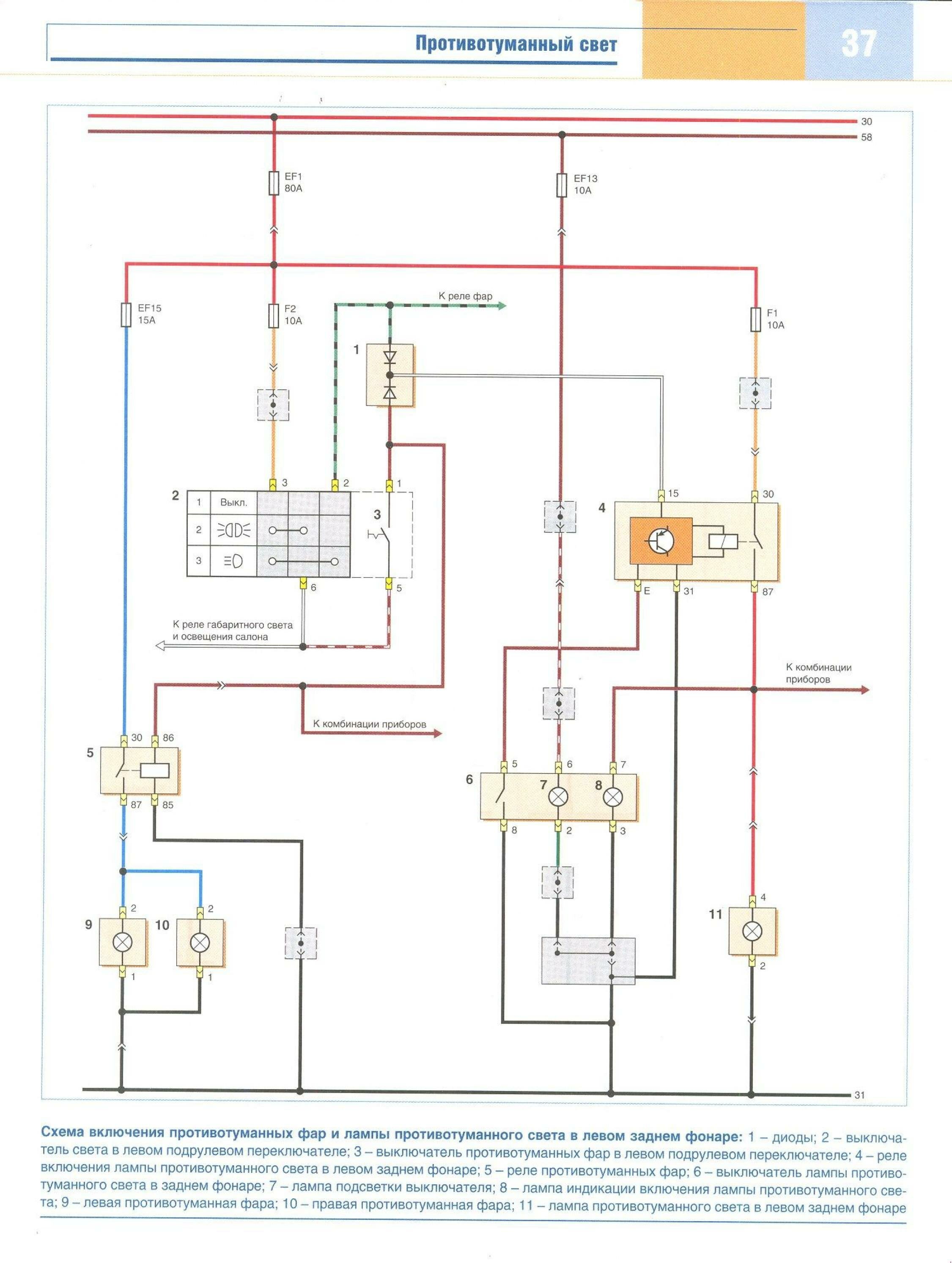
Электросхема противотуманных фар

Включение указателей поворота и аварийная сигнализация - схема

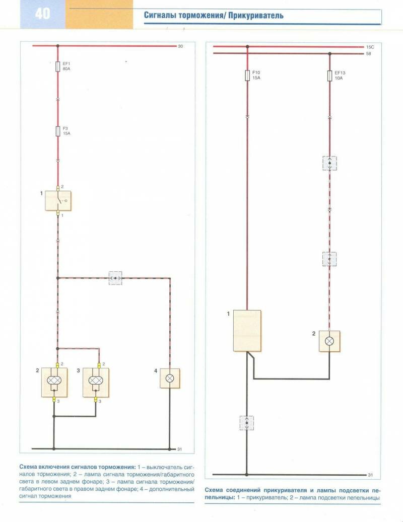
Эл.схема сигналов торможения

Схема всего соединения комбинации приборов на Ланос



Схема обогрева заднего стекла

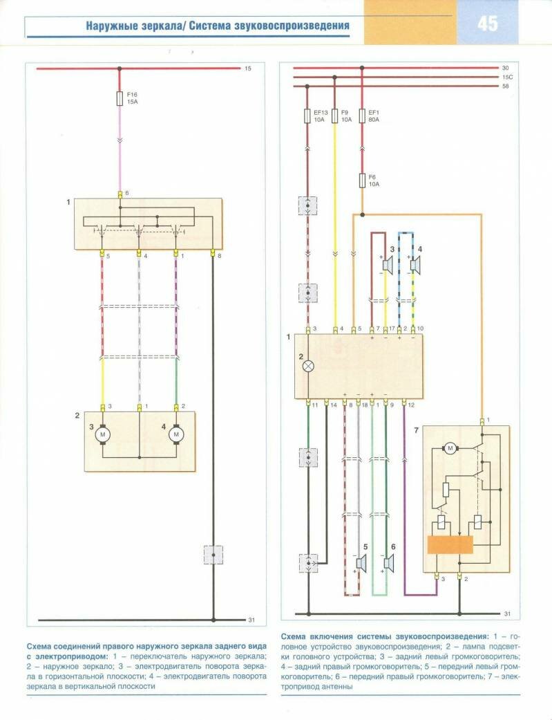
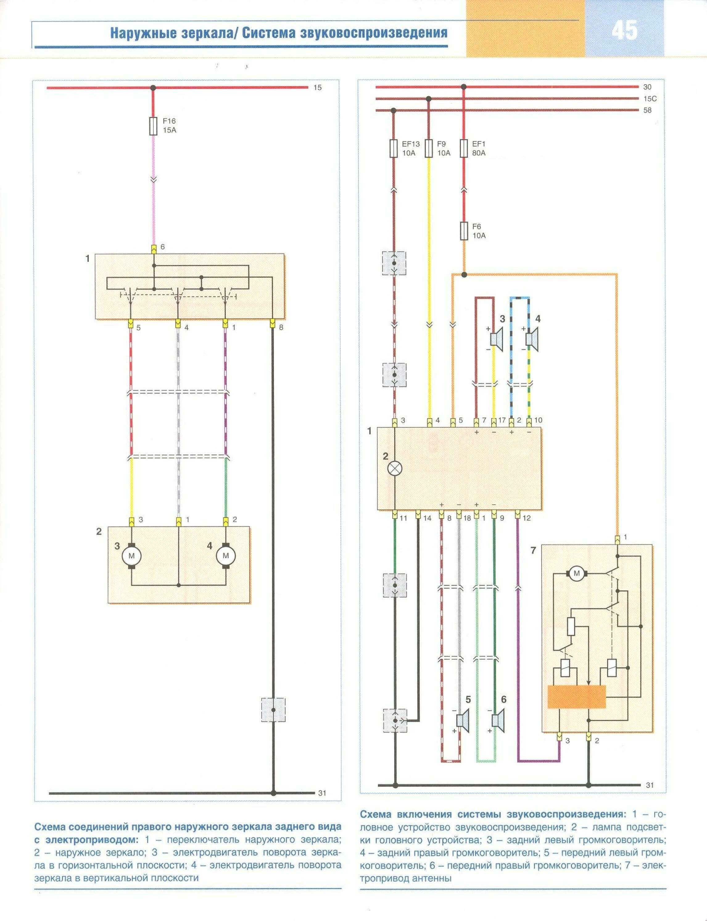
Электросхема аудиосистемы

РЕМОНТ АВТОЭЛЕКТРОНИКИ ЗАРЯДНЫЕ УСТРОЙСТВА ДЛЯ АКБ

|