Предлагаем всем автовладельцам Ситроен С4, схемы электрооборудования на CITROEN C4. Все материалы и схемы находятся в нескольких архивах. Некоторые электросхемы, в частности блоки реле и предохранителей авто, можно посмотреть на картинках ниже. В данном руководстве вы найдете полные технические характеристики автомобиля, схему электропроводки, устройство кузова и трансмиссии, а также всё о двигателе машины. Инструкция полностью рассматривает элементы электроники, приборную панель и элементы управления, рассказывает, как использовать те, или иные переключатели, расположенные во внутреннем пространстве салона.
Схема предохранителей Citroen C4 Picasso
Предохранители под панелью управления




Предохранители в моторном отсеке Ситроен С4


Предохранители на аккумуляторной батарее


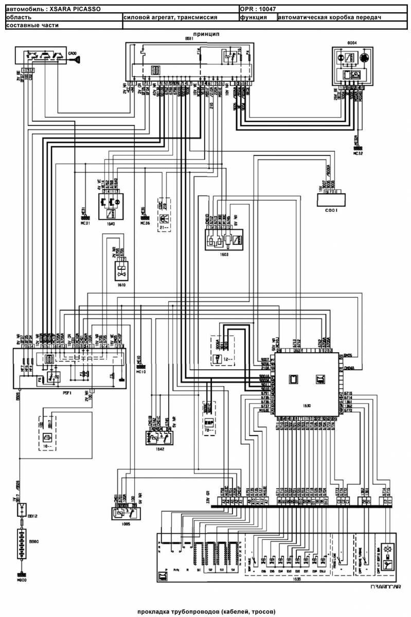
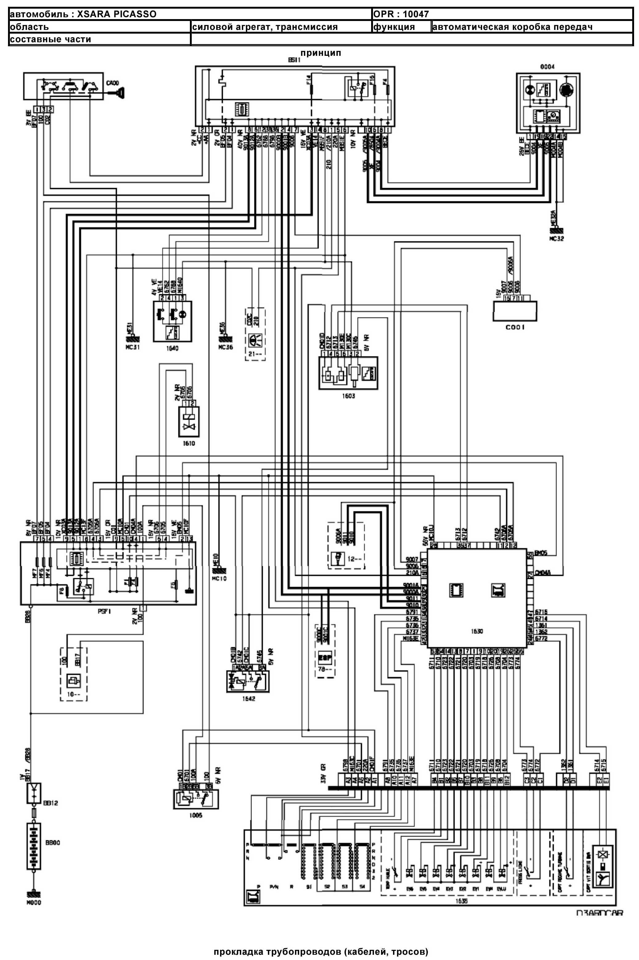
Схемы электрооборудования Ситроен С4



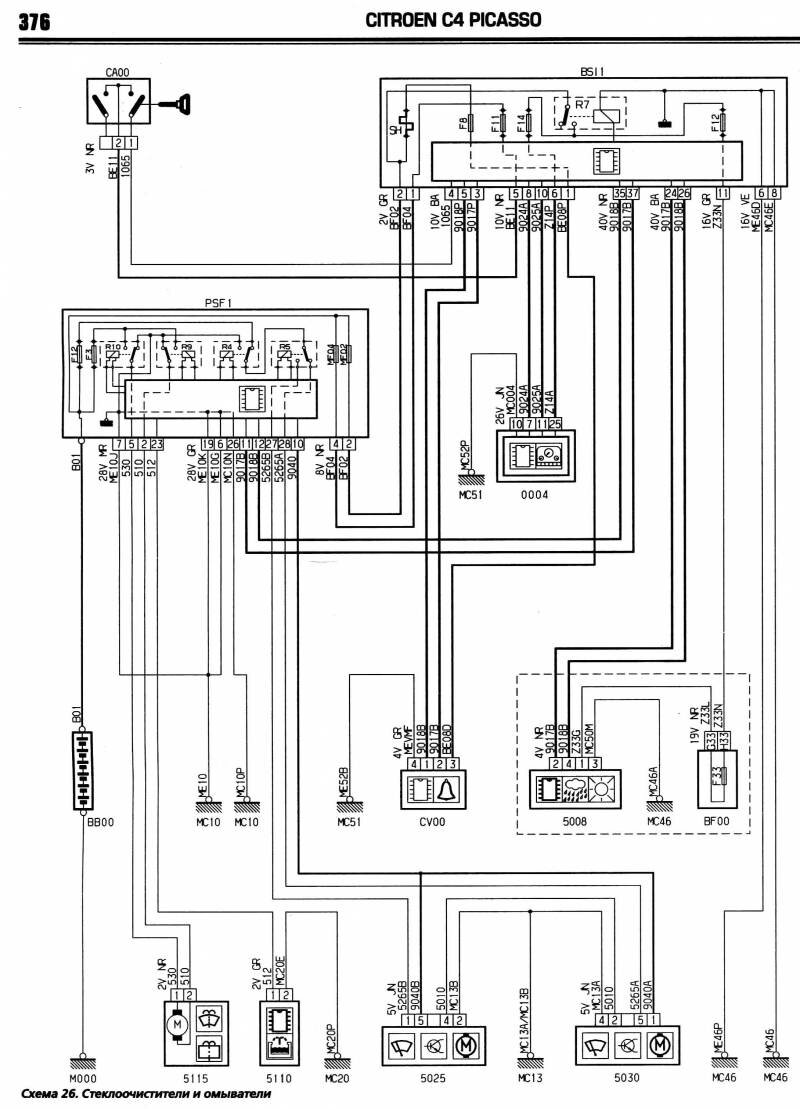
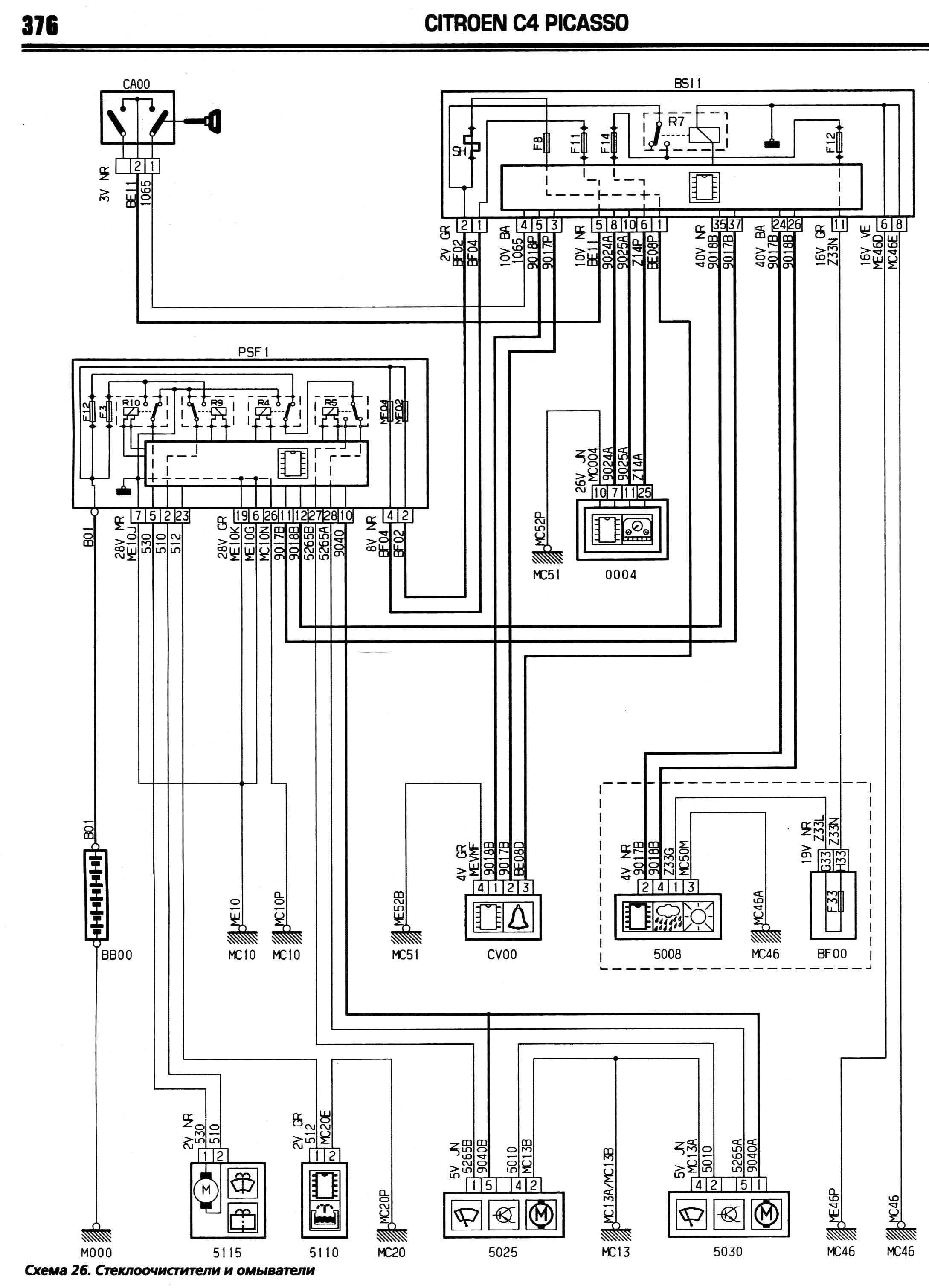
Стеклоочистители и омыватели авто

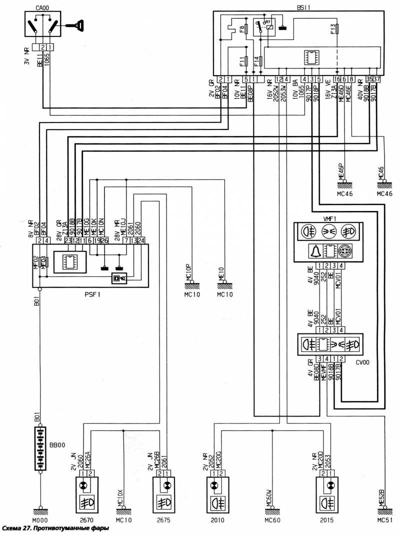
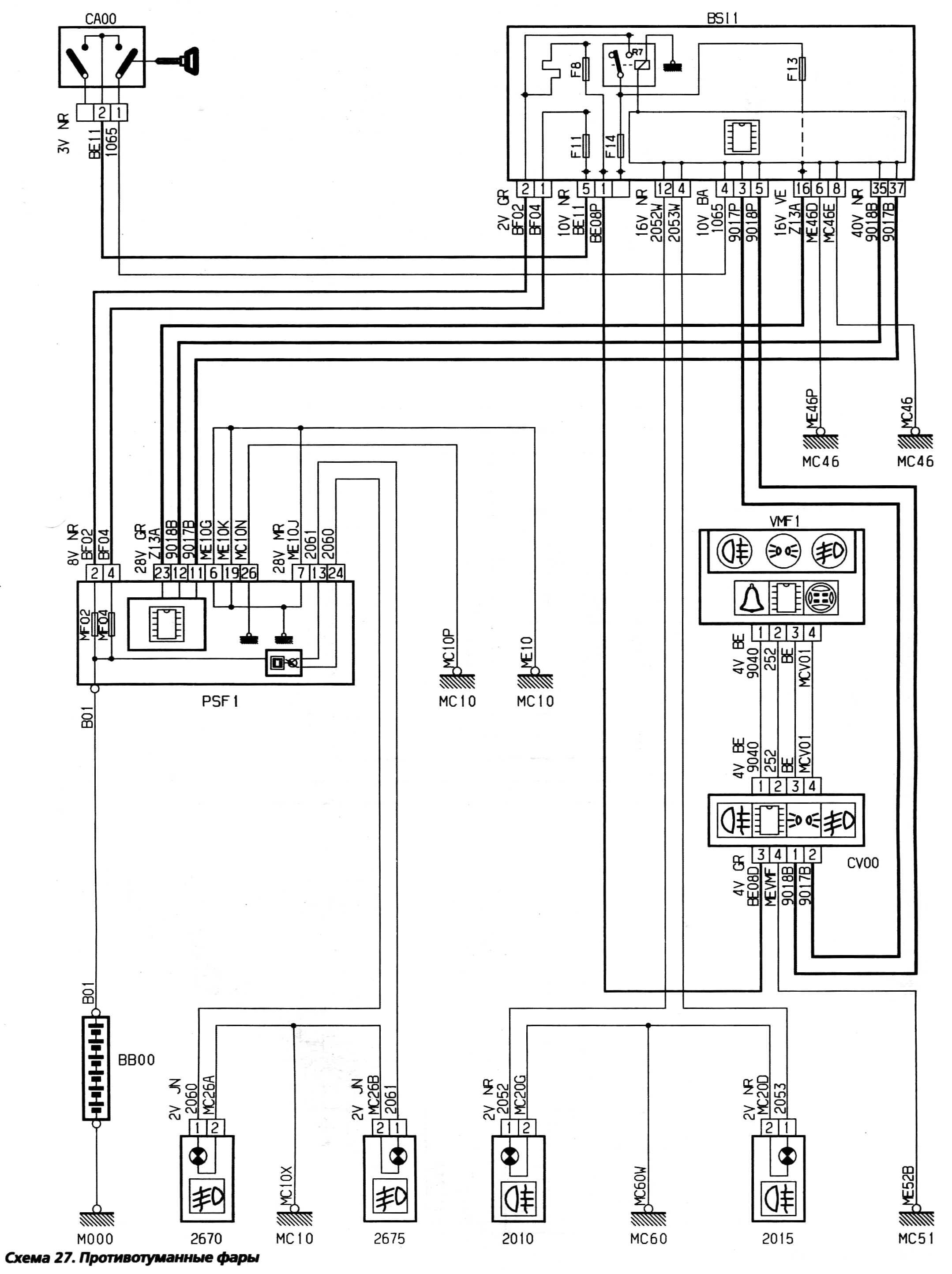
Ближний и дальний свет - подключение

Остальные узлы электрооборудования авто:
Электросхемы CITROEN C4 - скачать 1
Электросхемы CITROEN C4 - скачать 2
Электросхемы CITROEN C4 - скачать 3
РЕМОНТ АВТОЭЛЕКТРОНИКИ ЗАРЯДНЫЕ УСТРОЙСТВА ДЛЯ АКБ

|