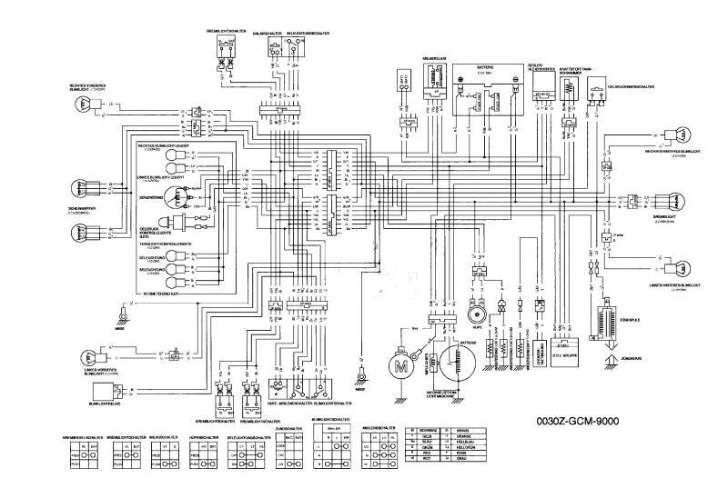
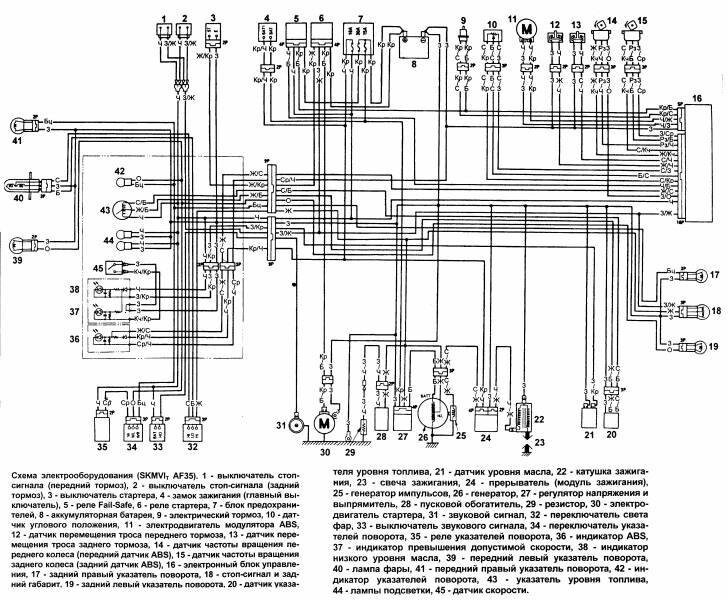
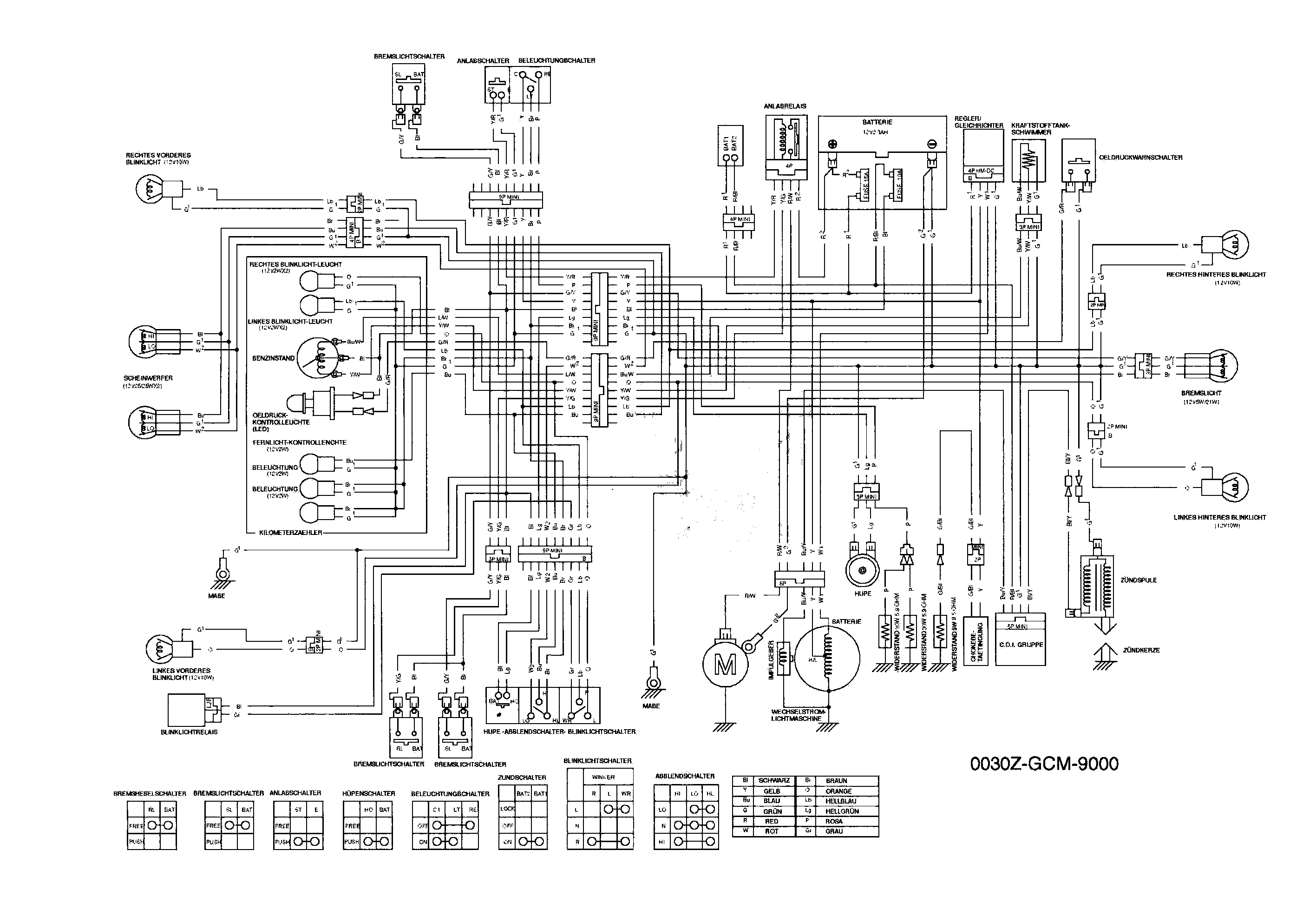
Сборник из восьми качественных схем скутеров Хонда. Бесплатно скачать схемы электропроводки к скутерам Honda X8R, Honda Dio, Honda Lead, Honda Tact и некоторым другим моделям, может каждый посетитель нашего сайта. Другие электросхемы для скутеров смотрите в соответствующем разделе.
Электросхема скутера хонда X8R

Электросхема скутера хонда Dio



Электросхема скутера хонда Lead NH50

Электросхема скутера хонда Tact

РЕМОНТ АВТОЭЛЕКТРОНИКИ ЗАРЯДНЫЕ УСТРОЙСТВА ДЛЯ АКБ

|