Бесплатные, цветные и качественные электросхемы автомобиля Тойота Королла на русском языке. Представленна первая часть, содержащая такие узлы: Система зажигания, управления двигателем, фары головного света, указатели поворотов, задние габаритные огни и освещение панели приборов Тойота Королла и другие. Вторую часть сборника электросхем Королла смотрите тут.
Электросхема зажигания Тойота Королла

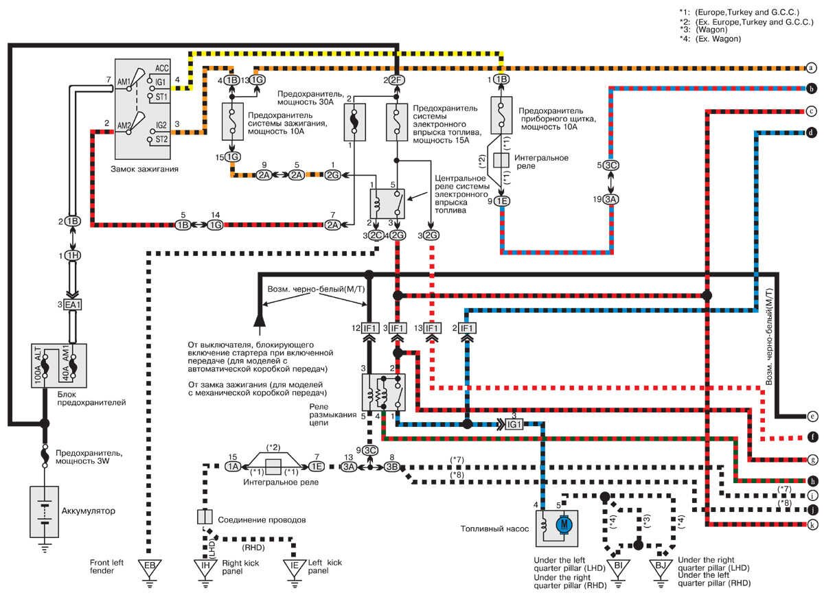
Система управления двигателем автомобиля


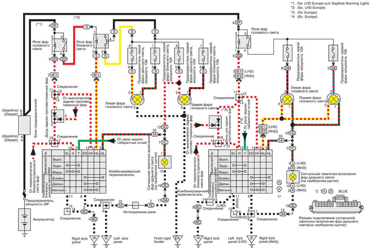
Фары головного света Тойота Королла

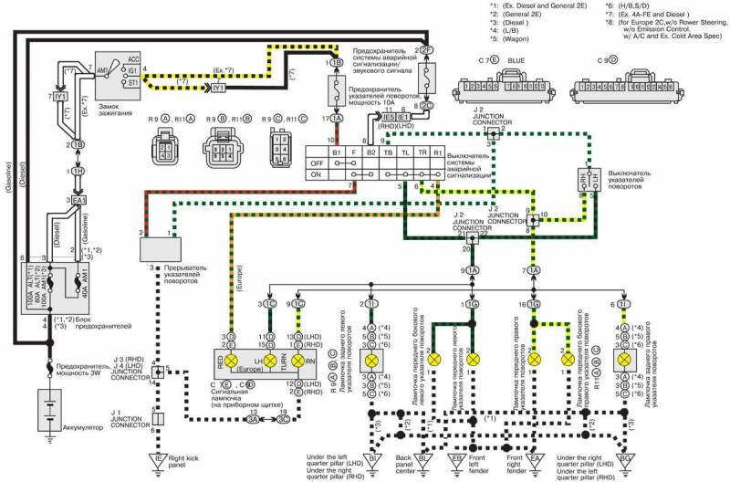
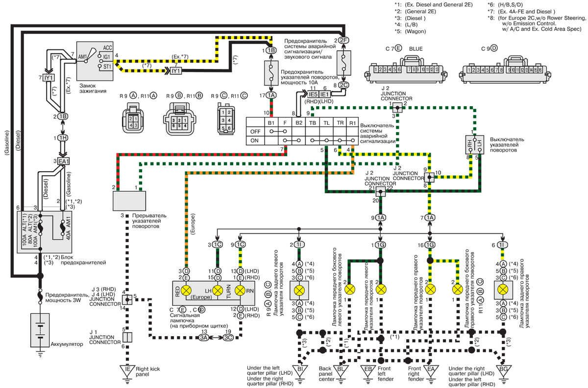
Указатели поворотов - принципиальная схема

Внутреннее освещение салона

Задние габаритные огни и освещение панели приборов авто


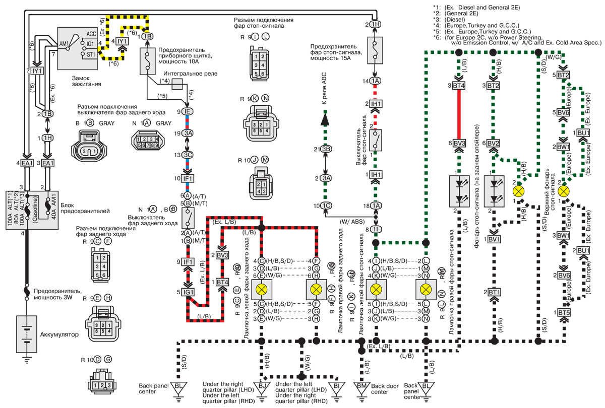
Фары стоп-сигнала и фары заднего хода

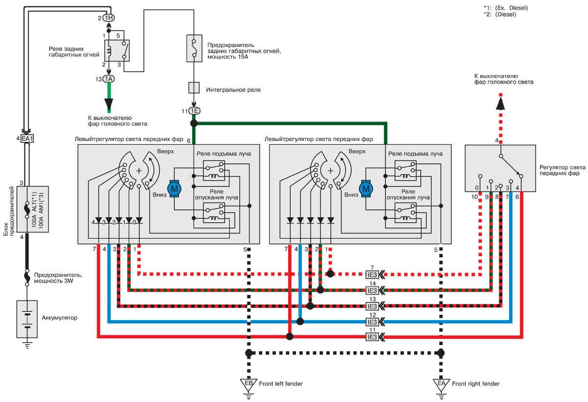
Схема системы регулировки света передних фар Тойота Королла

Задние противотуманные фары автомобиля

Электросхема передних противотуманокToyota Corolla и обогревателя стекла

РЕМОНТ АВТОЭЛЕКТРОНИКИ ЗАРЯДНЫЕ УСТРОЙСТВА ДЛЯ АКБ

|