Схема ВАЗ-2104 - электропроводка и блок предохранителей. На ранних моделях автомобилей 2104 блок предохранителей составляли ненадёжные пальчиковые предохранители. Эта проблема была в держателях предохранителей, выполненных из пружин. В месте плохого контакта устройств выделялось много тепла, способного расплавить корпус блока, держатели начинали шататься и не могли хорошо зажимать предохранители, что и послужило поводом замены монтажного блока более старого образца на новые, с элементами вилочного типа.
Предохранители автомобиля


Электросхемы автомобиля ВАЗ-2104

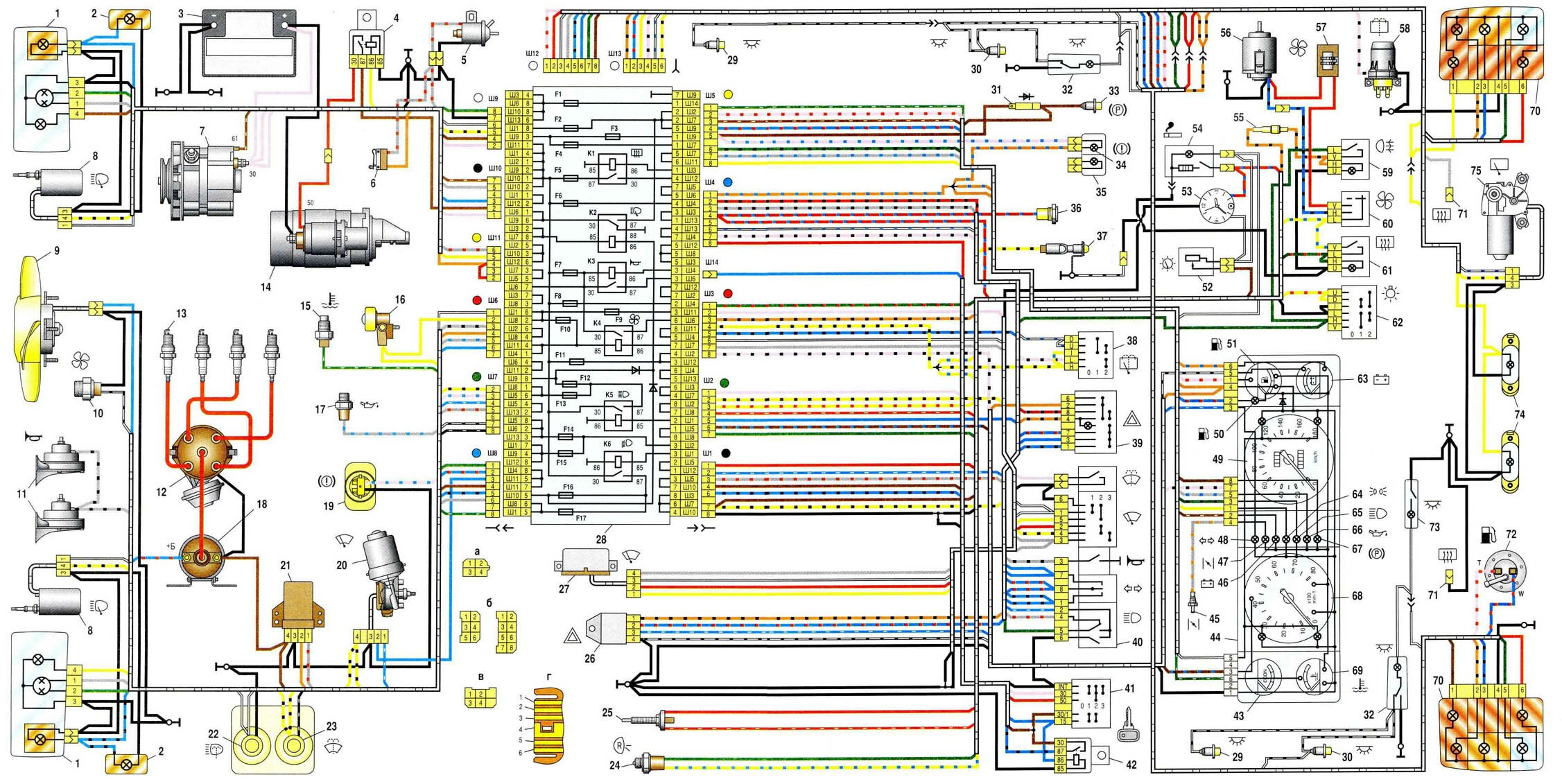
Схема ВАЗ-2104, для автомобилей ранних годов выпуска. От стандартной схемы ее отличают генератор Г-222, 10-ти контактный включатель аварийной сигнализации, 5-ти контактное реле указателей поворотов и аварийной сигнализации, датчик верхней мертвой точки 1-го цилиндра, колодка диагностики, лампа-индикатор обогрева заднего стекла непосредственно в выключателе, отсутствие контрольной лампы воздушной заслонки карбюратора, двухпозиционный выключатель внешнего освещения и трехпозиционный подрулевой переключатель света.
1 - блок-фары;
2 - боковые указатели поворота;
3 - аккумуляторная батарея;
4 - реле контрольной лампы заряда аккумуляторной батареи;
5 - электропневмоклапан карбюратора;
6 - датчик верхней мертвой точки 1-го цилиндра;
7 - микровыключатель карбюратора;
8 - генератор Г-222;
9 - моторедукторы очистителей фар*;
10 - электродвигатель вентилятора системы охлаждения двигателя*;
11 - датчик включения электродвигателя вентилятора*;
12 - звуковые сигналы;
13 - распределитель зажигания;
14 - свечи зажигания;
15 - стартер;
16 - датчик указателя температуры охлаждающей жидкости;
17 - подкапотная лампа;
18 - датчик контрольной лампы давления масла;
19 - катушка зажигания;
20 - датчик уровня тормозной жидкости;
21 - моторедуктор очистителя ветрового стекла;
22 - блок управления электропневмоклапаном карбюратора;
23 - электродвигатель насоса омывателя фар*;
24 - электродвигатель насоса омывателя ветрового стекла;
25 - колодка диагностики;
26 - выключатель стоп-сигнала;
27 - реле-прерыватель очистителя ветрового стекла;
28 - реле-прерыватель аварийной сигнализации и указателей поворота;
29 - выключатель света заднего хода;
30 - штепсельная розетка для переносной лампы;
31 - прикуриватель;
32 - лампа освещения вещевого ящика;
33 - монтажный блок (вместо реле КЗ установлена перемычка);
34 - выключатели плафонов на стойках передних дверей;
35 - выключатели плафонов на стойках задних дверей;
36 - плафоны;
37 - выключатель контрольной лампы стояночного тормоза;
38 - переключатель очистителя и омывателя заднего стекла*;
39 - выключатель аварийной сигнализации;
40 - трехрычажный переключатель;
41 - выключатель зажигания;
42 - выключатель освещения приборов;
43 - выключатель наружного освещения;
44 - выключатель заднего противотуманного света;
45 - контрольная лампа давления масла;
46 - комбинация приборов;
47 - контрольная лампа резерва топлива;
48 - указатель уровня топлива;
49 - плафон освещения задней части салона;
50 - контрольная лампа заряда аккумуляторной батареи;
51 - указатель температуры охлаждающей жидкости;
52 - реле-прерыватель контрольной лампы стояночного тормоза;
53 - блок контрольных ламп;
54 - контрольная лампа уровня тормозной жидкости;
55 - контрольная лампа заднего противотуманного света;
56 - контрольная лампа стояночного тормоза;
57 - вольтметр;
58 - спидометр;
59 - контрольная лампа наружного освещения;
60 - контрольная лампа указателей поворота;
61 - контрольная лампа дальнего света фар;
62 - переключатель вентилятора отопителя;
63 - выключатель обогрева заднего стекла с контрольной лампой включения*;
64 - электродвигатель вентилятора отопителя;
65 - дополнительный резистор электродвигателя отопителя;
66 - электродвигатель насоса омывателя заднего стекла;
67 - задние фонари;
68 - моторедуктор очистителя заднего стекла*;
69 - колодки для подключения к элементу обогрева заднего стекла;
70 - фонари освещения номерного знака;
71 - датчик указателя уровня и резерва топлива.
Схема электрооборудования автомобиля ВАЗ-21047

1 - блок-фары;
2 - боковые указатели поворота;
3 - аккумуляторная батарея;
4 - реле включения стартера;
5 - электропневмоклапан карбюратора;
6 - микровыключатель карбюратора;
7 - генератор 37.3701;
8 - моторедукторы очистителей фар*;
9 - электродвигатель вентилятора системы охлаждения двигателя;
10 - датчик включения электродвигателя вентилятора;
11 - звуковые сигналы;
12 - распределитель зажигания;
13 - свечи зажигания;
14 - стартер;
15 - датчик указателя температуры охлаждающей жидкости;
16 - подкапотная лампа;
17 - датчик сигнализатора недостаточного давления масла;
18 - катушка зажигания;
19 - датчик сигнализатора недостаточного уровня тормозной жидкости;
20 - моторедуктор очистителя ветрового стекла;
21 - блок управления электропневмоклапаном карбюратора;
22 - электродвигатель насоса омывателя фар*;
23 - электродвигатель насоса омывателя ветрового стекла;
24 - выключатель света заднего хода;
25 - выключатель сигнала торможения;
26 - реле аварийной сигнализации и указателей поворота;
27 - реле очистителя ветрового стекла;
28 - монтажный блок;
29 - выключатели плафонов на стойках передних дверей;
30 - выключатели плафонов на стойках задних дверей;
31 - диод для проверки исправности лампы сигнализатора недостаточного уровня тормозной жидкости;
32 - плафоны;
33 - выключатель сигнализатора стояночного тормоза;
34 - лампа сигнализатора недостаточного уровня тормозной жидкости;
35 - блок сигнализаторов;
36 - штепсельная розетка для переносной лампы**;
37 - лампа освещения вещевого ящика;
38 - переключатель очистителя и омывателя стекла двери задка;
39 - выключатель аварийной сигнализации;
40 - трехрычажный переключатель;
41 - выключатель зажигания;
42 - реле зажигания;
43 - эконометр;
44 - комбинация приборов; 45 - выключатель сигнализатора прикрытия воздушной заслонки карбюратора;
46 - лампа сигнализатора заряда аккумуляторной батареи;
47 - лампа сигнализатора прикрытия воздушной заслонки карбюратора;
48 - лампа сигнализатора включения указателей поворота;
49 - спидометр;
50 - лампа сигнализатора резерва топлива;
51 - указатель уровня топлива;
52 - регулятор освещения приборов;
53 - часы;
54 - прикуриватель;
55 - предохранитель цепи противотуманного света;
56 - электродвигатель вентилятора отопителя;
57 - дополнительный резистор электродвигателя отопителя;
58 - электродвигатель насоса омывателя стекла двери задка;
59 - выключатель заднего противотуманного света с сигнализатором включения;
60 - переключатель вентилятора отопителя;
61 - выключатель обогрева стекла двери задка с сигнализатором включения;
62-переключатель наружного освещения;
63 - вольтметр;
64-лампа сигнализатора включения наружного освещения;
65-лампа сигнализатора включения дальнего света фар;
66 - лампа сигнализатора недостаточного давления масла;
67 - лампа сигнализатора включения стояночного тормоза;
68 - тахометр;
69 - указатель температуры охлаждающей жидкости;
70 - задние фонари;
71 - колодки для подключения к элементу обогрева стекла двери задка;
72 - датчик указателя уровня и резерва топлива;
73 - плафон освещения задней части салона;
74 - фонари освещения номерного знака;
75 - моторедуктор очистителя стекла двери задка.
Схема системы впрыска ВАЗ

1 – электродвигатель вентилятора
системы охлаждения двигателя;
2 – монтажный блок;
3 – регулятор холостого хода;
4 – электронный блок управления;
5 – октан-потенциометр;
6 – свечи зажигания;
7 – модуль зажигания;
8 – датчик положения коленчатого вала;
9 – электробензонасос с датчиком уровня топлива;
10 – тахометр;
11 – контрольная лампа “CHECK ENGINE”;
12 – реле зажигания автомобиля;
13 – датчик скорости;
14 – колодка диагностики;
15 – форсунка;
16 – клапан продувки адсорбера;
17, 18, 19 – предохранители системы впрыска;
20 – реле зажигания системы впрыска;
21 – реле включения электробензонасоса;
22 – реле электроподогревателя впускной трубы;
23 – электроподогреватель впускной трубы;
24 – предохранитель подогревателя впускной трубы;
25 – датчик концентрации кислорода;
26 – датчик температуры охлаждающей жидкости;
27 – датчик положения дроссельной заслонки;
28 – датчик температуры воздуха;
29 – датчик абсолютного давления;
А – к клемме “плюс” аккумуляторной батареи;
В – к клемме “15” выключателя зажигания;
Р4 – реле включения электродвигателя вентилятора.
Схема системы управления двигателем ВАЗ-2104 с контроллером «Январь-5.1.3»

1 - разъем контроллера;
2 - модуль зажигания;
3 - электромагнитный клапан продувки адсорбера;
4 - реле электровентилятора;
5 - реле электробензонасоса;
6 - главное реле;
7 - предохранитель на реле электробензонасоса;
8 - предохранитель, защищающий силовые цепи главного реле;
9 - предохранитель на цепь постоянного питания контроллера;
10 - диод;
11 -форсунки;
12 -регулятор холостого хода;
13 - датчик скорости;
14 - датчик концентрации кислорода;
15 - датчик положения дроссельной заслонки;
16 - датчик положения коленчатого вала;
17 - датчик температуры охлаждающей жидкости;
18 - датчик массового расхода воздуха;
Х1 - колодка диагностика;
Х2 - колодка соединения с системой электрооборудования автомобиля ВАЗ 2104.
Монтажный блок - схема

РЕМОНТ АВТОЭЛЕКТРОНИКИ ЗАРЯДНЫЕ УСТРОЙСТВА ДЛЯ АКБ

|